Поиск подшипника
Статьи
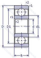
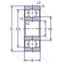
214-К — Шариковый радиальный однорядный подшипник, модификация основного исполнения 214, производство ГПЗ.
Размер подшипника: 70x125x24 мм.
«замок» (скос) на внутреннем кольце плюс массивный сепаратор из текстолита.
Аналоги: 6214.
Государственный стандарт ГОСТ
214К
В наличии
| Обозначение | Конструктивные изменения |
|---|---|
| 6-214 Л | Сепаратор из латуни.. |
| 6-214 Ю | Все детали или часть деталей из нержавеющей стали.. |
| 6-214 Ю1 | Все детали или часть деталей из нержавеющей стали.. |
| 6-214 Ю2У | Дополнительные технические требования. Все детали или часть деталей из нержавеющей стали.. |
| 70-214 А | Повышенная грузоподъемность. |
| 70-214 К | «Замок» (скос) на внутреннем кольце плюс массивный сепаратор из текстолита. |
| 70-214 К5 | Повышенная грузоподъемность. |
| 76-214 Л | Сепаратор из латуни.. |
| 76-214 Ш2У | Дополнительные технические требования. Нормы шумности. |
| 214-А | Повышенная грузоподъемность. |
| 214-К5 | Повышенная грузоподъемность. |
| 214-Л | Сепаратор из латуни.. |
| 214-Ю | Все детали или часть деталей из нержавеющей стали.. |
| 214K | Коническое отверстие. Конусность 1/12. |
| 214Ш2У | Дополнительные технические требования. Нормы шумности. |
| 214Ю1 | Все детали или часть деталей из нержавеющей стали.. |
| 8-214-К | «Замок» (скос) на внутреннем кольце плюс массивный сепаратор из текстолита. |
| 46-214 ЛТ1 | Сепаратор из латуни.. 180°. Температура отпуска. |
| 46-214 Ю | Все детали или часть деталей из нержавеющей стали.. |
| 46-214 Ю1 | Все детали или часть деталей из нержавеющей стали.. |
| 46-214 Ю1П | Все детали или часть деталей из нержавеющей стали.. |
| 46-214 Ю2 | Все детали или часть деталей из нержавеющей стали.. |
| 46-214 Ю5 | Все детали или часть деталей из нержавеющей стали.. |
| 5-214 Д1Т1 | 180°. Сепаратор из алюминиевого сплава.. Температура отпуска. |
| 5-214 Л | Сепаратор из латуни.. |
Модификации шарикового подшипника 214-К — это измененное основное конструктивное исполнение 214, основные размеры (70x125x24) не отличаются.
| Обозначение | Гост | Конструктивные особенности |
|---|---|---|
| 6214 | ISO | Шариковый радиальный однорядный подшипник. |
| 76-80214 АС17Ш | ГОСТ | Смазка Литол-24. Повышенная грузоподъемность. Нормы шумности. |
| 76-80214 АW24Ш1 | ГОСТ | Повышенная грузоподъемность. Нормы шумности. Смазка пластичная Shell Alvania Greases G2. |
| 80214-АС17Ш | ГОСТ | Смазка Литол-24. Повышенная грузоподъемность. Нормы шумности. |
| 6214 NR | ISO | Канавка и стопорное кольцо на наружном кольце. |
| M6214ZZ | ISO | Защитные металлические шайбы с обеих сторон. Шарикоподшипник максимальной грузоподъемности. |
| 6214-2RU | ISO | Non Contact Type Friction Torque = Small High Speed Performance = Good Grease Sealing = Better Than ZZ-Type Dirt Resistance = Better Than ZZ-Type Water Resistance = Better Than ZZ / Inferior To 2RS Operating Temp. -30°C To + 100°C. |
| 6214-2NKE | ISO | Double Labyrinth Seal (Non Contact). |
| 6214ZE | ISO | щит из листовой прессованной стали с одной стороны подшипника. |
| 6214ZZE | ISO | Шариковый радиальный однорядный подшипник. |
| 6214-2Z-N | ISO | Защитные металлические шайбы с обеих сторон подшипника. Канавка под стопорное кольцо на внешнем кольце. |
| 6-80214 КУ | ГОСТ | Дополнительные технические требования. |
| 60214-А | ГОСТ | Повышенная грузоподъемность. |
| 60214-А1 | ГОСТ | Повышенная грузоподъемность. |
| 60214-К | ГОСТ | «Замок» (скос) на внутреннем кольце плюс массивный сепаратор из текстолита. |
| 60214K | ГОСТ | Коническое отверстие. Конусность 1/12. |
| 6214LU | ISO | Двухкромочное нитриловое контактное уплотнение. |
| 6214LB | ISO | Бесконтактное нитриловое уплотнение. |
| 6214LLB | ISO | Уплотнение бесконтактного типа из синтетического каучука. |
| 6214LLBNR | ISO | Канавка и стопорное кольцо на наружном кольце. Бесконтактное нитриловое уплотнение. |
| S6214-2RS | ISO | Резиновые уплотнения с каждой стороны подшипника. |
Аналог шарикового подшипника 214-К — это подшипник такого же размера dx70,Dx125,Bx24, типа и конструкции.
| Обозначение | Конструктивные особенности | Внутренний (d) | Наружный (D) | Ширина (B) |
|---|---|---|---|---|
| 1214 ETN9 | Шариковый сферический двухрядный подшипник. Оптимизированный внутренний дизайн. Литая защелкивающаяся клетка из полиамида 6.6. армированного стекловолокном с шариковой центрировкой.. | 70.00 | 125.00 | 24.00 |
| 7602070-TVP | Шариковый упорный однорядный подшипник. Molded Snap-Type Cage Of Glass Fibre Reinforced Polyamide. Rolling Element Riding. | 70.00 | 125.00 | 24.00 |
| 45-276214 БТ2 | Шариковый радиально-упорный однорядный подшипник. 200°. Температура отпуска. Сепаратор из безоловянистой бронзы.. | 70.00 | 125.00 | 24.00 |
| 45-276214 Р | Шариковый радиально-упорный однорядный подшипник. Детали из теплоустойчивой (быстрорежущие) стали.. | 70.00 | 125.00 | 24.00 |
| 46214-АЛ | Шариковый радиально-упорный однорядный подшипник. Сепаратор из латуни.. Повышенная грузоподъемность. | 70.00 | 125.00 | 24.00 |
| 46214-Е | Шариковый радиально-упорный однорядный подшипник. Сепаратор из текстолита.. | 70.00 | 125.00 | 24.00 |
| 46214-Л | Шариковый радиально-упорный однорядный подшипник. Сепаратор из латуни.. | 70.00 | 125.00 | 24.00 |
| 46214-К | Шариковый радиально-упорный однорядный подшипник. «Замок» (скос) на внутреннем кольце плюс массивный сепаратор из текстолита. | 70.00 | 125.00 | 24.00 |
| 4А-276214 БТ2 | Шариковый радиально-упорный однорядный подшипник. 200°. Температура отпуска. Сепаратор из безоловянистой бронзы.. | 70.00 | 125.00 | 24.00 |
| 5-276214 Б1Т | Шариковый радиально-упорный однорядный подшипник. Температура отпуска. 160°. Сепаратор из безоловянистой бронзы.. | 70.00 | 125.00 | 24.00 |
| 5-276214 Б1Т2 | Шариковый радиально-упорный однорядный подшипник. 200°. Температура отпуска. Сепаратор из безоловянистой бронзы.. | 70.00 | 125.00 | 24.00 |
| 5-36214 E | Шариковый радиально-упорный однорядный подшипник. Повышенная грузоподъемность. | 70.00 | 125.00 | 24.00 |
| 5-36214 Е | Шариковый радиально-упорный однорядный подшипник. Сепаратор из текстолита.. | 70.00 | 125.00 | 24.00 |
| 5-36214 К | Шариковый радиально-упорный однорядный подшипник. «Замок» (скос) на внутреннем кольце плюс массивный сепаратор из текстолита. | 70.00 | 125.00 | 24.00 |
| 5-36214 Л | Шариковый радиально-упорный однорядный подшипник. Сепаратор из латуни.. | 70.00 | 125.00 | 24.00 |
Способы доставки
Отправка через ведущие транспортные и курьерские компании: ПЭК, Деловые Линии, СДЭК, Байкал-Сервис, Энергия, КИТ, ЖелДорЭкспедиция.
Самовывоз возможен напрямую со склада в Москве.
Сроки доставки
Срок зависит от региона и выбранной транспортной компании. Все заказы комплектуются и отправляются в кратчайшие сроки со склада в Москве.
Надёжность и сохранность
Вся продукция упаковывается с учётом требований транспортировки. Мы гарантируем, что подшипники и комплектующие прибудут к заказчику в полной сохранности.
Доставка в страны ЕАЭС
Мы работаем с проверенными логистическими партнёрами, что позволяет оперативно доставлять заказы в Беларусь, Казахстан, Армению и другие страны ЕАЭС.
Варианты оплаты:
Минимальная сумма заказа и скидки:
Документы и гарантии:
Да, конечно! Наши технические специалисты готовы помочь вам с подбором точного аналога или замены подшипника. Просто позвоните нам по телефону +7 (495) 104-99-04 или напишите на почту zakaz@podsnab.ru.
Для оперативной консультации подготовьте, пожалуйста, имеющиеся данные: маркировку, размеры, тип оборудования или артикул старого подшипника.
Да, конечно! Мы высоко ценим долгосрочное сотрудничество и доверие клиентов по всей России. Для постоянных клиентов действует персональная система скидок.
Условия формируются индивидуально и зависят от:
Чтобы узнать свои условия и получить максимально выгодное предложение, свяжитесь с персональным менеджером или напишите нам на почту zakaz@podsnab.ru.
Вы можете оформить заказ несколькими способами:
Для оформления заказа от юридического лица свяжитесь с нашим отделом по работе с корпоративными клиентами по телефону +7 (495) 104-99-04 или напишите на email zakaz@podsnab.ru, прикрепив реквизиты вашей организации.
Мы оперативно подготовим коммерческое предложение и выставим счет.
Возврат товара надлежащего качества возможен в течение 10 дней с момента получения, если товар не был в употреблении, сохранен товарный вид, упаковка не вскрывалась и присутствуют все сопроводительные документы.
Возврат денежных средств осуществляется в течение 10 рабочих дней после проверки товара складом.
В соответствии с законодательством возврату не подлежат подшипники надлежащего качества, если отсутствует оригинальная упаковка или имеются следы монтажа.
В случае выявления брака или гарантийного случая мы гарантируем возврат или обмен товара.
Да, гарантийный срок хранения устанавливается заводом-изготовителем и в среднем составляет 2 года при соблюдении условий хранения: сухое помещение, оригинальная упаковка и смазка.
Точный срок для конкретного типа подшипника уточняйте у наших менеджеров.
Пн–Пт: с 8:00 до 17:00 (МСК).
Сб–Вс: выходные дни.
Заказы на сайте принимаются круглосуточно. Заявки, поступившие после окончания рабочего дня, обрабатываются на следующий рабочий день.
Минимальная сумма заказа для доставки составляет 3000 рублей. Самовывоз со склада возможен на любую сумму при наличии товара.
ООО «УралТехГрупп»
ИНН: 7415093830
КПП: 772401001
ОГРН: 1167456069021
Банк: ПАО Сбербанк
Р/с: 40702810838000475273
К/с: 30101810400000000225
БИК: 044525225
У подшипника 214-К пока нет отзывов. Вы можете стать первым покупателем, поделившимся своим мнением.