Поиск подшипника
Статьи
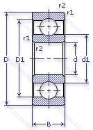
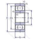
226-А — Шариковый радиальный однорядный подшипник, модификация основного исполнения 226, производство ГПЗ.
Размер подшипника: 130x230x40 мм.
Повышенная грузоподъемность.
Аналоги: 6226.
Государственный стандарт ГОСТ
226А
В наличии
| Обозначение | Конструктивные изменения |
|---|---|
| 6-226-АКШ1 | Нормы шумности. Повышенная грузоподъемность. |
| 6-226-АКШ | Повышенная грузоподъемность. Нормы шумности. |
| 6-226-АК | Повышенная грузоподъемность. |
| 6-226-АКЛ2 | Сепаратор из латуни.. Повышенная грузоподъемность. |
| 6-226-Л | Сепаратор из латуни.. |
| 6-226-Л1 | Сепаратор из латуни.. |
| 6-226 Л2 | Сепаратор из латуни.. |
| 70-226 АК | Повышенная грузоподъемность. |
| 70-226 Л1Ш2У | Дополнительные технические требования. Сепаратор из латуни.. Нормы шумности. |
| 75-226 Л1Ш2 | Сепаратор из латуни.. Нормы шумности. |
| 75-226 ЛШ | Сепаратор из латуни.. Нормы шумности. |
| 2-226 Е1 | Сепаратор из текстолита.. |
| 2-226 Л | Сепаратор из латуни.. |
| 226-АКЛ | Сепаратор из латуни.. Повышенная грузоподъемность. |
| 226-Е1 | Сепаратор из текстолита.. |
| 226-К5 | Повышенная грузоподъемность. |
| 226-Л | Сепаратор из латуни.. |
| 226-Л1 | Сепаратор из латуни.. |
| 226-Л2 | Сепаратор из латуни.. |
| 226-1000094-ЮТ | Температура отпуска. 160°. Все детали или часть деталей из нержавеющей стали.. |
| 26-226-Р | Детали из теплоустойчивой (быстрорежущие) стали.. |
| 4-226 Л | Сепаратор из латуни.. |
| 5-226 Л1 | Сепаратор из латуни.. |
| 5-226 Л1Ш3 | Сепаратор из латуни.. Нормы шумности. |
| 5-226 ЛШ | Сепаратор из латуни.. Нормы шумности. |
Модификации шарикового подшипника 226-А — это измененное основное конструктивное исполнение 226, основные размеры (130x230x40) не отличаются.
| Обозначение | Гост | Конструктивные особенности |
|---|---|---|
| 6226 | ISO | Шариковый радиальный однорядный подшипник. |
| 80226-АКС17 | ГОСТ | Смазка Литол-24. Повышенная грузоподъемность. |
| 80226-С17 | ГОСТ | Смазка Литол-24. |
| 6226-RS | ISO | Резиновое уплотнение с одной стороны. |
| 6226-2RU | ISO | Non Contact Type Friction Torque = Small High Speed Performance = Good Grease Sealing = Better Than ZZ-Type Dirt Resistance = Better Than ZZ-Type Water Resistance = Better Than ZZ / Inferior To 2RS Operating Temp. -30°C To + 100°C. |
| 6226ZX | ISO | Съемная защитная шайба с одной стороны. |
| 6226ZZX | ISO | Шариковый радиальный однорядный подшипник. |
| 6226NR | ISO | Канавка и стопорное кольцо на наружном кольце. |
| 6226N | ISO | Канавка для стопорного кольца на наружном кольце. |
| 6226-2RS1 | ISO | Усиленные листовой сталью контактные уплотнения из акрилонитрил-бутадиенового каучука (NBR) с обеих сторон подшипника. |
| 6226-RS1 | ISO | Резиновое уплотнение с одной стороны. |
| 50226 | ГОСТ | Шариковый радиальный однорядный подшипник. |
| 60226 | ГОСТ | Шариковый радиальный однорядный подшипник. |
| 80226 | ГОСТ | Шариковый радиальный однорядный подшипник. |
| 150226 | ГОСТ | Шариковый радиальный однорядный подшипник. |
| 160226 | ГОСТ | Шариковый радиальный однорядный подшипник. |
| 180226 | ГОСТ | Шариковый радиальный однорядный подшипник. |
Аналог шарикового подшипника 226-А — это подшипник такого же размера dx130,Dx230,Bx40, типа и конструкции.
| Обозначение | Конструктивные особенности | Внутренний (d) | Наружный (D) | Ширина (B) |
|---|---|---|---|---|
| 6-32226-МШ2 | Роликовый радиальный однорядный подшипник. Модифицированный контакт.. Нормы шумности. | 130.00 | 230.00 | 40.00 |
| 6-42226-М | Роликовый радиальный однорядный подшипник. Модифицированный контакт.. | 130.00 | 230.00 | 40.00 |
| 6-46226-АЛ9 | Шариковый радиально-упорный однорядный подшипник. Повышенная грузоподъемность. Сепаратор из латуни.. | 130.00 | 230.00 | 40.00 |
| 6-46226-Л | Шариковый радиально-упорный однорядный подшипник. Сепаратор из латуни.. | 130.00 | 230.00 | 40.00 |
| 70-32226 М | Роликовый радиальный однорядный подшипник. Модифицированный контакт.. | 130.00 | 230.00 | 40.00 |
| 42226-КМ | Роликовый радиальный однорядный подшипник. Модифицированный контакт.. | 130.00 | 230.00 | 40.00 |
| 42226-Л | Роликовый радиальный однорядный подшипник. Сепаратор из латуни.. | 130.00 | 230.00 | 40.00 |
| 42226-М | Роликовый радиальный однорядный подшипник. Модифицированный контакт.. | 130.00 | 230.00 | 40.00 |
| 46226-Л | Шариковый радиально-упорный однорядный подшипник. Сепаратор из латуни.. | 130.00 | 230.00 | 40.00 |
| 46226К | Шариковый радиально-упорный однорядный подшипник. «Замок» (скос) на внутреннем кольце плюс массивный сепаратор из текстолита. | 130.00 | 230.00 | 40.00 |
| 5-2226 М | Роликовый радиальный однорядный подшипник. Модифицированный контакт.. | 130.00 | 230.00 | 40.00 |
| 5-32226 МШ3 | Роликовый радиальный однорядный подшипник. Модифицированный контакт.. Нормы шумности. | 130.00 | 230.00 | 40.00 |
| 5-46226 АЛ9 | Шариковый радиально-упорный однорядный подшипник. Повышенная грузоподъемность. Сепаратор из латуни.. | 130.00 | 230.00 | 40.00 |
| 5-46226 Л | Шариковый радиально-упорный однорядный подшипник. Сепаратор из латуни.. | 130.00 | 230.00 | 40.00 |
| 5-46228 Л | Шариковый радиально-упорный однорядный подшипник. Сепаратор из латуни.. | 130.00 | 230.00 | 40.00 |
Способы доставки
Отправка через ведущие транспортные и курьерские компании: ПЭК, Деловые Линии, СДЭК, Байкал-Сервис, Энергия, КИТ, ЖелДорЭкспедиция.
Самовывоз возможен напрямую со склада в Москве.
Сроки доставки
Срок зависит от региона и выбранной транспортной компании. Все заказы комплектуются и отправляются в кратчайшие сроки со склада в Москве.
Надёжность и сохранность
Вся продукция упаковывается с учётом требований транспортировки. Мы гарантируем, что подшипники и комплектующие прибудут к заказчику в полной сохранности.
Доставка в страны ЕАЭС
Мы работаем с проверенными логистическими партнёрами, что позволяет оперативно доставлять заказы в Беларусь, Казахстан, Армению и другие страны ЕАЭС.
Варианты оплаты:
Минимальная сумма заказа и скидки:
Документы и гарантии:
Да, конечно! Наши технические специалисты готовы помочь вам с подбором точного аналога или замены подшипника. Просто позвоните нам по телефону +7 (495) 104-99-04 или напишите на почту zakaz@podsnab.ru.
Для оперативной консультации подготовьте, пожалуйста, имеющиеся данные: маркировку, размеры, тип оборудования или артикул старого подшипника.
Да, конечно! Мы высоко ценим долгосрочное сотрудничество и доверие клиентов по всей России. Для постоянных клиентов действует персональная система скидок.
Условия формируются индивидуально и зависят от:
Чтобы узнать свои условия и получить максимально выгодное предложение, свяжитесь с персональным менеджером или напишите нам на почту zakaz@podsnab.ru.
Вы можете оформить заказ несколькими способами:
Для оформления заказа от юридического лица свяжитесь с нашим отделом по работе с корпоративными клиентами по телефону +7 (495) 104-99-04 или напишите на email zakaz@podsnab.ru, прикрепив реквизиты вашей организации.
Мы оперативно подготовим коммерческое предложение и выставим счет.
Возврат товара надлежащего качества возможен в течение 10 дней с момента получения, если товар не был в употреблении, сохранен товарный вид, упаковка не вскрывалась и присутствуют все сопроводительные документы.
Возврат денежных средств осуществляется в течение 10 рабочих дней после проверки товара складом.
В соответствии с законодательством возврату не подлежат подшипники надлежащего качества, если отсутствует оригинальная упаковка или имеются следы монтажа.
В случае выявления брака или гарантийного случая мы гарантируем возврат или обмен товара.
Да, гарантийный срок хранения устанавливается заводом-изготовителем и в среднем составляет 2 года при соблюдении условий хранения: сухое помещение, оригинальная упаковка и смазка.
Точный срок для конкретного типа подшипника уточняйте у наших менеджеров.
Пн–Пт: с 8:00 до 17:00 (МСК).
Сб–Вс: выходные дни.
Заказы на сайте принимаются круглосуточно. Заявки, поступившие после окончания рабочего дня, обрабатываются на следующий рабочий день.
Минимальная сумма заказа для доставки составляет 3000 рублей. Самовывоз со склада возможен на любую сумму при наличии товара.
ООО «УралТехГрупп»
ИНН: 7415093830
КПП: 772401001
ОГРН: 1167456069021
Банк: ПАО Сбербанк
Р/с: 40702810838000475273
К/с: 30101810400000000225
БИК: 044525225
У подшипника 226-А пока нет отзывов. Вы можете стать первым покупателем, поделившимся своим мнением.