Поиск подшипника
Статьи
25-1000095 ЮТП — Шариковый радиальный однорядный подшипник, модификация основного исполнения 1000095, производство ГПЗ.
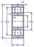
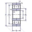
Размер подшипника: 5x13x4 мм.
160°, температура отпуска, все детали или часть деталей из нержавеющей стали.
Аналоги: S695P5C2.
Государственный стандарт ГОСТ
251000095ЮТП
В наличии
| Обозначение | Конструктивные изменения |
|---|---|
| 25-1000095 ЮТ | Температура отпуска. 160°. Все детали или часть деталей из нержавеющей стали.. |
| 2М5-1000095 КУ | Дополнительные технические требования. |
| 2М5-1000095 ЮТ | Температура отпуска. 160°. Все детали или часть деталей из нержавеющей стали.. |
| 35-1000095 КУ | «Замок» (скос) на внутреннем кольце плюс массивный сепаратор из текстолита. Дополнительные технические требования. |
| 36-1000095 Ю2Т | Температура отпуска. 160°. Все детали или часть деталей из нержавеющей стали.. |
| 4-1000095 К | «Замок» (скос) на внутреннем кольце плюс массивный сепаратор из текстолита. |
| 4-1000095 КУ10 | «Замок» (скос) на внутреннем кольце плюс массивный сепаратор из текстолита. Дополнительные технические требования. |
| 45-1000095 КУ1 | «Замок» (скос) на внутреннем кольце плюс массивный сепаратор из текстолита. Дополнительные технические требования. |
| 46-1000095 Ю | Все детали или часть деталей из нержавеющей стали.. |
| 5-1000095-К | «Замок» (скос) на внутреннем кольце плюс массивный сепаратор из текстолита. |
| 5-1000095-КП | «Замок» (скос) на внутреннем кольце плюс массивный сепаратор из текстолита. |
| 5-1000095-КТ2 | «Замок» (скос) на внутреннем кольце плюс массивный сепаратор из текстолита. 200°. Температура отпуска. |
| 5-1000095-КУ | «Замок» (скос) на внутреннем кольце плюс массивный сепаратор из текстолита. Дополнительные технические требования. |
| 5-1000095 КУ2 | Дополнительные технические требования. |
| 5-1000095-КУ4 | «Замок» (скос) на внутреннем кольце плюс массивный сепаратор из текстолита. Дополнительные технические требования. |
| 5-1000095-КУ5 | «Замок» (скос) на внутреннем кольце плюс массивный сепаратор из текстолита. Дополнительные технические требования. |
| 5-1000095-ЮТ | Температура отпуска. 160°. Все детали или часть деталей из нержавеющей стали.. |
| 5-1000095-ЮТП | Температура отпуска. 160°. Все детали или часть деталей из нержавеющей стали.. |
| 5-1000095 ЮУТ | Дополнительные технические требования. Температура отпуска. 160°. Все детали или часть деталей из нержавеющей стали.. |
| 6-1000095 К | «Замок» (скос) на внутреннем кольце плюс массивный сепаратор из текстолита. |
| 6-1000095 Ю | Все детали или часть деталей из нержавеющей стали.. |
| 6-1000095 Ю2Т | Температура отпуска. 160°. Все детали или часть деталей из нержавеющей стали.. |
| 6-1000095 ЮТ | Температура отпуска. 160°. Все детали или часть деталей из нержавеющей стали.. |
| 6-1000095 Я | Детали (кольца. |
| 6-1000095 Я1 | Детали (кольца. |
Модификации шарикового подшипника 25-1000095 ЮТП — это измененное основное конструктивное исполнение 1000095, основные размеры (5x13x4) не отличаются.
| Обозначение | Гост | Конструктивные особенности |
|---|---|---|
| 4-640014-К1П | ГОСТ | «Замок» (скос) на внутреннем кольце плюс массивный сепаратор из текстолита. |
| 426-24-ЮТЛ | ГОСТ | Сепаратор из латуни.. Температура отпуска. 160°. Все детали или часть деталей из нержавеющей стали.. |
| 5-1080095 ЮТС15 | ГОСТ | Температура отпуска. 160°. Все детали или часть деталей из нержавеющей стали.. Смазка ВНИИНП-207. |
| 5-1080095-ЮТС20 | ГОСТ | Температура отпуска. 160°. Все детали или часть деталей из нержавеющей стали.. Смазка ВНИИНП-274. |
| 5-1840095 ЮТ | ГОСТ | Температура отпуска. 160°. Все детали или часть деталей из нержавеющей стали.. |
| 5-24 Т2 | ГОСТ | 200°. Температура отпуска. |
| 5-24 У | ГОСТ | Дополнительные технические требования. |
| 5-24 УП | ГОСТ | Дополнительные технические требования. |
| 5-24 ЮТП | ГОСТ | Температура отпуска. 160°. Все детали или часть деталей из нержавеющей стали.. |
| 5-60024 Т2 | ГОСТ | 200°. Температура отпуска. |
| 5-60024 УТ2 | ГОСТ | Дополнительные технические требования. 200°. Температура отпуска. |
| 5-60024 Ю1Т | ГОСТ | Температура отпуска. 160°. Все детали или часть деталей из нержавеющей стали.. |
| 5-60024 ЮТ | ГОСТ | Температура отпуска. 160°. Все детали или часть деталей из нержавеющей стали.. |
| 5-640014 К | ГОСТ | «Замок» (скос) на внутреннем кольце плюс массивный сепаратор из текстолита. |
| 5-640095-К | ГОСТ | «Замок» (скос) на внутреннем кольце плюс массивный сепаратор из текстолита. |
| 5-640095-У | ГОСТ | Дополнительные технические требования. |
| 5-80024 С1 | ГОСТ | Смазка ОКБ 122-7. |
| 5-80024 ЮТ | ГОСТ | Температура отпуска. 160°. Все детали или часть деталей из нержавеющей стали.. |
| 5-80024 ЮТС2 | ГОСТ | Температура отпуска. 160°. Все детали или часть деталей из нержавеющей стали.. Смазка ЦИАТИМ-221. |
| 5-80024 ЮТС21 | ГОСТ | Температура отпуска. 160°. Смазка ЭРА. Все детали или часть деталей из нержавеющей стали.. |
Аналог шарикового подшипника 25-1000095 ЮТП — это подшипник такого же размера dx5,Dx13,Bx4, типа и конструкции.
| Обозначение | Конструктивные особенности | Внутренний (d) | Наружный (D) | Ширина (B) |
|---|---|---|---|---|
| ШСП4 | Шарнирный подшипник. С отверстиями и канавками для смазки во внутреннем кольце. | 4.00 | 12.00 | 3.00 |
| ШСП4К | Шарнирный подшипник. Канавка и отверстие для смазки на внутреннем и наружном кольцах.. С отверстиями и канавками для смазки во внутреннем кольце. | 4.00 | 12.00 | 3.00 |
| ШСП5 | Шарнирный подшипник. С отверстиями и канавками для смазки во внутреннем кольце. | 5.00 | 14.00 | 4.00 |
| ШСП5К | Шарнирный подшипник. Канавка и отверстие для смазки на внутреннем и наружном кольцах.. С отверстиями и канавками для смазки во внутреннем кольце. | 5.00 | 14.00 | 4.00 |
| ШСП6 | Шарнирный подшипник. С отверстиями и канавками для смазки во внутреннем кольце. | 6.00 | 14.00 | 4.00 |
| ШСП6К | Шарнирный подшипник. Канавка и отверстие для смазки на внутреннем и наружном кольцах.. С отверстиями и канавками для смазки во внутреннем кольце. | 6.00 | 14.00 | 4.00 |
| ШН6 ЮТ | Шарнирный подшипник. Температура отпуска. 160°. Одно или два кольца из нержавеющей стали.. Неразъемный без отверстий и канавок для смазки. | 6.00 | 14.00 | 4.00 |
| 1-ШП4 | Шарнирный подшипник. Без отверстий и канавок для смазки. | 4.00 | 12.00 | 5.00 |
| 1-ШП4И | Шарнирный подшипник. Поверхность скольжения покрыта дисульфидом молибдена.. Без отверстий и канавок для смазки. | 4.00 | 12.00 | 5.00 |
| 5-1006095-Ю1Т | Шариковый радиально-упорный однорядный подшипник. Температура отпуска. 160°. Все детали или часть деталей из нержавеющей стали.. | 5.00 | 13.00 | 4.00 |
| 5-1006095-ЮТ | Шариковый радиально-упорный однорядный подшипник. Температура отпуска. 160°. Все детали или часть деталей из нержавеющей стали.. | 5.00 | 13.00 | 4.00 |
| 5-1036095 Ю10Т | Шариковый радиально-упорный однорядный подшипник. Температура отпуска. 160°. Все детали или часть деталей из нержавеющей стали.. | 5.00 | 13.00 | 4.00 |
| 5-1116095-КУ | Шариковый радиально-упорный однорядный подшипник. «Замок» (скос) на внутреннем кольце плюс массивный сепаратор из текстолита. Дополнительные технические требования. | 5.00 | 13.00 | 4.00 |
| 5-24 ЮТ | Шариковый радиальный подшипник. Температура отпуска. 160°. Все детали или часть деталей из нержавеющей стали.. | 4.00 | 13.00 | 5.00 |
| 6-1006095 Е | Шариковый радиально-упорный однорядный подшипник. Сепаратор из текстолита.. | 5.00 | 13.00 | 4.00 |
Способы доставки
Отправка через ведущие транспортные и курьерские компании: ПЭК, Деловые Линии, СДЭК, Байкал-Сервис, Энергия, КИТ, ЖелДорЭкспедиция.
Самовывоз возможен напрямую со склада в Москве.
Сроки доставки
Срок зависит от региона и выбранной транспортной компании. Все заказы комплектуются и отправляются в кратчайшие сроки со склада в Москве.
Надёжность и сохранность
Вся продукция упаковывается с учётом требований транспортировки. Мы гарантируем, что подшипники и комплектующие прибудут к заказчику в полной сохранности.
Доставка в страны ЕАЭС
Мы работаем с проверенными логистическими партнёрами, что позволяет оперативно доставлять заказы в Беларусь, Казахстан, Армению и другие страны ЕАЭС.
Варианты оплаты:
Минимальная сумма заказа и скидки:
Документы и гарантии:
Да, конечно! Наши технические специалисты готовы помочь вам с подбором точного аналога или замены подшипника. Просто позвоните нам по телефону +7 (495) 104-99-04 или напишите на почту zakaz@podsnab.ru.
Для оперативной консультации подготовьте, пожалуйста, имеющиеся данные: маркировку, размеры, тип оборудования или артикул старого подшипника.
Да, конечно! Мы высоко ценим долгосрочное сотрудничество и доверие клиентов по всей России. Для постоянных клиентов действует персональная система скидок.
Условия формируются индивидуально и зависят от:
Чтобы узнать свои условия и получить максимально выгодное предложение, свяжитесь с персональным менеджером или напишите нам на почту zakaz@podsnab.ru.
Вы можете оформить заказ несколькими способами:
Для оформления заказа от юридического лица свяжитесь с нашим отделом по работе с корпоративными клиентами по телефону +7 (495) 104-99-04 или напишите на email zakaz@podsnab.ru, прикрепив реквизиты вашей организации.
Мы оперативно подготовим коммерческое предложение и выставим счет.
Возврат товара надлежащего качества возможен в течение 10 дней с момента получения, если товар не был в употреблении, сохранен товарный вид, упаковка не вскрывалась и присутствуют все сопроводительные документы.
Возврат денежных средств осуществляется в течение 10 рабочих дней после проверки товара складом.
В соответствии с законодательством возврату не подлежат подшипники надлежащего качества, если отсутствует оригинальная упаковка или имеются следы монтажа.
В случае выявления брака или гарантийного случая мы гарантируем возврат или обмен товара.
Да, гарантийный срок хранения устанавливается заводом-изготовителем и в среднем составляет 2 года при соблюдении условий хранения: сухое помещение, оригинальная упаковка и смазка.
Точный срок для конкретного типа подшипника уточняйте у наших менеджеров.
Пн–Пт: с 8:00 до 17:00 (МСК).
Сб–Вс: выходные дни.
Заказы на сайте принимаются круглосуточно. Заявки, поступившие после окончания рабочего дня, обрабатываются на следующий рабочий день.
Минимальная сумма заказа для доставки составляет 3000 рублей. Самовывоз со склада возможен на любую сумму при наличии товара.
ООО «УралТехГрупп»
ИНН: 7415093830
КПП: 772401001
ОГРН: 1167456069021
Банк: ПАО Сбербанк
Р/с: 40702810838000475273
К/с: 30101810400000000225
БИК: 044525225
У подшипника 25-1000095 ЮТП пока нет отзывов. Вы можете стать первым покупателем, поделившимся своим мнением.