Поиск подшипника
Статьи
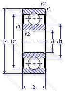
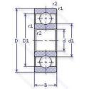
25-705 Т2 — Шариковый радиальный однорядный подшипник, модификация основного исполнения 705, производство ГПЗ.
Размер подшипника: 25x52x10 мм.
200°, температура отпуска.
Государственный стандарт ГОСТ
25705Т2
В наличии
| Обозначение | Конструктивные изменения |
|---|---|
| 705-А | Повышенная грузоподъемность. |
| 705-А2 | Повышенная грузоподъемность. |
| 75-705 Б | Сепаратор из безоловянистой бронзы.. |
| 76-705 Б | Сепаратор из безоловянистой бронзы.. |
| 705 | Шариковый радиальный однорядный подшипник. Основное конструктивное исполнение. |
| 25-705 БТ2 | 200°. Температура отпуска. Сепаратор из безоловянистой бронзы.. |
Модификации шарикового подшипника 25-705 Т2 — это измененное основное конструктивное исполнение 705, основные размеры (25x52x10) не отличаются.
| Обозначение | Гост | Конструктивные особенности |
|---|---|---|
| 970705-Т | ГОСТ | Температура отпуска. 160°. |
| 4-970705 | ГОСТ | Шариковый радиальный однорядный подшипник. |
| 5-970705 | ГОСТ | Шариковый радиальный однорядный подшипник. |
| 6-970705 | ГОСТ | Шариковый радиальный однорядный подшипник. |
| B25-109 C3 | ISO | Внутренний зазор больше нормального. Подшипник со специальными размерами. 1.9/16. |
| PC25520009/12CS | ISO | Шариковый радиальный однорядный подшипник. |
| 970705 | ГОСТ | Шариковый радиальный однорядный подшипник. |
| 5705 | ГОСТ | Шариковый радиальный однорядный подшипник. |
Аналог шарикового подшипника 25-705 Т2 — это подшипник такого же размера dx25,Dx52,Bx10, типа и конструкции.
| Обозначение | Конструктивные особенности | Внутренний (d) | Наружный (D) | Ширина (B) |
|---|---|---|---|---|
| 98205 | Подшипник однорядный шариковый радиальный. | 25.00 | 52.00 | 9.00 |
| 98205Y | Подшипник однорядный шариковый радиальный. Штампованный латунный фиксатор. Направляемые элементы качения. | 25.00 | 52.00 | 9.00 |
| ARZ112553 | Роликовый цилиндрический упорный подшипник. | 25.00 | 53.00 | 11.00 |
| 24BSW04 | Шариковый радиально-упорный подшипник однонаправленный. | 24.10 | 51.00 | 11.00 |
| L25N | Подшипник однорядный шариковый радиальный. Канавка под стопорное кольцо на внешнем кольце. | 25.00 | 52.00 | 9.00 |
| KLNJ25 | Подшипник однорядный шариковый радиальный. | 25.00 | 52.00 | 9.00 |
| KLNJ25J | Подшипник однорядный шариковый радиальный. Дорожки качения наружного кольца. угол контакта и ширина наружного кольца в соответствии с ISO. | 25.00 | 52.00 | 9.00 |
| 6705 | Шариковый радиально-упорный однорядный подшипник. | 25.00 | 52.00 | 10.00 |
Способы доставки
Отправка через ведущие транспортные и курьерские компании: ПЭК, Деловые Линии, СДЭК, Байкал-Сервис, Энергия, КИТ, ЖелДорЭкспедиция.
Самовывоз возможен напрямую со склада в Москве.
Сроки доставки
Срок зависит от региона и выбранной транспортной компании. Все заказы комплектуются и отправляются в кратчайшие сроки со склада в Москве.
Надёжность и сохранность
Вся продукция упаковывается с учётом требований транспортировки. Мы гарантируем, что подшипники и комплектующие прибудут к заказчику в полной сохранности.
Доставка в страны ЕАЭС
Мы работаем с проверенными логистическими партнёрами, что позволяет оперативно доставлять заказы в Беларусь, Казахстан, Армению и другие страны ЕАЭС.
Варианты оплаты:
Минимальная сумма заказа и скидки:
Документы и гарантии:
Да, конечно! Наши технические специалисты готовы помочь вам с подбором точного аналога или замены подшипника. Просто позвоните нам по телефону +7 (495) 104-99-04 или напишите на почту zakaz@podsnab.ru.
Для оперативной консультации подготовьте, пожалуйста, имеющиеся данные: маркировку, размеры, тип оборудования или артикул старого подшипника.
Да, конечно! Мы высоко ценим долгосрочное сотрудничество и доверие клиентов по всей России. Для постоянных клиентов действует персональная система скидок.
Условия формируются индивидуально и зависят от:
Чтобы узнать свои условия и получить максимально выгодное предложение, свяжитесь с персональным менеджером или напишите нам на почту zakaz@podsnab.ru.
Вы можете оформить заказ несколькими способами:
Для оформления заказа от юридического лица свяжитесь с нашим отделом по работе с корпоративными клиентами по телефону +7 (495) 104-99-04 или напишите на email zakaz@podsnab.ru, прикрепив реквизиты вашей организации.
Мы оперативно подготовим коммерческое предложение и выставим счет.
Возврат товара надлежащего качества возможен в течение 10 дней с момента получения, если товар не был в употреблении, сохранен товарный вид, упаковка не вскрывалась и присутствуют все сопроводительные документы.
Возврат денежных средств осуществляется в течение 10 рабочих дней после проверки товара складом.
В соответствии с законодательством возврату не подлежат подшипники надлежащего качества, если отсутствует оригинальная упаковка или имеются следы монтажа.
В случае выявления брака или гарантийного случая мы гарантируем возврат или обмен товара.
Да, гарантийный срок хранения устанавливается заводом-изготовителем и в среднем составляет 2 года при соблюдении условий хранения: сухое помещение, оригинальная упаковка и смазка.
Точный срок для конкретного типа подшипника уточняйте у наших менеджеров.
Пн–Пт: с 8:00 до 17:00 (МСК).
Сб–Вс: выходные дни.
Заказы на сайте принимаются круглосуточно. Заявки, поступившие после окончания рабочего дня, обрабатываются на следующий рабочий день.
Минимальная сумма заказа для доставки составляет 3000 рублей. Самовывоз со склада возможен на любую сумму при наличии товара.
ООО «УралТехГрупп»
ИНН: 7415093830
КПП: 772401001
ОГРН: 1167456069021
Банк: ПАО Сбербанк
Р/с: 40702810838000475273
К/с: 30101810400000000225
БИК: 044525225
У подшипника 25-705 Т2 пока нет отзывов. Вы можете стать первым покупателем, поделившимся своим мнением.