Поиск подшипника
Статьи
26-1000856 Л1 — Шариковый радиальный однорядный подшипник, модификация основного исполнения 1000856, производство ГПЗ.
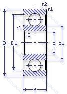
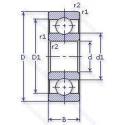
Размер подшипника: 280x350x33 мм.
Сепаратор из латуни.
Аналоги: 61856MAP62.
Государственный стандарт ГОСТ
261000856Л1
В наличии
| Обозначение | Конструктивные изменения |
|---|---|
| 1000856 | Шариковый радиальный однорядный подшипник. Основное конструктивное исполнение. |
| 1000856-Л | Сепаратор из латуни.. |
| 1000856Л1 | Сепаратор из латуни.. |
| 6-1000856-Л1 | Сепаратор из латуни.. |
Модификации шарикового подшипника 26-1000856 Л1 — это измененное основное конструктивное исполнение 1000856, основные размеры (280x350x33) не отличаются.
| Обозначение | Гост | Конструктивные особенности |
|---|---|---|
| 61856 2BRS | ISO | Бесконтактные лабиринтные уплотнения с обеих сторон. |
| 61856 2RS | ISO | Резиновые уплотнения с каждой стороны подшипника. |
| 61856 2URS | ISO | Специальное манжетное уплотнение с обеих сторон подшипника. |
| 61856 2Z | ISO | Защитные металлические шайбы с обеих сторон подшипника. |
| 61856 BRS | ISO | Бесконтактные лабиринтные уплотнения с одной стороны. |
| 61856 RS | ISO | Резиновое уплотнение с одной стороны. |
| 61856 URS | ISO | Шариковый радиальный однорядный подшипник. |
| 61856 Z | ISO | щит из листовой прессованной стали с одной стороны подшипника. |
Аналог шарикового подшипника 26-1000856 Л1 — это подшипник такого же размера dx280,Dx350,Bx33, типа и конструкции.
| Обозначение | Конструктивные особенности | Внутренний (d) | Наружный (D) | Ширина (B) |
|---|---|---|---|---|
| SL181856-E-BR | Однорядный цилиндрический роликовый подшипник. Повышенная грузоподъемность. Чёрный цвет. | 280.00 | 350.00 | 33.00 |
| SL181856-E-C2 | Однорядный цилиндрический роликовый подшипник. Внутренний зазор подшипника меньше нормального. Повышенная грузоподъемность. | 280.00 | 350.00 | 33.00 |
| SL181856-E-IR/T-CN/3L | Однорядный цилиндрический роликовый подшипник. Повышенная грузоподъемность. Нормальный радиальный внутренний зазор. Clearance Range Corresponding To The Lower Half Of The Actual Clearance Range. Канавки во внутреннем кольце находятся со стороны стопорного кольца. | 280.00 | 350.00 | 33.00 |
| 61856MB | Подшипник однорядный шариковый радиальный. Механически обработанный латунный сепаратор. направляющий по внутреннему кольцу. | 280.00 | 350.00 | 33.00 |
| 61856K.J21 | Подшипник однорядный шариковый радиальный. Коническое отверстие. конус 1/12. | 280.00 | 350.00 | 33.00 |
| SL18-1856C3 | Однорядный цилиндрический роликовый подшипник. Внутренний зазор больше нормального. | 280.00 | 350.00 | 33.00 |
| SL181856-E-C3 | Однорядный цилиндрический роликовый подшипник. Внутренний зазор больше нормального. Повышенная грузоподъемность. | 280.00 | 350.00 | 33.00 |
| 61856MB C3 | Подшипник однорядный шариковый радиальный. Внутренний зазор больше нормального. Механически обработанный латунный сепаратор. направляющий по внутреннему кольцу. | 280.00 | 350.00 | 33.00 |
| 61856MBS C4 S1 | Подшипник однорядный шариковый радиальный. Внутренний зазор подшипника больше. чем C3. Стабильность размеров при рабочих температурах до +200°C. Механически обработанный латунный сепаратор. Направляющие внутреннего кольца. Со смазочными канавками на направляющих поверхностях. | 280.00 | 350.00 | 33.00 |
| HC808547-C3 | Подшипник однорядный шариковый радиальный. Внутренний зазор больше нормального. | 280.00 | 350.00 | 33.00 |
| 61856-C2 | Подшипник однорядный шариковый радиальный. Внутренний зазор подшипника меньше нормального. | 280.00 | 350.00 | 33.00 |
| B71856-E-TPA-P4-UL | Подшипник шариковый однорядный радиально-упорный. Универсальный монтаж и легкий преднатяг. Сепаратор из текстильной ламинированной фенольной смолы. 25° Угол контакта. Точность размеров и хода соответствует классу допуска ISO 4 (точнее. чем P5) — Abec-7. | 280.00 | 350.00 | 33.00 |
| 61856M C4 | Подшипник однорядный шариковый радиальный. Внутренний зазор подшипника больше. чем C3. Механически обработанный латунный сепаратор .Расположенный на элементах качения. | 280.00 | 350.00 | 33.00 |
| 7856A | Шариковый радиально-упорный однорядный подшипник. Двухрядный радиально-упорный шарикоподшипник без отверстия для смазки. | 280.00 | 350.00 | 33.00 |
| 7856B | Шариковый радиально-упорный однорядный подшипник. Конический роликовый подшипник. Угол контакта 20 градусов. | 280.00 | 350.00 | 33.00 |
Способы доставки
Отправка через ведущие транспортные и курьерские компании: ПЭК, Деловые Линии, СДЭК, Байкал-Сервис, Энергия, КИТ, ЖелДорЭкспедиция.
Самовывоз возможен напрямую со склада в Москве.
Сроки доставки
Срок зависит от региона и выбранной транспортной компании. Все заказы комплектуются и отправляются в кратчайшие сроки со склада в Москве.
Надёжность и сохранность
Вся продукция упаковывается с учётом требований транспортировки. Мы гарантируем, что подшипники и комплектующие прибудут к заказчику в полной сохранности.
Доставка в страны ЕАЭС
Мы работаем с проверенными логистическими партнёрами, что позволяет оперативно доставлять заказы в Беларусь, Казахстан, Армению и другие страны ЕАЭС.
Варианты оплаты:
Минимальная сумма заказа и скидки:
Документы и гарантии:
Да, конечно! Наши технические специалисты готовы помочь вам с подбором точного аналога или замены подшипника. Просто позвоните нам по телефону +7 (495) 104-99-04 или напишите на почту zakaz@podsnab.ru.
Для оперативной консультации подготовьте, пожалуйста, имеющиеся данные: маркировку, размеры, тип оборудования или артикул старого подшипника.
Да, конечно! Мы высоко ценим долгосрочное сотрудничество и доверие клиентов по всей России. Для постоянных клиентов действует персональная система скидок.
Условия формируются индивидуально и зависят от:
Чтобы узнать свои условия и получить максимально выгодное предложение, свяжитесь с персональным менеджером или напишите нам на почту zakaz@podsnab.ru.
Вы можете оформить заказ несколькими способами:
Для оформления заказа от юридического лица свяжитесь с нашим отделом по работе с корпоративными клиентами по телефону +7 (495) 104-99-04 или напишите на email zakaz@podsnab.ru, прикрепив реквизиты вашей организации.
Мы оперативно подготовим коммерческое предложение и выставим счет.
Возврат товара надлежащего качества возможен в течение 10 дней с момента получения, если товар не был в употреблении, сохранен товарный вид, упаковка не вскрывалась и присутствуют все сопроводительные документы.
Возврат денежных средств осуществляется в течение 10 рабочих дней после проверки товара складом.
В соответствии с законодательством возврату не подлежат подшипники надлежащего качества, если отсутствует оригинальная упаковка или имеются следы монтажа.
В случае выявления брака или гарантийного случая мы гарантируем возврат или обмен товара.
Да, гарантийный срок хранения устанавливается заводом-изготовителем и в среднем составляет 2 года при соблюдении условий хранения: сухое помещение, оригинальная упаковка и смазка.
Точный срок для конкретного типа подшипника уточняйте у наших менеджеров.
Пн–Пт: с 8:00 до 17:00 (МСК).
Сб–Вс: выходные дни.
Заказы на сайте принимаются круглосуточно. Заявки, поступившие после окончания рабочего дня, обрабатываются на следующий рабочий день.
Минимальная сумма заказа для доставки составляет 3000 рублей. Самовывоз со склада возможен на любую сумму при наличии товара.
ООО «УралТехГрупп»
ИНН: 7415093830
КПП: 772401001
ОГРН: 1167456069021
Банк: ПАО Сбербанк
Р/с: 40702810838000475273
К/с: 30101810400000000225
БИК: 044525225
У подшипника 26-1000856 Л1 пока нет отзывов. Вы можете стать первым покупателем, поделившимся своим мнением.