Поиск подшипника
Статьи
26-302 БТ2 — Шариковый радиальный однорядный подшипник, модификация основного исполнения 302, производство ГПЗ.
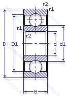
Размер подшипника: 15x42x13 мм.
200°, температура отпуска, сепаратор из безоловянистой бронзы.
Аналоги: 6302MP6S2.
Государственный стандарт ГОСТ
26302БТ2
В наличии
| Обозначение | Конструктивные изменения |
|---|---|
| 6-302 Ш | Нормы шумности. |
| 76-302 АШ1 | Повышенная грузоподъемность. Нормы шумности. |
| 6-302 Б | Сепаратор из безоловянистой бронзы.. |
| 6-302 Ш2У | Дополнительные технические требования. Нормы шумности. |
| 70-302 ЮТ | Температура отпуска. 160°. Все детали или часть деталей из нержавеющей стали.. |
| 70-302 ЯУ | Дополнительные технические требования. Детали (кольца. |
| 75-302 ЕТ8Ш2 | Сепаратор из текстолита.. Нормы шумности. Специальный режим термообработки деталей подшипника. |
| 75-302 ЕШ2 | Сепаратор из текстолита.. Нормы шумности. |
| 25-302 ЕТ8Ш2 | Сепаратор из текстолита.. Нормы шумности. Специальный режим термообработки деталей подшипника. |
| 25-302 ЕТ8Ш6 | Сепаратор из текстолита.. Нормы шумности. Специальный режим термообработки деталей подшипника. |
| 25-302 ЕШ6 | Сепаратор из текстолита.. Нормы шумности. |
| 26-302 Б | Сепаратор из безоловянистой бронзы.. |
| 302-А | Повышенная грузоподъемность. |
| 302-АК | Повышенная грузоподъемность. |
| 302-АС3 | Повышенная грузоподъемность. Смазка ВНИИНП-210. |
| 302-Б | Сепаратор из безоловянистой бронзы.. |
| 302-БТ2 | 200°. Температура отпуска. Сепаратор из безоловянистой бронзы.. |
| 302-Е | Сепаратор из текстолита.. |
| 302-Ю | Все детали или часть деталей из нержавеющей стали.. |
| 302-ЮТ | Температура отпуска. 160°. Все детали или часть деталей из нержавеющей стали.. |
| 45-302 БТ2 | 200°. Температура отпуска. Сепаратор из безоловянистой бронзы.. |
| 46-302 Б2Т2 | 200°. Температура отпуска. Сепаратор из безоловянистой бронзы.. |
| 5-302 Б | Сепаратор из безоловянистой бронзы.. |
| 5-302 ЕТ8Ш2 | Сепаратор из текстолита.. Нормы шумности. Специальный режим термообработки деталей подшипника. |
| 5-302 ЕШ2 | Сепаратор из текстолита.. Нормы шумности. |
Модификации шарикового подшипника 26-302 БТ2 — это измененное основное конструктивное исполнение 302, основные размеры (15x42x13) не отличаются.
| Обозначение | Гост | Конструктивные особенности |
|---|---|---|
| EC-6302LLB | ISO | Подшипник с компенсацией теплового расширения для общего применения. Уплотнение бесконтактного типа из синтетического каучука. |
| EC-6302 | ISO | Подшипник с компенсацией теплового расширения для общего применения. |
| EC-6302LLU | ISO | Контактное резиновое уплотнение с двух сторон. Подшипник с компенсацией теплового расширения для общего применения. |
| EC-6302ZZ | ISO | Защитные металлические шайбы с обеих сторон. Подшипник с компенсацией теплового расширения для общего применения. |
| 6302-2RSL | ISO | Sheet Steel Reinforced Low Friction Contact Seal Of Acrylonitrile-Butadiene Rubber (NBR) On Both Sides Of The Bearing. |
| 6302-RSL | ISO | Sheet Steel Reinforced Low Friction Contact Seal Of Acrylonitrile-Butadiene Rubber (NBR) On One Side Of The Bearing. |
| 6302E | ISO | Контактное уплотнение с одной стороны. |
| P6302-GB | ISO | Подшипник для универсального монтажа. Два подшипника. установленные по О-образной или Х-образной схеме. имеют средний преднатяг. |
| P6302-SB | ISO | Double Row. Angular Contact. Non-Filling Notch Bearing. With Outwardly Convergent Угол контактаs. Rigid Design. |
| S1628-2Z | ISO | Защитные металлические шайбы с обеих сторон подшипника. |
| S1628-2RS | ISO | Резиновые уплотнения с каждой стороны подшипника. |
| S6302-2Z | ISO | Защитные металлические шайбы с обеих сторон подшипника. |
| 180302-А | ГОСТ | Повышенная грузоподъемность. |
| 6-180302 С24 | ГОСТ | Смазка СЭДА. |
| 6-180302 С9 | ГОСТ | Смазка ЛЗ-31. |
| 6-180302 У2 | ГОСТ | Дополнительные технические требования. |
| 6-180302 У2С24 | ГОСТ | Дополнительные технические требования. Смазка СЭДА. |
| 6-180302 У2С24Ш1 | ГОСТ | Нормы шумности. Дополнительные технические требования. Смазка СЭДА. |
| 6-180302 У2С9 | ГОСТ | Дополнительные технические требования. Смазка ЛЗ-31. |
| 6-180302 У4С9 | ГОСТ | Дополнительные технические требования. Смазка ЛЗ-31. |
Аналог шарикового подшипника 26-302 БТ2 — это подшипник такого же размера dx15,Dx42,Bx13, типа и конструкции.
| Обозначение | Конструктивные особенности | Внутренний (d) | Наружный (D) | Ширина (B) |
|---|---|---|---|---|
| 7302BEA | Шариковый радиально-упорный однорядный подшипник. 40° Угол контакта. High Capacity. All Four Corners Equal. | 15.00 | 42.00 | 13.00 |
| 26302К | Шариковый радиально-упорный однорядный подшипник. «Замок» (скос) на внутреннем кольце плюс массивный сепаратор из текстолита. | 15.00 | 42.00 | 13.00 |
| 36302-Е | Шариковый радиально-упорный однорядный подшипник. Сепаратор из текстолита.. | 15.00 | 42.00 | 13.00 |
| 36302К | Шариковый радиально-упорный однорядный подшипник. «Замок» (скос) на внутреннем кольце плюс массивный сепаратор из текстолита. | 15.00 | 42.00 | 13.00 |
| W 6302-2RZ | Шариковый радиальный подшипник. Шарикоподшипник. С уплотнением и низким коэффициентом трения с обеих сторон. Уплотнение состоит из шайбы из листовой стали с вулканизированной резиной. Нержавеющая сталь. | 15.00 | 42.00 | 13.00 |
| 1302-У | Шариковый радиальный двухрядный подшипник. Дополнительные технические требования. | 15.00 | 42.00 | 13.00 |
| 6-32302 Р1 | Роликовый радиальный однорядный подшипник. Детали из теплоустойчивой (быстрорежущие) стали.. | 15.00 | 42.00 | 13.00 |
| 76-32302 Р | Роликовый радиальный подшипник. Детали из теплоустойчивой (быстрорежущие) стали.. | 15.00 | 42.00 | 13.00 |
| 76-32302 Р1 | Роликовый радиальный однорядный подшипник. Детали из теплоустойчивой (быстрорежущие) стали.. | 15.00 | 42.00 | 13.00 |
| 76-732302 ЮТ | Роликовый радиальный однорядный подшипник. Температура отпуска. 160°. Все детали или часть деталей из нержавеющей стали.. | 15.00 | 42.00 | 13.00 |
| 76-732302 ЯУ | Роликовый радиальный однорядный подшипник. Дополнительные технические требования. Детали (кольца. | 15.00 | 42.00 | 13.00 |
| 1302S | Шариковый сферический двухрядный подшипник. Запечатанная версия кулачкового ролика. | 15.00 | 42.00 | 13.00 |
| 46302К | Шариковый радиально-упорный однорядный подшипник. «Замок» (скос) на внутреннем кольце плюс массивный сепаратор из текстолита. | 15.00 | 42.00 | 13.00 |
| 5-36302 Е | Шариковый радиально-упорный однорядный подшипник. Сепаратор из текстолита.. | 15.00 | 42.00 | 13.00 |
| 6-12302 Б1 | Роликовый радиальный однорядный подшипник. Сепаратор из безоловянистой бронзы.. | 15.00 | 42.00 | 13.00 |
Способы доставки
Отправка через ведущие транспортные и курьерские компании: ПЭК, Деловые Линии, СДЭК, Байкал-Сервис, Энергия, КИТ, ЖелДорЭкспедиция.
Самовывоз возможен напрямую со склада в Москве.
Сроки доставки
Срок зависит от региона и выбранной транспортной компании. Все заказы комплектуются и отправляются в кратчайшие сроки со склада в Москве.
Надёжность и сохранность
Вся продукция упаковывается с учётом требований транспортировки. Мы гарантируем, что подшипники и комплектующие прибудут к заказчику в полной сохранности.
Доставка в страны ЕАЭС
Мы работаем с проверенными логистическими партнёрами, что позволяет оперативно доставлять заказы в Беларусь, Казахстан, Армению и другие страны ЕАЭС.
Варианты оплаты:
Минимальная сумма заказа и скидки:
Документы и гарантии:
Да, конечно! Наши технические специалисты готовы помочь вам с подбором точного аналога или замены подшипника. Просто позвоните нам по телефону +7 (495) 104-99-04 или напишите на почту zakaz@podsnab.ru.
Для оперативной консультации подготовьте, пожалуйста, имеющиеся данные: маркировку, размеры, тип оборудования или артикул старого подшипника.
Да, конечно! Мы высоко ценим долгосрочное сотрудничество и доверие клиентов по всей России. Для постоянных клиентов действует персональная система скидок.
Условия формируются индивидуально и зависят от:
Чтобы узнать свои условия и получить максимально выгодное предложение, свяжитесь с персональным менеджером или напишите нам на почту zakaz@podsnab.ru.
Вы можете оформить заказ несколькими способами:
Для оформления заказа от юридического лица свяжитесь с нашим отделом по работе с корпоративными клиентами по телефону +7 (495) 104-99-04 или напишите на email zakaz@podsnab.ru, прикрепив реквизиты вашей организации.
Мы оперативно подготовим коммерческое предложение и выставим счет.
Возврат товара надлежащего качества возможен в течение 10 дней с момента получения, если товар не был в употреблении, сохранен товарный вид, упаковка не вскрывалась и присутствуют все сопроводительные документы.
Возврат денежных средств осуществляется в течение 10 рабочих дней после проверки товара складом.
В соответствии с законодательством возврату не подлежат подшипники надлежащего качества, если отсутствует оригинальная упаковка или имеются следы монтажа.
В случае выявления брака или гарантийного случая мы гарантируем возврат или обмен товара.
Да, гарантийный срок хранения устанавливается заводом-изготовителем и в среднем составляет 2 года при соблюдении условий хранения: сухое помещение, оригинальная упаковка и смазка.
Точный срок для конкретного типа подшипника уточняйте у наших менеджеров.
Пн–Пт: с 8:00 до 17:00 (МСК).
Сб–Вс: выходные дни.
Заказы на сайте принимаются круглосуточно. Заявки, поступившие после окончания рабочего дня, обрабатываются на следующий рабочий день.
Минимальная сумма заказа для доставки составляет 3000 рублей. Самовывоз со склада возможен на любую сумму при наличии товара.
ООО «УралТехГрупп»
ИНН: 7415093830
КПП: 772401001
ОГРН: 1167456069021
Банк: ПАО Сбербанк
Р/с: 40702810838000475273
К/с: 30101810400000000225
БИК: 044525225
У подшипника 26-302 БТ2 пока нет отзывов. Вы можете стать первым покупателем, поделившимся своим мнением.