Поиск подшипника
Статьи
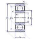
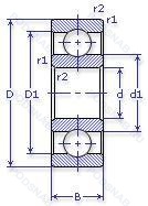
26-316 К5 — Шариковый радиальный однорядный подшипник, модификация основного исполнения 316, производство ГПЗ.
Размер подшипника: 80x170x39 мм.
Повышенная грузоподъемность.
Аналоги: 6316P61.
Государственный стандарт ГОСТ
26316К5
В наличии
| Обозначение | Конструктивные изменения |
|---|---|
| 80-316 К5 | Повышенная грузоподъемность. |
| 85-316 АК5Ш2 | Нормы шумности. Повышенная грузоподъемность. |
| 86-316 АК5Ш1 | Нормы шумности. Повышенная грузоподъемность. |
| 6-316-К5 | Повышенная грузоподъемность. |
| 6-316-К5Ш1 | Повышенная грузоподъемность. Нормы шумности. |
| 60-316 К5 | Повышенная грузоподъемность. |
| 66-316 Е5Ш1 | Сепаратор из текстолита.. Нормы шумности. |
| 66-316 К5 | Повышенная грузоподъемность. |
| 70-316 К5 | Повышенная грузоподъемность. |
| 75-316 Е1Ш2 | Сепаратор из текстолита.. Нормы шумности. |
| 75-316 Е5Ш2 | Сепаратор из текстолита.. Нормы шумности. |
| 76-316 Е5Ш2У | Сепаратор из текстолита.. Дополнительные технические требования. Нормы шумности. |
| 76-316 К5 | Повышенная грузоподъемность. |
| 76-316 К5Ш1 | Повышенная грузоподъемность. Нормы шумности. |
| 20-316 К5 | Повышенная грузоподъемность. |
| 26-316 Е5Ш1 | Сепаратор из текстолита.. Нормы шумности. |
| 30-316 К5 | Повышенная грузоподъемность. |
| 316-A | Двухрядный радиально-упорный шарикоподшипник без отверстия для смазки. |
| 316-АЕ5 | Сепаратор из текстолита.. Повышенная грузоподъемность. |
| 316-АК5 | Повышенная грузоподъемность. |
| 316-АЛ5 | Повышенная грузоподъемность. Сепаратор из латуни.. |
| 316-К5 | Повышенная грузоподъемность. |
| 316-К5Ш2У | Дополнительные технические требования. Нормы шумности. Повышенная грузоподъемность. |
| 36-316 Е5Ш1 | Сепаратор из текстолита.. Нормы шумности. |
| 36-316 К5 | Повышенная грузоподъемность. |
Модификации шарикового подшипника 26-316 К5 — это измененное основное конструктивное исполнение 316, основные размеры (80x170x39) не отличаются.
| Обозначение | Гост | Конструктивные особенности |
|---|---|---|
| 80316-К5С17Ш | ГОСТ | Смазка Литол-24. Повышенная грузоподъемность. Нормы шумности. |
| M6316ZZX | ISO | Шарикоподшипник максимальной грузоподъемности. |
| M6316 | ISO | Шарикоподшипник максимальной грузоподъемности. |
| 6316-2RU | ISO | Non Contact Type Friction Torque = Small High Speed Performance = Good Grease Sealing = Better Than ZZ-Type Dirt Resistance = Better Than ZZ-Type Water Resistance = Better Than ZZ / Inferior To 2RS Operating Temp. -30°C To + 100°C. |
| 6316-2NK | ISO | Double Labyrinth Seal (Non Contact). |
| 6316NK | ISO | One Labyrinth Seal (Non Contact). |
| 6316NSL | ISO | Резиновое уплотнение с одной стороны. |
| 6316-RSR | ISO | Контактное уплотнение с одной стороны. Радиальный тип. |
| 6316VV | ISO | Защитные металлические шайбы. с обеих сторон подшипника. Бесконтактное уплотнение. (лучше. чем ZZ. Можно использовать в умеренно запыленной среде). |
| 6316DDU | ISO | Резиновые уплотнения с каждой стороны подшипника. |
| 70-180316 К5С17 | ГОСТ | Смазка Литол-24. Повышенная грузоподъемность. |
| 70-50316 К5 | ГОСТ | Повышенная грузоподъемность. |
| 6316LLB | ISO | Уплотнение бесконтактного типа из синтетического каучука. |
| 6316LU | ISO | Двухкромочное нитриловое контактное уплотнение. |
| 6316LBLU | ISO | Двухкромочное нитриловое контактное уплотнение. Бесконтактное нитриловое уплотнение. |
| 6316ZZNR | ISO | Стальная шайба. Канавка и стопорное кольцо на наружном кольце. |
| 6316LB | ISO | Бесконтактное нитриловое уплотнение. |
| 180316-АК6 | ГОСТ | Повышенная грузоподъемность. |
| 50316-АК5 | ГОСТ | Повышенная грузоподъемность. |
| 50316-К5 | ГОСТ | Повышенная грузоподъемность. |
Аналог шарикового подшипника 26-316 К5 — это подшипник такого же размера dx80,Dx170,Bx39, типа и конструкции.
| Обозначение | Конструктивные особенности | Внутренний (d) | Наружный (D) | Ширина (B) |
|---|---|---|---|---|
| 76-32316 Е1 | Роликовый радиальный подшипник. Сепаратор из текстолита.. | 80.00 | 170.00 | 39.00 |
| 76-32316 Л | Роликовый радиальный подшипник. Сепаратор из латуни.. | 80.00 | 170.00 | 39.00 |
| 76-32316 Л1 | Роликовый радиальный однорядный подшипник. Сепаратор из латуни.. | 80.00 | 170.00 | 39.00 |
| 76-32316 Л1Ш2 | Роликовый радиальный однорядный подшипник. Сепаратор из латуни.. Нормы шумности. | 80.00 | 170.00 | 39.00 |
| 8-12316 КМ | Роликовый радиальный однорядный подшипник. Модифицированный контакт.. | 80.00 | 170.00 | 39.00 |
| 8-1316 Л | Шариковый радиальный двухрядный подшипник. Сепаратор из латуни.. | 80.00 | 170.00 | 39.00 |
| 1316 K + H 316 | Шариковый сферический двухрядный подшипник. Коническое внутреннее отверстие. Pressed Snap-Type Steel Cage. Hardened. | 80.00 | 170.00 | 39.00 |
| 1316S | Шариковый сферический двухрядный подшипник. Запечатанная версия кулачкового ролика. | 80.00 | 170.00 | 39.00 |
| 7603080-TVP | Шариковый упорный однорядный подшипник. Molded Snap-Type Cage Of Glass Fibre Reinforced Polyamide. Rolling Element Riding. | 80.00 | 170.00 | 39.00 |
| 42316-Л | Роликовый радиальный однорядный подшипник. Сепаратор из латуни.. | 80.00 | 170.00 | 39.00 |
| 42316-Л2 | Роликовый радиальный однорядный подшипник. Сепаратор из латуни.. | 80.00 | 170.00 | 39.00 |
| 46316-Л | Шариковый радиально-упорный однорядный подшипник. Сепаратор из латуни.. | 80.00 | 170.00 | 39.00 |
| 46316-Л5 | Шариковый радиально-упорный однорядный подшипник. Сепаратор из латуни.. | 80.00 | 170.00 | 39.00 |
| 46316К | Шариковый радиально-упорный однорядный подшипник. «Замок» (скос) на внутреннем кольце плюс массивный сепаратор из текстолита. | 80.00 | 170.00 | 39.00 |
| 6-1316-Л | Шариковый радиальный двухрядный подшипник. Сепаратор из латуни.. | 80.00 | 170.00 | 39.00 |
Способы доставки
Отправка через ведущие транспортные и курьерские компании: ПЭК, Деловые Линии, СДЭК, Байкал-Сервис, Энергия, КИТ, ЖелДорЭкспедиция.
Самовывоз возможен напрямую со склада в Москве.
Сроки доставки
Срок зависит от региона и выбранной транспортной компании. Все заказы комплектуются и отправляются в кратчайшие сроки со склада в Москве.
Надёжность и сохранность
Вся продукция упаковывается с учётом требований транспортировки. Мы гарантируем, что подшипники и комплектующие прибудут к заказчику в полной сохранности.
Доставка в страны ЕАЭС
Мы работаем с проверенными логистическими партнёрами, что позволяет оперативно доставлять заказы в Беларусь, Казахстан, Армению и другие страны ЕАЭС.
Варианты оплаты:
Минимальная сумма заказа и скидки:
Документы и гарантии:
Да, конечно! Наши технические специалисты готовы помочь вам с подбором точного аналога или замены подшипника. Просто позвоните нам по телефону +7 (495) 104-99-04 или напишите на почту zakaz@podsnab.ru.
Для оперативной консультации подготовьте, пожалуйста, имеющиеся данные: маркировку, размеры, тип оборудования или артикул старого подшипника.
Да, конечно! Мы высоко ценим долгосрочное сотрудничество и доверие клиентов по всей России. Для постоянных клиентов действует персональная система скидок.
Условия формируются индивидуально и зависят от:
Чтобы узнать свои условия и получить максимально выгодное предложение, свяжитесь с персональным менеджером или напишите нам на почту zakaz@podsnab.ru.
Вы можете оформить заказ несколькими способами:
Для оформления заказа от юридического лица свяжитесь с нашим отделом по работе с корпоративными клиентами по телефону +7 (495) 104-99-04 или напишите на email zakaz@podsnab.ru, прикрепив реквизиты вашей организации.
Мы оперативно подготовим коммерческое предложение и выставим счет.
Возврат товара надлежащего качества возможен в течение 10 дней с момента получения, если товар не был в употреблении, сохранен товарный вид, упаковка не вскрывалась и присутствуют все сопроводительные документы.
Возврат денежных средств осуществляется в течение 10 рабочих дней после проверки товара складом.
В соответствии с законодательством возврату не подлежат подшипники надлежащего качества, если отсутствует оригинальная упаковка или имеются следы монтажа.
В случае выявления брака или гарантийного случая мы гарантируем возврат или обмен товара.
Да, гарантийный срок хранения устанавливается заводом-изготовителем и в среднем составляет 2 года при соблюдении условий хранения: сухое помещение, оригинальная упаковка и смазка.
Точный срок для конкретного типа подшипника уточняйте у наших менеджеров.
Пн–Пт: с 8:00 до 17:00 (МСК).
Сб–Вс: выходные дни.
Заказы на сайте принимаются круглосуточно. Заявки, поступившие после окончания рабочего дня, обрабатываются на следующий рабочий день.
Минимальная сумма заказа для доставки составляет 3000 рублей. Самовывоз со склада возможен на любую сумму при наличии товара.
ООО «УралТехГрупп»
ИНН: 7415093830
КПП: 772401001
ОГРН: 1167456069021
Банк: ПАО Сбербанк
Р/с: 40702810838000475273
К/с: 30101810400000000225
БИК: 044525225
У подшипника 26-316 К5 пока нет отзывов. Вы можете стать первым покупателем, поделившимся своим мнением.