Поиск подшипника
Статьи
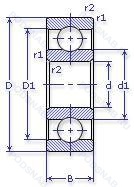
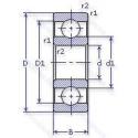
303-А — Шариковый радиальный однорядный подшипник, модификация основного исполнения 303, производство ГПЗ.
Размер подшипника: 17x47x14 мм.
Повышенная грузоподъемность.
Аналоги: 6303.
Государственный стандарт ГОСТ
303А
В наличии
| Обозначение | Конструктивные изменения |
|---|---|
| 76-303 АШ1 | Повышенная грузоподъемность. Нормы шумности. |
| 76-303 АШ | Повышенная грузоподъемность. Нормы шумности. |
| 6-303 А | Повышенная грузоподъемность. |
| 6-303 Б | Сепаратор из безоловянистой бронзы.. |
| 6-303 БТ2 | 200°. Температура отпуска. Сепаратор из безоловянистой бронзы.. |
| 6-303 Л1Ш | Сепаратор из латуни.. Нормы шумности. |
| 6-303 Ш | Нормы шумности. |
| 7-303 Ш | Нормы шумности. |
| 70-303 А | Повышенная грузоподъемность. |
| 75-303 Е | Сепаратор из текстолита.. |
| 75-303 ЕШ2 | Сепаратор из текстолита.. Нормы шумности. |
| 75-303 Ш2У | Дополнительные технические требования. Нормы шумности. |
| 76-303 Ш2У | Дополнительные технические требования. Нормы шумности. |
| 20-303 А | Повышенная грузоподъемность. |
| 24-303 ЕШ6 | Сепаратор из текстолита.. Нормы шумности. |
| 25-303 ЕШ2 | Сепаратор из текстолита.. Нормы шумности. |
| 26-303 БТ2 | 200°. Температура отпуска. Сепаратор из безоловянистой бронзы.. |
| 26-303 Р | Детали из теплоустойчивой (быстрорежущие) стали.. |
| 303-Б | Сепаратор из безоловянистой бронзы.. |
| 303-Р | Детали из теплоустойчивой (быстрорежущие) стали.. |
| 303Л | Сепаратор из латуни.. |
| 35-303 Е | Сепаратор из текстолита.. |
| 5-303 Е | Сепаратор из текстолита.. |
| 5-303 ЕШ2 | Сепаратор из текстолита.. Нормы шумности. |
| 5-303 Ш2У | Дополнительные технические требования. Нормы шумности. |
Модификации шарикового подшипника 303-А — это измененное основное конструктивное исполнение 303, основные размеры (17x47x14) не отличаются.
| Обозначение | Гост | Конструктивные особенности |
|---|---|---|
| 6303 | ISO | Шариковый радиальный однорядный подшипник. |
| EC-6303LLB | ISO | Подшипник с компенсацией теплового расширения для общего применения. Уплотнение бесконтактного типа из синтетического каучука. |
| EC-6303ZZ | ISO | Защитные металлические шайбы с обеих сторон. Подшипник с компенсацией теплового расширения для общего применения. |
| EC-6303LLU | ISO | Контактное резиновое уплотнение с двух сторон. Подшипник с компенсацией теплового расширения для общего применения. |
| 6303-2RSL | ISO | Sheet Steel Reinforced Low Friction Contact Seal Of Acrylonitrile-Butadiene Rubber (NBR) On Both Sides Of The Bearing. |
| 6303-RSL | ISO | Sheet Steel Reinforced Low Friction Contact Seal Of Acrylonitrile-Butadiene Rubber (NBR) On One Side Of The Bearing. |
| 6303-2Z/VA228 | ISO | Защитные металлические шайбы с обеих сторон подшипника. Подшипник для работы при высоких температурах (+350℃). |
| BB1-0633A | ISO | Измененная или модифицированная внутренняя конструкция при неизменных основных размерах. |
| BB1-3013B | ISO | Конический роликовый подшипник. Угол контакта 20 градусов. |
| BB1-3065AE | ISO | Без суффикса. но с обозначением типа. |
| 6303FT150ZZ | ISO | Ассортимент TOPLINE для высокой температуры - Максимум 150 С° со стальными защитными пластинами с обеих сторон. |
| 6303E | ISO | Контактное уплотнение с одной стороны. |
| 6303G15 | ISO | Сепаратор из полиамида 6.6 армированный стекловолокном. |
| P6303-GB | ISO | Подшипник для универсального монтажа. Два подшипника. установленные по О-образной или Х-образной схеме. имеют средний преднатяг. |
| P6303-SB | ISO | Double Row. Angular Contact. Non-Filling Notch Bearing. With Outwardly Convergent Угол контактаs. Rigid Design. |
| S6303-2Z | ISO | Защитные металлические шайбы с обеих сторон подшипника. |
| 180303-А | ГОСТ | Повышенная грузоподъемность. |
| 180303-КС17 | ГОСТ | Смазка Литол-24. |
| 36-703 Б | ГОСТ | Сепаратор из безоловянистой бронзы.. |
| 50303-А | ГОСТ | Повышенная грузоподъемность. |
| 50303-К | ГОСТ | «Замок» (скос) на внутреннем кольце плюс массивный сепаратор из текстолита. |
Аналог шарикового подшипника 303-А — это подшипник такого же размера dx17,Dx47,Bx14, типа и конструкции.
| Обозначение | Конструктивные особенности | Внутренний (d) | Наружный (D) | Ширина (B) |
|---|---|---|---|---|
| W 6303-2RZ | Шариковый радиальный подшипник. Шарикоподшипник. С уплотнением и низким коэффициентом трения с обеих сторон. Уплотнение состоит из шайбы из листовой стали с вулканизированной резиной. Нержавеющая сталь. | 17.00 | 47.00 | 14.00 |
| 6-1303 Ш1 | Шариковый радиальный двухрядный подшипник. Нормы шумности. | 17.00 | 47.00 | 14.00 |
| 1303-РУ | Шариковый радиальный двухрядный подшипник. Дополнительные технические требования. Детали из теплоустойчивой (быстрорежущие) стали.. | 17.00 | 47.00 | 14.00 |
| 1303-У | Шариковый радиальный двухрядный подшипник. Дополнительные технические требования. | 17.00 | 47.00 | 14.00 |
| 66303-АЛ1 | Шариковый радиально-упорный однорядный подшипник. Сепаратор из латуни.. Повышенная грузоподъемность. | 17.00 | 47.00 | 14.00 |
| 66303К | Шариковый радиально-упорный однорядный подшипник. «Замок» (скос) на внутреннем кольце плюс массивный сепаратор из текстолита. | 17.00 | 47.00 | 14.00 |
| 75-176303 ЕШ2 | Шариковый радиально-упорный однорядный подшипник. Сепаратор из текстолита.. Нормы шумности. | 17.00 | 47.00 | 14.00 |
| 1303 EM | Шариковый сферический двухрядный подшипник. Стандартный фланцевый ( с резьбой и сквозным отверстием). | 17.00 | 47.00 | 14.00 |
| 1204-K-TVH-C3 + H204 | Шариковый сферический двухрядный подшипник. Внутренний зазор больше нормального. Коническое отверстие. Конусность 1/12. Твердая клетка из полиамида. | 17.00 | 47.00 | 14.00 |
| 1303-TVH | Шариковый сферический двухрядный подшипник. Твердая клетка из полиамида. | 17.00 | 47.00 | 14.00 |
| SAC1747B | Шариковый упорный однорядный подшипник. Конический роликовый подшипник. Угол контакта 20 градусов. | 17.00 | 47.00 | 15.00 |
| 46303-А | Шариковый радиально-упорный однорядный подшипник. Повышенная грузоподъемность. | 17.00 | 47.00 | 14.00 |
| 46303-Е | Шариковый радиально-упорный однорядный подшипник. Сепаратор из текстолита.. | 17.00 | 47.00 | 14.00 |
| 46303К | Шариковый радиально-упорный однорядный подшипник. «Замок» (скос) на внутреннем кольце плюс массивный сепаратор из текстолита. | 17.00 | 47.00 | 14.00 |
| 5-36303 Л | Шариковый радиально-упорный однорядный подшипник. Сепаратор из латуни.. | 17.00 | 47.00 | 14.00 |
Способы доставки
Отправка через ведущие транспортные и курьерские компании: ПЭК, Деловые Линии, СДЭК, Байкал-Сервис, Энергия, КИТ, ЖелДорЭкспедиция.
Самовывоз возможен напрямую со склада в Москве.
Сроки доставки
Срок зависит от региона и выбранной транспортной компании. Все заказы комплектуются и отправляются в кратчайшие сроки со склада в Москве.
Надёжность и сохранность
Вся продукция упаковывается с учётом требований транспортировки. Мы гарантируем, что подшипники и комплектующие прибудут к заказчику в полной сохранности.
Доставка в страны ЕАЭС
Мы работаем с проверенными логистическими партнёрами, что позволяет оперативно доставлять заказы в Беларусь, Казахстан, Армению и другие страны ЕАЭС.
Варианты оплаты:
Минимальная сумма заказа и скидки:
Документы и гарантии:
Да, конечно! Наши технические специалисты готовы помочь вам с подбором точного аналога или замены подшипника. Просто позвоните нам по телефону +7 (495) 104-99-04 или напишите на почту zakaz@podsnab.ru.
Для оперативной консультации подготовьте, пожалуйста, имеющиеся данные: маркировку, размеры, тип оборудования или артикул старого подшипника.
Да, конечно! Мы высоко ценим долгосрочное сотрудничество и доверие клиентов по всей России. Для постоянных клиентов действует персональная система скидок.
Условия формируются индивидуально и зависят от:
Чтобы узнать свои условия и получить максимально выгодное предложение, свяжитесь с персональным менеджером или напишите нам на почту zakaz@podsnab.ru.
Вы можете оформить заказ несколькими способами:
Для оформления заказа от юридического лица свяжитесь с нашим отделом по работе с корпоративными клиентами по телефону +7 (495) 104-99-04 или напишите на email zakaz@podsnab.ru, прикрепив реквизиты вашей организации.
Мы оперативно подготовим коммерческое предложение и выставим счет.
Возврат товара надлежащего качества возможен в течение 10 дней с момента получения, если товар не был в употреблении, сохранен товарный вид, упаковка не вскрывалась и присутствуют все сопроводительные документы.
Возврат денежных средств осуществляется в течение 10 рабочих дней после проверки товара складом.
В соответствии с законодательством возврату не подлежат подшипники надлежащего качества, если отсутствует оригинальная упаковка или имеются следы монтажа.
В случае выявления брака или гарантийного случая мы гарантируем возврат или обмен товара.
Да, гарантийный срок хранения устанавливается заводом-изготовителем и в среднем составляет 2 года при соблюдении условий хранения: сухое помещение, оригинальная упаковка и смазка.
Точный срок для конкретного типа подшипника уточняйте у наших менеджеров.
Пн–Пт: с 8:00 до 17:00 (МСК).
Сб–Вс: выходные дни.
Заказы на сайте принимаются круглосуточно. Заявки, поступившие после окончания рабочего дня, обрабатываются на следующий рабочий день.
Минимальная сумма заказа для доставки составляет 3000 рублей. Самовывоз со склада возможен на любую сумму при наличии товара.
ООО «УралТехГрупп»
ИНН: 7415093830
КПП: 772401001
ОГРН: 1167456069021
Банк: ПАО Сбербанк
Р/с: 40702810838000475273
К/с: 30101810400000000225
БИК: 044525225
У подшипника 303-А пока нет отзывов. Вы можете стать первым покупателем, поделившимся своим мнением.