Поиск подшипника
Статьи
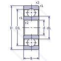
306-Е5 — Шариковый радиальный однорядный подшипник, модификация основного исполнения 306, производство ГПЗ.
Размер подшипника: 30x72x19 мм.
Сепаратор из текстолита.
Аналоги: 6306TB.
Государственный стандарт ГОСТ
306Е5
В наличии
| Обозначение | Конструктивные изменения |
|---|---|
| 76-306 ЮТ | Температура отпуска. 160°. Все детали или часть деталей из нержавеющей стали.. |
| 78-306 Е | Сепаратор из текстолита.. |
| 25-306 ЕШ6 | Сепаратор из текстолита.. Нормы шумности. |
| 2В0-306 А | Повышенная грузоподъемность. |
| 2В70-306 А | Повышенная грузоподъемность. |
| 306-А | Повышенная грузоподъемность. |
| 306-АЕ5 | Сепаратор из текстолита.. Повышенная грузоподъемность. |
| 306-АК | Повышенная грузоподъемность. |
| 306-АС3 | Повышенная грузоподъемность. Смазка ВНИИНП-210. |
| 306-Е | Сепаратор из текстолита.. |
| 306-К | «Замок» (скос) на внутреннем кольце плюс массивный сепаратор из текстолита. |
| 306-Ю | Все детали или часть деталей из нержавеющей стали.. |
| 306АE5 | Смазочные отверстия и канавки во внутреннем кольце. Повышенная грузоподъемность. |
| 4-306 А | Повышенная грузоподъемность. |
| 4-306 АЕ5 | Сепаратор из текстолита.. Повышенная грузоподъемность. |
| 4-306 Е5 | Сепаратор из текстолита.. |
| 5-306 А | Повышенная грузоподъемность. |
| 5-306 АК | Повышенная грузоподъемность. |
| 5-306 Б | Сепаратор из безоловянистой бронзы.. |
| 5-306 Е | Сепаратор из текстолита.. |
| 5-306 Е5 | Сепаратор из текстолита.. |
| 5-306 ЕШ2 | Сепаратор из текстолита.. Нормы шумности. |
| 5-306 ЕШ3 | Сепаратор из текстолита.. Нормы шумности. |
| 5-306 Р | Детали из теплоустойчивой (быстрорежущие) стали.. |
| 5-306 Ю | Все детали или часть деталей из нержавеющей стали.. |
Модификации шарикового подшипника 306-Е5 — это измененное основное конструктивное исполнение 306, основные размеры (30x72x19) не отличаются.
| Обозначение | Гост | Конструктивные особенности |
|---|---|---|
| 6306TB | ISO | Textite (Fabric-Reinforced Phenolic Resin) Cage Guided On The Inner Ring. |
| 580306-КС17 | ГОСТ | Смазка Литол-24. «Замок» (скос) на внутреннем кольце плюс массивный сепаратор из текстолита. |
| 580306-С17 | ГОСТ | Смазка Литол-24. |
| 6-180306-А1С9 | ГОСТ | Повышенная грузоподъемность. Смазка ЛЗ-31. |
| 6-180306-АК1С9 | ГОСТ | Повышенная грузоподъемность. Смазка ЛЗ-31. |
| 6-180306-АКС17 | ГОСТ | Смазка Литол-24. Повышенная грузоподъемность. |
| 6-180306-АКС9 | ГОСТ | Повышенная грузоподъемность. Смазка ЛЗ-31. |
| 6-180306-АКУС17 | ГОСТ | Смазка Литол-24. Дополнительные технические требования. Повышенная грузоподъемность. |
| 6-180306-АС17 | ГОСТ | Смазка Литол-24. Повышенная грузоподъемность. |
| 6-180306-АУС17 | ГОСТ | Смазка Литол-24. Дополнительные технические требования. Повышенная грузоподъемность. |
| 6-180306-К1С9 | ГОСТ | «Замок» (скос) на внутреннем кольце плюс массивный сепаратор из текстолита. Смазка ЛЗ-31. |
| 6-180306 К1УС17 | ГОСТ | Смазка Литол-24. Дополнительные технические требования. |
| 6-180306-К1УС17Ш | ГОСТ | Смазка Литол-24. «Замок» (скос) на внутреннем кольце плюс массивный сепаратор из текстолита. Дополнительные технические требования. Нормы шумности. |
| 6-180306-К3УС17Ш | ГОСТ | Смазка Литол-24. Дополнительные технические требования. Нормы шумности. |
| 6-180306 К3УСШ1 | ГОСТ | Дополнительные технические требования. Нормы шумности. |
| 6-180306-КС9 | ГОСТ | «Замок» (скос) на внутреннем кольце плюс массивный сепаратор из текстолита. Смазка ЛЗ-31. |
| 6-180306-С17 | ГОСТ | Смазка Литол-24. |
| 6-180306-С9 | ГОСТ | Смазка ЛЗ-31. |
| 6-180306-У1С17Ш | ГОСТ | Смазка Литол-24. Нормы шумности. Дополнительные технические требования. |
| 6-180306-УС17 | ГОСТ | Смазка Литол-24. Дополнительные технические требования. |
| 6-180306-Ш2У | ГОСТ | Дополнительные технические требования. Нормы шумности. |
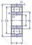
Аналог шарикового подшипника 306-Е5 — это подшипник такого же размера dx30,Dx72,Bx19, типа и конструкции.
| Обозначение | Конструктивные особенности | Внутренний (d) | Наружный (D) | Ширина (B) |
|---|---|---|---|---|
| 46306-Л | Шариковый радиально-упорный однорядный подшипник. Сепаратор из латуни.. | 30.00 | 72.00 | 19.00 |
| 46306-АЕ5 | Шариковый радиально-упорный однорядный подшипник. Сепаратор из текстолита.. Повышенная грузоподъемность. | 30.00 | 72.00 | 19.00 |
| 46306-АЛ | Шариковый радиально-упорный однорядный подшипник. Сепаратор из латуни.. Повышенная грузоподъемность. | 30.00 | 72.00 | 19.00 |
| 46306К | Шариковый радиально-упорный однорядный подшипник. «Замок» (скос) на внутреннем кольце плюс массивный сепаратор из текстолита. | 30.00 | 72.00 | 19.00 |
| 5-32306 Б | Роликовый радиальный подшипник. Сепаратор из безоловянистой бронзы.. | 30.00 | 72.00 | 19.00 |
| 5-32306 Д2 | Роликовый радиальный подшипник. Сепаратор из алюминиевого сплава.. | 30.00 | 72.00 | 19.00 |
| 5-46306 АЕ5 | Шариковый радиально-упорный однорядный подшипник. Сепаратор из текстолита.. Повышенная грузоподъемность. | 30.00 | 72.00 | 19.00 |
| 5-46306 АЛ | Шариковый радиально-упорный однорядный подшипник. Сепаратор из латуни.. Повышенная грузоподъемность. | 30.00 | 72.00 | 19.00 |
| 5-46306 Б | Шариковый радиально-упорный однорядный подшипник. Сепаратор из безоловянистой бронзы.. | 30.00 | 72.00 | 19.00 |
| 5-46306 Е | Шариковый радиально-упорный однорядный подшипник. Сепаратор из текстолита.. | 30.00 | 72.00 | 19.00 |
| 5-46306 Е2 | Шариковый радиально-упорный однорядный подшипник. Сепаратор из пластических материалов.. | 30.00 | 72.00 | 19.00 |
| 5-46306 Е5 | Шариковый радиально-упорный однорядный подшипник. Сепаратор из текстолита.. | 30.00 | 72.00 | 19.00 |
| 5-46306 Л | Шариковый радиально-упорный однорядный подшипник. Сепаратор из латуни.. | 30.00 | 72.00 | 19.00 |
| 56-42306 Д1 | Роликовый радиальный однорядный подшипник. Сепаратор из алюминиевого сплава.. | 30.00 | 72.00 | 19.00 |
| 6-102306-М | Роликовый радиальный однорядный подшипник. Модифицированный контакт.. | 30.00 | 72.00 | 19.00 |
Способы доставки
Отправка через ведущие транспортные и курьерские компании: ПЭК, Деловые Линии, СДЭК, Байкал-Сервис, Энергия, КИТ, ЖелДорЭкспедиция.
Самовывоз возможен напрямую со склада в Москве.
Сроки доставки
Срок зависит от региона и выбранной транспортной компании. Все заказы комплектуются и отправляются в кратчайшие сроки со склада в Москве.
Надёжность и сохранность
Вся продукция упаковывается с учётом требований транспортировки. Мы гарантируем, что подшипники и комплектующие прибудут к заказчику в полной сохранности.
Доставка в страны ЕАЭС
Мы работаем с проверенными логистическими партнёрами, что позволяет оперативно доставлять заказы в Беларусь, Казахстан, Армению и другие страны ЕАЭС.
Варианты оплаты:
Минимальная сумма заказа и скидки:
Документы и гарантии:
Да, конечно! Наши технические специалисты готовы помочь вам с подбором точного аналога или замены подшипника. Просто позвоните нам по телефону +7 (495) 104-99-04 или напишите на почту zakaz@podsnab.ru.
Для оперативной консультации подготовьте, пожалуйста, имеющиеся данные: маркировку, размеры, тип оборудования или артикул старого подшипника.
Да, конечно! Мы высоко ценим долгосрочное сотрудничество и доверие клиентов по всей России. Для постоянных клиентов действует персональная система скидок.
Условия формируются индивидуально и зависят от:
Чтобы узнать свои условия и получить максимально выгодное предложение, свяжитесь с персональным менеджером или напишите нам на почту zakaz@podsnab.ru.
Вы можете оформить заказ несколькими способами:
Для оформления заказа от юридического лица свяжитесь с нашим отделом по работе с корпоративными клиентами по телефону +7 (495) 104-99-04 или напишите на email zakaz@podsnab.ru, прикрепив реквизиты вашей организации.
Мы оперативно подготовим коммерческое предложение и выставим счет.
Возврат товара надлежащего качества возможен в течение 10 дней с момента получения, если товар не был в употреблении, сохранен товарный вид, упаковка не вскрывалась и присутствуют все сопроводительные документы.
Возврат денежных средств осуществляется в течение 10 рабочих дней после проверки товара складом.
В соответствии с законодательством возврату не подлежат подшипники надлежащего качества, если отсутствует оригинальная упаковка или имеются следы монтажа.
В случае выявления брака или гарантийного случая мы гарантируем возврат или обмен товара.
Да, гарантийный срок хранения устанавливается заводом-изготовителем и в среднем составляет 2 года при соблюдении условий хранения: сухое помещение, оригинальная упаковка и смазка.
Точный срок для конкретного типа подшипника уточняйте у наших менеджеров.
Пн–Пт: с 8:00 до 17:00 (МСК).
Сб–Вс: выходные дни.
Заказы на сайте принимаются круглосуточно. Заявки, поступившие после окончания рабочего дня, обрабатываются на следующий рабочий день.
Минимальная сумма заказа для доставки составляет 3000 рублей. Самовывоз со склада возможен на любую сумму при наличии товара.
ООО «УралТехГрупп»
ИНН: 7415093830
КПП: 772401001
ОГРН: 1167456069021
Банк: ПАО Сбербанк
Р/с: 40702810838000475273
К/с: 30101810400000000225
БИК: 044525225
У подшипника 306-Е5 пока нет отзывов. Вы можете стать первым покупателем, поделившимся своим мнением.