Поиск подшипника
Статьи
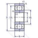
308-А1У — Шариковый радиальный однорядный подшипник, модификация основного исполнения 308, выпускается производителями: EPK, ГПЗ.
Размер подшипника: 40x90x23 мм.
Дополнительные технические требования, повышенная грузоподъемность.
Государственный стандарт ГОСТ
308А1У
В наличии
| Обозначение | Конструктивные изменения |
|---|---|
| 25-308 ЕТ8Ш2У | Сепаратор из текстолита.. Дополнительные технические требования. Нормы шумности. Специальный режим термообработки деталей подшипника. |
| 25-308 ЕТ8Ш6 | Сепаратор из текстолита.. Нормы шумности. Специальный режим термообработки деталей подшипника. |
| 25-308 ЕШ2У | Сепаратор из текстолита.. Дополнительные технические требования. Нормы шумности. |
| 25-308 ЕШ6 | Сепаратор из текстолита.. Нормы шумности. |
| 26-308 Л | Сепаратор из латуни.. |
| 2В0-308 А | Повышенная грузоподъемность. |
| 2В70-308 А | Повышенная грузоподъемность. |
| 2ВО-308 А | Повышенная грузоподъемность. |
| 308-А | Повышенная грузоподъемность. |
| 308-А1 | Повышенная грузоподъемность. |
| 308-АЛ | Сепаратор из латуни.. Повышенная грузоподъемность. |
| 308-АС3 | Повышенная грузоподъемность. Смазка ВНИИНП-210. |
| 308-АУ | Дополнительные технические требования. Повышенная грузоподъемность. |
| 308-АУШ | Дополнительные технические требования. Повышенная грузоподъемность. Нормы шумности. |
| 308-К | «Замок» (скос) на внутреннем кольце плюс массивный сепаратор из текстолита. |
| 308-У | Дополнительные технические требования. |
| 308-УШ | Дополнительные технические требования. Нормы шумности. |
| 308-Ш | Нормы шумности. |
| 308Е | Сепаратор из текстолита.. |
| 308-Е5 | Сепаратор из текстолита.. |
| 308Л | Сепаратор из латуни.. |
| 5-308 Е5 | Сепаратор из текстолита.. |
| 5-308 ЕT8Ш2 | Old Designation. New Designation is TB (Segment Cage Type. Code TB)=Window-Type Cage Of Fabric Reinforced Phenolic Resin. Inner Ring Centered. Сепаратор из текстолита.. Нормы шумности. |
| 5-308 ЕШ2 | Сепаратор из текстолита.. Нормы шумности. |
| 5-308 УШ | Дополнительные технические требования. Нормы шумности. |
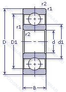
Модификации шарикового подшипника 308-А1У — это измененное основное конструктивное исполнение 308, основные размеры (40x90x23) не отличаются.
| Обозначение | Гост | Конструктивные особенности |
|---|---|---|
| 180308-А1 | ГОСТ | Повышенная грузоподъемность. |
| 180308-А1С9 | ГОСТ | Повышенная грузоподъемность. Смазка ЛЗ-31. |
| 180308-АК1 | ГОСТ | Повышенная грузоподъемность. |
| 180308-АК1С9 | ГОСТ | Повышенная грузоподъемность. Смазка ЛЗ-31. |
| 180308-АС17 | ГОСТ | Смазка Литол-24. Повышенная грузоподъемность. |
| 180308-АУ1С9 | ГОСТ | Повышенная грузоподъемность. Дополнительные технические требования. Смазка ЛЗ-31. |
| 180308-АУ1С9Ш | ГОСТ | Повышенная грузоподъемность. Нормы шумности. Дополнительные технические требования. Смазка ЛЗ-31. |
| 180308-АУС9 | ГОСТ | Дополнительные технические требования. Повышенная грузоподъемность. Смазка ЛЗ-31. |
| 180308-АУС9Ш | ГОСТ | Дополнительные технические требования. Повышенная грузоподъемность. Нормы шумности. Смазка ЛЗ-31. |
| 180308-С17 | ГОСТ | Смазка Литол-24. |
| 180308-У1С9 | ГОСТ | Дополнительные технические требования. Смазка ЛЗ-31. |
| 180308-У1С9Ш | ГОСТ | Нормы шумности. Дополнительные технические требования. Смазка ЛЗ-31. |
| 2В0-50308 А | ГОСТ | Повышенная грузоподъемность. |
| 2В0-60308 А1 | ГОСТ | Повышенная грузоподъемность. |
| 2В0-80308 АС17 | ГОСТ | Смазка Литол-24. Повышенная грузоподъемность. |
| 2В70-60308 А1 | ГОСТ | Повышенная грузоподъемность. |
| 50308-А | ГОСТ | Повышенная грузоподъемность. |
| 50308-А1 | ГОСТ | Повышенная грузоподъемность. |
| 50308-К | ГОСТ | «Замок» (скос) на внутреннем кольце плюс массивный сепаратор из текстолита. |
| 550308А | ГОСТ | Повышенная грузоподъемность. |
Аналог шарикового подшипника 308-А1У — это подшипник такого же размера dx40,Dx90,Bx23, типа и конструкции.
| Обозначение | Конструктивные особенности | Внутренний (d) | Наружный (D) | Ширина (B) |
|---|---|---|---|---|
| 46308К | Шариковый радиально-упорный однорядный подшипник. «Замок» (скос) на внутреннем кольце плюс массивный сепаратор из текстолита. | 40.00 | 90.00 | 23.00 |
| 5-32308 Р | Роликовый радиальный однорядный подшипник. Детали из теплоустойчивой (быстрорежущие) стали.. | 40.00 | 90.00 | 23.00 |
| 5-36308 Е | Шариковый радиально-упорный однорядный подшипник. Сепаратор из текстолита.. | 40.00 | 90.00 | 23.00 |
| 5-36308 Е2 | Шариковый радиально-упорный однорядный подшипник. Сепаратор из пластических материалов.. | 40.00 | 90.00 | 23.00 |
| 5-36308 Е5 | Шариковый радиально-упорный однорядный подшипник. Сепаратор из текстолита.. | 40.00 | 90.00 | 23.00 |
| 5-36308 К | Шариковый радиально-упорный однорядный подшипник. «Замок» (скос) на внутреннем кольце плюс массивный сепаратор из текстолита. | 40.00 | 90.00 | 23.00 |
| 5-36308 Л | Шариковый радиально-упорный однорядный подшипник. Сепаратор из латуни.. | 40.00 | 90.00 | 23.00 |
| 5-36308 Р | Шариковый радиально-упорный однорядный подшипник. Детали из теплоустойчивой (быстрорежущие) стали.. | 40.00 | 90.00 | 23.00 |
| 5-46308 Е2 | Шариковый радиально-упорный однорядный подшипник. Сепаратор из пластических материалов.. | 40.00 | 90.00 | 23.00 |
| 5-46308 Е5 | Шариковый радиально-упорный однорядный подшипник. Сепаратор из текстолита.. | 40.00 | 90.00 | 23.00 |
| 5-46308 Л | Шариковый радиально-упорный однорядный подшипник. Сепаратор из латуни.. | 40.00 | 90.00 | 23.00 |
| 6-126308 Б | Шариковый радиально-упорный однорядный подшипник. Сепаратор из безоловянистой бронзы.. | 40.00 | 90.00 | 23.00 |
| 6-126308 Б1 | Шариковый радиально-упорный однорядный подшипник. Сепаратор из безоловянистой бронзы.. | 40.00 | 90.00 | 23.00 |
| 6-1308 Л | Шариковый радиальный двухрядный подшипник. Сепаратор из латуни.. | 40.00 | 90.00 | 23.00 |
| 6-176308 Е | Шариковый радиально-упорный однорядный подшипник. Сепаратор из текстолита.. | 40.00 | 90.00 | 23.00 |
Способы доставки
Отправка через ведущие транспортные и курьерские компании: ПЭК, Деловые Линии, СДЭК, Байкал-Сервис, Энергия, КИТ, ЖелДорЭкспедиция.
Самовывоз возможен напрямую со склада в Москве.
Сроки доставки
Срок зависит от региона и выбранной транспортной компании. Все заказы комплектуются и отправляются в кратчайшие сроки со склада в Москве.
Надёжность и сохранность
Вся продукция упаковывается с учётом требований транспортировки. Мы гарантируем, что подшипники и комплектующие прибудут к заказчику в полной сохранности.
Доставка в страны ЕАЭС
Мы работаем с проверенными логистическими партнёрами, что позволяет оперативно доставлять заказы в Беларусь, Казахстан, Армению и другие страны ЕАЭС.
Варианты оплаты:
Минимальная сумма заказа и скидки:
Документы и гарантии:
Да, конечно! Наши технические специалисты готовы помочь вам с подбором точного аналога или замены подшипника. Просто позвоните нам по телефону +7 (495) 104-99-04 или напишите на почту zakaz@podsnab.ru.
Для оперативной консультации подготовьте, пожалуйста, имеющиеся данные: маркировку, размеры, тип оборудования или артикул старого подшипника.
Да, конечно! Мы высоко ценим долгосрочное сотрудничество и доверие клиентов по всей России. Для постоянных клиентов действует персональная система скидок.
Условия формируются индивидуально и зависят от:
Чтобы узнать свои условия и получить максимально выгодное предложение, свяжитесь с персональным менеджером или напишите нам на почту zakaz@podsnab.ru.
Вы можете оформить заказ несколькими способами:
Для оформления заказа от юридического лица свяжитесь с нашим отделом по работе с корпоративными клиентами по телефону +7 (495) 104-99-04 или напишите на email zakaz@podsnab.ru, прикрепив реквизиты вашей организации.
Мы оперативно подготовим коммерческое предложение и выставим счет.
Возврат товара надлежащего качества возможен в течение 10 дней с момента получения, если товар не был в употреблении, сохранен товарный вид, упаковка не вскрывалась и присутствуют все сопроводительные документы.
Возврат денежных средств осуществляется в течение 10 рабочих дней после проверки товара складом.
В соответствии с законодательством возврату не подлежат подшипники надлежащего качества, если отсутствует оригинальная упаковка или имеются следы монтажа.
В случае выявления брака или гарантийного случая мы гарантируем возврат или обмен товара.
Да, гарантийный срок хранения устанавливается заводом-изготовителем и в среднем составляет 2 года при соблюдении условий хранения: сухое помещение, оригинальная упаковка и смазка.
Точный срок для конкретного типа подшипника уточняйте у наших менеджеров.
Пн–Пт: с 8:00 до 17:00 (МСК).
Сб–Вс: выходные дни.
Заказы на сайте принимаются круглосуточно. Заявки, поступившие после окончания рабочего дня, обрабатываются на следующий рабочий день.
Минимальная сумма заказа для доставки составляет 3000 рублей. Самовывоз со склада возможен на любую сумму при наличии товара.
ООО «УралТехГрупп»
ИНН: 7415093830
КПП: 772401001
ОГРН: 1167456069021
Банк: ПАО Сбербанк
Р/с: 40702810838000475273
К/с: 30101810400000000225
БИК: 044525225
У подшипника 308-А1У пока нет отзывов. Вы можете стать первым покупателем, поделившимся своим мнением.