Поиск подшипника
Статьи
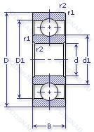
309-АК — Шариковый радиальный однорядный подшипник, модификация основного исполнения 309, производство ГПЗ.
Размер подшипника: 45x100x25 мм.
Повышенная грузоподъемность.
Аналоги: 6309.
Государственный стандарт ГОСТ
309АК
В наличии
| Обозначение | Конструктивные изменения |
|---|---|
| 70-309 К | «Замок» (скос) на внутреннем кольце плюс массивный сепаратор из текстолита. |
| 74-309 ЕУШ8 | Сепаратор из текстолита.. Дополнительные технические требования. Нормы шумности. |
| 75-309 Е | Сепаратор из текстолита.. |
| 75-309 ЕШ3 | Сепаратор из текстолита.. Нормы шумности. |
| 75-309 Р | Детали из теплоустойчивой (быстрорежущие) стали.. |
| 75-309 ЕШ2 | Сепаратор из текстолита.. Нормы шумности. |
| 76-309 АК | Повышенная грузоподъемность. |
| 76-309 АКШ | Повышенная грузоподъемность. Нормы шумности. |
| 76-309 Е | Сепаратор из текстолита.. |
| 76-309 ЕШ2У | Сепаратор из текстолита.. Дополнительные технические требования. Нормы шумности. |
| 76-309 КШ | Нормы шумности. |
| 76-309 КШ2У | Дополнительные технические требования. Нормы шумности. |
| 76-309 ЛТ2 | Сепаратор из латуни.. 200°. Температура отпуска. |
| 76-309 Р | Детали из теплоустойчивой (быстрорежущие) стали.. |
| 25-309 ЕШ2 | Сепаратор из текстолита.. Нормы шумности. |
| 25-309 ЕШ2У | Сепаратор из текстолита.. Дополнительные технические требования. Нормы шумности. |
| 309-А | Повышенная грузоподъемность. |
| 309-АЕ | Сепаратор из текстолита.. Повышенная грузоподъемность. |
| 309-АЛ | Сепаратор из латуни.. Повышенная грузоподъемность. |
| 309-К | «Замок» (скос) на внутреннем кольце плюс массивный сепаратор из текстолита. |
| 309-Л | Сепаратор из латуни.. |
| 4-309 К | «Замок» (скос) на внутреннем кольце плюс массивный сепаратор из текстолита. |
| 5-309 АК | Повышенная грузоподъемность. |
| 5-309 Е | Сепаратор из текстолита.. |
| 5-309 Р3 | Детали из теплоустойчивой (быстрорежущие) стали.. |
Модификации шарикового подшипника 309-АК — это измененное основное конструктивное исполнение 309, основные размеры (45x100x25) не отличаются.
| Обозначение | Гост | Конструктивные особенности |
|---|---|---|
| 6309 | ISO | Шариковый радиальный однорядный подшипник. |
| EC-6309LLB | ISO | Подшипник с компенсацией теплового расширения для общего применения. Уплотнение бесконтактного типа из синтетического каучука. |
| EC-6309LLU | ISO | Контактное резиновое уплотнение с двух сторон. Подшипник с компенсацией теплового расширения для общего применения. |
| EC-6309ZZ | ISO | Защитные металлические шайбы с обеих сторон. Подшипник с компенсацией теплового расширения для общего применения. |
| EC-6309 | ISO | Подшипник с компенсацией теплового расширения для общего применения. |
| BB1-1010/C3 | ISO | Внутренний зазор больше нормального. |
| 6309NRZZ | ISO | Защитные пластины с двух сторон. Канавка и стопорное кольцо на наружном кольце. |
| 6309KEE | ISO | Коническое отверстие. Контактные уплотнения с двух сторон. |
| 6309NREE | ISO | Канавка и стопорное кольцо на наружном кольце. Контактные уплотнения с двух сторон. |
| 6309FT150ZZ | ISO | Ассортимент TOPLINE для высокой температуры - Максимум 150 С° со стальными защитными пластинами с обеих сторон. |
| 6309NRZ | ISO | Защитная пластина с одной стороны. Канавка и стопорное кольцо на наружном кольце. |
| AB43026S01 | ISO | Сферический наружный диаметр. |
| CS309 | ISO | Сферический наружный диаметр. |
| 150309-АК | ГОСТ | Повышенная грузоподъемность. |
| 150309-АК1 | ГОСТ | Повышенная грузоподъемность. |
| 180309-А1 | ГОСТ | Повышенная грузоподъемность. |
| 180309-А1С9 | ГОСТ | Повышенная грузоподъемность. Смазка ЛЗ-31. |
| 180309-АС17 | ГОСТ | Смазка Литол-24. Повышенная грузоподъемность. |
| 180309-С9 | ГОСТ | Смазка ЛЗ-31. |
| 5-180309Ш | ГОСТ | Нормы шумности. |
| 50309-А | ГОСТ | Повышенная грузоподъемность. |
Аналог шарикового подшипника 309-АК — это подшипник такого же размера dx45,Dx100,Bx25, типа и конструкции.
| Обозначение | Конструктивные особенности | Внутренний (d) | Наружный (D) | Ширина (B) |
|---|---|---|---|---|
| 42309-М1 | Роликовый радиальный однорядный подшипник. Модифицированный контакт.. | 45.00 | 100.00 | 25.00 |
| 42309ЛM | Роликовый радиальный однорядный подшипник. Подшипник с латунным сепаратором. центрированный по телам качения. Сепаратор из латуни.. | 45.00 | 100.00 | 25.00 |
| 45-176309 ЕШ2 | Шариковый радиально-упорный однорядный подшипник. Сепаратор из текстолита.. Нормы шумности. | 45.00 | 100.00 | 25.00 |
| 46309-Е | Шариковый радиально-упорный однорядный подшипник. Сепаратор из текстолита.. | 45.00 | 100.00 | 25.00 |
| 46309-Е3 | Шариковый радиально-упорный однорядный подшипник. Сепаратор из пластических материалов.. | 45.00 | 100.00 | 25.00 |
| 46309-Л | Шариковый радиально-упорный однорядный подшипник. Сепаратор из латуни.. | 45.00 | 100.00 | 25.00 |
| 46309К | Шариковый радиально-упорный однорядный подшипник. «Замок» (скос) на внутреннем кольце плюс массивный сепаратор из текстолита. | 45.00 | 100.00 | 25.00 |
| 5-46309 Е | Шариковый радиально-упорный однорядный подшипник. Сепаратор из текстолита.. | 45.00 | 100.00 | 25.00 |
| 5-66309 К | Шариковый радиально-упорный однорядный подшипник. «Замок» (скос) на внутреннем кольце плюс массивный сепаратор из текстолита. | 45.00 | 100.00 | 25.00 |
| 56-2309 Б1Т2 | Роликовый радиальный однорядный подшипник. 200°. Температура отпуска. Сепаратор из безоловянистой бронзы.. | 45.00 | 100.00 | 25.00 |
| 56-2309 БТ | Роликовый радиальный однорядный подшипник. Температура отпуска. 160°. Сепаратор из безоловянистой бронзы.. | 45.00 | 100.00 | 25.00 |
| 6-102309 М | Роликовый радиальный однорядный подшипник. Модифицированный контакт.. | 45.00 | 100.00 | 25.00 |
| 6-12309 Д | Роликовый радиальный однорядный подшипник. Сепаратор из алюминиевого сплава.. | 45.00 | 100.00 | 25.00 |
| 6-12309 Д1 | Роликовый радиальный однорядный подшипник. Сепаратор из алюминиевого сплава.. | 45.00 | 100.00 | 25.00 |
| 6-12309 ЛМ | Роликовый радиальный однорядный подшипник. Сепаратор из латуни.. Модифицированный контакт.. | 45.00 | 100.00 | 25.00 |
Способы доставки
Отправка через ведущие транспортные и курьерские компании: ПЭК, Деловые Линии, СДЭК, Байкал-Сервис, Энергия, КИТ, ЖелДорЭкспедиция.
Самовывоз возможен напрямую со склада в Москве.
Сроки доставки
Срок зависит от региона и выбранной транспортной компании. Все заказы комплектуются и отправляются в кратчайшие сроки со склада в Москве.
Надёжность и сохранность
Вся продукция упаковывается с учётом требований транспортировки. Мы гарантируем, что подшипники и комплектующие прибудут к заказчику в полной сохранности.
Доставка в страны ЕАЭС
Мы работаем с проверенными логистическими партнёрами, что позволяет оперативно доставлять заказы в Беларусь, Казахстан, Армению и другие страны ЕАЭС.
Варианты оплаты:
Минимальная сумма заказа и скидки:
Документы и гарантии:
Да, конечно! Наши технические специалисты готовы помочь вам с подбором точного аналога или замены подшипника. Просто позвоните нам по телефону +7 (495) 104-99-04 или напишите на почту zakaz@podsnab.ru.
Для оперативной консультации подготовьте, пожалуйста, имеющиеся данные: маркировку, размеры, тип оборудования или артикул старого подшипника.
Да, конечно! Мы высоко ценим долгосрочное сотрудничество и доверие клиентов по всей России. Для постоянных клиентов действует персональная система скидок.
Условия формируются индивидуально и зависят от:
Чтобы узнать свои условия и получить максимально выгодное предложение, свяжитесь с персональным менеджером или напишите нам на почту zakaz@podsnab.ru.
Вы можете оформить заказ несколькими способами:
Для оформления заказа от юридического лица свяжитесь с нашим отделом по работе с корпоративными клиентами по телефону +7 (495) 104-99-04 или напишите на email zakaz@podsnab.ru, прикрепив реквизиты вашей организации.
Мы оперативно подготовим коммерческое предложение и выставим счет.
Возврат товара надлежащего качества возможен в течение 10 дней с момента получения, если товар не был в употреблении, сохранен товарный вид, упаковка не вскрывалась и присутствуют все сопроводительные документы.
Возврат денежных средств осуществляется в течение 10 рабочих дней после проверки товара складом.
В соответствии с законодательством возврату не подлежат подшипники надлежащего качества, если отсутствует оригинальная упаковка или имеются следы монтажа.
В случае выявления брака или гарантийного случая мы гарантируем возврат или обмен товара.
Да, гарантийный срок хранения устанавливается заводом-изготовителем и в среднем составляет 2 года при соблюдении условий хранения: сухое помещение, оригинальная упаковка и смазка.
Точный срок для конкретного типа подшипника уточняйте у наших менеджеров.
Пн–Пт: с 8:00 до 17:00 (МСК).
Сб–Вс: выходные дни.
Заказы на сайте принимаются круглосуточно. Заявки, поступившие после окончания рабочего дня, обрабатываются на следующий рабочий день.
Минимальная сумма заказа для доставки составляет 3000 рублей. Самовывоз со склада возможен на любую сумму при наличии товара.
ООО «УралТехГрупп»
ИНН: 7415093830
КПП: 772401001
ОГРН: 1167456069021
Банк: ПАО Сбербанк
Р/с: 40702810838000475273
К/с: 30101810400000000225
БИК: 044525225
У подшипника 309-АК пока нет отзывов. Вы можете стать первым покупателем, поделившимся своим мнением.