Поиск подшипника
Статьи
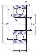
310-А — Шариковый радиальный однорядный подшипник, модификация основного исполнения 310, производство ГПЗ.
Размер подшипника: 50x110x27 мм.
Повышенная грузоподъемность.
Аналоги: 6310.
Государственный стандарт ГОСТ
310А
В наличии
| Обозначение | Конструктивные изменения |
|---|---|
| 75-310 ЕШ3 | Сепаратор из текстолита.. Нормы шумности. |
| 76-310 А | Повышенная грузоподъемность. |
| 76-310 АW2 | Детали из вакуумированной стали.. Повышенная грузоподъемность. |
| 76-310 АК | Повышенная грузоподъемность. |
| 76-310 АКШ1 | Нормы шумности. Повышенная грузоподъемность. |
| 76-310 Е | Сепаратор из текстолита.. |
| 76-310 ЕТ8Ш2У | Сепаратор из текстолита.. Дополнительные технические требования. Нормы шумности. Специальный режим термообработки деталей подшипника. |
| 76-310 ЕШ2У | Сепаратор из текстолита.. Дополнительные технические требования. Нормы шумности. |
| 76-310 КШ2У | Дополнительные технические требования. Нормы шумности. |
| 76-310 Ш2У | Дополнительные технические требования. Нормы шумности. |
| 77-310 А | Повышенная грузоподъемность. |
| 25-310 ЕТ8Ш2 | Сепаратор из текстолита.. Нормы шумности. Специальный режим термообработки деталей подшипника. |
| 25-310 ЕШ2 | Сепаратор из текстолита.. Нормы шумности. |
| 26-310 БТ1 | 180°. Сепаратор из безоловянистой бронзы.. Температура отпуска. |
| 310-АС3 | Повышенная грузоподъемность. Смазка ВНИИНП-210. |
| 310-Е | Сепаратор из текстолита.. |
| 310-Е5 | Сепаратор из текстолита.. |
| 310-КШ2У | Дополнительные технические требования. Нормы шумности. |
| 310-У | Дополнительные технические требования. |
| 310E5 | Смазочные отверстия и канавки во внутреннем кольце. |
| 5-310 АК | Повышенная грузоподъемность. |
| 5-310 ЕТ8Ш2 | Сепаратор из текстолита.. Нормы шумности. Специальный режим термообработки деталей подшипника. |
| 5-310 ЕТ8Ш3 | Сепаратор из текстолита.. Нормы шумности. Специальный режим термообработки деталей подшипника. |
| 5-310 ЕШ2 | Сепаратор из текстолита.. Нормы шумности. |
| 5-310 ЕШ3 | Сепаратор из текстолита.. Нормы шумности. |
Модификации шарикового подшипника 310-А — это измененное основное конструктивное исполнение 310, основные размеры (50x110x27) не отличаются.
| Обозначение | Гост | Конструктивные особенности |
|---|---|---|
| 6310 | ISO | Шариковый радиальный однорядный подшипник. |
| 6310NREE | ISO | Канавка и стопорное кольцо на наружном кольце. Контактные уплотнения с двух сторон. |
| 6310FT150ZZ | ISO | Ассортимент TOPLINE для высокой температуры - Максимум 150 С° со стальными защитными пластинами с обеих сторон. |
| 6310NRZZ | ISO | Защитные пластины с двух сторон. Канавка и стопорное кольцо на наружном кольце. |
| AB42993S01 | ISO | Сферический наружный диаметр. |
| AB43000S01 | ISO | Сферический наружный диаметр. |
| 160310-АК | ГОСТ | Повышенная грузоподъемность. |
| 170310-ЕШ | ГОСТ | Сепаратор из текстолита.. Нормы шумности. |
| 170310Е | ГОСТ | Сепаратор из текстолита.. |
| 180310-А | ГОСТ | Повышенная грузоподъемность. |
| 180310-А1 | ГОСТ | Повышенная грузоподъемность. |
| 180310-АК | ГОСТ | Повышенная грузоподъемность. |
| 180310-АК2 | ГОСТ | Повышенная грузоподъемность. |
| 180310-АКС2 | ГОСТ | Смазка ЦИАТИМ-221. Повышенная грузоподъемность. |
| 180310-АС17 | ГОСТ | Смазка Литол-24. Повышенная грузоподъемность. |
| 180310-АС9 | ГОСТ | Повышенная грузоподъемность. Смазка ЛЗ-31. |
| 180310-АС9Ш1 | ГОСТ | Повышенная грузоподъемность. Нормы шумности. Смазка ЛЗ-31. |
| 270310-А | ГОСТ | Повышенная грузоподъемность. |
| 50310-А | ГОСТ | Повышенная грузоподъемность. |
| 50310-АW2 | ГОСТ | Детали из вакуумированной стали.. Повышенная грузоподъемность. |
| 50310-АК | ГОСТ | Повышенная грузоподъемность. |
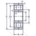
Аналог шарикового подшипника 310-А — это подшипник такого же размера dx50,Dx110,Bx27, типа и конструкции.
| Обозначение | Конструктивные особенности | Внутренний (d) | Наружный (D) | Ширина (B) |
|---|---|---|---|---|
| 42310M | Роликовый радиальный однорядный подшипник. Подшипник с латунным сепаратором. центрированный по телам качения. | 50.00 | 110.00 | 27.00 |
| 45-176310 ЕШ2 | Шариковый радиально-упорный однорядный подшипник. Сепаратор из текстолита.. Нормы шумности. | 50.00 | 110.00 | 27.00 |
| 46310-АЕ1 | Шариковый радиально-упорный однорядный подшипник. Сепаратор из текстолита.. Повышенная грузоподъемность. | 50.00 | 110.00 | 27.00 |
| 46310-АК | Шариковый радиально-упорный однорядный подшипник. Повышенная грузоподъемность. | 50.00 | 110.00 | 27.00 |
| 46310-АЛ | Шариковый радиально-упорный однорядный подшипник. Сепаратор из латуни.. Повышенная грузоподъемность. | 50.00 | 110.00 | 27.00 |
| 46310-Е | Шариковый радиально-упорный однорядный подшипник. Сепаратор из текстолита.. | 50.00 | 110.00 | 27.00 |
| 46310-Л | Шариковый радиально-упорный однорядный подшипник. Сепаратор из латуни.. | 50.00 | 110.00 | 27.00 |
| 46310К | Шариковый радиально-упорный однорядный подшипник. «Замок» (скос) на внутреннем кольце плюс массивный сепаратор из текстолита. | 50.00 | 110.00 | 27.00 |
| 46310Л1 | Шариковый радиально-упорный однорядный подшипник. Сепаратор из латуни.. | 50.00 | 110.00 | 27.00 |
| 5-32310 Р | Роликовый радиальный однорядный подшипник. Детали из теплоустойчивой (быстрорежущие) стали.. | 50.00 | 110.00 | 27.00 |
| 5-46310 АЛ | Шариковый радиально-упорный однорядный подшипник. Сепаратор из латуни.. Повышенная грузоподъемность. | 50.00 | 110.00 | 27.00 |
| 5-46310 Л | Шариковый радиально-упорный однорядный подшипник. Сепаратор из латуни.. | 50.00 | 110.00 | 27.00 |
| 6-102310 М | Роликовый радиальный однорядный подшипник. Модифицированный контакт.. | 50.00 | 110.00 | 27.00 |
| 6-12310 КМ | Роликовый радиальный однорядный подшипник. Кольцевая проточка на середине цилиндрической наружной поверхности наружного кольца плюс три отверстия для смазки. Модифицированный контакт.. | 50.00 | 110.00 | 27.00 |
| 6-1310 Л | Шариковый радиальный двухрядный подшипник. Сепаратор из латуни.. | 50.00 | 110.00 | 27.00 |
Способы доставки
Отправка через ведущие транспортные и курьерские компании: ПЭК, Деловые Линии, СДЭК, Байкал-Сервис, Энергия, КИТ, ЖелДорЭкспедиция.
Самовывоз возможен напрямую со склада в Москве.
Сроки доставки
Срок зависит от региона и выбранной транспортной компании. Все заказы комплектуются и отправляются в кратчайшие сроки со склада в Москве.
Надёжность и сохранность
Вся продукция упаковывается с учётом требований транспортировки. Мы гарантируем, что подшипники и комплектующие прибудут к заказчику в полной сохранности.
Доставка в страны ЕАЭС
Мы работаем с проверенными логистическими партнёрами, что позволяет оперативно доставлять заказы в Беларусь, Казахстан, Армению и другие страны ЕАЭС.
Варианты оплаты:
Минимальная сумма заказа и скидки:
Документы и гарантии:
Да, конечно! Наши технические специалисты готовы помочь вам с подбором точного аналога или замены подшипника. Просто позвоните нам по телефону +7 (495) 104-99-04 или напишите на почту zakaz@podsnab.ru.
Для оперативной консультации подготовьте, пожалуйста, имеющиеся данные: маркировку, размеры, тип оборудования или артикул старого подшипника.
Да, конечно! Мы высоко ценим долгосрочное сотрудничество и доверие клиентов по всей России. Для постоянных клиентов действует персональная система скидок.
Условия формируются индивидуально и зависят от:
Чтобы узнать свои условия и получить максимально выгодное предложение, свяжитесь с персональным менеджером или напишите нам на почту zakaz@podsnab.ru.
Вы можете оформить заказ несколькими способами:
Для оформления заказа от юридического лица свяжитесь с нашим отделом по работе с корпоративными клиентами по телефону +7 (495) 104-99-04 или напишите на email zakaz@podsnab.ru, прикрепив реквизиты вашей организации.
Мы оперативно подготовим коммерческое предложение и выставим счет.
Возврат товара надлежащего качества возможен в течение 10 дней с момента получения, если товар не был в употреблении, сохранен товарный вид, упаковка не вскрывалась и присутствуют все сопроводительные документы.
Возврат денежных средств осуществляется в течение 10 рабочих дней после проверки товара складом.
В соответствии с законодательством возврату не подлежат подшипники надлежащего качества, если отсутствует оригинальная упаковка или имеются следы монтажа.
В случае выявления брака или гарантийного случая мы гарантируем возврат или обмен товара.
Да, гарантийный срок хранения устанавливается заводом-изготовителем и в среднем составляет 2 года при соблюдении условий хранения: сухое помещение, оригинальная упаковка и смазка.
Точный срок для конкретного типа подшипника уточняйте у наших менеджеров.
Пн–Пт: с 8:00 до 17:00 (МСК).
Сб–Вс: выходные дни.
Заказы на сайте принимаются круглосуточно. Заявки, поступившие после окончания рабочего дня, обрабатываются на следующий рабочий день.
Минимальная сумма заказа для доставки составляет 3000 рублей. Самовывоз со склада возможен на любую сумму при наличии товара.
ООО «УралТехГрупп»
ИНН: 7415093830
КПП: 772401001
ОГРН: 1167456069021
Банк: ПАО Сбербанк
Р/с: 40702810838000475273
К/с: 30101810400000000225
БИК: 044525225
У подшипника 310-А пока нет отзывов. Вы можете стать первым покупателем, поделившимся своим мнением.