Поиск подшипника
Статьи
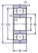
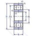
315-Ш1 — Шариковый радиальный однорядный подшипник, модификация основного исполнения 315, производство ГПЗ.
Размер подшипника: 75x160x37 мм.
Нормы шумности.
Государственный стандарт ГОСТ
315Ш1
В наличии
| Обозначение | Конструктивные изменения |
|---|---|
| 66-315 АШ1 | Повышенная грузоподъемность. Нормы шумности. |
| 75-315 АШ2 | Нормы шумности. Повышенная грузоподъемность. |
| 76-315 АЛШ1 | Сепаратор из латуни.. Повышенная грузоподъемность. Нормы шумности. |
| 76-315 АШ1 | Повышенная грузоподъемность. Нормы шумности. |
| 76-315 АШ2У | Дополнительные технические требования. Нормы шумности. Повышенная грузоподъемность. |
| 76-315 АШ | Повышенная грузоподъемность. Нормы шумности. |
| 76-315 Ш | Нормы шумности. |
| 96-315 АШ1 | Повышенная грузоподъемность. Нормы шумности. |
| 70-315 А | Повышенная грузоподъемность. |
| 70-315 Ш | Нормы шумности. |
| 70-315 Ш2У | Дополнительные технические требования. Нормы шумности. |
| 74-315 Е1УШ8 | Сепаратор из текстолита.. Дополнительные технические требования. Нормы шумности. |
| 75-315 ЕШ2 | Сепаратор из текстолита.. Нормы шумности. |
| 76-315 Е | Сепаратор из текстолита.. |
| 76-315 ЕШ2У | Сепаратор из текстолита.. Дополнительные технические требования. Нормы шумности. |
| 76-315 Ш2У | Дополнительные технические требования. Нормы шумности. |
| 2В0-315 А | Повышенная грузоподъемность. |
| 2В70-315 А | Повышенная грузоподъемность. |
| 2В80-315 А | Повышенная грузоподъемность. |
| 315-А | Повышенная грузоподъемность. |
| 315-АЕ1 | Сепаратор из текстолита.. Повышенная грузоподъемность. |
| 315-Е | Сепаратор из текстолита.. |
| 315-К5 | Повышенная грузоподъемность. |
| 315-Ш | Нормы шумности. |
| 315-Ш2У | Дополнительные технические требования. Нормы шумности. |
Модификации шарикового подшипника 315-Ш1 — это измененное основное конструктивное исполнение 315, основные размеры (75x160x37) не отличаются.
| Обозначение | Гост | Конструктивные особенности |
|---|---|---|
| 6315-2Z-N | ISO | Защитные металлические шайбы с обеих сторон подшипника. Канавка под стопорное кольцо на внешнем кольце. |
| 70-50315 А | ГОСТ | Повышенная грузоподъемность. |
| 710315-АТ2 | ГОСТ | 200°. Температура отпуска. Повышенная грузоподъемность. |
| 74-170315 Е1УШ8 | ГОСТ | Сепаратор из текстолита.. Дополнительные технические требования. Нормы шумности. |
| 74-170315 Е1Ш6 | ГОСТ | Сепаратор из текстолита.. Нормы шумности. |
| 74-170315 Е1Ш8 | ГОСТ | Сепаратор из текстолита.. Нормы шумности. |
| 74-170315 ЕШ6 | ГОСТ | Сепаратор из текстолита.. Нормы шумности. |
| 75-170315 Е | ГОСТ | Сепаратор из текстолита.. |
| 75-170315 Е1Ш2 | ГОСТ | Сепаратор из текстолита.. Нормы шумности. |
| 75-170315 Е1Ш3 | ГОСТ | Сепаратор из текстолита.. Нормы шумности. |
| 75-170315 ЕШ2 | ГОСТ | Сепаратор из текстолита.. Нормы шумности. |
| 75-170315 ЕШ3 | ГОСТ | Сепаратор из текстолита.. Нормы шумности. |
| 6315LLUNR | ISO | Канавка и стопорное кольцо на наружном кольце. Двухкромочное нитриловое контактное уплотнение. |
| 6315LU | ISO | Двухкромочное нитриловое контактное уплотнение. |
| 6315LB | ISO | Бесконтактное нитриловое уплотнение. |
| 6315LLB | ISO | Уплотнение бесконтактного типа из синтетического каучука. |
| 170315-АЕ1 | ГОСТ | Сепаратор из текстолита.. Повышенная грузоподъемность. |
| 180315-А | ГОСТ | Повышенная грузоподъемность. |
| 2В0-50315 А | ГОСТ | Повышенная грузоподъемность. |
| 50315-А | ГОСТ | Повышенная грузоподъемность. |
Аналог шарикового подшипника 315-Ш1 — это подшипник такого же размера dx75,Dx160,Bx37, типа и конструкции.
| Обозначение | Конструктивные особенности | Внутренний (d) | Наружный (D) | Ширина (B) |
|---|---|---|---|---|
| 70-32315 ЛМ | Роликовый радиальный однорядный подшипник. Сепаратор из латуни.. Модифицированный контакт.. | 75.00 | 160.00 | 37.00 |
| 70-32315 М | Роликовый радиальный однорядный подшипник. Модифицированный контакт.. | 75.00 | 160.00 | 37.00 |
| 70-42315 К3М | Роликовый радиальный однорядный подшипник. Модифицированный контакт.. | 75.00 | 160.00 | 37.00 |
| 7315A | Роликовый радиальный-упорный однорядный подшипник. Двухрядный радиально-упорный шарикоподшипник без отверстия для смазки. | 75.00 | 160.00 | 37.00 |
| 1315 K + H 315 | Шариковый сферический двухрядный подшипник. Коническое внутреннее отверстие. Pressed Snap-Type Steel Cage. Hardened. 75mm. | 75.00 | 160.00 | 37.00 |
| 42315-К1М | Роликовый радиальный однорядный подшипник. Кольцевая проточка на середине цилиндрической наружной поверхности наружного кольца плюс три отверстия для смазки. Модифицированный контакт.. | 75.00 | 160.00 | 37.00 |
| 42315-К3М | Роликовый радиальный однорядный подшипник. Кольцевая проточка на середине цилиндрической наружной поверхности наружного кольца плюс три отверстия для смазки. Модифицированный контакт.. | 75.00 | 160.00 | 37.00 |
| 42315-КМ | Роликовый радиальный однорядный подшипник. Кольцевая проточка на середине цилиндрической наружной поверхности наружного кольца плюс три отверстия для смазки. Модифицированный контакт.. | 75.00 | 160.00 | 37.00 |
| 42315-Л | Роликовый радиальный однорядный подшипник. Сепаратор из латуни.. | 75.00 | 160.00 | 37.00 |
| 42315-ЛМ | Роликовый радиальный однорядный подшипник. Сепаратор из латуни.. Модифицированный контакт.. | 75.00 | 160.00 | 37.00 |
| 42315-М | Роликовый радиальный однорядный подшипник. Модифицированный контакт.. | 75.00 | 160.00 | 37.00 |
| 42315KM | Роликовый радиальный однорядный подшипник. Type Of Model. | 75.00 | 160.00 | 37.00 |
| 46315-E | Шариковый радиально-упорный однорядный подшипник. Повышенная грузоподъемность. | 75.00 | 160.00 | 37.00 |
| 46315-Л | Шариковый радиально-упорный однорядный подшипник. Сепаратор из латуни.. | 75.00 | 160.00 | 37.00 |
| 46315К | Шариковый радиально-упорный однорядный подшипник. «Замок» (скос) на внутреннем кольце плюс массивный сепаратор из текстолита. | 75.00 | 160.00 | 37.00 |
Способы доставки
Отправка через ведущие транспортные и курьерские компании: ПЭК, Деловые Линии, СДЭК, Байкал-Сервис, Энергия, КИТ, ЖелДорЭкспедиция.
Самовывоз возможен напрямую со склада в Москве.
Сроки доставки
Срок зависит от региона и выбранной транспортной компании. Все заказы комплектуются и отправляются в кратчайшие сроки со склада в Москве.
Надёжность и сохранность
Вся продукция упаковывается с учётом требований транспортировки. Мы гарантируем, что подшипники и комплектующие прибудут к заказчику в полной сохранности.
Доставка в страны ЕАЭС
Мы работаем с проверенными логистическими партнёрами, что позволяет оперативно доставлять заказы в Беларусь, Казахстан, Армению и другие страны ЕАЭС.
Варианты оплаты:
Минимальная сумма заказа и скидки:
Документы и гарантии:
Да, конечно! Наши технические специалисты готовы помочь вам с подбором точного аналога или замены подшипника. Просто позвоните нам по телефону +7 (495) 104-99-04 или напишите на почту zakaz@podsnab.ru.
Для оперативной консультации подготовьте, пожалуйста, имеющиеся данные: маркировку, размеры, тип оборудования или артикул старого подшипника.
Да, конечно! Мы высоко ценим долгосрочное сотрудничество и доверие клиентов по всей России. Для постоянных клиентов действует персональная система скидок.
Условия формируются индивидуально и зависят от:
Чтобы узнать свои условия и получить максимально выгодное предложение, свяжитесь с персональным менеджером или напишите нам на почту zakaz@podsnab.ru.
Вы можете оформить заказ несколькими способами:
Для оформления заказа от юридического лица свяжитесь с нашим отделом по работе с корпоративными клиентами по телефону +7 (495) 104-99-04 или напишите на email zakaz@podsnab.ru, прикрепив реквизиты вашей организации.
Мы оперативно подготовим коммерческое предложение и выставим счет.
Возврат товара надлежащего качества возможен в течение 10 дней с момента получения, если товар не был в употреблении, сохранен товарный вид, упаковка не вскрывалась и присутствуют все сопроводительные документы.
Возврат денежных средств осуществляется в течение 10 рабочих дней после проверки товара складом.
В соответствии с законодательством возврату не подлежат подшипники надлежащего качества, если отсутствует оригинальная упаковка или имеются следы монтажа.
В случае выявления брака или гарантийного случая мы гарантируем возврат или обмен товара.
Да, гарантийный срок хранения устанавливается заводом-изготовителем и в среднем составляет 2 года при соблюдении условий хранения: сухое помещение, оригинальная упаковка и смазка.
Точный срок для конкретного типа подшипника уточняйте у наших менеджеров.
Пн–Пт: с 8:00 до 17:00 (МСК).
Сб–Вс: выходные дни.
Заказы на сайте принимаются круглосуточно. Заявки, поступившие после окончания рабочего дня, обрабатываются на следующий рабочий день.
Минимальная сумма заказа для доставки составляет 3000 рублей. Самовывоз со склада возможен на любую сумму при наличии товара.
ООО «УралТехГрупп»
ИНН: 7415093830
КПП: 772401001
ОГРН: 1167456069021
Банк: ПАО Сбербанк
Р/с: 40702810838000475273
К/с: 30101810400000000225
БИК: 044525225
У подшипника 315-Ш1 пока нет отзывов. Вы можете стать первым покупателем, поделившимся своим мнением.