Поиск подшипника
Статьи
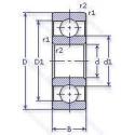
325-1000094 — Шариковый радиальный однорядный подшипник, модификация основного исполнения 325, производство ГПЗ.
Размер подшипника: 4x11x4 мм.
Аналоги: 694P5C2.
Государственный стандарт ГОСТ
3251000094
В наличии
| Обозначение | Конструктивные изменения |
|---|---|
| 325-18 | Шариковый радиальный однорядный подшипник. |
| 325-1000091-ЮТ | Температура отпуска. 160°. Все детали или часть деталей из нержавеющей стали.. |
| 325-2000083 | Шариковый радиальный однорядный подшипник. |
| 325-23-ЮТ | Температура отпуска. 160°. Все детали или часть деталей из нержавеющей стали.. |
| 325-24-Т | Температура отпуска. 160°. |
| 325-24-ЮТ | Температура отпуска. 160°. Все детали или часть деталей из нержавеющей стали.. |
| 325-25-Т2 | 200°. Температура отпуска. |
Модификации шарикового подшипника 325-1000094 — это измененное основное конструктивное исполнение 325, основные размеры (4x11x4) не отличаются.
| Обозначение | Гост | Конструктивные особенности |
|---|---|---|
| 5-23 Ю2Т | ГОСТ | Температура отпуска. 160°. Все детали или часть деталей из нержавеющей стали.. |
| 5-23 Ю2ТП | ГОСТ | Температура отпуска. 160°. Все детали или часть деталей из нержавеющей стали.. |
| 5-23 Ю7 | ГОСТ | Все детали или часть деталей из нержавеющей стали.. |
| 5-23 ЮТ | ГОСТ | Температура отпуска. 160°. Все детали или часть деталей из нержавеющей стали.. |
| 5-640014 К | ГОСТ | «Замок» (скос) на внутреннем кольце плюс массивный сепаратор из текстолита. |
| 5-740063 К | ГОСТ | «Замок» (скос) на внутреннем кольце плюс массивный сепаратор из текстолита. |
| 5-80023 К1С21 | ГОСТ | «Замок» (скос) на внутреннем кольце плюс массивный сепаратор из текстолита. Смазка ЭРА. |
| 5-80023 К1ЮТС20 | ГОСТ | «Замок» (скос) на внутреннем кольце плюс массивный сепаратор из текстолита. Температура отпуска. 160°. Все детали или часть деталей из нержавеющей стали.. Смазка ВНИИНП-274. |
| 5-80023 К1ЮТС21 | ГОСТ | «Замок» (скос) на внутреннем кольце плюс массивный сепаратор из текстолита. Температура отпуска. 160°. Смазка ЭРА. Все детали или часть деталей из нержавеющей стали.. |
| 5-80023 КЮТС20 | ГОСТ | Температура отпуска. 160°. Все детали или часть деталей из нержавеющей стали.. Смазка ВНИИНП-274. |
| 5-80023 С21 | ГОСТ | Смазка ЭРА. |
| 5-80023 ЮТ | ГОСТ | Температура отпуска. 160°. Все детали или часть деталей из нержавеющей стали.. |
| 5-80023 ЮТС2 | ГОСТ | Температура отпуска. 160°. Все детали или часть деталей из нержавеющей стали.. Смазка ЦИАТИМ-221. |
| 5-80023 ЮТС20 | ГОСТ | Температура отпуска. 160°. Все детали или часть деталей из нержавеющей стали.. Смазка ВНИИНП-274. |
| 5М5-23 У | ГОСТ | Дополнительные технические требования. |
| 5М5-23 У2 | ГОСТ | Дополнительные технические требования. |
| 6-1000085 Ю | ГОСТ | Все детали или часть деталей из нержавеющей стали.. |
| 6-1000085 ЮТ | ГОСТ | Температура отпуска. 160°. Все детали или часть деталей из нержавеющей стали.. |
| 6-1000094 ЮТ | ГОСТ | Температура отпуска. 160°. Все детали или часть деталей из нержавеющей стали.. |
| 6-1000094 ЮТП | ГОСТ | Температура отпуска. 160°. Все детали или часть деталей из нержавеющей стали.. |
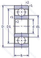
Аналог шарикового подшипника 325-1000094 — это подшипник такого же размера dx4,Dx11,Bx4, типа и конструкции.
| Обозначение | Конструктивные особенности | Внутренний (d) | Наружный (D) | Ширина (B) |
|---|---|---|---|---|
| 6-23 Р1 | Шариковый радиальный подшипник. Детали из теплоустойчивой (быстрорежущие) стали.. | 3.00 | 10.00 | 4.00 |
| 6-23 Р2 | Шариковый радиальный подшипник. Детали из теплоустойчивой (быстрорежущие) стали.. | 3.00 | 10.00 | 4.00 |
| 6-23 Ю2Т | Шариковый радиальный подшипник. Температура отпуска. 160°. Все детали или часть деталей из нержавеющей стали.. | 3.00 | 10.00 | 4.00 |
| 6023-Е | Шариковый радиально-упорный однорядный подшипник. Сепаратор из текстолита.. | 3.00 | 10.00 | 4.00 |
| 6023-Л | Шариковый радиально-упорный однорядный подшипник. Сепаратор из латуни.. | 3.00 | 10.00 | 4.00 |
| 6023-ЮУТ | Шариковый радиально-упорный однорядный подшипник. Дополнительные технические требования. Температура отпуска. 160°. Все детали или часть деталей из нержавеющей стали.. | 3.00 | 10.00 | 4.00 |
| ШСП4 | Шарнирный подшипник. С отверстиями и канавками для смазки во внутреннем кольце. | 4.00 | 12.00 | 3.00 |
| ШСП4К | Шарнирный подшипник. Канавка и отверстие для смазки на внутреннем и наружном кольцах.. С отверстиями и канавками для смазки во внутреннем кольце. | 4.00 | 12.00 | 3.00 |
| 1-ШП4 | Шарнирный подшипник. Без отверстий и канавок для смазки. | 4.00 | 12.00 | 5.00 |
| MBG3CR | Шарнирный подшипник. (TB-Segment) Phenolic (Composition) Fafnir Standard. | 3.00 | 10.00 | 5.00 |
| MBT3V | Шарнирный подшипник. Подшипник без сепаратора. С полным комплектом тел качения. | 3.00 | 10.00 | 5.00 |
| 1-ШП4И | Шарнирный подшипник. Поверхность скольжения покрыта дисульфидом молибдена.. Без отверстий и канавок для смазки. | 4.00 | 12.00 | 5.00 |
| 5-1006094 Е | Шариковый радиально-упорный однорядный подшипник. Сепаратор из текстолита.. | 4.00 | 11.00 | 4.00 |
| 5-1006094 Ю1Т | Шариковый радиально-упорный однорядный подшипник. Температура отпуска. 160°. Все детали или часть деталей из нержавеющей стали.. | 4.00 | 11.00 | 4.00 |
| 5-8074 Л | Шариковый упорный однорядный подшипник. Сепаратор из латуни.. | 4.00 | 10.00 | 4.00 |
Способы доставки
Отправка через ведущие транспортные и курьерские компании: ПЭК, Деловые Линии, СДЭК, Байкал-Сервис, Энергия, КИТ, ЖелДорЭкспедиция.
Самовывоз возможен напрямую со склада в Москве.
Сроки доставки
Срок зависит от региона и выбранной транспортной компании. Все заказы комплектуются и отправляются в кратчайшие сроки со склада в Москве.
Надёжность и сохранность
Вся продукция упаковывается с учётом требований транспортировки. Мы гарантируем, что подшипники и комплектующие прибудут к заказчику в полной сохранности.
Доставка в страны ЕАЭС
Мы работаем с проверенными логистическими партнёрами, что позволяет оперативно доставлять заказы в Беларусь, Казахстан, Армению и другие страны ЕАЭС.
Варианты оплаты:
Минимальная сумма заказа и скидки:
Документы и гарантии:
Да, конечно! Наши технические специалисты готовы помочь вам с подбором точного аналога или замены подшипника. Просто позвоните нам по телефону +7 (495) 104-99-04 или напишите на почту zakaz@podsnab.ru.
Для оперативной консультации подготовьте, пожалуйста, имеющиеся данные: маркировку, размеры, тип оборудования или артикул старого подшипника.
Да, конечно! Мы высоко ценим долгосрочное сотрудничество и доверие клиентов по всей России. Для постоянных клиентов действует персональная система скидок.
Условия формируются индивидуально и зависят от:
Чтобы узнать свои условия и получить максимально выгодное предложение, свяжитесь с персональным менеджером или напишите нам на почту zakaz@podsnab.ru.
Вы можете оформить заказ несколькими способами:
Для оформления заказа от юридического лица свяжитесь с нашим отделом по работе с корпоративными клиентами по телефону +7 (495) 104-99-04 или напишите на email zakaz@podsnab.ru, прикрепив реквизиты вашей организации.
Мы оперативно подготовим коммерческое предложение и выставим счет.
Возврат товара надлежащего качества возможен в течение 10 дней с момента получения, если товар не был в употреблении, сохранен товарный вид, упаковка не вскрывалась и присутствуют все сопроводительные документы.
Возврат денежных средств осуществляется в течение 10 рабочих дней после проверки товара складом.
В соответствии с законодательством возврату не подлежат подшипники надлежащего качества, если отсутствует оригинальная упаковка или имеются следы монтажа.
В случае выявления брака или гарантийного случая мы гарантируем возврат или обмен товара.
Да, гарантийный срок хранения устанавливается заводом-изготовителем и в среднем составляет 2 года при соблюдении условий хранения: сухое помещение, оригинальная упаковка и смазка.
Точный срок для конкретного типа подшипника уточняйте у наших менеджеров.
Пн–Пт: с 8:00 до 17:00 (МСК).
Сб–Вс: выходные дни.
Заказы на сайте принимаются круглосуточно. Заявки, поступившие после окончания рабочего дня, обрабатываются на следующий рабочий день.
Минимальная сумма заказа для доставки составляет 3000 рублей. Самовывоз со склада возможен на любую сумму при наличии товара.
ООО «УралТехГрупп»
ИНН: 7415093830
КПП: 772401001
ОГРН: 1167456069021
Банк: ПАО Сбербанк
Р/с: 40702810838000475273
К/с: 30101810400000000225
БИК: 044525225
У подшипника 325-1000094 пока нет отзывов. Вы можете стать первым покупателем, поделившимся своим мнением.