Поиск подшипника
Статьи
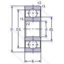
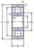
35-218 Ю — Шариковый радиальный однорядный подшипник, модификация основного исполнения 218, производство ГПЗ.
Размер подшипника: 90x160x30 мм.
Все детали или часть деталей из нержавеющей стали.
Государственный стандарт ГОСТ
35218Ю
В наличии
| Обозначение | Конструктивные изменения |
|---|---|
| 6-218 АШ | Повышенная грузоподъемность. Нормы шумности. |
| 6-218 А | Повышенная грузоподъемность. |
| 6-218 Л | Сепаратор из латуни.. |
| 6-218 У | Дополнительные технические требования. |
| 6-218 Ю | Все детали или часть деталей из нержавеющей стали.. |
| 70-218 А | Повышенная грузоподъемность. |
| 75-218 Е | Сепаратор из текстолита.. |
| 75-218 ЕШ2 | Сепаратор из текстолита.. Нормы шумности. |
| 75-218 Л | Сепаратор из латуни.. |
| 218-А | Повышенная грузоподъемность. |
| 218-Е | Сепаратор из текстолита.. |
| 218-Л | Сепаратор из латуни.. |
| 218-Л1 | Сепаратор из латуни.. |
| 218-У | Дополнительные технические требования. |
| 25-218 ЕШ2 | Сепаратор из текстолита.. Нормы шумности. |
| 2В0-218 А | Повышенная грузоподъемность. |
| 2В70-218 А | Повышенная грузоподъемность. |
| 35-218 Ю4 | Все детали или часть деталей из нержавеющей стали.. |
| 35-218 Ю5 | Все детали или часть деталей из нержавеющей стали.. |
| 35-218 Ю5П | Все детали или часть деталей из нержавеющей стали.. |
| 35-218 ЮП | Все детали или часть деталей из нержавеющей стали.. |
| 36-218 Т | Температура отпуска. 160°. |
| 36-218 Ю | Все детали или часть деталей из нержавеющей стали.. |
| 46-218 ЛТ | Сепаратор из латуни.. Температура отпуска. 160°. |
| 5-218 Е | Сепаратор из текстолита.. |
Модификации шарикового подшипника 35-218 Ю — это измененное основное конструктивное исполнение 218, основные размеры (90x160x30) не отличаются.
| Обозначение | Гост | Конструктивные особенности |
|---|---|---|
| 76-80218 АК1W24Ш | ГОСТ | Повышенная грузоподъемность. Нормы шумности. Смазка пластичная Shell Alvania Greases G2. |
| M6218ZZX | ISO | Шарикоподшипник максимальной грузоподъемности. |
| M6218 | ISO | Шарикоподшипник максимальной грузоподъемности. |
| 6218-2RU | ISO | Non Contact Type Friction Torque = Small High Speed Performance = Good Grease Sealing = Better Than ZZ-Type Dirt Resistance = Better Than ZZ-Type Water Resistance = Better Than ZZ / Inferior To 2RS Operating Temp. -30°C To + 100°C. |
| 6218-2NK | ISO | Double Labyrinth Seal (Non Contact). |
| 6218NK | ISO | One Labyrinth Seal (Non Contact). |
| 6218NSL | ISO | Резиновое уплотнение с одной стороны. |
| 6218-2Z-N | ISO | Защитные металлические шайбы с обеих сторон подшипника. Канавка под стопорное кольцо на внешнем кольце. |
| 6218-Z-N | ISO | щит из листовой прессованной стали с одной стороны подшипника. Канавка под стопорное кольцо на внешнем кольце. |
| 6218VV | ISO | Защитные металлические шайбы. с обеих сторон подшипника. Бесконтактное уплотнение. (лучше. чем ZZ. Можно использовать в умеренно запыленной среде). |
| 6218ZZNR | ISO | Стальная шайба. Канавка и стопорное кольцо на наружном кольце. |
| 6218LB | ISO | Бесконтактное нитриловое уплотнение. |
| 6218LLB | ISO | Уплотнение бесконтактного типа из синтетического каучука. |
| 6218LU | ISO | Двухкромочное нитриловое контактное уплотнение. |
| S6218-2RS | ISO | Резиновые уплотнения с каждой стороны подшипника. |
| 2В0-50218 А | ГОСТ | Повышенная грузоподъемность. |
| 2В0-80218 АС17 | ГОСТ | Смазка Литол-24. Повышенная грузоподъемность. |
| 2В70-710218 Т5 | ГОСТ | 350°. Температура отпуска. |
| 2ВО-80218 АС17 | ГОСТ | Смазка Литол-24. Повышенная грузоподъемность. |
| 50218-А | ГОСТ | Повышенная грузоподъемность. |
Аналог шарикового подшипника 35-218 Ю — это подшипник такого же размера dx90,Dx160,Bx30, типа и конструкции.
| Обозначение | Конструктивные особенности | Внутренний (d) | Наружный (D) | Ширина (B) |
|---|---|---|---|---|
| 42218-Л1 | Роликовый радиальный однорядный подшипник. Сепаратор из латуни.. | 90.00 | 160.00 | 30.00 |
| 46218-Е | Шариковый радиально-упорный однорядный подшипник. Сепаратор из текстолита.. | 90.00 | 160.00 | 30.00 |
| 46218-Л | Шариковый радиально-упорный однорядный подшипник. Сепаратор из латуни.. | 90.00 | 160.00 | 30.00 |
| 46218К | Шариковый радиально-упорный однорядный подшипник. «Замок» (скос) на внутреннем кольце плюс массивный сепаратор из текстолита. | 90.00 | 160.00 | 30.00 |
| 5-176218 Б | Шариковый радиально-упорный однорядный подшипник. Сепаратор из безоловянистой бронзы.. | 90.00 | 160.00 | 30.00 |
| 5-176218 Л | Шариковый радиально-упорный однорядный подшипник. Сепаратор из латуни.. | 90.00 | 160.00 | 30.00 |
| 5-32218 Б1Т | Роликовый радиальный однорядный подшипник. Температура отпуска. 160°. Сепаратор из безоловянистой бронзы.. | 90.00 | 160.00 | 30.00 |
| 5-32218 БТ | Роликовый радиальный однорядный подшипник. Температура отпуска. 160°. Сепаратор из безоловянистой бронзы.. | 90.00 | 160.00 | 30.00 |
| 5-32218 Д1Т1 | Роликовый радиальный однорядный подшипник. 180°. Сепаратор из алюминиевого сплава.. Температура отпуска. | 90.00 | 160.00 | 30.00 |
| 5-36218 Е | Шариковый радиально-упорный однорядный подшипник. Сепаратор из текстолита.. | 90.00 | 160.00 | 30.00 |
| 5-36218 Л | Шариковый радиально-упорный однорядный подшипник. Сепаратор из латуни.. | 90.00 | 160.00 | 30.00 |
| 5-46218 Л | Шариковый радиально-упорный однорядный подшипник. Сепаратор из латуни.. | 90.00 | 160.00 | 30.00 |
| 56-672518 Д2Т2 | Роликовый радиальный цилиндрический однорядный подшипник. 200°. Температура отпуска. Сепаратор из алюминиевого сплава.. | 90.00 | 160.00 | 30.00 |
| 6-176218 Б | Шариковый радиально-упорный однорядный подшипник. Сепаратор из безоловянистой бронзы.. | 90.00 | 160.00 | 30.00 |
| 6-176218 Б3 | Шариковый радиально-упорный однорядный подшипник. Сепаратор из безоловянистой бронзы.. | 90.00 | 160.00 | 30.00 |
Способы доставки
Отправка через ведущие транспортные и курьерские компании: ПЭК, Деловые Линии, СДЭК, Байкал-Сервис, Энергия, КИТ, ЖелДорЭкспедиция.
Самовывоз возможен напрямую со склада в Москве.
Сроки доставки
Срок зависит от региона и выбранной транспортной компании. Все заказы комплектуются и отправляются в кратчайшие сроки со склада в Москве.
Надёжность и сохранность
Вся продукция упаковывается с учётом требований транспортировки. Мы гарантируем, что подшипники и комплектующие прибудут к заказчику в полной сохранности.
Доставка в страны ЕАЭС
Мы работаем с проверенными логистическими партнёрами, что позволяет оперативно доставлять заказы в Беларусь, Казахстан, Армению и другие страны ЕАЭС.
Варианты оплаты:
Минимальная сумма заказа и скидки:
Документы и гарантии:
Да, конечно! Наши технические специалисты готовы помочь вам с подбором точного аналога или замены подшипника. Просто позвоните нам по телефону +7 (495) 104-99-04 или напишите на почту zakaz@podsnab.ru.
Для оперативной консультации подготовьте, пожалуйста, имеющиеся данные: маркировку, размеры, тип оборудования или артикул старого подшипника.
Да, конечно! Мы высоко ценим долгосрочное сотрудничество и доверие клиентов по всей России. Для постоянных клиентов действует персональная система скидок.
Условия формируются индивидуально и зависят от:
Чтобы узнать свои условия и получить максимально выгодное предложение, свяжитесь с персональным менеджером или напишите нам на почту zakaz@podsnab.ru.
Вы можете оформить заказ несколькими способами:
Для оформления заказа от юридического лица свяжитесь с нашим отделом по работе с корпоративными клиентами по телефону +7 (495) 104-99-04 или напишите на email zakaz@podsnab.ru, прикрепив реквизиты вашей организации.
Мы оперативно подготовим коммерческое предложение и выставим счет.
Возврат товара надлежащего качества возможен в течение 10 дней с момента получения, если товар не был в употреблении, сохранен товарный вид, упаковка не вскрывалась и присутствуют все сопроводительные документы.
Возврат денежных средств осуществляется в течение 10 рабочих дней после проверки товара складом.
В соответствии с законодательством возврату не подлежат подшипники надлежащего качества, если отсутствует оригинальная упаковка или имеются следы монтажа.
В случае выявления брака или гарантийного случая мы гарантируем возврат или обмен товара.
Да, гарантийный срок хранения устанавливается заводом-изготовителем и в среднем составляет 2 года при соблюдении условий хранения: сухое помещение, оригинальная упаковка и смазка.
Точный срок для конкретного типа подшипника уточняйте у наших менеджеров.
Пн–Пт: с 8:00 до 17:00 (МСК).
Сб–Вс: выходные дни.
Заказы на сайте принимаются круглосуточно. Заявки, поступившие после окончания рабочего дня, обрабатываются на следующий рабочий день.
Минимальная сумма заказа для доставки составляет 3000 рублей. Самовывоз со склада возможен на любую сумму при наличии товара.
ООО «УралТехГрупп»
ИНН: 7415093830
КПП: 772401001
ОГРН: 1167456069021
Банк: ПАО Сбербанк
Р/с: 40702810838000475273
К/с: 30101810400000000225
БИК: 044525225
У подшипника 35-218 Ю пока нет отзывов. Вы можете стать первым покупателем, поделившимся своим мнением.