Поиск подшипника
Статьи
35-403 Б — Шариковый радиальный однорядный подшипник, модификация основного исполнения 403, производство ГПЗ.
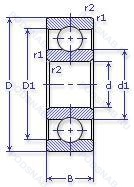
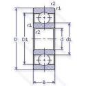
Размер подшипника: 17x62x17 мм.
Сепаратор из безоловянистой бронзы.
Государственный стандарт ГОСТ
35403Б
В наличии
| Обозначение | Конструктивные изменения |
|---|---|
| 2-403 ФР40КС21 | Смазка ЭРА. Детали из теплоустойчивой (быстрорежущие) стали.. |
| 6403 | Шариковый радиальный однорядный подшипник. |
| 403 | Шариковый радиальный однорядный подшипник. Основное конструктивное исполнение. |
| 403-А | Повышенная грузоподъемность. |
| 403-Б | Сепаратор из безоловянистой бронзы.. |
| 5-403 Б | Сепаратор из безоловянистой бронзы.. |
Модификации шарикового подшипника 35-403 Б — это измененное основное конструктивное исполнение 403, основные размеры (17x62x17) не отличаются.
| Обозначение | Гост | Конструктивные особенности |
|---|---|---|
| F18020 | ISO | Шариковый радиальный однорядный подшипник. |
| B17-126DDW | ISO | Подшипник со специальными размерами. |
| 6-970403 | ГОСТ | Шариковый радиальный однорядный подшипник. |
| SX0344LLUCS20/L417 | ISO | Механически обработанный сепаратор. Двухкромочное нитриловое контактное уплотнение. Grease/ Kyodo Yushi/E5 (-30 to +180°C). |
| B17-126D | ISO | Шариковый радиальный однорядный подшипник. |
| 10X.6305.F259B | ISO | Шариковый радиальный однорядный подшипник. |
| 970403 | ГОСТ | Шариковый радиальный однорядный подшипник. |
Аналог шарикового подшипника 35-403 Б — это подшипник такого же размера dx17,Dx62,Bx17, типа и конструкции.
| Обозначение | Конструктивные особенности | Внутренний (d) | Наружный (D) | Ширина (B) |
|---|---|---|---|---|
| 6403J C3 | Подшипник однорядный шариковый радиальный. Внутренний зазор больше нормального. Сепаратор из стали. | 17.00 | 62.00 | 17.00 |
| 6403ZZ AS2S | Подшипник однорядный шариковый радиальный. Стандартное заполнение. Защитные металлические шайбы с обеих сторон. 1/4 Full. Смазка Aeroshell 7. | 17.00 | 62.00 | 17.00 |
| 6403ZZ/2AS | Подшипник однорядный шариковый радиальный. Защитные металлические шайбы с обеих сторон. LUBRICANT. SHELL OIL CO.. ALVANIA #2 GREASE. MIL-G-18709A. | 17.00 | 62.00 | 17.00 |
| B17-126DDW C3E/MA7H | Подшипник однорядный шариковый радиальный. Двойное резиновые уплотнения со сверхлегким контактов. метрические радиальные шарикоподшипники малого диаметра. Внутренний зазор больше нормы. Класс электродвигателя. Смазка. устойчивая к давлению и вибрации. | 17.00 | 62.00 | 17.50 |
| 6403ZZ C3 GA2 | Подшипник однорядный шариковый радиальный. INTERNAL CLEARANCE LARGER THAN NORMAL.. 2Z (SKF)=Two Shields.. Смазка. Shell Oil Co. Alvania #2 Grease. | 17.00 | 62.00 | 17.00 |
| 546065.C3.L39 | Подшипник однорядный шариковый радиальный. Внутренний зазор больше нормального. | 17.00 | 62.00 | 17.55 |
| 1C | Подшипник однорядный шариковый радиальный. 15° Угол контакта. | 17.00 | 62.00 | 17.00 |
| 6403A C3 | Подшипник однорядный шариковый радиальный. Внутренний зазор больше нормального. Axial Clearance In Non-Standardized Range (Range In µm - e.g. 3210 A20-30). | 17.00 | 62.00 | 17.00 |
| 546065.C3.L14 | Подшипник однорядный шариковый радиальный. Внутренний зазор больше нормального. Смазка. | 17.00 | 62.00 | 17.55 |
| 6403EE | Подшипник однорядный шариковый радиальный. Резиновые уплотнения с каждой стороны подшипника. | 17.00 | 62.00 | 17.00 |
| B17-126DDW C3 | Подшипник однорядный шариковый радиальный. Внутренний зазор больше нормального. | 17.00 | 62.00 | 17.50 |
| 6403N | Подшипник однорядный шариковый радиальный. Канавка под стопорное кольцо на внешнем кольце. | 17.00 | 62.00 | 17.00 |
| 546065.C3 | Подшипник однорядный шариковый радиальный. Внутренний зазор больше нормального. | 17.00 | 62.00 | 17.55 |
| 6305/17-2RS1/C5 | Подшипник однорядный шариковый радиальный. Усиленные листовой сталью контактные уплотнения из акрилонитрил-бутадиенового каучука (NBR) с обеих сторон подшипника. Внутренний зазор подшипника больше. чем С4. 1.1/16. | 17.00 | 62.00 | 17.00 |
| SX0344LLU | Шариковый радиально-упорный однорядный подшипник. Контактное резиновое уплотнение с двух сторон. | 17.00 | 62.00 | 17.60 |
Способы доставки
Отправка через ведущие транспортные и курьерские компании: ПЭК, Деловые Линии, СДЭК, Байкал-Сервис, Энергия, КИТ, ЖелДорЭкспедиция.
Самовывоз возможен напрямую со склада в Москве.
Сроки доставки
Срок зависит от региона и выбранной транспортной компании. Все заказы комплектуются и отправляются в кратчайшие сроки со склада в Москве.
Надёжность и сохранность
Вся продукция упаковывается с учётом требований транспортировки. Мы гарантируем, что подшипники и комплектующие прибудут к заказчику в полной сохранности.
Доставка в страны ЕАЭС
Мы работаем с проверенными логистическими партнёрами, что позволяет оперативно доставлять заказы в Беларусь, Казахстан, Армению и другие страны ЕАЭС.
Варианты оплаты:
Минимальная сумма заказа и скидки:
Документы и гарантии:
Да, конечно! Наши технические специалисты готовы помочь вам с подбором точного аналога или замены подшипника. Просто позвоните нам по телефону +7 (495) 104-99-04 или напишите на почту zakaz@podsnab.ru.
Для оперативной консультации подготовьте, пожалуйста, имеющиеся данные: маркировку, размеры, тип оборудования или артикул старого подшипника.
Да, конечно! Мы высоко ценим долгосрочное сотрудничество и доверие клиентов по всей России. Для постоянных клиентов действует персональная система скидок.
Условия формируются индивидуально и зависят от:
Чтобы узнать свои условия и получить максимально выгодное предложение, свяжитесь с персональным менеджером или напишите нам на почту zakaz@podsnab.ru.
Вы можете оформить заказ несколькими способами:
Для оформления заказа от юридического лица свяжитесь с нашим отделом по работе с корпоративными клиентами по телефону +7 (495) 104-99-04 или напишите на email zakaz@podsnab.ru, прикрепив реквизиты вашей организации.
Мы оперативно подготовим коммерческое предложение и выставим счет.
Возврат товара надлежащего качества возможен в течение 10 дней с момента получения, если товар не был в употреблении, сохранен товарный вид, упаковка не вскрывалась и присутствуют все сопроводительные документы.
Возврат денежных средств осуществляется в течение 10 рабочих дней после проверки товара складом.
В соответствии с законодательством возврату не подлежат подшипники надлежащего качества, если отсутствует оригинальная упаковка или имеются следы монтажа.
В случае выявления брака или гарантийного случая мы гарантируем возврат или обмен товара.
Да, гарантийный срок хранения устанавливается заводом-изготовителем и в среднем составляет 2 года при соблюдении условий хранения: сухое помещение, оригинальная упаковка и смазка.
Точный срок для конкретного типа подшипника уточняйте у наших менеджеров.
Пн–Пт: с 8:00 до 17:00 (МСК).
Сб–Вс: выходные дни.
Заказы на сайте принимаются круглосуточно. Заявки, поступившие после окончания рабочего дня, обрабатываются на следующий рабочий день.
Минимальная сумма заказа для доставки составляет 3000 рублей. Самовывоз со склада возможен на любую сумму при наличии товара.
ООО «УралТехГрупп»
ИНН: 7415093830
КПП: 772401001
ОГРН: 1167456069021
Банк: ПАО Сбербанк
Р/с: 40702810838000475273
К/с: 30101810400000000225
БИК: 044525225
У подшипника 35-403 Б пока нет отзывов. Вы можете стать первым покупателем, поделившимся своим мнением.