Поиск подшипника
Статьи
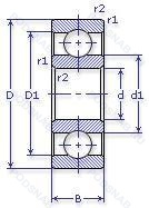
36-210 Ю7Т — Шариковый радиальный однорядный подшипник, модификация основного исполнения 210, производство ГПЗ.
Размер подшипника: 50x90x20 мм.
160°, все детали или часть деталей из нержавеющей стали, температура отпуска.
Государственный стандарт ГОСТ
36210Ю7Т
В наличии
| Обозначение | Конструктивные изменения |
|---|---|
| 70-210 АК | Повышенная грузоподъемность. |
| 75-210 Б1Т | Температура отпуска. 160°. Сепаратор из безоловянистой бронзы.. |
| 75-210 Б1Т2 | 200°. Температура отпуска. Сепаратор из безоловянистой бронзы.. |
| 75-210 БТ | Температура отпуска. 160°. Сепаратор из безоловянистой бронзы.. |
| 75-210 ЕШ2 | Сепаратор из текстолита.. Нормы шумности. |
| 75-210 Ю1Т | Температура отпуска. 160°. Все детали или часть деталей из нержавеющей стали.. |
| 76-210 Ш2У | Дополнительные технические требования. Нормы шумности. |
| 210-А | Повышенная грузоподъемность. |
| 210-АС3 | Повышенная грузоподъемность. Смазка ВНИИНП-210. |
| 210-К | «Замок» (скос) на внутреннем кольце плюс массивный сепаратор из текстолита. |
| 210-Ю | Все детали или часть деталей из нержавеющей стали.. |
| 210-Ю1 | Все детали или часть деталей из нержавеющей стали.. |
| 36-210 Ю | Все детали или часть деталей из нержавеющей стали.. |
| 36-210 Ю3 | Все детали или часть деталей из нержавеющей стали.. |
| 36-210 Ю7 | Все детали или часть деталей из нержавеющей стали.. |
| 36-210 Ю7П | Все детали или часть деталей из нержавеющей стали.. |
| 45-210 Б1Т | Температура отпуска. 160°. Сепаратор из безоловянистой бронзы.. |
| 46-210 Б1Т | Температура отпуска. 160°. Сепаратор из безоловянистой бронзы.. |
| 46-210 Б1ТП | Температура отпуска. 160°. Сепаратор из безоловянистой бронзы.. |
| 46-210 Ю2 | Все детали или часть деталей из нержавеющей стали.. |
| 46-210 Ю2П | Все детали или часть деталей из нержавеющей стали.. |
| 5-210 Б1Т | Температура отпуска. 160°. Сепаратор из безоловянистой бронзы.. |
| 5-210 Е | Сепаратор из текстолита.. |
| 5-210-К | Кольцевая проточка на середине цилиндрической наружной поверхности наружного кольца плюс три отверстия для смазки. |
| 5-210 Р | Детали из теплоустойчивой (быстрорежущие) стали.. |
Модификации шарикового подшипника 36-210 Ю7Т — это измененное основное конструктивное исполнение 210, основные размеры (50x90x20) не отличаются.
| Обозначение | Гост | Конструктивные особенности |
|---|---|---|
| 6210F605 | ISO | Ассортимент TOPLINE для очень высокой температуры - Максимум 350 C°. |
| 6210NRZZ | ISO | Защитные пластины с двух сторон. Канавка и стопорное кольцо на наружном кольце. |
| 6210NRZ | ISO | Защитная пластина с одной стороны. Канавка и стопорное кольцо на наружном кольце. |
| AB40763 | ISO | Однорядный радиально-упорный шариковый подшипник с полиамидным сепаратором. |
| AB44272S01 | ISO | Сферический наружный диаметр. |
| AB41700 | ISO | Однорядный радиально-упорный шариковый подшипник с полиамидным сепаратором. |
| CS210 | ISO | Сферический наружный диаметр. |
| CUS210-31 | ISO | 1.15/16. |
| S6210-2Z | ISO | Защитные металлические шайбы с обеих сторон подшипника. |
| 150210-А | ГОСТ | Повышенная грузоподъемность. |
| 150210-АК | ГОСТ | Повышенная грузоподъемность. |
| 180210-А | ГОСТ | Повышенная грузоподъемность. |
| 180210-АС17 | ГОСТ | Смазка Литол-24. Повышенная грузоподъемность. |
| 180210-С17 | ГОСТ | Смазка Литол-24. |
| 50210-A | ГОСТ | Двухрядный радиально-упорный шарикоподшипник без отверстия для смазки. |
| 50210-А | ГОСТ | Повышенная грузоподъемность. |
| 50210-АК | ГОСТ | Повышенная грузоподъемность. |
| 50210-К | ГОСТ | «Замок» (скос) на внутреннем кольце плюс массивный сепаратор из текстолита. |
| 50210K | ГОСТ | Коническое отверстие. Конусность 1/12. |
| 6-180210 Ш1 | ГОСТ | Нормы шумности. |
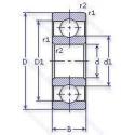
Аналог шарикового подшипника 36-210 Ю7Т — это подшипник такого же размера dx50,Dx90,Bx20, типа и конструкции.
| Обозначение | Конструктивные особенности | Внутренний (d) | Наружный (D) | Ширина (B) |
|---|---|---|---|---|
| 46210К | Шариковый радиально-упорный однорядный подшипник. «Замок» (скос) на внутреннем кольце плюс массивный сепаратор из текстолита. | 50.00 | 90.00 | 20.00 |
| 4А-126210 Р1 | Шариковый радиально-упорный однорядный подшипник. Детали из теплоустойчивой (быстрорежущие) стали.. | 50.00 | 90.00 | 20.00 |
| 5-126210 Р2 | Шариковый радиально-упорный однорядный подшипник. Детали из теплоустойчивой (быстрорежущие) стали.. | 50.00 | 90.00 | 20.00 |
| 5-32210 Л | Роликовый радиальный подшипник. Сепаратор из латуни.. | 50.00 | 90.00 | 20.00 |
| 5-32210 Р | Роликовый радиальный однорядный подшипник. Детали из теплоустойчивой (быстрорежущие) стали.. | 50.00 | 90.00 | 20.00 |
| 5-36210 Е | Шариковый радиально-упорный однорядный подшипник. Сепаратор из текстолита.. | 50.00 | 90.00 | 20.00 |
| 5-46210 Е | Шариковый радиально-упорный однорядный подшипник. Сепаратор из текстолита.. | 50.00 | 90.00 | 20.00 |
| 5-46210 Л | Шариковый радиально-упорный однорядный подшипник. Сепаратор из латуни.. | 50.00 | 90.00 | 20.00 |
| 5-46210 Л1 | Шариковый радиально-упорный однорядный подшипник. Сепаратор из латуни.. | 50.00 | 90.00 | 20.00 |
| 5-66210 ЕУ | Шариковый радиально-упорный однорядный подшипник. Сепаратор из текстолита.. Дополнительные технические требования. | 50.00 | 90.00 | 20.00 |
| 55-32210 Л1 | Роликовый радиальный однорядный подшипник. Сепаратор из латуни.. | 50.00 | 90.00 | 20.00 |
| 55-32210 Р | Роликовый радиальный однорядный подшипник. Детали из теплоустойчивой (быстрорежущие) стали.. | 50.00 | 90.00 | 20.00 |
| 56-2210 Б2Т | Роликовый радиальный однорядный подшипник. Температура отпуска. 160°. Сепаратор из безоловянистой бронзы.. | 50.00 | 90.00 | 20.00 |
| 56-2210 БТ | Роликовый радиальный однорядный подшипник. Температура отпуска. 160°. Сепаратор из безоловянистой бронзы.. | 50.00 | 90.00 | 20.00 |
| 6-1210 Ю | Шариковый радиальный двухрядный подшипник. Все детали или часть деталей из нержавеющей стали.. | 50.00 | 90.00 | 20.00 |
Способы доставки
Отправка через ведущие транспортные и курьерские компании: ПЭК, Деловые Линии, СДЭК, Байкал-Сервис, Энергия, КИТ, ЖелДорЭкспедиция.
Самовывоз возможен напрямую со склада в Москве.
Сроки доставки
Срок зависит от региона и выбранной транспортной компании. Все заказы комплектуются и отправляются в кратчайшие сроки со склада в Москве.
Надёжность и сохранность
Вся продукция упаковывается с учётом требований транспортировки. Мы гарантируем, что подшипники и комплектующие прибудут к заказчику в полной сохранности.
Доставка в страны ЕАЭС
Мы работаем с проверенными логистическими партнёрами, что позволяет оперативно доставлять заказы в Беларусь, Казахстан, Армению и другие страны ЕАЭС.
Варианты оплаты:
Минимальная сумма заказа и скидки:
Документы и гарантии:
Да, конечно! Наши технические специалисты готовы помочь вам с подбором точного аналога или замены подшипника. Просто позвоните нам по телефону +7 (495) 104-99-04 или напишите на почту zakaz@podsnab.ru.
Для оперативной консультации подготовьте, пожалуйста, имеющиеся данные: маркировку, размеры, тип оборудования или артикул старого подшипника.
Да, конечно! Мы высоко ценим долгосрочное сотрудничество и доверие клиентов по всей России. Для постоянных клиентов действует персональная система скидок.
Условия формируются индивидуально и зависят от:
Чтобы узнать свои условия и получить максимально выгодное предложение, свяжитесь с персональным менеджером или напишите нам на почту zakaz@podsnab.ru.
Вы можете оформить заказ несколькими способами:
Для оформления заказа от юридического лица свяжитесь с нашим отделом по работе с корпоративными клиентами по телефону +7 (495) 104-99-04 или напишите на email zakaz@podsnab.ru, прикрепив реквизиты вашей организации.
Мы оперативно подготовим коммерческое предложение и выставим счет.
Возврат товара надлежащего качества возможен в течение 10 дней с момента получения, если товар не был в употреблении, сохранен товарный вид, упаковка не вскрывалась и присутствуют все сопроводительные документы.
Возврат денежных средств осуществляется в течение 10 рабочих дней после проверки товара складом.
В соответствии с законодательством возврату не подлежат подшипники надлежащего качества, если отсутствует оригинальная упаковка или имеются следы монтажа.
В случае выявления брака или гарантийного случая мы гарантируем возврат или обмен товара.
Да, гарантийный срок хранения устанавливается заводом-изготовителем и в среднем составляет 2 года при соблюдении условий хранения: сухое помещение, оригинальная упаковка и смазка.
Точный срок для конкретного типа подшипника уточняйте у наших менеджеров.
Пн–Пт: с 8:00 до 17:00 (МСК).
Сб–Вс: выходные дни.
Заказы на сайте принимаются круглосуточно. Заявки, поступившие после окончания рабочего дня, обрабатываются на следующий рабочий день.
Минимальная сумма заказа для доставки составляет 3000 рублей. Самовывоз со склада возможен на любую сумму при наличии товара.
ООО «УралТехГрупп»
ИНН: 7415093830
КПП: 772401001
ОГРН: 1167456069021
Банк: ПАО Сбербанк
Р/с: 40702810838000475273
К/с: 30101810400000000225
БИК: 044525225
У подшипника 36-210 Ю7Т пока нет отзывов. Вы можете стать первым покупателем, поделившимся своим мнением.