Поиск подшипника
Статьи
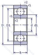
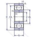
4-1000087 Ю2 — Шариковый радиальный однорядный подшипник, модификация основного исполнения 1000087, производство ГПЗ.
Размер подшипника: 7x14x3 мм.
Все детали или часть деталей из нержавеющей стали.
Аналоги: 6187P4HW.
Государственный стандарт ГОСТ
41000087Ю2
В наличии
| Обозначение | Конструктивные изменения |
|---|---|
| 4-1000087 Ю1Т | Температура отпуска. 160°. Все детали или часть деталей из нержавеющей стали.. |
| 1000087 | Шариковый радиальный однорядный подшипник. Основное конструктивное исполнение. |
| 6-1000087 Ю1Т | Температура отпуска. 160°. Все детали или часть деталей из нержавеющей стали.. |
Модификации шарикового подшипника 4-1000087 Ю2 — это измененное основное конструктивное исполнение 1000087, основные размеры (7x14x3) не отличаются.
| Обозначение | Гост | Конструктивные особенности |
|---|---|---|
| W 618/7 R | ISO | Нержавеющая сталь. С выпуклыми асимметричными роликами и обработанным сепаратором. Небольшая предварительная нагрузка. |
| W 637/8 XR | ISO | Нержавеющая сталь. Средний предварительный натяг. |
| WBB1-8708 R-2Z | ISO | Защитные металлические шайбы с обеих сторон подшипника. С выпуклыми асимметричными роликами и обработанным сепаратором. Нержавеющая сталь. |
| WBB1-8708 R-2RS1 | ISO | Усиленные листовой сталью контактные уплотнения из акрилонитрил-бутадиенового каучука (NBR) с обеих сторон подшипника. С выпуклыми асимметричными роликами и обработанным сепаратором. Нержавеющая сталь. |
| MF148-2Z | ISO | Защитные металлические шайбы с обеих сторон подшипника. |
| MF137-2Z | ISO | Защитные металлические шайбы с обеих сторон подшипника. |
| MF137-2RS | ISO | Резиновые уплотнения с каждой стороны подшипника. |
| MR137-2Z | ISO | Защитные металлические шайбы с обеих сторон подшипника. |
| MR137-2RS | ISO | Резиновые уплотнения с каждой стороны подшипника. |
| SMF137-2Z | ISO | Защитные металлические шайбы с обеих сторон подшипника. |
| SMF148-2RS | ISO | Резиновые уплотнения с каждой стороны подшипника. |
| SMF137-2RS | ISO | Резиновые уплотнения с каждой стороны подшипника. |
| SMF148-2Z | ISO | Защитные металлические шайбы с обеих сторон подшипника. |
| SMR137-2RS | ISO | Резиновые уплотнения с каждой стороны подшипника. |
| SMR148-2Z | ISO | Защитные металлические шайбы с обеих сторон подшипника. |
| SMR137-2Z | ISO | Защитные металлические шайбы с обеих сторон подшипника. |
| 5-2000087 Ю | ГОСТ | Все детали или часть деталей из нержавеющей стали.. |
| 5-2000087 ЮТ | ГОСТ | Температура отпуска. 160°. Все детали или часть деталей из нержавеющей стали.. |
| 6-2000087 Ю | ГОСТ | Все детали или часть деталей из нержавеющей стали.. |
| 6-2000087 ЮТ | ГОСТ | Температура отпуска. 160°. Все детали или часть деталей из нержавеющей стали.. |
Аналог шарикового подшипника 4-1000087 Ю2 — это подшипник такого же размера dx7,Dx14,Bx3, типа и конструкции.
| Обозначение | Конструктивные особенности | Внутренний (d) | Наружный (D) | Ширина (B) |
|---|---|---|---|---|
| F686H | Шариковый радиальный подшипник. Pressed Snap-Type Steel Cage. Hardened. | 6.00 | 13.00 | 3.50 |
| W 618/7 | Шариковый радиальный подшипник. Нержавеющая сталь. Небольшая предварительная нагрузка. | 7.00 | 14.00 | 3.50 |
| W 627 X | Шариковый радиальный подшипник. Нержавеющая сталь. Измененные размеры границ. введенные пересмотренными стандартами ISO. | 7.00 | 13.00 | 3.00 |
| W 627 XR | Шариковый радиальный подшипник. Нержавеющая сталь. | 7.00 | 13.00 | 3.00 |
| W 637/8 X | Шариковый радиальный подшипник. Нержавеющая сталь. Измененные размеры границ. введенные пересмотренными стандартами ISO. Средний предварительный натяг. | 8.00 | 14.00 | 3.50 |
| WBB1-8707 R-2Z | Шариковый радиальный подшипник. Защитные металлические шайбы с обеих сторон подшипника. С выпуклыми асимметричными роликами и обработанным сепаратором. Нержавеющая сталь. | 7.00 | 13.00 | 4.00 |
| WBB1-8708-2Z | Шариковый радиальный подшипник. Защитные металлические шайбы с обеих сторон подшипника. Нержавеющая сталь. | 8.00 | 14.00 | 4.00 |
| WBB1-8708-2RS1 | Шариковый радиальный подшипник. Усиленные листовой сталью контактные уплотнения из акрилонитрил-бутадиенового каучука (NBR) с обеих сторон подшипника. Нержавеющая сталь. | 8.00 | 14.00 | 4.00 |
| WBB1-8707-2Z | Шариковый радиальный подшипник. Защитные металлические шайбы с обеих сторон подшипника. Нержавеющая сталь. | 7.00 | 13.00 | 4.00 |
| WBB1-8708-2RZ | Шариковый радиальный подшипник. Шарикоподшипник. С уплотнением и низким коэффициентом трения с обеих сторон. Уплотнение состоит из шайбы из листовой стали с вулканизированной резиной. Нержавеющая сталь. | 8.00 | 14.00 | 4.00 |
| ШСН6 ЮТВК | Шарнирный подшипник. Температура отпуска. 160°. Одно или два кольца из нержавеющей стали.. Отдельное внутреннее кольцо шарнирного подшипника.. | 6.00 | 10.00 | 4.00 |
| ШСН6ЮТ | Шарнирный подшипник. Температура отпуска. 160°. Одно или два кольца из нержавеющей стали.. | 6.00 | 14.00 | 4.00 |
| ШСП6 | Шарнирный подшипник. С отверстиями и канавками для смазки во внутреннем кольце. | 6.00 | 14.00 | 4.00 |
| ШСП6К | Шарнирный подшипник. Канавка и отверстие для смазки на внутреннем и наружном кольцах.. С отверстиями и канавками для смазки во внутреннем кольце. | 6.00 | 14.00 | 4.00 |
| ШН6 ЮТ | Шарнирный подшипник. Температура отпуска. 160°. Одно или два кольца из нержавеющей стали.. Неразъемный без отверстий и канавок для смазки. | 6.00 | 14.00 | 4.00 |
Способы доставки
Отправка через ведущие транспортные и курьерские компании: ПЭК, Деловые Линии, СДЭК, Байкал-Сервис, Энергия, КИТ, ЖелДорЭкспедиция.
Самовывоз возможен напрямую со склада в Москве.
Сроки доставки
Срок зависит от региона и выбранной транспортной компании. Все заказы комплектуются и отправляются в кратчайшие сроки со склада в Москве.
Надёжность и сохранность
Вся продукция упаковывается с учётом требований транспортировки. Мы гарантируем, что подшипники и комплектующие прибудут к заказчику в полной сохранности.
Доставка в страны ЕАЭС
Мы работаем с проверенными логистическими партнёрами, что позволяет оперативно доставлять заказы в Беларусь, Казахстан, Армению и другие страны ЕАЭС.
Варианты оплаты:
Минимальная сумма заказа и скидки:
Документы и гарантии:
Да, конечно! Наши технические специалисты готовы помочь вам с подбором точного аналога или замены подшипника. Просто позвоните нам по телефону +7 (495) 104-99-04 или напишите на почту zakaz@podsnab.ru.
Для оперативной консультации подготовьте, пожалуйста, имеющиеся данные: маркировку, размеры, тип оборудования или артикул старого подшипника.
Да, конечно! Мы высоко ценим долгосрочное сотрудничество и доверие клиентов по всей России. Для постоянных клиентов действует персональная система скидок.
Условия формируются индивидуально и зависят от:
Чтобы узнать свои условия и получить максимально выгодное предложение, свяжитесь с персональным менеджером или напишите нам на почту zakaz@podsnab.ru.
Вы можете оформить заказ несколькими способами:
Для оформления заказа от юридического лица свяжитесь с нашим отделом по работе с корпоративными клиентами по телефону +7 (495) 104-99-04 или напишите на email zakaz@podsnab.ru, прикрепив реквизиты вашей организации.
Мы оперативно подготовим коммерческое предложение и выставим счет.
Возврат товара надлежащего качества возможен в течение 10 дней с момента получения, если товар не был в употреблении, сохранен товарный вид, упаковка не вскрывалась и присутствуют все сопроводительные документы.
Возврат денежных средств осуществляется в течение 10 рабочих дней после проверки товара складом.
В соответствии с законодательством возврату не подлежат подшипники надлежащего качества, если отсутствует оригинальная упаковка или имеются следы монтажа.
В случае выявления брака или гарантийного случая мы гарантируем возврат или обмен товара.
Да, гарантийный срок хранения устанавливается заводом-изготовителем и в среднем составляет 2 года при соблюдении условий хранения: сухое помещение, оригинальная упаковка и смазка.
Точный срок для конкретного типа подшипника уточняйте у наших менеджеров.
Пн–Пт: с 8:00 до 17:00 (МСК).
Сб–Вс: выходные дни.
Заказы на сайте принимаются круглосуточно. Заявки, поступившие после окончания рабочего дня, обрабатываются на следующий рабочий день.
Минимальная сумма заказа для доставки составляет 3000 рублей. Самовывоз со склада возможен на любую сумму при наличии товара.
ООО «УралТехГрупп»
ИНН: 7415093830
КПП: 772401001
ОГРН: 1167456069021
Банк: ПАО Сбербанк
Р/с: 40702810838000475273
К/с: 30101810400000000225
БИК: 044525225
У подшипника 4-1000087 Ю2 пока нет отзывов. Вы можете стать первым покупателем, поделившимся своим мнением.