Поиск подшипника
Статьи
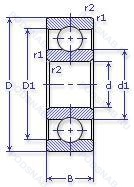
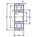
4204 — Шариковый радиальный однорядный подшипник, модификация основного исполнения 204, производство ГПЗ.
Размер подшипника: 20x47x14 мм.
Аналоги: 6204P4.
Государственный стандарт ГОСТ
4204
В наличии
| Обозначение | Конструктивные изменения |
|---|---|
| 25-204 Ю6П | Все детали или часть деталей из нержавеющей стали.. |
| 2В0-204 А | Повышенная грузоподъемность. |
| 2М4-204 | Модифицированный контакт.. |
| 30-204 Е5 | Сепаратор из текстолита.. |
| 35-204 БТ2 | 200°. Температура отпуска. Сепаратор из безоловянистой бронзы.. |
| 35-204 Р4 | Детали из теплоустойчивой (быстрорежущие) стали.. |
| 35-204 Р5 | Детали из теплоустойчивой (быстрорежущие) стали.. |
| 35-204 Ю1 | Все детали или часть деталей из нержавеющей стали.. |
| 35-204 Ю11 | Все детали или часть деталей из нержавеющей стали.. |
| 35-204 Ю11П | Все детали или часть деталей из нержавеющей стали.. |
| 35-204 Ю2 | Все детали или часть деталей из нержавеющей стали.. |
| 35-204 Ю4 | Все детали или часть деталей из нержавеющей стали.. |
| 35-204 Ю9 | Все детали или часть деталей из нержавеющей стали.. |
| 35-204 Ю9П | Все детали или часть деталей из нержавеющей стали.. |
| 35-204 Ю9Т | Температура отпуска. 160°. Все детали или часть деталей из нержавеющей стали.. |
| 36-204 Ю | Все детали или часть деталей из нержавеющей стали.. |
| 4-204 МТР | Температура отпуска. 160°. Модифицированный контакт.. Детали из теплоустойчивой (быстрорежущие) стали.. |
| 5-204 АК | Повышенная грузоподъемность. |
| 5-204 Б | Сепаратор из безоловянистой бронзы.. |
| 5-204 БТ2 | 200°. Температура отпуска. Сепаратор из безоловянистой бронзы.. |
| 5-204 ЕШ2 | Сепаратор из текстолита.. Нормы шумности. |
| 5-204 ЕШ3 | Сепаратор из текстолита.. Нормы шумности. |
| 5-204 МТР | Температура отпуска. 160°. Модифицированный контакт.. Детали из теплоустойчивой (быстрорежущие) стали.. |
| 5-204 Ш2У | Дополнительные технические требования. Нормы шумности. |
| 5-204 Ю1 | Все детали или часть деталей из нержавеющей стали.. |
Модификации шарикового подшипника 4204 — это измененное основное конструктивное исполнение 204, основные размеры (20x47x14) не отличаются.
| Обозначение | Гост | Конструктивные особенности |
|---|---|---|
| 6204.P4 | ISO | Класс точности Р4 по ISO (точнее. чем P5) - Abec.7. |
| 25-80204 С1 | ГОСТ | Смазка ОКБ 122-7. |
| 25-80204 С15 | ГОСТ | Смазка ВНИИНП-207. |
| 2В0-180204 АС28 | ГОСТ | Повышенная грузоподъемность. Смазка CHEVRON SRI-2. |
| 50204-А | ГОСТ | Повышенная грузоподъемность. |
| 550704-М | ГОСТ | Модифицированный контакт.. |
| 580204-АК10С17 | ГОСТ | Смазка Литол-24. Повышенная грузоподъемность. Улучшенная конструкция уплотнений плюс стопорный штифт. |
| 580204-АКС17 | ГОСТ | Смазка Литол-24. Повышенная грузоподъемность. |
| 580204-АКУС17 | ГОСТ | Смазка Литол-24. Дополнительные технические требования. Повышенная грузоподъемность. |
| 580204-КС17 | ГОСТ | Смазка Литол-24. «Замок» (скос) на внутреннем кольце плюс массивный сепаратор из текстолита. |
| 580204-КС17W | ГОСТ | Детали из вакуумированной стали.. Смазка Литол-24. «Замок» (скос) на внутреннем кольце плюс массивный сепаратор из текстолита. |
| 580204-КС17W2 | ГОСТ | Детали из вакуумированной стали.. Смазка Литол-24. «Замок» (скос) на внутреннем кольце плюс массивный сепаратор из текстолита. |
| 580204-С17 | ГОСТ | Смазка Литол-24. |
| 580204АК | ГОСТ | Повышенная грузоподъемность. |
| 6-180204 АКС17 | ГОСТ | Смазка Литол-24. Повышенная грузоподъемность. |
| 6-180204 АС17 | ГОСТ | Смазка Литол-24. Повышенная грузоподъемность. |
| 6-180204 АС9 | ГОСТ | Повышенная грузоподъемность. Смазка ЛЗ-31. |
| 6-180204 КС9Ш2У | ГОСТ | Дополнительные технические требования. Нормы шумности. Смазка ЛЗ-31. |
| 6-180204 С17 | ГОСТ | Смазка Литол-24. |
| 6-180204 С9Ш2 | ГОСТ | Нормы шумности. Смазка ЛЗ-31. |
| 6-180204 С9Ш2У | ГОСТ | Дополнительные технические требования. Нормы шумности. Смазка ЛЗ-31. |
Аналог шарикового подшипника 4204 — это подшипник такого же размера dx20,Dx47,Bx14, типа и конструкции.
| Обозначение | Конструктивные особенности | Внутренний (d) | Наружный (D) | Ширина (B) |
|---|---|---|---|---|
| 5-36204 К2Б | Шариковый радиально-упорный однорядный подшипник. «Замок» (скос) на внутреннем кольце плюс массивный сепаратор из текстолита. Сепаратор из безоловянистой бронзы.. | 20.00 | 47.00 | 14.00 |
| 5-36204 Л | Шариковый радиально-упорный однорядный подшипник. Сепаратор из латуни.. | 20.00 | 47.00 | 14.00 |
| 5-36204 Л2 | Шариковый радиально-упорный однорядный подшипник. Сепаратор из латуни.. | 20.00 | 47.00 | 14.00 |
| 5-42204 Б4 | Роликовый радиальный однорядный подшипник. Сепаратор из безоловянистой бронзы.. | 20.00 | 47.00 | 14.00 |
| 5-42204 Б5 | Роликовый радиальный однорядный подшипник. Сепаратор из безоловянистой бронзы.. | 20.00 | 47.00 | 14.00 |
| 5-46204 Б | Шариковый радиально-упорный однорядный подшипник. Сепаратор из безоловянистой бронзы.. | 20.00 | 47.00 | 14.00 |
| 5-46204 Е | Шариковый радиально-упорный однорядный подшипник. Сепаратор из текстолита.. | 20.00 | 47.00 | 14.00 |
| 5-46204 ЕШ | Шариковый радиально-упорный однорядный подшипник. Сепаратор из текстолита.. Нормы шумности. | 20.00 | 47.00 | 14.00 |
| 5-46204 ЕШ3 | Шариковый радиально-упорный однорядный подшипник. Сепаратор из текстолита.. Нормы шумности. | 20.00 | 47.00 | 14.00 |
| 5-46204 Л | Шариковый радиально-упорный однорядный подшипник. Сепаратор из латуни.. | 20.00 | 47.00 | 14.00 |
| 5-46204 Л1 | Шариковый радиально-упорный однорядный подшипник. Сепаратор из латуни.. | 20.00 | 47.00 | 14.00 |
| 55-32204 Б1 | Роликовый радиальный однорядный подшипник. Сепаратор из безоловянистой бронзы.. | 20.00 | 47.00 | 14.00 |
| 55-42204 Б | Роликовый радиальный однорядный подшипник. Сепаратор из безоловянистой бронзы.. | 20.00 | 47.00 | 14.00 |
| 55-42204 Б4 | Роликовый радиальный однорядный подшипник. Сепаратор из безоловянистой бронзы.. | 20.00 | 47.00 | 14.00 |
| 6-12204 К2 | Роликовый радиальный однорядный подшипник. Кольцевая проточка на середине цилиндрической наружной поверхности наружного кольца плюс три отверстия для смазки. | 20.00 | 47.00 | 14.00 |
Способы доставки
Отправка через ведущие транспортные и курьерские компании: ПЭК, Деловые Линии, СДЭК, Байкал-Сервис, Энергия, КИТ, ЖелДорЭкспедиция.
Самовывоз возможен напрямую со склада в Москве.
Сроки доставки
Срок зависит от региона и выбранной транспортной компании. Все заказы комплектуются и отправляются в кратчайшие сроки со склада в Москве.
Надёжность и сохранность
Вся продукция упаковывается с учётом требований транспортировки. Мы гарантируем, что подшипники и комплектующие прибудут к заказчику в полной сохранности.
Доставка в страны ЕАЭС
Мы работаем с проверенными логистическими партнёрами, что позволяет оперативно доставлять заказы в Беларусь, Казахстан, Армению и другие страны ЕАЭС.
Варианты оплаты:
Минимальная сумма заказа и скидки:
Документы и гарантии:
Да, конечно! Наши технические специалисты готовы помочь вам с подбором точного аналога или замены подшипника. Просто позвоните нам по телефону +7 (495) 104-99-04 или напишите на почту zakaz@podsnab.ru.
Для оперативной консультации подготовьте, пожалуйста, имеющиеся данные: маркировку, размеры, тип оборудования или артикул старого подшипника.
Да, конечно! Мы высоко ценим долгосрочное сотрудничество и доверие клиентов по всей России. Для постоянных клиентов действует персональная система скидок.
Условия формируются индивидуально и зависят от:
Чтобы узнать свои условия и получить максимально выгодное предложение, свяжитесь с персональным менеджером или напишите нам на почту zakaz@podsnab.ru.
Вы можете оформить заказ несколькими способами:
Для оформления заказа от юридического лица свяжитесь с нашим отделом по работе с корпоративными клиентами по телефону +7 (495) 104-99-04 или напишите на email zakaz@podsnab.ru, прикрепив реквизиты вашей организации.
Мы оперативно подготовим коммерческое предложение и выставим счет.
Возврат товара надлежащего качества возможен в течение 10 дней с момента получения, если товар не был в употреблении, сохранен товарный вид, упаковка не вскрывалась и присутствуют все сопроводительные документы.
Возврат денежных средств осуществляется в течение 10 рабочих дней после проверки товара складом.
В соответствии с законодательством возврату не подлежат подшипники надлежащего качества, если отсутствует оригинальная упаковка или имеются следы монтажа.
В случае выявления брака или гарантийного случая мы гарантируем возврат или обмен товара.
Да, гарантийный срок хранения устанавливается заводом-изготовителем и в среднем составляет 2 года при соблюдении условий хранения: сухое помещение, оригинальная упаковка и смазка.
Точный срок для конкретного типа подшипника уточняйте у наших менеджеров.
Пн–Пт: с 8:00 до 17:00 (МСК).
Сб–Вс: выходные дни.
Заказы на сайте принимаются круглосуточно. Заявки, поступившие после окончания рабочего дня, обрабатываются на следующий рабочий день.
Минимальная сумма заказа для доставки составляет 3000 рублей. Самовывоз со склада возможен на любую сумму при наличии товара.
ООО «УралТехГрупп»
ИНН: 7415093830
КПП: 772401001
ОГРН: 1167456069021
Банк: ПАО Сбербанк
Р/с: 40702810838000475273
К/с: 30101810400000000225
БИК: 044525225
У подшипника 4204 пока нет отзывов. Вы можете стать первым покупателем, поделившимся своим мнением.