Поиск подшипника
Статьи
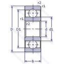
4-208 Е5 — Шариковый радиальный однорядный подшипник, модификация основного исполнения 208, производство ГПЗ.
Размер подшипника: 40x80x18 мм.
Сепаратор из текстолита.
Аналоги: 6208TN9P4.
Государственный стандарт ГОСТ
4208Е5
В наличии
| Обозначение | Конструктивные изменения |
|---|---|
| 76-208 Ю | Все детали или часть деталей из нержавеющей стали.. |
| 208-А | Повышенная грузоподъемность. |
| 208-А1 | Повышенная грузоподъемность. |
| 208-АК2 | Повышенная грузоподъемность. |
| 208-АС3 | Повышенная грузоподъемность. Смазка ВНИИНП-210. |
| 208-Б1 | Сепаратор из безоловянистой бронзы.. |
| 208-Л | Сепаратор из латуни.. |
| 208-Р | Детали из теплоустойчивой (быстрорежущие) стали.. |
| 208-Ю | Все детали или часть деталей из нержавеющей стали.. |
| 208E5 | Смазочные отверстия и канавки во внутреннем кольце. |
| 25-208 Б | Сепаратор из безоловянистой бронзы.. |
| 25-208 Б1 | Сепаратор из безоловянистой бронзы.. |
| 25-208 БТ1 | 180°. Сепаратор из безоловянистой бронзы.. Температура отпуска. |
| 26-208 Б1 | Сепаратор из безоловянистой бронзы.. |
| 26-208 Б1Т2 | 200°. Температура отпуска. Сепаратор из безоловянистой бронзы.. |
| 26-208 Ю12 | Все детали или часть деталей из нержавеющей стали.. |
| 26-208 Ю12П | Все детали или часть деталей из нержавеющей стали.. |
| 2В0-208 А | Повышенная грузоподъемность. |
| 35-208 Ю5 | Все детали или часть деталей из нержавеющей стали.. |
| 36-208 Ю | Все детали или часть деталей из нержавеющей стали.. |
| 36-208 Ю10 | Все детали или часть деталей из нержавеющей стали.. |
| 36-208 Ю10П | Все детали или часть деталей из нержавеющей стали.. |
| 45-208 Б1 | Сепаратор из безоловянистой бронзы.. |
| 5-208 А | Повышенная грузоподъемность. |
| 5-208 Е5 | Сепаратор из текстолита.. |
Модификации шарикового подшипника 4-208 Е5 — это измененное основное конструктивное исполнение 208, основные размеры (40x80x18) не отличаются.
| Обозначение | Гост | Конструктивные особенности |
|---|---|---|
| 150208-АК | ГОСТ | Повышенная грузоподъемность. |
| 150208-У1 | ГОСТ | Дополнительные технические требования. |
| 160208-А | ГОСТ | Повышенная грузоподъемность. |
| 180208-А | ГОСТ | Повышенная грузоподъемность. |
| 180208-АС17 | ГОСТ | Смазка Литол-24. Повышенная грузоподъемность. |
| 180208-АС9 | ГОСТ | Повышенная грузоподъемность. Смазка ЛЗ-31. |
| 180208-КС17 | ГОСТ | Смазка Литол-24. «Замок» (скос) на внутреннем кольце плюс массивный сепаратор из текстолита. |
| 180208-С17 | ГОСТ | Смазка Литол-24. |
| 180208.6208-2RS1 | ГОСТ | Усиленные листовой сталью контактные уплотнения из акрилонитрил-бутадиенового каучука (NBR) с обеих сторон подшипника. |
| 50208-А | ГОСТ | Повышенная грузоподъемность. |
| 50208-АУ | ГОСТ | Дополнительные технические требования. Повышенная грузоподъемность. |
| 50208-АУ1 | ГОСТ | Повышенная грузоподъемность. Дополнительные технические требования. |
| 50208-АШ | ГОСТ | Повышенная грузоподъемность. Нормы шумности. |
| 50208-У1 | ГОСТ | Дополнительные технические требования. |
| 50208E5 | ГОСТ | Смазочные отверстия и канавки во внутреннем кольце. |
| 6-150208 А | ГОСТ | Повышенная грузоподъемность. |
| 6-150208 Е5 | ГОСТ | Сепаратор из текстолита.. |
| 6-150208 У1 | ГОСТ | Дополнительные технические требования. |
| 6-180208 С17 | ГОСТ | Смазка Литол-24. |
| 6-180208 С9 | ГОСТ | Смазка ЛЗ-31. |
Аналог шарикового подшипника 4-208 Е5 — это подшипник такого же размера dx40,Dx80,Bx18, типа и конструкции.
| Обозначение | Конструктивные особенности | Внутренний (d) | Наружный (D) | Ширина (B) |
|---|---|---|---|---|
| 5-46208 АЛ | Шариковый радиально-упорный однорядный подшипник. Сепаратор из латуни.. Повышенная грузоподъемность. | 40.00 | 80.00 | 18.00 |
| 5-46208 АС | Шариковый радиально-упорный однорядный подшипник. Повышенная грузоподъемность. | 40.00 | 80.00 | 18.00 |
| 5-46208 Е | Шариковый радиально-упорный однорядный подшипник. Сепаратор из текстолита.. | 40.00 | 80.00 | 18.00 |
| 5-46208 Е3 | Шариковый радиально-упорный однорядный подшипник. Сепаратор из пластических материалов.. | 40.00 | 80.00 | 18.00 |
| 5-46208 Л | Шариковый радиально-упорный однорядный подшипник. Сепаратор из латуни.. | 40.00 | 80.00 | 18.00 |
| 5-66208 АЕ | Шариковый радиально-упорный однорядный подшипник. Сепаратор из текстолита.. Повышенная грузоподъемность. | 40.00 | 80.00 | 18.00 |
| 5-7208 У | Роликовый радиальный-упорный однорядный подшипник. Дополнительные технические требования. | 40.00 | 80.00 | 19.00 |
| 55-32208 Б2Т2 | Роликовый радиальный однорядный подшипник. 200°. Температура отпуска. Сепаратор из безоловянистой бронзы.. | 40.00 | 80.00 | 18.00 |
| 55-32208 БТ2 | Роликовый радиальный однорядный подшипник. 200°. Температура отпуска. Сепаратор из безоловянистой бронзы.. | 40.00 | 80.00 | 18.00 |
| 55-32208 Р3 | Роликовый радиальный однорядный подшипник. Детали из теплоустойчивой (быстрорежущие) стали.. | 40.00 | 80.00 | 18.00 |
| 55-32208 Р5 | Роликовый радиальный однорядный подшипник. Детали из теплоустойчивой (быстрорежущие) стали.. | 40.00 | 80.00 | 18.00 |
| 6-102208 М | Роликовый радиальный однорядный подшипник. Модифицированный контакт.. | 40.00 | 80.00 | 18.00 |
| 6-12208 КМ | Роликовый радиальный однорядный подшипник. Модифицированный контакт.. | 40.00 | 80.00 | 18.00 |
| 6-12208 Л1 | Роликовый радиальный однорядный подшипник. Сепаратор из латуни.. | 40.00 | 80.00 | 18.00 |
| 6-136208 Р | Шариковый радиально-упорный однорядный подшипник. Детали из теплоустойчивой (быстрорежущие) стали.. | 40.00 | 80.00 | 18.00 |
Способы доставки
Отправка через ведущие транспортные и курьерские компании: ПЭК, Деловые Линии, СДЭК, Байкал-Сервис, Энергия, КИТ, ЖелДорЭкспедиция.
Самовывоз возможен напрямую со склада в Москве.
Сроки доставки
Срок зависит от региона и выбранной транспортной компании. Все заказы комплектуются и отправляются в кратчайшие сроки со склада в Москве.
Надёжность и сохранность
Вся продукция упаковывается с учётом требований транспортировки. Мы гарантируем, что подшипники и комплектующие прибудут к заказчику в полной сохранности.
Доставка в страны ЕАЭС
Мы работаем с проверенными логистическими партнёрами, что позволяет оперативно доставлять заказы в Беларусь, Казахстан, Армению и другие страны ЕАЭС.
Варианты оплаты:
Минимальная сумма заказа и скидки:
Документы и гарантии:
Да, конечно! Наши технические специалисты готовы помочь вам с подбором точного аналога или замены подшипника. Просто позвоните нам по телефону +7 (495) 104-99-04 или напишите на почту zakaz@podsnab.ru.
Для оперативной консультации подготовьте, пожалуйста, имеющиеся данные: маркировку, размеры, тип оборудования или артикул старого подшипника.
Да, конечно! Мы высоко ценим долгосрочное сотрудничество и доверие клиентов по всей России. Для постоянных клиентов действует персональная система скидок.
Условия формируются индивидуально и зависят от:
Чтобы узнать свои условия и получить максимально выгодное предложение, свяжитесь с персональным менеджером или напишите нам на почту zakaz@podsnab.ru.
Вы можете оформить заказ несколькими способами:
Для оформления заказа от юридического лица свяжитесь с нашим отделом по работе с корпоративными клиентами по телефону +7 (495) 104-99-04 или напишите на email zakaz@podsnab.ru, прикрепив реквизиты вашей организации.
Мы оперативно подготовим коммерческое предложение и выставим счет.
Возврат товара надлежащего качества возможен в течение 10 дней с момента получения, если товар не был в употреблении, сохранен товарный вид, упаковка не вскрывалась и присутствуют все сопроводительные документы.
Возврат денежных средств осуществляется в течение 10 рабочих дней после проверки товара складом.
В соответствии с законодательством возврату не подлежат подшипники надлежащего качества, если отсутствует оригинальная упаковка или имеются следы монтажа.
В случае выявления брака или гарантийного случая мы гарантируем возврат или обмен товара.
Да, гарантийный срок хранения устанавливается заводом-изготовителем и в среднем составляет 2 года при соблюдении условий хранения: сухое помещение, оригинальная упаковка и смазка.
Точный срок для конкретного типа подшипника уточняйте у наших менеджеров.
Пн–Пт: с 8:00 до 17:00 (МСК).
Сб–Вс: выходные дни.
Заказы на сайте принимаются круглосуточно. Заявки, поступившие после окончания рабочего дня, обрабатываются на следующий рабочий день.
Минимальная сумма заказа для доставки составляет 3000 рублей. Самовывоз со склада возможен на любую сумму при наличии товара.
ООО «УралТехГрупп»
ИНН: 7415093830
КПП: 772401001
ОГРН: 1167456069021
Банк: ПАО Сбербанк
Р/с: 40702810838000475273
К/с: 30101810400000000225
БИК: 044525225
У подшипника 4-208 Е5 пока нет отзывов. Вы можете стать первым покупателем, поделившимся своим мнением.