Поиск подшипника
Статьи
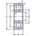
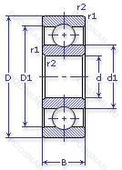
407-А — Шариковый радиальный однорядный подшипник, модификация основного исполнения 407, производство ГПЗ.
Размер подшипника: 35x100x25 мм.
Повышенная грузоподъемность.
Государственный стандарт ГОСТ
407А
В наличии
| Обозначение | Конструктивные изменения |
|---|---|
| В0-407 АКШ | Повышенная грузоподъемность. Нормы шумности. |
| 6-407 А | Повышенная грузоподъемность. |
| 8-407 А | Повышенная грузоподъемность. |
| 7-407-АК | Повышенная грузоподъемность. |
| 8407 | Шариковый радиальный однорядный подшипник. |
| 5-407 АШ2 | Нормы шумности. Повышенная грузоподъемность. |
| 6-407 АШ1 | Повышенная грузоподъемность. Нормы шумности. |
| 6-407 АШ | Повышенная грузоподъемность. Нормы шумности. |
| 76-407 АШ1 | Повышенная грузоподъемность. Нормы шумности. |
| 6407 | Шариковый радиальный однорядный подшипник. |
| 70-407 | Шариковый радиальный однорядный подшипник. |
| 70-407 АК | Повышенная грузоподъемность. |
| 407 | Шариковый радиальный однорядный подшипник. Основное конструктивное исполнение. |
| 407-АК | Повышенная грузоподъемность. |
| 407-Е | Сепаратор из текстолита.. |
Модификации шарикового подшипника 407-А — это измененное основное конструктивное исполнение 407, основные размеры (35x100x25) не отличаются.
| Обозначение | Гост | Конструктивные особенности |
|---|---|---|
| 50407-А | ГОСТ | Повышенная грузоподъемность. |
| 8-50407 А | ГОСТ | Повышенная грузоподъемность. |
| 6-50407 АШ1 | ГОСТ | Повышенная грузоподъемность. Нормы шумности. |
| 6-50407 АШ | ГОСТ | Повышенная грузоподъемность. Нормы шумности. |
| 6407Z | ISO | Стальная шайба. |
| 50407 | ГОСТ | Шариковый радиальный однорядный подшипник. |
| 150407 | ГОСТ | Шариковый радиальный однорядный подшипник. |
| 50407-АК | ГОСТ | Повышенная грузоподъемность. |
Аналог шарикового подшипника 407-А — это подшипник такого же размера dx35,Dx100,Bx25, типа и конструкции.
| Обозначение | Конструктивные особенности | Внутренний (d) | Наружный (D) | Ширина (B) |
|---|---|---|---|---|
| NJ407W | Однорядный цилиндрический роликовый подшипник. Цельный прессованный сепаратор. | 35.00 | 100.00 | 25.00 |
| NU407W | Однорядный цилиндрический роликовый подшипник. Цельный прессованный сепаратор. | 35.00 | 100.00 | 25.00 |
| NJ407MC3 | Однорядный цилиндрический роликовый подшипник. (Миниатюрные радиальные шарикоподшипники серии Metric. M = без латунного сепаратора) = Нормальный радиальный внутренний зазор. | 35.00 | 100.00 | 25.00 |
| NJ407M1 | Однорядный цилиндрический роликовый подшипник. Механически обработанный латунный сепаратор. вращающийся элемент качения (крестовина на заклепках). | 35.00 | 100.00 | 25.00 |
| 6407.2ZR.C3 | Подшипник однорядный шариковый радиальный. Внутренний зазор больше нормального. Защитные металлические шайбы с обеих сторон. | 35.00 | 100.00 | 25.00 |
| 7407-B-MP | Подшипник шариковый однорядный радиально-упорный. 40° Угол контакта. Механически обработанный латунный сепаратор оконного типа. | 35.00 | 100.00 | 25.00 |
| 102407-М | Роликовый радиальный однорядный подшипник. Модифицированный контакт.. | 35.00 | 100.00 | 25.00 |
| 102407M | Роликовый радиальный однорядный подшипник. Подшипник с латунным сепаратором. центрированный по телам качения. | 35.00 | 100.00 | 25.00 |
| NH407 | Роликовый радиальный однорядный подшипник. Канавка под стопорное кольцо на наружном кольце подшипника. | 35.00 | 100.00 | 25.00 |
| NJ407-M1 + HJ407 | Роликовый радиальный однорядный подшипник. Механически обработанный латунный сепаратор. вращающийся элемент качения (крестовина на заклепках). | 35.00 | 100.00 | 25.00 |
| NJ407-M+HJ407 | Роликовый радиальный однорядный подшипник. Подшипник с латунным сепаратором. центрированный по телам качения. | 35.00 | 100.00 | 25.00 |
| 7407 A | Шариковый радиально-упорный однорядный подшипник. Двухрядный радиально-упорный шарикоподшипник без отверстия для смазки. | 35.00 | 100.00 | 25.00 |
| 66407-Л | Шариковый радиально-упорный однорядный подшипник. Сепаратор из латуни.. | 35.00 | 100.00 | 25.00 |
| 8-102407 М | Роликовый радиальный однорядный подшипник. Модифицированный контакт.. | 35.00 | 100.00 | 25.00 |
| 45-176407 Е1Ш2 | Шариковый радиально-упорный однорядный подшипник. Сепаратор из текстолита.. Нормы шумности. | 35.00 | 100.00 | 25.00 |
Способы доставки
Отправка через ведущие транспортные и курьерские компании: ПЭК, Деловые Линии, СДЭК, Байкал-Сервис, Энергия, КИТ, ЖелДорЭкспедиция.
Самовывоз возможен напрямую со склада в Москве.
Сроки доставки
Срок зависит от региона и выбранной транспортной компании. Все заказы комплектуются и отправляются в кратчайшие сроки со склада в Москве.
Надёжность и сохранность
Вся продукция упаковывается с учётом требований транспортировки. Мы гарантируем, что подшипники и комплектующие прибудут к заказчику в полной сохранности.
Доставка в страны ЕАЭС
Мы работаем с проверенными логистическими партнёрами, что позволяет оперативно доставлять заказы в Беларусь, Казахстан, Армению и другие страны ЕАЭС.
Варианты оплаты:
Минимальная сумма заказа и скидки:
Документы и гарантии:
Да, конечно! Наши технические специалисты готовы помочь вам с подбором точного аналога или замены подшипника. Просто позвоните нам по телефону +7 (495) 104-99-04 или напишите на почту zakaz@podsnab.ru.
Для оперативной консультации подготовьте, пожалуйста, имеющиеся данные: маркировку, размеры, тип оборудования или артикул старого подшипника.
Да, конечно! Мы высоко ценим долгосрочное сотрудничество и доверие клиентов по всей России. Для постоянных клиентов действует персональная система скидок.
Условия формируются индивидуально и зависят от:
Чтобы узнать свои условия и получить максимально выгодное предложение, свяжитесь с персональным менеджером или напишите нам на почту zakaz@podsnab.ru.
Вы можете оформить заказ несколькими способами:
Для оформления заказа от юридического лица свяжитесь с нашим отделом по работе с корпоративными клиентами по телефону +7 (495) 104-99-04 или напишите на email zakaz@podsnab.ru, прикрепив реквизиты вашей организации.
Мы оперативно подготовим коммерческое предложение и выставим счет.
Возврат товара надлежащего качества возможен в течение 10 дней с момента получения, если товар не был в употреблении, сохранен товарный вид, упаковка не вскрывалась и присутствуют все сопроводительные документы.
Возврат денежных средств осуществляется в течение 10 рабочих дней после проверки товара складом.
В соответствии с законодательством возврату не подлежат подшипники надлежащего качества, если отсутствует оригинальная упаковка или имеются следы монтажа.
В случае выявления брака или гарантийного случая мы гарантируем возврат или обмен товара.
Да, гарантийный срок хранения устанавливается заводом-изготовителем и в среднем составляет 2 года при соблюдении условий хранения: сухое помещение, оригинальная упаковка и смазка.
Точный срок для конкретного типа подшипника уточняйте у наших менеджеров.
Пн–Пт: с 8:00 до 17:00 (МСК).
Сб–Вс: выходные дни.
Заказы на сайте принимаются круглосуточно. Заявки, поступившие после окончания рабочего дня, обрабатываются на следующий рабочий день.
Минимальная сумма заказа для доставки составляет 3000 рублей. Самовывоз со склада возможен на любую сумму при наличии товара.
ООО «УралТехГрупп»
ИНН: 7415093830
КПП: 772401001
ОГРН: 1167456069021
Банк: ПАО Сбербанк
Р/с: 40702810838000475273
К/с: 30101810400000000225
БИК: 044525225
У подшипника 407-А пока нет отзывов. Вы можете стать первым покупателем, поделившимся своим мнением.