Поиск подшипника
Статьи
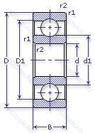
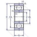
425-2000154-ЮТ — Шариковый радиальный однорядный подшипник, модификация основного исполнения 425, производство ГПЗ.
Размер подшипника: 1x4x1 мм.
160°, температура отпуска, все детали или часть деталей из нержавеющей стали.
Государственный стандарт ГОСТ
4252000154ЮТ
В наличии
| Обозначение | Конструктивные изменения |
|---|---|
| 4-25 | Шариковый радиальный однорядный подшипник. |
| 425-1000092-ЮТ | Температура отпуска. 160°. Все детали или часть деталей из нержавеющей стали.. |
| 425-1000093 | Шариковый радиальный однорядный подшипник. |
| 425-2000154-Ю3Т | Температура отпуска. 160°. Все детали или часть деталей из нержавеющей стали.. |
| 425-2000154-Ю3ТП | Температура отпуска. 160°. Все детали или часть деталей из нержавеющей стали.. |
| 425-2000154-ЮТП | Температура отпуска. 160°. Все детали или часть деталей из нержавеющей стали.. |
| 425-23-Ю2Т | Температура отпуска. 160°. Все детали или часть деталей из нержавеющей стали.. |
| 425-23-Ю2ТП | Температура отпуска. 160°. Все детали или часть деталей из нержавеющей стали.. |
Модификации шарикового подшипника 425-2000154-ЮТ — это измененное основное конструктивное исполнение 425, основные размеры (1x4x1) не отличаются.
| Обозначение | Гост | Конструктивные особенности |
|---|---|---|
| 25-60061 ЮТП | ГОСТ | Температура отпуска. 160°. Все детали или часть деталей из нержавеющей стали.. |
| 305-1000091-ЮТ | ГОСТ | Температура отпуска. 160°. Все детали или часть деталей из нержавеющей стали.. |
| 325-1000091-ЮТ | ГОСТ | Температура отпуска. 160°. Все детали или часть деталей из нержавеющей стали.. |
| 404-1000091-ЮУТ | ГОСТ | Дополнительные технические требования. Температура отпуска. 160°. Все детали или часть деталей из нержавеющей стали.. |
| 404-2000154-ЮУТ | ГОСТ | Дополнительные технические требования. Температура отпуска. 160°. Все детали или часть деталей из нержавеющей стали.. |
| 5-1000091 ЮТ | ГОСТ | Температура отпуска. 160°. Все детали или часть деталей из нержавеющей стали.. |
| 5-1000091 ЮТП | ГОСТ | Температура отпуска. 160°. Все детали или часть деталей из нержавеющей стали.. |
| 5-1000091 ЮТФ | ГОСТ | Температура отпуска. 160°. Все детали или часть деталей из нержавеющей стали.. |
| 5-1000091 ЮТФ1 | ГОСТ | Температура отпуска. 160°. Все детали или часть деталей из нержавеющей стали.. |
| 5-2000154 Ю3Т | ГОСТ | Температура отпуска. 160°. Все детали или часть деталей из нержавеющей стали.. |
| 5-2000154 ЮТ | ГОСТ | Температура отпуска. 160°. Все детали или часть деталей из нержавеющей стали.. |
| 5-2000154 ЮТ-Ф | ГОСТ | Температура отпуска. 160°. Все детали или часть деталей из нержавеющей стали.. |
| 5-2000154 ЮТФ1 | ГОСТ | Температура отпуска. 160°. Все детали или часть деталей из нержавеющей стали.. |
| 5-2000154 ЮТФ2 | ГОСТ | Температура отпуска. 160°. Все детали или часть деталей из нержавеющей стали.. |
| 5-2860154 ЮТ | ГОСТ | Температура отпуска. 160°. Все детали или часть деталей из нержавеющей стали.. |
| 5-60061 ЮТ | ГОСТ | Температура отпуска. 160°. Все детали или часть деталей из нержавеющей стали.. |
| 5-840154 Ю4Т | ГОСТ | Температура отпуска. 160°. Все детали или часть деталей из нержавеющей стали.. |
| 6-1000091 ЮТ | ГОСТ | Температура отпуска. 160°. Все детали или часть деталей из нержавеющей стали.. |
| 6-1000091 Я | ГОСТ | Детали (кольца. |
| 6-2000154 ЮТ | ГОСТ | Температура отпуска. 160°. Все детали или часть деталей из нержавеющей стали.. |
Аналог шарикового подшипника 425-2000154-ЮТ — это подшипник такого же размера dx1,Dx4,Bx1, типа и конструкции.
| Обозначение | Конструктивные особенности | Внутренний (d) | Наружный (D) | Ширина (B) |
|---|---|---|---|---|
| 672H | Шариковый радиальный подшипник. Pressed Snap-Type Steel Cage. Hardened. | 2.00 | 4.00 | 1.20 |
| 691H | Шариковый радиальный подшипник. Pressed Snap-Type Steel Cage. Hardened. | 1.00 | 4.00 | 1.60 |
| 691XH | Шариковый радиальный подшипник. Double Row Flanged Cup. | 1.50 | 5.00 | 2.00 |
| F681H | Шариковый радиальный подшипник. Pressed Snap-Type Steel Cage. Hardened. | 1.00 | 3.00 | 1.00 |
| F681XH | Шариковый радиальный подшипник. Double Row Flanged Cup. | 1.50 | 4.00 | 1.20 |
| F682H | Шариковый радиальный подшипник. Pressed Snap-Type Steel Cage. Hardened. | 2.00 | 5.00 | 1.50 |
| F691H | Шариковый радиальный подшипник. Pressed Snap-Type Steel Cage. Hardened. | 1.00 | 4.00 | 1.60 |
| F691XH | Шариковый радиальный подшипник. Double Row Flanged Cup. | 1.50 | 5.00 | 2.00 |
| W 617/2 | Шариковый радиальный подшипник. Нержавеющая сталь. ISO Tolerance Class ABEC.9. | 2.00 | 4.00 | 1.20 |
| W 618/2 X | Шариковый радиальный подшипник. Нержавеющая сталь. Измененные размеры границ. введенные пересмотренными стандартами ISO. ISO Tolerance Class ABEC.9. | 2.00 | 5.00 | 2.00 |
| W 619/1.5 R | Шариковый радиальный подшипник. Нержавеющая сталь. С выпуклыми асимметричными роликами и обработанным сепаратором. Number Of Carriages Per Rail Track. Distance Between Beginning Of The Rail And First Hole In MM. | 1.50 | 5.00 | 2.00 |
| W 619/1 | Шариковый радиальный подшипник. Нержавеющая сталь. Number Of Carriages Per Rail Track. | 1.00 | 4.00 | 1.60 |
| W 638/1.5-2Z | Шариковый радиальный подшипник. Защитные металлические шайбы с обеих сторон подшипника. Нержавеющая сталь. Number Of Carriages Per Rail Track. Distance Between Beginning Of The Rail And First Hole In MM. | 1.50 | 4.00 | 2.00 |
| W 638/1 | Шариковый радиальный подшипник. Нержавеющая сталь. Number Of Carriages Per Rail Track. | 1.00 | 3.00 | 1.50 |
| WBB1-8700 | Шариковый радиальный подшипник. Нержавеющая сталь. | 1.20 | 4.00 | 1.80 |
Способы доставки
Отправка через ведущие транспортные и курьерские компании: ПЭК, Деловые Линии, СДЭК, Байкал-Сервис, Энергия, КИТ, ЖелДорЭкспедиция.
Самовывоз возможен напрямую со склада в Москве.
Сроки доставки
Срок зависит от региона и выбранной транспортной компании. Все заказы комплектуются и отправляются в кратчайшие сроки со склада в Москве.
Надёжность и сохранность
Вся продукция упаковывается с учётом требований транспортировки. Мы гарантируем, что подшипники и комплектующие прибудут к заказчику в полной сохранности.
Доставка в страны ЕАЭС
Мы работаем с проверенными логистическими партнёрами, что позволяет оперативно доставлять заказы в Беларусь, Казахстан, Армению и другие страны ЕАЭС.
Варианты оплаты:
Минимальная сумма заказа и скидки:
Документы и гарантии:
Да, конечно! Наши технические специалисты готовы помочь вам с подбором точного аналога или замены подшипника. Просто позвоните нам по телефону +7 (495) 104-99-04 или напишите на почту zakaz@podsnab.ru.
Для оперативной консультации подготовьте, пожалуйста, имеющиеся данные: маркировку, размеры, тип оборудования или артикул старого подшипника.
Да, конечно! Мы высоко ценим долгосрочное сотрудничество и доверие клиентов по всей России. Для постоянных клиентов действует персональная система скидок.
Условия формируются индивидуально и зависят от:
Чтобы узнать свои условия и получить максимально выгодное предложение, свяжитесь с персональным менеджером или напишите нам на почту zakaz@podsnab.ru.
Вы можете оформить заказ несколькими способами:
Для оформления заказа от юридического лица свяжитесь с нашим отделом по работе с корпоративными клиентами по телефону +7 (495) 104-99-04 или напишите на email zakaz@podsnab.ru, прикрепив реквизиты вашей организации.
Мы оперативно подготовим коммерческое предложение и выставим счет.
Возврат товара надлежащего качества возможен в течение 10 дней с момента получения, если товар не был в употреблении, сохранен товарный вид, упаковка не вскрывалась и присутствуют все сопроводительные документы.
Возврат денежных средств осуществляется в течение 10 рабочих дней после проверки товара складом.
В соответствии с законодательством возврату не подлежат подшипники надлежащего качества, если отсутствует оригинальная упаковка или имеются следы монтажа.
В случае выявления брака или гарантийного случая мы гарантируем возврат или обмен товара.
Да, гарантийный срок хранения устанавливается заводом-изготовителем и в среднем составляет 2 года при соблюдении условий хранения: сухое помещение, оригинальная упаковка и смазка.
Точный срок для конкретного типа подшипника уточняйте у наших менеджеров.
Пн–Пт: с 8:00 до 17:00 (МСК).
Сб–Вс: выходные дни.
Заказы на сайте принимаются круглосуточно. Заявки, поступившие после окончания рабочего дня, обрабатываются на следующий рабочий день.
Минимальная сумма заказа для доставки составляет 3000 рублей. Самовывоз со склада возможен на любую сумму при наличии товара.
ООО «УралТехГрупп»
ИНН: 7415093830
КПП: 772401001
ОГРН: 1167456069021
Банк: ПАО Сбербанк
Р/с: 40702810838000475273
К/с: 30101810400000000225
БИК: 044525225
У подшипника 425-2000154-ЮТ пока нет отзывов. Вы можете стать первым покупателем, поделившимся своим мнением.