Поиск подшипника
Статьи
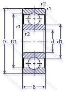
45-205 Б1Т1 — Шариковый радиальный однорядный подшипник, модификация основного исполнения 205, производство ГПЗ.
Размер подшипника: 25x52x15 мм.
180°, температура отпуска, сепаратор из безоловянистой бронзы.
Государственный стандарт ГОСТ
45205Б1Т1
В наличии
| Обозначение | Конструктивные изменения |
|---|---|
| 25-205 Ю2 | Все детали или часть деталей из нержавеющей стали.. |
| 25-205 Ю2П | Все детали или часть деталей из нержавеющей стали.. |
| 26-205 БТ2 | 200°. Температура отпуска. Сепаратор из безоловянистой бронзы.. |
| 35-205 Б3Т1 | 180°. Сепаратор из безоловянистой бронзы.. Температура отпуска. |
| 35-205 БТ1 | 180°. Сепаратор из безоловянистой бронзы.. Температура отпуска. |
| 35-205 Ю1 | Все детали или часть деталей из нержавеющей стали.. |
| 35-205 Ю12Т | Температура отпуска. 160°. Все детали или часть деталей из нержавеющей стали.. |
| 35-205 Ю1П | Все детали или часть деталей из нержавеющей стали.. |
| 35-205 Ю5 | Все детали или часть деталей из нержавеющей стали.. |
| 35-205 Ю7 | Все детали или часть деталей из нержавеющей стали.. |
| 35-205 Ю7П | Все детали или часть деталей из нержавеющей стали.. |
| 35-205 Ю8 | Все детали или часть деталей из нержавеющей стали.. |
| 35-205 ЮП1 | Все детали или часть деталей из нержавеющей стали.. |
| 45-205 БТ1 | 180°. Сепаратор из безоловянистой бронзы.. Температура отпуска. |
| 45-205 Ю10 | Все детали или часть деталей из нержавеющей стали.. |
| 45-205 Ю10П | Все детали или часть деталей из нержавеющей стали.. |
| 45-205 Ю10Т | Температура отпуска. 160°. Все детали или часть деталей из нержавеющей стали.. |
| 45-205 Ю4 | Все детали или часть деталей из нержавеющей стали.. |
| 5-205-АК | Повышенная грузоподъемность. |
| 5-205 Б | Сепаратор из безоловянистой бронзы.. |
| 5-205-Б3Т1 | 180°. Сепаратор из безоловянистой бронзы.. Температура отпуска. |
| 5-205-БТ1 | 180°. Сепаратор из безоловянистой бронзы.. Температура отпуска. |
| 5-205 ОР3 | Детали из теплоустойчивой (быстрорежущие) стали.. |
| 5-205-Ю | Все детали или часть деталей из нержавеющей стали.. |
| 5-205-Ю4 | Все детали или часть деталей из нержавеющей стали.. |
Модификации шарикового подшипника 45-205 Б1Т1 — это измененное основное конструктивное исполнение 205, основные размеры (25x52x15) не отличаются.
| Обозначение | Гост | Конструктивные особенности |
|---|---|---|
| 420205КЕ | ГОСТ | Сепаратор из текстолита.. |
| 450205-АК2 | ГОСТ | Повышенная грузоподъемность. |
| 5-180205-А1С9Ш2 | ГОСТ | Нормы шумности. Повышенная грузоподъемность. Смазка ЛЗ-31. |
| 50205-АЕ | ГОСТ | Сепаратор из текстолита.. Повышенная грузоподъемность. |
| 50205-АК | ГОСТ | Повышенная грузоподъемность. |
| 50205AE5У | ГОСТ | Дополнительные технические требования. |
| 580205-AC17 | ГОСТ | Литол-24. |
| 580205-А | ГОСТ | Повышенная грузоподъемность. |
| 580205-АЕК7С17 | ГОСТ | Смазка Литол-24. Сепаратор из текстолита.. Повышенная грузоподъемность. |
| 580205-АС17 | ГОСТ | Смазка Литол-24. Повышенная грузоподъемность. |
| 6-180205 А | ГОСТ | Повышенная грузоподъемность. |
| 6-180205 А1С9 | ГОСТ | Повышенная грузоподъемность. Смазка ЛЗ-31. |
| 6-180205 АКС17 | ГОСТ | Смазка Литол-24. Повышенная грузоподъемность. |
| 6-180205 АС17 | ГОСТ | Смазка Литол-24. Повышенная грузоподъемность. |
| 6-180205 АС17Ш1 | ГОСТ | Смазка Литол-24. Повышенная грузоподъемность. Нормы шумности. |
| 6-180205 К6С2 | ГОСТ | Смазка ЦИАТИМ-221. |
| 6-180205 КС9 | ГОСТ | «Замок» (скос) на внутреннем кольце плюс массивный сепаратор из текстолита. Смазка ЛЗ-31. |
| 6-180205 С17 | ГОСТ | Смазка Литол-24. |
| 6-180205 С9 | ГОСТ | Смазка ЛЗ-31. |
| 6-180205 Ш1 | ГОСТ | Нормы шумности. |
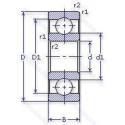
Аналог шарикового подшипника 45-205 Б1Т1 — это подшипник такого же размера dx25,Dx52,Bx15, типа и конструкции.
| Обозначение | Конструктивные особенности | Внутренний (d) | Наружный (D) | Ширина (B) |
|---|---|---|---|---|
| 5-36205 К | Шариковый радиально-упорный однорядный подшипник. «Замок» (скос) на внутреннем кольце плюс массивный сепаратор из текстолита. | 25.00 | 52.00 | 15.00 |
| 5-36205 К7 | Шариковый радиально-упорный однорядный подшипник. «Замок» (скос) на внутреннем кольце. | 25.00 | 52.00 | 15.00 |
| 5-36205-КЕ | Шариковый радиально-упорный однорядный подшипник. «Замок» (скос) на внутреннем кольце плюс массивный сепаратор из текстолита. Сепаратор из текстолита.. | 25.00 | 52.00 | 15.00 |
| 5-36205-Л | Шариковый радиально-упорный однорядный подшипник. Сепаратор из латуни.. | 25.00 | 52.00 | 15.00 |
| 5-42205 Б | Роликовый радиальный однорядный подшипник. Сепаратор из безоловянистой бронзы.. | 25.00 | 52.00 | 15.00 |
| 5-42205-Б1 | Роликовый радиальный однорядный подшипник. Сепаратор из безоловянистой бронзы.. | 25.00 | 52.00 | 15.00 |
| 5-42205 Д | Роликовый радиальный однорядный подшипник. Сепаратор из алюминиевого сплава.. | 25.00 | 52.00 | 15.00 |
| 5-42205 Д1 | Роликовый радиальный однорядный подшипник. Сепаратор из алюминиевого сплава.. | 25.00 | 52.00 | 15.00 |
| 5-42205-Р | Роликовый радиальный однорядный подшипник. Детали из теплоустойчивой (быстрорежущие) стали.. | 25.00 | 52.00 | 15.00 |
| 5-46205 Е | Шариковый радиально-упорный однорядный подшипник. Сепаратор из текстолита.. | 25.00 | 52.00 | 15.00 |
| 5-46205-Е3 | Шариковый радиально-упорный однорядный подшипник. Сепаратор из пластических материалов.. | 25.00 | 52.00 | 15.00 |
| 5-46205-Е5 | Шариковый радиально-упорный однорядный подшипник. Сепаратор из текстолита.. | 25.00 | 52.00 | 15.00 |
| 5-46205-Л | Шариковый радиально-упорный однорядный подшипник. Сепаратор из латуни.. | 25.00 | 52.00 | 15.00 |
| 50-102805 К2 | Роликовый радиальный однорядный подшипник. Кольцевая проточка на середине цилиндрической наружной поверхности наружного кольца плюс три отверстия для смазки. | 25.00 | 52.00 | 15.00 |
| 55-32205 Б3 | Роликовый радиальный однорядный подшипник. Сепаратор из безоловянистой бронзы.. | 25.00 | 52.00 | 15.00 |
Способы доставки
Отправка через ведущие транспортные и курьерские компании: ПЭК, Деловые Линии, СДЭК, Байкал-Сервис, Энергия, КИТ, ЖелДорЭкспедиция.
Самовывоз возможен напрямую со склада в Москве.
Сроки доставки
Срок зависит от региона и выбранной транспортной компании. Все заказы комплектуются и отправляются в кратчайшие сроки со склада в Москве.
Надёжность и сохранность
Вся продукция упаковывается с учётом требований транспортировки. Мы гарантируем, что подшипники и комплектующие прибудут к заказчику в полной сохранности.
Доставка в страны ЕАЭС
Мы работаем с проверенными логистическими партнёрами, что позволяет оперативно доставлять заказы в Беларусь, Казахстан, Армению и другие страны ЕАЭС.
Варианты оплаты:
Минимальная сумма заказа и скидки:
Документы и гарантии:
Да, конечно! Наши технические специалисты готовы помочь вам с подбором точного аналога или замены подшипника. Просто позвоните нам по телефону +7 (495) 104-99-04 или напишите на почту zakaz@podsnab.ru.
Для оперативной консультации подготовьте, пожалуйста, имеющиеся данные: маркировку, размеры, тип оборудования или артикул старого подшипника.
Да, конечно! Мы высоко ценим долгосрочное сотрудничество и доверие клиентов по всей России. Для постоянных клиентов действует персональная система скидок.
Условия формируются индивидуально и зависят от:
Чтобы узнать свои условия и получить максимально выгодное предложение, свяжитесь с персональным менеджером или напишите нам на почту zakaz@podsnab.ru.
Вы можете оформить заказ несколькими способами:
Для оформления заказа от юридического лица свяжитесь с нашим отделом по работе с корпоративными клиентами по телефону +7 (495) 104-99-04 или напишите на email zakaz@podsnab.ru, прикрепив реквизиты вашей организации.
Мы оперативно подготовим коммерческое предложение и выставим счет.
Возврат товара надлежащего качества возможен в течение 10 дней с момента получения, если товар не был в употреблении, сохранен товарный вид, упаковка не вскрывалась и присутствуют все сопроводительные документы.
Возврат денежных средств осуществляется в течение 10 рабочих дней после проверки товара складом.
В соответствии с законодательством возврату не подлежат подшипники надлежащего качества, если отсутствует оригинальная упаковка или имеются следы монтажа.
В случае выявления брака или гарантийного случая мы гарантируем возврат или обмен товара.
Да, гарантийный срок хранения устанавливается заводом-изготовителем и в среднем составляет 2 года при соблюдении условий хранения: сухое помещение, оригинальная упаковка и смазка.
Точный срок для конкретного типа подшипника уточняйте у наших менеджеров.
Пн–Пт: с 8:00 до 17:00 (МСК).
Сб–Вс: выходные дни.
Заказы на сайте принимаются круглосуточно. Заявки, поступившие после окончания рабочего дня, обрабатываются на следующий рабочий день.
Минимальная сумма заказа для доставки составляет 3000 рублей. Самовывоз со склада возможен на любую сумму при наличии товара.
ООО «УралТехГрупп»
ИНН: 7415093830
КПП: 772401001
ОГРН: 1167456069021
Банк: ПАО Сбербанк
Р/с: 40702810838000475273
К/с: 30101810400000000225
БИК: 044525225
У подшипника 45-205 Б1Т1 пока нет отзывов. Вы можете стать первым покупателем, поделившимся своим мнением.