Поиск подшипника
Статьи
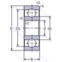
45-209 БТ1 — Шариковый радиальный однорядный подшипник, модификация основного исполнения 209, производство ГПЗ.
Размер подшипника: 45x85x19 мм.
180°, температура отпуска, сепаратор из безоловянистой бронзы.
Государственный стандарт ГОСТ
45209БТ1
В наличии
| Обозначение | Конструктивные изменения |
|---|---|
| 76-209 Е | Сепаратор из текстолита.. |
| 76-209 ЕШ2У | Сепаратор из текстолита.. Дополнительные технические требования. Нормы шумности. |
| 76-209 Ю1Т | Температура отпуска. 160°. Все детали или часть деталей из нержавеющей стали.. |
| 209-А | Повышенная грузоподъемность. |
| 209-А2 | Повышенная грузоподъемность. |
| 209-АК | Повышенная грузоподъемность. |
| 209-АК5 | Повышенная грузоподъемность. |
| 209-АС3 | Повышенная грузоподъемность. Смазка ВНИИНП-210. |
| 209-Е5 | Сепаратор из текстолита.. |
| 209-К5 | Повышенная грузоподъемность. |
| 209-Ю | Все детали или часть деталей из нержавеющей стали.. |
| 209E5 | Смазочные отверстия и канавки во внутреннем кольце. |
| 25-209 ЕШ2 | Сепаратор из текстолита.. Нормы шумности. |
| 26-209 Ю2 | Все детали или часть деталей из нержавеющей стали.. |
| 26-209 Ю2П | Все детали или часть деталей из нержавеющей стали.. |
| 26-209 Ю6 | Все детали или часть деталей из нержавеющей стали.. |
| 35-209 Ю4 | Все детали или часть деталей из нержавеющей стали.. |
| 36-209 Ю8 | Все детали или часть деталей из нержавеющей стали.. |
| 4-209 А | Повышенная грузоподъемность. |
| 45-209 Б1Т1 | 180°. Температура отпуска. Сепаратор из безоловянистой бронзы.. |
| 5-209 А | Повышенная грузоподъемность. |
| 5-209 Б1Т1 | 180°. Температура отпуска. Сепаратор из безоловянистой бронзы.. |
| 5-209 Б1УТ1 | Дополнительные технические требования. 180°. Температура отпуска. Сепаратор из безоловянистой бронзы.. |
| 5-209 БТУ | Дополнительные технические требования. Температура отпуска. 160°. Сепаратор из безоловянистой бронзы.. |
| 5-209 БУТ1 | Дополнительные технические требования. 180°. Сепаратор из безоловянистой бронзы.. Температура отпуска. |
Модификации шарикового подшипника 45-209 БТ1 — это измененное основное конструктивное исполнение 209, основные размеры (45x85x19) не отличаются.
| Обозначение | Гост | Конструктивные особенности |
|---|---|---|
| US209-28 | ISO | 1.3/4. |
| 6209NRZ | ISO | Защитная пластина с одной стороны. Канавка и стопорное кольцо на наружном кольце. |
| 6209NREE | ISO | Канавка и стопорное кольцо на наружном кольце. Контактные уплотнения с двух сторон. |
| 6209NRZZ | ISO | Защитные пластины с двух сторон. Канавка и стопорное кольцо на наружном кольце. |
| 6209HT200 | ISO | Ассортимент TOPLINE для высокой температуры - Максимум 200 С° с уплотнениями FKM с обеих сторон. |
| AB41780 | ISO | Однорядный радиально-упорный шариковый подшипник с полиамидным сепаратором. |
| AB41701 | ISO | Однорядный радиально-упорный шариковый подшипник с полиамидным сепаратором. |
| CUS209-28 | ISO | 1.3/4. |
| S6209-2Z | ISO | Защитные металлические шайбы с обеих сторон подшипника. |
| 150209-А | ГОСТ | Повышенная грузоподъемность. |
| 180209-А | ГОСТ | Повышенная грузоподъемность. |
| 180209-АС9 | ГОСТ | Повышенная грузоподъемность. Смазка ЛЗ-31. |
| 180209-С17 | ГОСТ | Смазка Литол-24. |
| 480209-С-17 | ГОСТ | Смазка Литол-24. |
| 50209-A | ГОСТ | Двухрядный радиально-упорный шарикоподшипник без отверстия для смазки. |
| 50209-А | ГОСТ | Повышенная грузоподъемность. |
| 50209-А1 | ГОСТ | Повышенная грузоподъемность. |
| 50209-А2 | ГОСТ | Повышенная грузоподъемность. |
| 50209-АК5 | ГОСТ | Повышенная грузоподъемность. |
| 50209-К1 | ГОСТ | «Замок» (скос) на внутреннем кольце плюс массивный сепаратор из текстолита. |
Аналог шарикового подшипника 45-209 БТ1 — это подшипник такого же размера dx45,Dx85,Bx19, типа и конструкции.
| Обозначение | Конструктивные особенности | Внутренний (d) | Наружный (D) | Ширина (B) |
|---|---|---|---|---|
| 5-32209 Р3 | Роликовый радиальный однорядный подшипник. Детали из теплоустойчивой (быстрорежущие) стали.. | 45.00 | 85.00 | 19.00 |
| 5-36209 АЕ | Шариковый радиально-упорный однорядный подшипник. Сепаратор из текстолита.. Повышенная грузоподъемность. | 45.00 | 85.00 | 19.00 |
| 5-36209 АЛ | Шариковый радиально-упорный однорядный подшипник. Сепаратор из латуни.. Повышенная грузоподъемность. | 45.00 | 85.00 | 19.00 |
| 5-36209 Е | Шариковый радиально-упорный однорядный подшипник. Сепаратор из текстолита.. | 45.00 | 85.00 | 19.00 |
| 5-36209 Л1 | Шариковый радиально-упорный однорядный подшипник. Сепаратор из латуни.. | 45.00 | 85.00 | 19.00 |
| 5-46209 АЕ | Шариковый радиально-упорный однорядный подшипник. Сепаратор из текстолита.. Повышенная грузоподъемность. | 45.00 | 85.00 | 19.00 |
| 5-46209 АЕ1 | Шариковый радиально-упорный однорядный подшипник. Сепаратор из текстолита.. Повышенная грузоподъемность. | 45.00 | 85.00 | 19.00 |
| 5-46209 АЛ | Шариковый радиально-упорный однорядный подшипник. Сепаратор из латуни.. Повышенная грузоподъемность. | 45.00 | 85.00 | 19.00 |
| 5-46209 Е | Шариковый радиально-упорный однорядный подшипник. Сепаратор из текстолита.. | 45.00 | 85.00 | 19.00 |
| 5-46209 Л | Шариковый радиально-упорный однорядный подшипник. Сепаратор из латуни.. | 45.00 | 85.00 | 19.00 |
| 55-2209 Р | Роликовый радиальный однорядный подшипник. Детали из теплоустойчивой (быстрорежущие) стали.. | 45.00 | 85.00 | 19.00 |
| 56-32209 Л2 | Роликовый радиальный однорядный подшипник. Сепаратор из латуни.. | 45.00 | 85.00 | 19.00 |
| 56-322209 Е2У | Роликовый радиальный однорядный подшипник. Дополнительные технические требования. Сепаратор из пластических материалов.. | 45.00 | 85.00 | 19.00 |
| 6-116209 Д | Шариковый радиально-упорный однорядный подшипник. Сепаратор из алюминиевого сплава.. | 45.00 | 85.00 | 19.00 |
| 6-126209 Б | Шариковый радиально-упорный однорядный подшипник. Сепаратор из безоловянистой бронзы.. | 45.00 | 85.00 | 19.00 |
Способы доставки
Отправка через ведущие транспортные и курьерские компании: ПЭК, Деловые Линии, СДЭК, Байкал-Сервис, Энергия, КИТ, ЖелДорЭкспедиция.
Самовывоз возможен напрямую со склада в Москве.
Сроки доставки
Срок зависит от региона и выбранной транспортной компании. Все заказы комплектуются и отправляются в кратчайшие сроки со склада в Москве.
Надёжность и сохранность
Вся продукция упаковывается с учётом требований транспортировки. Мы гарантируем, что подшипники и комплектующие прибудут к заказчику в полной сохранности.
Доставка в страны ЕАЭС
Мы работаем с проверенными логистическими партнёрами, что позволяет оперативно доставлять заказы в Беларусь, Казахстан, Армению и другие страны ЕАЭС.
Варианты оплаты:
Минимальная сумма заказа и скидки:
Документы и гарантии:
Да, конечно! Наши технические специалисты готовы помочь вам с подбором точного аналога или замены подшипника. Просто позвоните нам по телефону +7 (495) 104-99-04 или напишите на почту zakaz@podsnab.ru.
Для оперативной консультации подготовьте, пожалуйста, имеющиеся данные: маркировку, размеры, тип оборудования или артикул старого подшипника.
Да, конечно! Мы высоко ценим долгосрочное сотрудничество и доверие клиентов по всей России. Для постоянных клиентов действует персональная система скидок.
Условия формируются индивидуально и зависят от:
Чтобы узнать свои условия и получить максимально выгодное предложение, свяжитесь с персональным менеджером или напишите нам на почту zakaz@podsnab.ru.
Вы можете оформить заказ несколькими способами:
Для оформления заказа от юридического лица свяжитесь с нашим отделом по работе с корпоративными клиентами по телефону +7 (495) 104-99-04 или напишите на email zakaz@podsnab.ru, прикрепив реквизиты вашей организации.
Мы оперативно подготовим коммерческое предложение и выставим счет.
Возврат товара надлежащего качества возможен в течение 10 дней с момента получения, если товар не был в употреблении, сохранен товарный вид, упаковка не вскрывалась и присутствуют все сопроводительные документы.
Возврат денежных средств осуществляется в течение 10 рабочих дней после проверки товара складом.
В соответствии с законодательством возврату не подлежат подшипники надлежащего качества, если отсутствует оригинальная упаковка или имеются следы монтажа.
В случае выявления брака или гарантийного случая мы гарантируем возврат или обмен товара.
Да, гарантийный срок хранения устанавливается заводом-изготовителем и в среднем составляет 2 года при соблюдении условий хранения: сухое помещение, оригинальная упаковка и смазка.
Точный срок для конкретного типа подшипника уточняйте у наших менеджеров.
Пн–Пт: с 8:00 до 17:00 (МСК).
Сб–Вс: выходные дни.
Заказы на сайте принимаются круглосуточно. Заявки, поступившие после окончания рабочего дня, обрабатываются на следующий рабочий день.
Минимальная сумма заказа для доставки составляет 3000 рублей. Самовывоз со склада возможен на любую сумму при наличии товара.
ООО «УралТехГрупп»
ИНН: 7415093830
КПП: 772401001
ОГРН: 1167456069021
Банк: ПАО Сбербанк
Р/с: 40702810838000475273
К/с: 30101810400000000225
БИК: 044525225
У подшипника 45-209 БТ1 пока нет отзывов. Вы можете стать первым покупателем, поделившимся своим мнением.