Поиск подшипника
Статьи
5-1000085-Ю — Шариковый радиальный однорядный подшипник, модификация основного исполнения 1000085, производство ГПЗ.
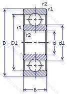
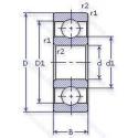
Размер подшипника: 5x11x3 мм.
Все детали или часть деталей из нержавеющей стали.
Аналоги: 6185P5HW.
Государственный стандарт ГОСТ
51000085Ю
В наличии
| Обозначение | Конструктивные изменения |
|---|---|
| 1000085 | Шариковый радиальный однорядный подшипник. Основное конструктивное исполнение. |
| 5-1000085-ЮТ | Температура отпуска. 160°. Все детали или часть деталей из нержавеющей стали.. |
| 5-1000085-ЮУ | Дополнительные технические требования. Все детали или часть деталей из нержавеющей стали.. |
| 5-1000085 ЮУТ | Дополнительные технические требования. Температура отпуска. 160°. Все детали или часть деталей из нержавеющей стали.. |
| 6-1000085 Ю | Все детали или часть деталей из нержавеющей стали.. |
| 6-1000085 ЮТ | Температура отпуска. 160°. Все детали или часть деталей из нержавеющей стали.. |
Модификации шарикового подшипника 5-1000085-Ю — это измененное основное конструктивное исполнение 1000085, основные размеры (5x11x3) не отличаются.
| Обозначение | Гост | Конструктивные особенности |
|---|---|---|
| 25-76 Ю | ГОСТ | Все детали или часть деталей из нержавеющей стали.. |
| 25-76 Ю2 | ГОСТ | Все детали или часть деталей из нержавеющей стали.. |
| 26-1000094 ЮТ | ГОСТ | Температура отпуска. 160°. Все детали или часть деталей из нержавеющей стали.. |
| 26-1000094 ЮТП | ГОСТ | Температура отпуска. 160°. Все детали или часть деталей из нержавеющей стали.. |
| 34-840076 ЮТ | ГОСТ | Температура отпуска. 160°. Все детали или часть деталей из нержавеющей стали.. |
| 4-1000094-ЮТ | ГОСТ | Температура отпуска. 160°. Все детали или часть деталей из нержавеющей стали.. |
| 4-1080094 ЮТС20 | ГОСТ | Температура отпуска. 160°. Все детали или часть деталей из нержавеющей стали.. Смазка ВНИИНП-274. |
| 4-3860006 ЮТ | ГОСТ | Температура отпуска. 160°. Все детали или часть деталей из нержавеющей стали.. |
| 4-640014-К1П | ГОСТ | «Замок» (скос) на внутреннем кольце плюс массивный сепаратор из текстолита. |
| 4М5-76 ЮТ | ГОСТ | Температура отпуска. 160°. Все детали или часть деталей из нержавеющей стали.. |
| 5-1000094 Т2 | ГОСТ | 200°. Температура отпуска. |
| 5-1000094 УТ2 | ГОСТ | Дополнительные технические требования. 200°. Температура отпуска. |
| 5-1000094 ЮТ | ГОСТ | Температура отпуска. 160°. Все детали или часть деталей из нержавеющей стали.. |
| 5-1080094 ЮТ | ГОСТ | Температура отпуска. 160°. Все детали или часть деталей из нержавеющей стали.. |
| 5-1080094 ЮТС2 | ГОСТ | Температура отпуска. 160°. Все детали или часть деталей из нержавеющей стали.. Смазка ЦИАТИМ-221. |
| 5-1840094 Ю | ГОСТ | Все детали или часть деталей из нержавеющей стали.. |
| 5-3880076 ЮС1 | ГОСТ | Все детали или часть деталей из нержавеющей стали.. Смазка ОКБ 122-7. |
| 5-640014 К | ГОСТ | «Замок» (скос) на внутреннем кольце плюс массивный сепаратор из текстолита. |
| 6-1000094 ЮТ | ГОСТ | Температура отпуска. 160°. Все детали или часть деталей из нержавеющей стали.. |
| 6-1000094 ЮТП | ГОСТ | Температура отпуска. 160°. Все детали или часть деталей из нержавеющей стали.. |
Аналог шарикового подшипника 5-1000085-Ю — это подшипник такого же размера dx5,Dx11,Bx3, типа и конструкции.
| Обозначение | Конструктивные особенности | Внутренний (d) | Наружный (D) | Ширина (B) |
|---|---|---|---|---|
| F604H | Шариковый радиальный подшипник. Pressed Snap-Type Steel Cage. Hardened. | 4.00 | 12.00 | 4.00 |
| F694H | Шариковый радиальный подшипник. Pressed Snap-Type Steel Cage. Hardened. | 4.00 | 11.00 | 4.00 |
| W 617/6 R | Шариковый радиальный подшипник. Нержавеющая сталь. С выпуклыми асимметричными роликами и обработанным сепаратором. Exxon Aviation Instrument Oil. | 6.00 | 10.00 | 2.50 |
| W 627/6 XR | Шариковый радиальный подшипник. Нержавеющая сталь. Exxon Aviation Instrument Oil. | 6.00 | 12.00 | 3.00 |
| W 627/6 R-2Z | Шариковый радиальный подшипник. Защитные металлические шайбы с обеих сторон подшипника. Нержавеющая сталь. С выпуклыми асимметричными роликами и обработанным сепаратором. Exxon Aviation Instrument Oil. | 6.00 | 10.00 | 3.00 |
| W 637/4 XR | Шариковый радиальный подшипник. Нержавеющая сталь. Подшипник с чрезвычайно высокой точностью вращения (Abec9) и допуском формы (Abec7). | 4.00 | 10.00 | 3.00 |
| W 638/4 XR-2Z | Шариковый радиальный подшипник. Защитные металлические шайбы с обеих сторон подшипника. Нержавеющая сталь. Подшипник с чрезвычайно высокой точностью вращения (Abec9) и допуском формы (Abec7). | 4.00 | 10.00 | 4.00 |
| WBB1-8706 R-2RS1 | Шариковый радиальный подшипник. Усиленные листовой сталью контактные уплотнения из акрилонитрил-бутадиенового каучука (NBR) с обеих сторон подшипника. С выпуклыми асимметричными роликами и обработанным сепаратором. Нержавеющая сталь. | 6.00 | 12.00 | 4.00 |
| WBB1-8706 R-2Z | Шариковый радиальный подшипник. Защитные металлические шайбы с обеих сторон подшипника. С выпуклыми асимметричными роликами и обработанным сепаратором. Нержавеющая сталь. | 6.00 | 12.00 | 4.00 |
| 34-76 ЮТ | Шариковый радиальный подшипник. Температура отпуска. 160°. Все детали или часть деталей из нержавеющей стали.. | 6.00 | 10.00 | 2.50 |
| ШСП4 | Шарнирный подшипник. С отверстиями и канавками для смазки во внутреннем кольце. | 4.00 | 12.00 | 3.00 |
| ШСП4К | Шарнирный подшипник. Канавка и отверстие для смазки на внутреннем и наружном кольцах.. С отверстиями и канавками для смазки во внутреннем кольце. | 4.00 | 12.00 | 3.00 |
| 5-1006094 Е | Шариковый радиально-упорный однорядный подшипник. Сепаратор из текстолита.. | 4.00 | 11.00 | 4.00 |
| 5-1006094 Ю1Т | Шариковый радиально-упорный однорядный подшипник. Температура отпуска. 160°. Все детали или часть деталей из нержавеющей стали.. | 4.00 | 11.00 | 4.00 |
| 5-8074 Л | Шариковый упорный однорядный подшипник. Сепаратор из латуни.. | 4.00 | 10.00 | 4.00 |
Способы доставки
Отправка через ведущие транспортные и курьерские компании: ПЭК, Деловые Линии, СДЭК, Байкал-Сервис, Энергия, КИТ, ЖелДорЭкспедиция.
Самовывоз возможен напрямую со склада в Москве.
Сроки доставки
Срок зависит от региона и выбранной транспортной компании. Все заказы комплектуются и отправляются в кратчайшие сроки со склада в Москве.
Надёжность и сохранность
Вся продукция упаковывается с учётом требований транспортировки. Мы гарантируем, что подшипники и комплектующие прибудут к заказчику в полной сохранности.
Доставка в страны ЕАЭС
Мы работаем с проверенными логистическими партнёрами, что позволяет оперативно доставлять заказы в Беларусь, Казахстан, Армению и другие страны ЕАЭС.
Варианты оплаты:
Минимальная сумма заказа и скидки:
Документы и гарантии:
Да, конечно! Наши технические специалисты готовы помочь вам с подбором точного аналога или замены подшипника. Просто позвоните нам по телефону +7 (495) 104-99-04 или напишите на почту zakaz@podsnab.ru.
Для оперативной консультации подготовьте, пожалуйста, имеющиеся данные: маркировку, размеры, тип оборудования или артикул старого подшипника.
Да, конечно! Мы высоко ценим долгосрочное сотрудничество и доверие клиентов по всей России. Для постоянных клиентов действует персональная система скидок.
Условия формируются индивидуально и зависят от:
Чтобы узнать свои условия и получить максимально выгодное предложение, свяжитесь с персональным менеджером или напишите нам на почту zakaz@podsnab.ru.
Вы можете оформить заказ несколькими способами:
Для оформления заказа от юридического лица свяжитесь с нашим отделом по работе с корпоративными клиентами по телефону +7 (495) 104-99-04 или напишите на email zakaz@podsnab.ru, прикрепив реквизиты вашей организации.
Мы оперативно подготовим коммерческое предложение и выставим счет.
Возврат товара надлежащего качества возможен в течение 10 дней с момента получения, если товар не был в употреблении, сохранен товарный вид, упаковка не вскрывалась и присутствуют все сопроводительные документы.
Возврат денежных средств осуществляется в течение 10 рабочих дней после проверки товара складом.
В соответствии с законодательством возврату не подлежат подшипники надлежащего качества, если отсутствует оригинальная упаковка или имеются следы монтажа.
В случае выявления брака или гарантийного случая мы гарантируем возврат или обмен товара.
Да, гарантийный срок хранения устанавливается заводом-изготовителем и в среднем составляет 2 года при соблюдении условий хранения: сухое помещение, оригинальная упаковка и смазка.
Точный срок для конкретного типа подшипника уточняйте у наших менеджеров.
Пн–Пт: с 8:00 до 17:00 (МСК).
Сб–Вс: выходные дни.
Заказы на сайте принимаются круглосуточно. Заявки, поступившие после окончания рабочего дня, обрабатываются на следующий рабочий день.
Минимальная сумма заказа для доставки составляет 3000 рублей. Самовывоз со склада возможен на любую сумму при наличии товара.
ООО «УралТехГрупп»
ИНН: 7415093830
КПП: 772401001
ОГРН: 1167456069021
Банк: ПАО Сбербанк
Р/с: 40702810838000475273
К/с: 30101810400000000225
БИК: 044525225
У подшипника 5-1000085-Ю пока нет отзывов. Вы можете стать первым покупателем, поделившимся своим мнением.