Поиск подшипника
Статьи
5-1000098 Т2 — Шариковый радиальный однорядный подшипник, модификация основного исполнения 1000098, производство ГПЗ.
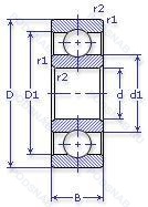
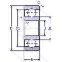
Размер подшипника: 8x19x6 мм.
200°, температура отпуска.
Государственный стандарт ГОСТ
51000098Т2
В наличии
| Обозначение | Конструктивные изменения |
|---|---|
| 1000098-А | Повышенная грузоподъемность. |
| 7-1000098 | Шариковый радиальный однорядный подшипник. |
| 1000098 | Шариковый радиальный однорядный подшипник. Основное конструктивное исполнение. |
| 1000098-Л | Сепаратор из латуни.. |
| 2-1000098 | Шариковый радиальный однорядный подшипник. |
| 24-1000098 ЮТ | Температура отпуска. 160°. Все детали или часть деталей из нержавеющей стали.. |
| 2М5-1000098 | Модифицированный контакт.. |
| 4-1000098 | Шариковый радиальный однорядный подшипник. |
| 5-1000098 | Шариковый радиальный однорядный подшипник. |
| 5-1000098 Г | Сепаратор из черных металлов.. |
| 5-1000098 Ю1Т | Температура отпуска. 160°. Все детали или часть деталей из нержавеющей стали.. |
| 5-1000098 ЮТ | Температура отпуска. 160°. Все детали или часть деталей из нержавеющей стали.. |
| 6-1000098 | Шариковый радиальный однорядный подшипник. |
| 6-1000098 Л | Сепаратор из латуни.. |
| 6-1000098 ЮТ | Температура отпуска. 160°. Все детали или часть деталей из нержавеющей стали.. |
Модификации шарикового подшипника 5-1000098 Т2 — это измененное основное конструктивное исполнение 1000098, основные размеры (8x19x6) не отличаются.
| Обозначение | Гост | Конструктивные особенности |
|---|---|---|
| 24-1080099 С2 | ГОСТ | Смазка ЦИАТИМ-221. |
| 26-17 Ю | ГОСТ | Все детали или часть деталей из нержавеющей стали.. |
| 26-17 ЮП | ГОСТ | Все детали или часть деталей из нержавеющей стали.. |
| 26-17 ЮТ | ГОСТ | Температура отпуска. 160°. Все детали или часть деталей из нержавеющей стали.. |
| 26-17 ЮТП | ГОСТ | Температура отпуска. 160°. Все детали или часть деталей из нержавеющей стали.. |
| 34-1080098 КУС21 | ГОСТ | Дополнительные технические требования. Смазка ЭРА. |
| 4-1000099 ЮТ | ГОСТ | Температура отпуска. 160°. Все детали или часть деталей из нержавеющей стали.. |
| 5-1000099 Л | ГОСТ | Сепаратор из латуни.. |
| 5-1000099 ЮТ | ГОСТ | Температура отпуска. 160°. Все детали или часть деталей из нержавеющей стали.. |
| 5-17 Т2 | ГОСТ | 200°. Температура отпуска. |
| 5-17 Ш3 | ГОСТ | Нормы шумности. |
| 5-17 ЮТ | ГОСТ | Температура отпуска. 160°. Все детали или часть деталей из нержавеющей стали.. |
| 524-1000099-К | ГОСТ | «Замок» (скос) на внутреннем кольце плюс массивный сепаратор из текстолита. |
| 534-1080098-КТ1УС21 | ГОСТ | Дополнительные технические требования. 180°. Смазка ЭРА. Температура отпуска. |
| 6-1000099 Т2 | ГОСТ | 200°. Температура отпуска. |
| 6-1000099 ЮТ | ГОСТ | Температура отпуска. 160°. Все детали или часть деталей из нержавеющей стали.. |
| 6-1000099 ЮТП | ГОСТ | Температура отпуска. 160°. Все детали или часть деталей из нержавеющей стали.. |
| 6-17 Т2 | ГОСТ | 200°. Температура отпуска. |
| 6-17 Ю | ГОСТ | Все детали или часть деталей из нержавеющей стали.. |
| 6-17 ЮТ | ГОСТ | Температура отпуска. 160°. Все детали или часть деталей из нержавеющей стали.. |
Аналог шарикового подшипника 5-1000098 Т2 — это подшипник такого же размера dx8,Dx19,Bx6, типа и конструкции.
| Обозначение | Конструктивные особенности | Внутренний (d) | Наружный (D) | Ширина (B) |
|---|---|---|---|---|
| W 619/8-2RZ | Шариковый радиальный подшипник. Шарикоподшипник. С уплотнением и низким коэффициентом трения с обеих сторон. Уплотнение состоит из шайбы из листовой стали с вулканизированной резиной. Нержавеющая сталь. Средний предварительный натяг. | 8.00 | 19.00 | 6.00 |
| W 619/8 | Шариковый радиальный подшипник. Нержавеющая сталь. Средний предварительный натяг. | 8.00 | 19.00 | 6.00 |
| W 619/8 R-2RS1 | Шариковый радиальный подшипник. Усиленные листовой сталью контактные уплотнения из акрилонитрил-бутадиенового каучука (NBR) с обеих сторон подшипника. Нержавеющая сталь. С выпуклыми асимметричными роликами и обработанным сепаратором. Средний предварительный натяг. | 8.00 | 19.00 | 6.00 |
| W 619/9 | Шариковый радиальный подшипник. Largest Fill. Нержавеющая сталь. | 9.00 | 20.00 | 6.00 |
| W 619/9-2RZ | Шариковый радиальный подшипник. Шарикоподшипник. С уплотнением и низким коэффициентом трения с обеих сторон. Уплотнение состоит из шайбы из листовой стали с вулканизированной резиной. Largest Fill. Нержавеющая сталь. | 9.00 | 20.00 | 6.00 |
| W 619/9-2RS1 | Шариковый радиальный подшипник. Усиленные листовой сталью контактные уплотнения из акрилонитрил-бутадиенового каучука (NBR) с обеих сторон подшипника. Largest Fill. Нержавеющая сталь. | 9.00 | 20.00 | 6.00 |
| W 619/8 R-2Z | Шариковый радиальный подшипник. Защитные металлические шайбы с обеих сторон подшипника. Нержавеющая сталь. С выпуклыми асимметричными роликами и обработанным сепаратором. Средний предварительный натяг. | 8.00 | 19.00 | 6.00 |
| W 619/9 R-2RS1 | Шариковый радиальный подшипник. Усиленные листовой сталью контактные уплотнения из акрилонитрил-бутадиенового каучука (NBR) с обеих сторон подшипника. Largest Fill. Нержавеющая сталь. С выпуклыми асимметричными роликами и обработанным сепаратором. | 9.00 | 20.00 | 6.00 |
| 6017-Е | Шариковый радиально-упорный однорядный подшипник. Сепаратор из текстолита.. | 7.00 | 19.00 | 6.00 |
| 6017-Л | Шариковый радиально-упорный однорядный подшипник. Сепаратор из латуни.. | 7.00 | 19.00 | 6.00 |
| 6017К | Шариковый радиально-упорный однорядный подшипник. «Замок» (скос) на внутреннем кольце плюс массивный сепаратор из текстолита. | 7.00 | 19.00 | 6.00 |
| НШЛТ9 Ю1Т | Шарнирный подшипник. Температура отпуска. 160°. Одно или два кольца из нержавеющей стали.. | 9.00 | 20.00 | 6.00 |
| 46017К | Шариковый радиально-упорный однорядный подшипник. «Замок» (скос) на внутреннем кольце плюс массивный сепаратор из текстолита. | 7.00 | 19.00 | 6.00 |
| 5-6017 К | Шариковый радиально-упорный однорядный подшипник. «Замок» (скос) на внутреннем кольце плюс массивный сепаратор из текстолита. | 7.00 | 19.00 | 6.00 |
| 5-6017 У | Шариковый радиально-упорный однорядный подшипник. Дополнительные технические требования. | 7.00 | 19.00 | 6.00 |
Способы доставки
Отправка через ведущие транспортные и курьерские компании: ПЭК, Деловые Линии, СДЭК, Байкал-Сервис, Энергия, КИТ, ЖелДорЭкспедиция.
Самовывоз возможен напрямую со склада в Москве.
Сроки доставки
Срок зависит от региона и выбранной транспортной компании. Все заказы комплектуются и отправляются в кратчайшие сроки со склада в Москве.
Надёжность и сохранность
Вся продукция упаковывается с учётом требований транспортировки. Мы гарантируем, что подшипники и комплектующие прибудут к заказчику в полной сохранности.
Доставка в страны ЕАЭС
Мы работаем с проверенными логистическими партнёрами, что позволяет оперативно доставлять заказы в Беларусь, Казахстан, Армению и другие страны ЕАЭС.
Варианты оплаты:
Минимальная сумма заказа и скидки:
Документы и гарантии:
Да, конечно! Наши технические специалисты готовы помочь вам с подбором точного аналога или замены подшипника. Просто позвоните нам по телефону +7 (495) 104-99-04 или напишите на почту zakaz@podsnab.ru.
Для оперативной консультации подготовьте, пожалуйста, имеющиеся данные: маркировку, размеры, тип оборудования или артикул старого подшипника.
Да, конечно! Мы высоко ценим долгосрочное сотрудничество и доверие клиентов по всей России. Для постоянных клиентов действует персональная система скидок.
Условия формируются индивидуально и зависят от:
Чтобы узнать свои условия и получить максимально выгодное предложение, свяжитесь с персональным менеджером или напишите нам на почту zakaz@podsnab.ru.
Вы можете оформить заказ несколькими способами:
Для оформления заказа от юридического лица свяжитесь с нашим отделом по работе с корпоративными клиентами по телефону +7 (495) 104-99-04 или напишите на email zakaz@podsnab.ru, прикрепив реквизиты вашей организации.
Мы оперативно подготовим коммерческое предложение и выставим счет.
Возврат товара надлежащего качества возможен в течение 10 дней с момента получения, если товар не был в употреблении, сохранен товарный вид, упаковка не вскрывалась и присутствуют все сопроводительные документы.
Возврат денежных средств осуществляется в течение 10 рабочих дней после проверки товара складом.
В соответствии с законодательством возврату не подлежат подшипники надлежащего качества, если отсутствует оригинальная упаковка или имеются следы монтажа.
В случае выявления брака или гарантийного случая мы гарантируем возврат или обмен товара.
Да, гарантийный срок хранения устанавливается заводом-изготовителем и в среднем составляет 2 года при соблюдении условий хранения: сухое помещение, оригинальная упаковка и смазка.
Точный срок для конкретного типа подшипника уточняйте у наших менеджеров.
Пн–Пт: с 8:00 до 17:00 (МСК).
Сб–Вс: выходные дни.
Заказы на сайте принимаются круглосуточно. Заявки, поступившие после окончания рабочего дня, обрабатываются на следующий рабочий день.
Минимальная сумма заказа для доставки составляет 3000 рублей. Самовывоз со склада возможен на любую сумму при наличии товара.
ООО «УралТехГрупп»
ИНН: 7415093830
КПП: 772401001
ОГРН: 1167456069021
Банк: ПАО Сбербанк
Р/с: 40702810838000475273
К/с: 30101810400000000225
БИК: 044525225
У подшипника 5-1000098 Т2 пока нет отзывов. Вы можете стать первым покупателем, поделившимся своим мнением.