Поиск подшипника
Статьи
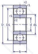
5-1000917 Б — Шариковый радиальный однорядный подшипник, модификация основного исполнения 1000917, производство ГПЗ.
Размер подшипника: 85x120x18 мм.
Сепаратор из безоловянистой бронзы.
Государственный стандарт ГОСТ
51000917Б
В наличии
| Обозначение | Конструктивные изменения |
|---|---|
| 65-1000917 Л | Сепаратор из латуни.. |
| 66-1000917 Л | Сепаратор из латуни.. |
| 8-1000917 Л | Сепаратор из латуни.. |
| 1000917 | Шариковый радиальный однорядный подшипник. Основное конструктивное исполнение. |
| 1000917-Л | Сепаратор из латуни.. |
| 35-1000917 БТ2 | 200°. Температура отпуска. Сепаратор из безоловянистой бронзы.. |
| 4-1000917 Ю | Все детали или часть деталей из нержавеющей стали.. |
| 5-1000917 | Шариковый радиальный однорядный подшипник. |
| 5-1000917 Л | Сепаратор из латуни.. |
| 6-1000917 Л | Сепаратор из латуни.. |
Модификации шарикового подшипника 5-1000917 Б — это измененное основное конструктивное исполнение 1000917, основные размеры (85x120x18) не отличаются.
| Обозначение | Гост | Конструктивные особенности |
|---|---|---|
| 61917-2RS | ISO | Резиновые уплотнения с каждой стороны подшипника. |
| 6917-2RZ | ISO | Шарикоподшипник. С уплотнением и низким коэффициентом трения с обеих сторон. Уплотнение состоит из шайбы из листовой стали с вулканизированной резиной. |
| 6917Z | ISO | щит из листовой прессованной стали с одной стороны подшипника. |
| 6917-RZ | ISO | Один стальное уплотнение и одно резиновое. |
| 6917-RS | ISO | Резиновое уплотнение с одной стороны. |
| 6917N | ISO | Канавка для стопорного кольца на наружном кольце. |
| 6917-2RU | ISO | Non Contact Type Friction Torque = Small High Speed Performance = Good Grease Sealing = Better Than ZZ-Type Dirt Resistance = Better Than ZZ-Type Water Resistance = Better Than ZZ / Inferior To 2RS Operating Temp. -30°C To + 100°C. |
| 6917-2RD | ISO | Облегченное контактное уплотнение с двух сторон.. |
| 6917DDU | ISO | Резиновые уплотнения с каждой стороны подшипника. |
| 6917VV | ISO | Защитные металлические шайбы. с обеих сторон подшипника. Бесконтактное уплотнение. (лучше. чем ZZ. Можно использовать в умеренно запыленной среде). |
| 6917LLB | ISO | Уплотнение бесконтактного типа из синтетического каучука. |
| S61917-2RS | ISO | Резиновые уплотнения с каждой стороны подшипника. |
| 61917-2Z | ISO | Защитные металлические шайбы с обеих сторон подшипника. |
| 3NC HAR917C FT | ISO | Угол контакта 20 градусов. REINFORCED PHENOLIC CAGE. |
| 3NCHAC917C | ISO | Угол контакта 20 градусов. |
| 3NCHAC917CA | ISO | Угол контакта 20 градусов. Латунный сепаратор с симметричными роликами. |
| 3NCHAF917CA | ISO | Угол контакта 20 градусов. Латунный сепаратор с симметричными роликами. |
| 3NCHAR917 | ISO | Угол контакта 20 градусов. |
| 3NCHAR917CA | ISO | Угол контакта 20 градусов. Латунный сепаратор с симметричными роликами. |
| 3NCHAR917C | ISO | Угол контакта 20 градусов. |
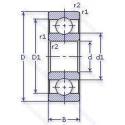
Аналог шарикового подшипника 5-1000917 Б — это подшипник такого же размера dx85,Dx120,Bx18, типа и конструкции.
| Обозначение | Конструктивные особенности | Внутренний (d) | Наружный (D) | Ширина (B) |
|---|---|---|---|---|
| 5S-2LA-HSE917G/GNP42 | Шариковый радиально-упорный однорядный подшипник. Универсальный подшипник. Класс точности JIS4 для размеров и JIS 2 для точности вращения. Гибридный подшипник. | 85.00 | 120.00 | 18.00 |
| 71917AC | Шариковый радиально-упорный однорядный подшипник. Суффикс для радиально-упорного шарикоподшипника. | 85.00 | 120.00 | 18.00 |
| 1036917К | Шариковый радиально-упорный однорядный подшипник. «Замок» (скос) на внутреннем кольце плюс массивный сепаратор из текстолита. | 85.00 | 120.00 | 18.00 |
| 1046917К | Шариковый радиально-упорный однорядный подшипник. «Замок» (скос) на внутреннем кольце плюс массивный сепаратор из текстолита. | 85.00 | 120.00 | 18.00 |
| C71917 DB/P7 | Шариковый радиальный подшипник. Тороидальный подшипник CARB. Two Single Row Deep Groove Ball Bearings. Single Row Angular Contact Ball Bearings Or Single Row Tapered Roller Bearings Matched For Mounting In A Back-To-Back Arrangement. Точность размеров соответствует классу ISO 4. Точность хода лучше. чем ISO Class 4. | 85.00 | 120.00 | 18.00 |
| C71917 FB/P7 | Шариковый радиальный подшипник. Тороидальный подшипник CARB. Точность размеров соответствует классу ISO 4. Точность хода лучше. чем ISO Class 4. 18° Угол контакта. High Speed Design. | 85.00 | 120.00 | 18.00 |
| S71917 DB/P7 | Шариковый радиальный подшипник. Two Single Row Deep Groove Ball Bearings. Single Row Angular Contact Ball Bearings Or Single Row Tapered Roller Bearings Matched For Mounting In A Back-To-Back Arrangement. Точность размеров соответствует классу ISO 4. Точность хода лучше. чем ISO Class 4. | 85.00 | 120.00 | 18.00 |
| S71917 FB/P7 | Шариковый радиальный подшипник. Точность размеров соответствует классу ISO 4. Точность хода лучше. чем ISO Class 4. 18° Угол контакта. High Speed Design. | 85.00 | 120.00 | 18.00 |
| SC71917 DB/P7 | Шариковый радиальный подшипник. Two Single Row Deep Groove Ball Bearings. Single Row Angular Contact Ball Bearings Or Single Row Tapered Roller Bearings Matched For Mounting In A Back-To-Back Arrangement. Точность размеров соответствует классу ISO 4. Точность хода лучше. чем ISO Class 4. | 85.00 | 120.00 | 18.00 |
| SC71917 FB/P7 | Шариковый радиальный подшипник. Точность размеров соответствует классу ISO 4. Точность хода лучше. чем ISO Class 4. 18° Угол контакта. High Speed Design. | 85.00 | 120.00 | 18.00 |
| W 61917-2Z | Шариковый радиальный подшипник. Защитные металлические шайбы с обеих сторон подшипника. Нержавеющая сталь. | 85.00 | 120.00 | 18.00 |
| W 61917 | Шариковый радиальный подшипник. Нержавеющая сталь. | 85.00 | 120.00 | 18.00 |
| W 61917-2RS1 | Шариковый радиальный подшипник. Усиленные листовой сталью контактные уплотнения из акрилонитрил-бутадиенового каучука (NBR) с обеих сторон подшипника. Нержавеющая сталь. | 85.00 | 120.00 | 18.00 |
| 56-1032917 Б2Т2 | Роликовый радиальный однорядный подшипник. 200°. Температура отпуска. Сепаратор из безоловянистой бронзы.. | 85.00 | 120.00 | 18.00 |
| 6-1032917 Б2Т2 | Роликовый радиальный однорядный подшипник. 200°. Температура отпуска. Сепаратор из безоловянистой бронзы.. | 85.00 | 120.00 | 18.00 |
Способы доставки
Отправка через ведущие транспортные и курьерские компании: ПЭК, Деловые Линии, СДЭК, Байкал-Сервис, Энергия, КИТ, ЖелДорЭкспедиция.
Самовывоз возможен напрямую со склада в Москве.
Сроки доставки
Срок зависит от региона и выбранной транспортной компании. Все заказы комплектуются и отправляются в кратчайшие сроки со склада в Москве.
Надёжность и сохранность
Вся продукция упаковывается с учётом требований транспортировки. Мы гарантируем, что подшипники и комплектующие прибудут к заказчику в полной сохранности.
Доставка в страны ЕАЭС
Мы работаем с проверенными логистическими партнёрами, что позволяет оперативно доставлять заказы в Беларусь, Казахстан, Армению и другие страны ЕАЭС.
Варианты оплаты:
Минимальная сумма заказа и скидки:
Документы и гарантии:
Да, конечно! Наши технические специалисты готовы помочь вам с подбором точного аналога или замены подшипника. Просто позвоните нам по телефону +7 (495) 104-99-04 или напишите на почту zakaz@podsnab.ru.
Для оперативной консультации подготовьте, пожалуйста, имеющиеся данные: маркировку, размеры, тип оборудования или артикул старого подшипника.
Да, конечно! Мы высоко ценим долгосрочное сотрудничество и доверие клиентов по всей России. Для постоянных клиентов действует персональная система скидок.
Условия формируются индивидуально и зависят от:
Чтобы узнать свои условия и получить максимально выгодное предложение, свяжитесь с персональным менеджером или напишите нам на почту zakaz@podsnab.ru.
Вы можете оформить заказ несколькими способами:
Для оформления заказа от юридического лица свяжитесь с нашим отделом по работе с корпоративными клиентами по телефону +7 (495) 104-99-04 или напишите на email zakaz@podsnab.ru, прикрепив реквизиты вашей организации.
Мы оперативно подготовим коммерческое предложение и выставим счет.
Возврат товара надлежащего качества возможен в течение 10 дней с момента получения, если товар не был в употреблении, сохранен товарный вид, упаковка не вскрывалась и присутствуют все сопроводительные документы.
Возврат денежных средств осуществляется в течение 10 рабочих дней после проверки товара складом.
В соответствии с законодательством возврату не подлежат подшипники надлежащего качества, если отсутствует оригинальная упаковка или имеются следы монтажа.
В случае выявления брака или гарантийного случая мы гарантируем возврат или обмен товара.
Да, гарантийный срок хранения устанавливается заводом-изготовителем и в среднем составляет 2 года при соблюдении условий хранения: сухое помещение, оригинальная упаковка и смазка.
Точный срок для конкретного типа подшипника уточняйте у наших менеджеров.
Пн–Пт: с 8:00 до 17:00 (МСК).
Сб–Вс: выходные дни.
Заказы на сайте принимаются круглосуточно. Заявки, поступившие после окончания рабочего дня, обрабатываются на следующий рабочий день.
Минимальная сумма заказа для доставки составляет 3000 рублей. Самовывоз со склада возможен на любую сумму при наличии товара.
ООО «УралТехГрупп»
ИНН: 7415093830
КПП: 772401001
ОГРН: 1167456069021
Банк: ПАО Сбербанк
Р/с: 40702810838000475273
К/с: 30101810400000000225
БИК: 044525225
У подшипника 5-1000917 Б пока нет отзывов. Вы можете стать первым покупателем, поделившимся своим мнением.