Поиск подшипника
Статьи
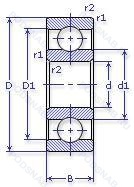
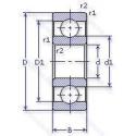
5-108 Р — Шариковый радиальный однорядный подшипник, модификация основного исполнения 108, производство ГПЗ.
Размер подшипника: 40x68x15 мм.
Детали из теплоустойчивой (быстрорежущие) стали.
Аналоги: 6008P5.
Государственный стандарт ГОСТ
5108Р
В наличии
| Обозначение | Конструктивные изменения |
|---|---|
| 85-108 Р | Детали из теплоустойчивой (быстрорежущие) стали.. |
| 70-108 А | Повышенная грузоподъемность. |
| 8-108-А | Повышенная грузоподъемность. |
| 5-108 АКШ2 | Нормы шумности. Повышенная грузоподъемность. |
| 6-108 АКШ1 | Нормы шумности. Повышенная грузоподъемность. |
| 6-108 АКШ | Повышенная грузоподъемность. Нормы шумности. |
| 75-108 АКШ2 | Нормы шумности. Повышенная грузоподъемность. |
| 76-108 АКШ1 | Нормы шумности. Повышенная грузоподъемность. |
| 76-108 АКШ | Повышенная грузоподъемность. Нормы шумности. |
| 76-108 КШ | Нормы шумности. |
| 7108 | Шариковый радиальный однорядный подшипник. |
| 75-108 Б | Сепаратор из безоловянистой бронзы.. |
| 75-108 БТ | Температура отпуска. 160°. Сепаратор из безоловянистой бронзы.. |
| 75-108 БТ2 | 200°. Температура отпуска. Сепаратор из безоловянистой бронзы.. |
| 75-108 Л | Сепаратор из латуни.. |
| 75-108 Р | Детали из теплоустойчивой (быстрорежущие) стали.. |
| 108 | Шариковый радиальный однорядный подшипник. Основное конструктивное исполнение. |
| 108-А | Повышенная грузоподъемность. |
| 108-АК | Повышенная грузоподъемность. |
| 108-К | «Замок» (скос) на внутреннем кольце плюс массивный сепаратор из текстолита. |
| 108-Л | Сепаратор из латуни.. |
| 26-108 Ю2Т | Температура отпуска. 160°. Все детали или часть деталей из нержавеющей стали.. |
| 5-108 Б | Сепаратор из безоловянистой бронзы.. |
| 5-108 Л | Сепаратор из латуни.. |
| 6-108 А | Повышенная грузоподъемность. |
Модификации шарикового подшипника 5-108 Р — это измененное основное конструктивное исполнение 108, основные размеры (40x68x15) не отличаются.
| Обозначение | Гост | Конструктивные особенности |
|---|---|---|
| 6008P5 | ISO | Размерная и рабочая точность соответствует классу допуска ISO 5. |
| AB44234S01 | ISO | Сферический наружный диаметр. |
| 9108KD | ISO | Компоненты с покрытием Protect A имеют суффикс - KD. Protect A - это покрытие из чистого хрома с колончатой структурой поверхности. При использовании Protect A каретки с покрытием и направляющие с покрытием должны всегда комбинироваться. Если каретки с покрытием используются с направляющими без покрытия. например. это приведет к уменьшению преднатяга.. |
| 9108KG | ISO | Серия с закрепительной втулкой и смазочным отверстием. |
| 9108P | ISO | Сеаратор из литого полиамида 6.6. армированного стекловолокном. |
| 9108PPG | ISO | Два уплотнения и стопорное кольцо. |
| P6008-GB | ISO | Подшипник для универсального монтажа. Два подшипника. установленные по О-образной или Х-образной схеме. имеют средний преднатяг. |
| P6008-SB | ISO | Double Row. Angular Contact. Non-Filling Notch Bearing. With Outwardly Convergent Угол контактаs. Rigid Design. |
| S6008-2Z | ISO | Защитные металлические шайбы с обеих сторон подшипника. |
| 3NC HAR008C FT | ISO | Угол контакта 20 градусов. REINFORCED PHENOLIC CAGE. |
| 3NC 7008 FT | ISO | REINFORCED PHENOLIC CAGE. |
| 3NCHAC008C | ISO | Угол контакта 20 градусов. |
| 3NCHAC008CA | ISO | Угол контакта 20 градусов. Латунный сепаратор с симметричными роликами. |
| 3NCHAD008CA | ISO | Угол контакта 20 градусов. Латунный сепаратор с симметричными роликами. |
| 3NCHAF008CA | ISO | Угол контакта 20 градусов. Латунный сепаратор с симметричными роликами. |
| 3NCHAR008C | ISO | Угол контакта 20 градусов. |
| 3NCHAR008CA | ISO | Угол контакта 20 градусов. Латунный сепаратор с симметричными роликами. |
| 3NCHAR008 | ISO | Угол контакта 20 градусов. |
| 180108-АК | ГОСТ | Повышенная грузоподъемность. |
| 180108-КС17 | ГОСТ | Смазка Литол-24. «Замок» (скос) на внутреннем кольце плюс массивный сепаратор из текстолита. |
| 180108-С17 | ГОСТ | Смазка Литол-24. |
Аналог шарикового подшипника 5-108 Р — это подшипник такого же размера dx40,Dx68,Bx15, типа и конструкции.
| Обозначение | Конструктивные особенности | Внутренний (d) | Наружный (D) | Ширина (B) |
|---|---|---|---|---|
| 6-46108 Ю | Шариковый радиально-упорный однорядный подшипник. Все детали или часть деталей из нержавеющей стали.. | 40.00 | 68.00 | 15.00 |
| 75-126108 Б | Шариковый радиально-упорный однорядный подшипник. Сепаратор из безоловянистой бронзы.. | 40.00 | 68.00 | 15.00 |
| 4-36108-КЕ | Шариковый радиально-упорный сдвоенный подшипник. «Замок» (скос) на внутреннем кольце плюс массивный сепаратор из текстолита. Сепаратор из текстолита.. | 40.00 | 68.00 | 15.00 |
| 46108-Е | Шариковый радиально-упорный однорядный подшипник. Сепаратор из текстолита.. | 40.00 | 68.00 | 15.00 |
| 46108-Е5 | Шариковый радиально-упорный однорядный подшипник. Сепаратор из текстолита.. | 40.00 | 68.00 | 15.00 |
| 46108-Л | Шариковый радиально-упорный однорядный подшипник. Сепаратор из латуни.. | 40.00 | 68.00 | 15.00 |
| 46108E5 | Шариковый радиально-упорный однорядный подшипник. Смазочные отверстия и канавки во внутреннем кольце. | 40.00 | 68.00 | 15.00 |
| 46108К | Шариковый радиально-упорный однорядный подшипник. «Замок» (скос) на внутреннем кольце плюс массивный сепаратор из текстолита. | 40.00 | 68.00 | 15.00 |
| 5-36108 Е | Шариковый радиально-упорный однорядный подшипник. Сепаратор из текстолита.. | 40.00 | 68.00 | 15.00 |
| 5-36108 К | Шариковый радиально-упорный однорядный подшипник. «Замок» (скос) на внутреннем кольце плюс массивный сепаратор из текстолита. | 40.00 | 68.00 | 15.00 |
| 5-46108 Е | Шариковый радиально-упорный однорядный подшипник. Сепаратор из текстолита.. | 40.00 | 68.00 | 15.00 |
| 5-46108 Е2 | Шариковый радиально-упорный однорядный подшипник. Сепаратор из пластических материалов.. | 40.00 | 68.00 | 15.00 |
| 5-46108 Е5 | Шариковый радиально-упорный однорядный подшипник. Сепаратор из текстолита.. | 40.00 | 68.00 | 15.00 |
| 5-46108 К | Шариковый радиально-упорный однорядный подшипник. «Замок» (скос) на внутреннем кольце плюс массивный сепаратор из текстолита. | 40.00 | 68.00 | 15.00 |
| 5-46108 Л | Шариковый радиально-упорный однорядный подшипник. Сепаратор из латуни.. | 40.00 | 68.00 | 15.00 |
Способы доставки
Отправка через ведущие транспортные и курьерские компании: ПЭК, Деловые Линии, СДЭК, Байкал-Сервис, Энергия, КИТ, ЖелДорЭкспедиция.
Самовывоз возможен напрямую со склада в Москве.
Сроки доставки
Срок зависит от региона и выбранной транспортной компании. Все заказы комплектуются и отправляются в кратчайшие сроки со склада в Москве.
Надёжность и сохранность
Вся продукция упаковывается с учётом требований транспортировки. Мы гарантируем, что подшипники и комплектующие прибудут к заказчику в полной сохранности.
Доставка в страны ЕАЭС
Мы работаем с проверенными логистическими партнёрами, что позволяет оперативно доставлять заказы в Беларусь, Казахстан, Армению и другие страны ЕАЭС.
Варианты оплаты:
Минимальная сумма заказа и скидки:
Документы и гарантии:
Да, конечно! Наши технические специалисты готовы помочь вам с подбором точного аналога или замены подшипника. Просто позвоните нам по телефону +7 (495) 104-99-04 или напишите на почту zakaz@podsnab.ru.
Для оперативной консультации подготовьте, пожалуйста, имеющиеся данные: маркировку, размеры, тип оборудования или артикул старого подшипника.
Да, конечно! Мы высоко ценим долгосрочное сотрудничество и доверие клиентов по всей России. Для постоянных клиентов действует персональная система скидок.
Условия формируются индивидуально и зависят от:
Чтобы узнать свои условия и получить максимально выгодное предложение, свяжитесь с персональным менеджером или напишите нам на почту zakaz@podsnab.ru.
Вы можете оформить заказ несколькими способами:
Для оформления заказа от юридического лица свяжитесь с нашим отделом по работе с корпоративными клиентами по телефону +7 (495) 104-99-04 или напишите на email zakaz@podsnab.ru, прикрепив реквизиты вашей организации.
Мы оперативно подготовим коммерческое предложение и выставим счет.
Возврат товара надлежащего качества возможен в течение 10 дней с момента получения, если товар не был в употреблении, сохранен товарный вид, упаковка не вскрывалась и присутствуют все сопроводительные документы.
Возврат денежных средств осуществляется в течение 10 рабочих дней после проверки товара складом.
В соответствии с законодательством возврату не подлежат подшипники надлежащего качества, если отсутствует оригинальная упаковка или имеются следы монтажа.
В случае выявления брака или гарантийного случая мы гарантируем возврат или обмен товара.
Да, гарантийный срок хранения устанавливается заводом-изготовителем и в среднем составляет 2 года при соблюдении условий хранения: сухое помещение, оригинальная упаковка и смазка.
Точный срок для конкретного типа подшипника уточняйте у наших менеджеров.
Пн–Пт: с 8:00 до 17:00 (МСК).
Сб–Вс: выходные дни.
Заказы на сайте принимаются круглосуточно. Заявки, поступившие после окончания рабочего дня, обрабатываются на следующий рабочий день.
Минимальная сумма заказа для доставки составляет 3000 рублей. Самовывоз со склада возможен на любую сумму при наличии товара.
ООО «УралТехГрупп»
ИНН: 7415093830
КПП: 772401001
ОГРН: 1167456069021
Банк: ПАО Сбербанк
Р/с: 40702810838000475273
К/с: 30101810400000000225
БИК: 044525225
У подшипника 5-108 Р пока нет отзывов. Вы можете стать первым покупателем, поделившимся своим мнением.