Поиск подшипника
Статьи
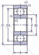
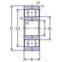
5-200 Ю — Шариковый радиальный однорядный подшипник, модификация основного исполнения 200, производство ГПЗ.
Размер подшипника: 10x30x9 мм.
Все детали или часть деталей из нержавеющей стали.
Государственный стандарт ГОСТ
5200Ю
В наличии
| Обозначение | Конструктивные изменения |
|---|---|
| 200-К | «Замок» (скос) на внутреннем кольце плюс массивный сепаратор из текстолита. |
| 200-КШ | Нормы шумности. |
| 200-КШ1 | Нормы шумности. |
| 200-Х | Кольца и тела качения или только кольца (в том числе одно кольцо) из цементируемой стали.. |
| 200-Ш | Нормы шумности. |
| 200-ШХ | Кольца и тела качения или только кольца (в том числе одно кольцо) из цементируемой стали.. Нормы шумности. |
| 200-Ю | Все детали или часть деталей из нержавеющей стали.. |
| 25-200 Е1Ш6 | Сепаратор из текстолита.. Нормы шумности. |
| 25-200 Ю8П | Все детали или часть деталей из нержавеющей стали.. |
| 25-200 ЮТ | Температура отпуска. 160°. Все детали или часть деталей из нержавеющей стали.. |
| 26-200 БТ2 | 200°. Температура отпуска. Сепаратор из безоловянистой бронзы.. |
| 30-200 Р | Детали из теплоустойчивой (быстрорежущие) стали.. |
| 35-200 Ю | Все детали или часть деталей из нержавеющей стали.. |
| 35-200 Ю11 | Все детали или часть деталей из нержавеющей стали.. |
| 35-200 Ю9 | Все детали или часть деталей из нержавеющей стали.. |
| 35-200 Ю9П | Все детали или часть деталей из нержавеющей стали.. |
| 36-200 Б | Сепаратор из безоловянистой бронзы.. |
| 5-200 Б | Сепаратор из безоловянистой бронзы.. |
| 5-200 Ш2У | Дополнительные технические требования. Нормы шумности. |
| 5-200 ЮТ | Температура отпуска. 160°. Все детали или часть деталей из нержавеющей стали.. |
| 6-200 Б | Сепаратор из безоловянистой бронзы.. |
| 6-200 У | Дополнительные технические требования. |
| 6-200 Ш2У | Дополнительные технические требования. Нормы шумности. |
| 6-200 Ю | Все детали или часть деталей из нержавеющей стали.. |
| 6-200 ЮУ | Дополнительные технические требования. Все детали или часть деталей из нержавеющей стали.. |
Модификации шарикового подшипника 5-200 Ю — это измененное основное конструктивное исполнение 200, основные размеры (10x30x9) не отличаются.
| Обозначение | Гост | Конструктивные особенности |
|---|---|---|
| S6200-2Z | ISO | Защитные металлические шайбы с обеих сторон подшипника. |
| 6200-2Z.T9H.C3 | ISO | Внутренний зазор больше нормального. Защитные металлические шайбы с обеих сторон подшипника. Защелкивающийся сепаратор. Усиленный стекловолокном полиамид. Шариковые тела качения. |
| 150200-К | ГОСТ | «Замок» (скос) на внутреннем кольце плюс массивный сепаратор из текстолита. |
| 150200-К2 | ГОСТ | «Замок» (скос) на внутреннем кольце плюс массивный сепаратор из текстолита. |
| 180200-А | ГОСТ | Повышенная грузоподъемность. |
| 25-80200 С1 | ГОСТ | Смазка ОКБ 122-7. |
| 25-80200 С2 | ГОСТ | Смазка ЦИАТИМ-221. |
| 26-60200 ЮТ | ГОСТ | Температура отпуска. 160°. Все детали или часть деталей из нержавеющей стали.. |
| 380900-С11 | ГОСТ | Смазка СИОЛ. |
| 380900-С9 | ГОСТ | Смазка ЛЗ-31. |
| 5-80200 С1 | ГОСТ | Смазка ОКБ 122-7. |
| 5-80200 С2 | ГОСТ | Смазка ЦИАТИМ-221. |
| 5-80200 С21 | ГОСТ | Смазка ЭРА. |
| 5-80200 С9 | ГОСТ | Смазка ЛЗ-31. |
| 5-80200 С9Ш2У | ГОСТ | Дополнительные технические требования. Нормы шумности. Смазка ЛЗ-31. |
| 5-80200 Т2С2 | ГОСТ | 200°. Смазка ЦИАТИМ-221. Температура отпуска. |
| 5-80200 Т2С8 | ГОСТ | 200°. Температура отпуска. Смазка ВНИИНП-235. |
| 5-80200 Ш2У | ГОСТ | Дополнительные технические требования. Нормы шумности. |
| 5-80200 Ш2УС9 | ГОСТ | Дополнительные технические требования. Нормы шумности. Смазка ЛЗ-31. |
| 6-180200 КС27 | ГОСТ | «Замок» (скос) на внутреннем кольце плюс массивный сепаратор из текстолита. Смазка ФАНОЛ. |
Аналог шарикового подшипника 5-200 Ю — это подшипник такого же размера dx10,Dx30,Bx9, типа и конструкции.
| Обозначение | Конструктивные особенности | Внутренний (d) | Наружный (D) | Ширина (B) |
|---|---|---|---|---|
| GX10T | Шарнирный подшипник. Textile Laminated Phenolic Resin. Outer Ring Guided. The Cage Is Suitable For Long-Term Operation At Temperatures Up To 100°C. | 10.00 | 30.00 | 9.50 |
| 1-ШСП10 | Шарнирный подшипник. С отверстиями и канавками для смазки во внутреннем кольце. | 10.00 | 30.00 | 10.00 |
| 2Ш10 | Шарнирный подшипник. Нормы шумности. Без отверстий и канавок для смазки.. | 10.00 | 30.00 | 10.00 |
| 2ШМ10 | Шарнирный подшипник. Без отверстий и канавок для смазки.. | 10.00 | 30.00 | 10.00 |
| 2ШП10 | Шарнирный подшипник. Без отверстий и канавок для смазки. | 10.00 | 30.00 | 10.00 |
| 2ШС10 | Шарнирный подшипник. С отверстиями и канавками для смазки во внутреннем кольце.. | 10.00 | 30.00 | 10.00 |
| 2ШС10 К | Шарнирный подшипник. Канавка и отверстие для смазки на внутреннем и наружном кольцах.. С отверстиями и канавками для смазки во внутреннем кольце.. | 10.00 | 30.00 | 10.00 |
| 2ШСЛ10 | Шарнирный подшипник. С отверстиями и канавками для смазки во внутреннем кольце. | 10.00 | 30.00 | 10.00 |
| 2ШСЛ10К | Шарнирный подшипник. Канавка и отверстие для смазки на внутреннем и наружном кольцах.. С отверстиями и канавками для смазки во внутреннем кольце. | 10.00 | 30.00 | 10.00 |
| 2ШСЛ10К1 | Шарнирный подшипник. Канавка и отверстие для смазки на наружном кольце.. С отверстиями и канавками для смазки во внутреннем кольце. | 10.00 | 30.00 | 10.00 |
| 2ШСП10 | Шарнирный подшипник. С отверстиями и канавками для смазки во внутреннем кольце. | 10.00 | 30.00 | 10.00 |
| 2ШСП10К | Шарнирный подшипник. Канавка и отверстие для смазки на внутреннем и наружном кольцах.. С отверстиями и канавками для смазки во внутреннем кольце. | 10.00 | 30.00 | 10.00 |
| 46200К | Шариковый радиально-упорный однорядный подшипник. «Замок» (скос) на внутреннем кольце плюс массивный сепаратор из текстолита. | 10.00 | 30.00 | 9.00 |
| 5-42200 Р | Роликовый радиальный однорядный подшипник. Детали из теплоустойчивой (быстрорежущие) стали.. | 10.00 | 30.00 | 10.00 |
| 55-42200 Р | Роликовый радиальный однорядный подшипник. Детали из теплоустойчивой (быстрорежущие) стали.. | 10.00 | 30.00 | 10.00 |
Способы доставки
Отправка через ведущие транспортные и курьерские компании: ПЭК, Деловые Линии, СДЭК, Байкал-Сервис, Энергия, КИТ, ЖелДорЭкспедиция.
Самовывоз возможен напрямую со склада в Москве.
Сроки доставки
Срок зависит от региона и выбранной транспортной компании. Все заказы комплектуются и отправляются в кратчайшие сроки со склада в Москве.
Надёжность и сохранность
Вся продукция упаковывается с учётом требований транспортировки. Мы гарантируем, что подшипники и комплектующие прибудут к заказчику в полной сохранности.
Доставка в страны ЕАЭС
Мы работаем с проверенными логистическими партнёрами, что позволяет оперативно доставлять заказы в Беларусь, Казахстан, Армению и другие страны ЕАЭС.
Варианты оплаты:
Минимальная сумма заказа и скидки:
Документы и гарантии:
Да, конечно! Наши технические специалисты готовы помочь вам с подбором точного аналога или замены подшипника. Просто позвоните нам по телефону +7 (495) 104-99-04 или напишите на почту zakaz@podsnab.ru.
Для оперативной консультации подготовьте, пожалуйста, имеющиеся данные: маркировку, размеры, тип оборудования или артикул старого подшипника.
Да, конечно! Мы высоко ценим долгосрочное сотрудничество и доверие клиентов по всей России. Для постоянных клиентов действует персональная система скидок.
Условия формируются индивидуально и зависят от:
Чтобы узнать свои условия и получить максимально выгодное предложение, свяжитесь с персональным менеджером или напишите нам на почту zakaz@podsnab.ru.
Вы можете оформить заказ несколькими способами:
Для оформления заказа от юридического лица свяжитесь с нашим отделом по работе с корпоративными клиентами по телефону +7 (495) 104-99-04 или напишите на email zakaz@podsnab.ru, прикрепив реквизиты вашей организации.
Мы оперативно подготовим коммерческое предложение и выставим счет.
Возврат товара надлежащего качества возможен в течение 10 дней с момента получения, если товар не был в употреблении, сохранен товарный вид, упаковка не вскрывалась и присутствуют все сопроводительные документы.
Возврат денежных средств осуществляется в течение 10 рабочих дней после проверки товара складом.
В соответствии с законодательством возврату не подлежат подшипники надлежащего качества, если отсутствует оригинальная упаковка или имеются следы монтажа.
В случае выявления брака или гарантийного случая мы гарантируем возврат или обмен товара.
Да, гарантийный срок хранения устанавливается заводом-изготовителем и в среднем составляет 2 года при соблюдении условий хранения: сухое помещение, оригинальная упаковка и смазка.
Точный срок для конкретного типа подшипника уточняйте у наших менеджеров.
Пн–Пт: с 8:00 до 17:00 (МСК).
Сб–Вс: выходные дни.
Заказы на сайте принимаются круглосуточно. Заявки, поступившие после окончания рабочего дня, обрабатываются на следующий рабочий день.
Минимальная сумма заказа для доставки составляет 3000 рублей. Самовывоз со склада возможен на любую сумму при наличии товара.
ООО «УралТехГрупп»
ИНН: 7415093830
КПП: 772401001
ОГРН: 1167456069021
Банк: ПАО Сбербанк
Р/с: 40702810838000475273
К/с: 30101810400000000225
БИК: 044525225
У подшипника 5-200 Ю пока нет отзывов. Вы можете стать первым покупателем, поделившимся своим мнением.