Поиск подшипника
Статьи
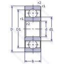
6-1000814 Ю4 — Шариковый радиальный однорядный подшипник, модификация основного исполнения 1000814, производство ГПЗ.
Размер подшипника: 70x90x10 мм.
Все детали или часть деталей из нержавеющей стали.
Аналоги: 61814P6HW.
Государственный стандарт ГОСТ
61000814Ю4
В наличии
| Обозначение | Конструктивные изменения |
|---|---|
| 6-1000814 АКШ1 | Нормы шумности. Повышенная грузоподъемность. |
| 6-1000814 АКШ | Повышенная грузоподъемность. Нормы шумности. |
| 76-1000814 Б | Сепаратор из безоловянистой бронзы.. |
| 1000814 | Шариковый радиальный однорядный подшипник. Основное конструктивное исполнение. |
| 1000814-АК | Повышенная грузоподъемность. |
| 1000814-К | «Замок» (скос) на внутреннем кольце плюс массивный сепаратор из текстолита. |
| 4-1000814-Б | Сепаратор из безоловянистой бронзы.. |
| 5-1000814 Ю | Все детали или часть деталей из нержавеющей стали.. |
| 5-1000814 Ю2 | Все детали или часть деталей из нержавеющей стали.. |
| 5-1000814 Ю4 | Все детали или часть деталей из нержавеющей стали.. |
| 5-1000814 Ю4Т | Температура отпуска. 160°. Все детали или часть деталей из нержавеющей стали.. |
| 6-1000814 | Шариковый радиальный однорядный подшипник. |
| 6-1000814 К | «Замок» (скос) на внутреннем кольце плюс массивный сепаратор из текстолита. |
| 6-1000814 Р | Детали из теплоустойчивой (быстрорежущие) стали.. |
| 6-1000814 Ю4Т | Температура отпуска. 160°. Все детали или часть деталей из нержавеющей стали.. |
Модификации шарикового подшипника 6-1000814 Ю4 — это измененное основное конструктивное исполнение 1000814, основные размеры (70x90x10) не отличаются.
| Обозначение | Гост | Конструктивные особенности |
|---|---|---|
| 61814 2BRS Y | ISO | Сепаратор из прессованной латуни. Центрирование шарика. Бесконтактные лабиринтные уплотнения с обеих сторон. |
| 61814 2URS Y | ISO | Сепаратор из прессованной латуни. Центрирование шарика. Специальное манжетное уплотнение с обеих сторон подшипника. |
| 61814 BRS Y | ISO | Сепаратор из прессованной латуни. Центрирование шарика. Бесконтактные лабиринтные уплотнения с одной стороны. |
| 61814 RS Y | ISO | Сепаратор из прессованной латуни. Центрирование шарика. Резиновое уплотнение с одной стороны. |
| 61814 URS Y | ISO | Сепаратор из прессованной латуни. Центрирование шарика. |
| 61814 Z Y | ISO | щит из листовой прессованной стали с одной стороны подшипника. Сепаратор из прессованной латуни. Центрирование шарика. |
| 71814 CD/HCP4A | ISO | Измененная или модифицированная внутренняя конструкция при неизменных основных размерах. Двухкомпонентный штампованный стальной сепаратор с направляющим кольцом. |
| 71814 CD/P4A | ISO | Двухкомпонентный штампованный стальной сепаратор с направляющим кольцом. Точность размеров в соответствии с классом допуска ISO 4. точность вращения лучше чем класс допуска ISO 4. |
| 6814-2RZ | ISO | Шарикоподшипник. С уплотнением и низким коэффициентом трения с обеих сторон. Уплотнение состоит из шайбы из листовой стали с вулканизированной резиной. |
| SS 61814-2RS | ISO | Резиновые уплотнения с каждой стороны подшипника. |
| SS 61814-ZZ | ISO | Защитные металлические шайбы с обеих сторон. |
| SS 61814 | ISO | Шариковый радиальный однорядный подшипник. |
| 6814-2RU | ISO | Non Contact Type Friction Torque = Small High Speed Performance = Good Grease Sealing = Better Than ZZ-Type Dirt Resistance = Better Than ZZ-Type Water Resistance = Better Than ZZ / Inferior To 2RS Operating Temp. -30°C To + 100°C. |
| 6814-2RD | ISO | Облегченное контактное уплотнение с двух сторон.. |
| 6814N | ISO | Канавка для стопорного кольца на наружном кольце. |
| 6814LLU | ISO | Контактное резиновое уплотнение с двух сторон. |
| 6814LH | ISO | Бесконтактное нитриловое уплотнение с пониженным трением. |
| 6814LLB | ISO | Уплотнение бесконтактного типа из синтетического каучука. |
| AB40775S01 | ISO | Сферический наружный диаметр. |
| S61814-2RS | ISO | Резиновые уплотнения с каждой стороны подшипника. |
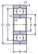
Аналог шарикового подшипника 6-1000814 Ю4 — это подшипник такого же размера dx70,Dx90,Bx10, типа и конструкции.
| Обозначение | Конструктивные особенности | Внутренний (d) | Наружный (D) | Ширина (B) |
|---|---|---|---|---|
| 61814 2RU | Подшипник однорядный шариковый радиальный. Non Contact Type Friction Torque = Small High Speed Performance = Good Grease Sealing = Better Than ZZ-Type Dirt Resistance = Better Than ZZ-Type Water Resistance = Better Than ZZ / Inferior To 2RS Operating Temp. -30°C To + 100°C. | 70.00 | 90.00 | 10.00 |
| 5S-7814CG/GNP42 | Шариковый радиально-упорный однорядный подшипник. Универсальный подшипник. Резьбовой винт со стопором и защелкой. Класс точности JIS4 для размеров и JIS 2 для точности вращения. Гибридный подшипник. | 70.00 | 90.00 | 10.00 |
| 7814CG/GNP42 | Шариковый радиально-упорный однорядный подшипник. Универсальный подшипник. Резьбовой винт со стопором и защелкой. Класс точности JIS4 для размеров и JIS 2 для точности вращения. | 70.00 | 90.00 | 10.00 |
| 71814 ACD/P4 | Шариковый радиально-упорный однорядный подшипник. Однорядный с улучшенной конструкцией и углом контакта 25°. Класс точности. | 70.00 | 90.00 | 10.00 |
| 71814 CD/P4 | Шариковый радиально-упорный однорядный подшипник. Двухкомпонентный штампованный стальной сепаратор с направляющим кольцом. Класс точности. | 70.00 | 90.00 | 10.00 |
| 71814 CD/HCP4 | Шариковый радиально-упорный однорядный подшипник. Двухкомпонентный штампованный стальной сепаратор с направляющим кольцом. | 70.00 | 90.00 | 10.00 |
| 71814 ACD/HCP4 | Шариковый радиально-упорный однорядный подшипник. Однорядный с улучшенной конструкцией и углом контакта 25°. | 70.00 | 90.00 | 10.00 |
| SEA70/NS 7CE3 | Шариковый радиально-упорный однорядный подшипник. Шарики из нитрида кремния Si3N4 (гибридные подшипники). Керамические шарики. | 70.00 | 90.00 | 10.00 |
| SEA70/NS 7CE1 | Шариковый радиально-упорный однорядный подшипник. Шарики из нитрида кремния Si3N4 (гибридные подшипники). Керамические шарики. | 70.00 | 90.00 | 10.00 |
| 7814C | Шариковый радиально-упорный однорядный подшипник. Угол контакта 15°. | 70.00 | 90.00 | 10.00 |
| 71814-B-TVH | Шариковый радиально-упорный однорядный подшипник. Модифицированная внутренняя конструкция. Твердая клетка из полиамида. | 70.00 | 90.00 | 10.00 |
| 71814 A | Шариковый радиально-упорный однорядный подшипник. Двухрядный радиально-упорный шарикоподшипник без отверстия для смазки. | 70.00 | 90.00 | 10.00 |
| 71814 C | Шариковый радиально-упорный однорядный подшипник. 15° Угол контакта. | 70.00 | 90.00 | 10.00 |
| W 61814 | Шариковый радиальный подшипник. Нержавеющая сталь. | 70.00 | 90.00 | 10.00 |
| W 61814-2Z | Шариковый радиальный подшипник. Защитные металлические шайбы с обеих сторон подшипника. Нержавеющая сталь. | 70.00 | 90.00 | 10.00 |
Способы доставки
Отправка через ведущие транспортные и курьерские компании: ПЭК, Деловые Линии, СДЭК, Байкал-Сервис, Энергия, КИТ, ЖелДорЭкспедиция.
Самовывоз возможен напрямую со склада в Москве.
Сроки доставки
Срок зависит от региона и выбранной транспортной компании. Все заказы комплектуются и отправляются в кратчайшие сроки со склада в Москве.
Надёжность и сохранность
Вся продукция упаковывается с учётом требований транспортировки. Мы гарантируем, что подшипники и комплектующие прибудут к заказчику в полной сохранности.
Доставка в страны ЕАЭС
Мы работаем с проверенными логистическими партнёрами, что позволяет оперативно доставлять заказы в Беларусь, Казахстан, Армению и другие страны ЕАЭС.
Варианты оплаты:
Минимальная сумма заказа и скидки:
Документы и гарантии:
Да, конечно! Наши технические специалисты готовы помочь вам с подбором точного аналога или замены подшипника. Просто позвоните нам по телефону +7 (495) 104-99-04 или напишите на почту zakaz@podsnab.ru.
Для оперативной консультации подготовьте, пожалуйста, имеющиеся данные: маркировку, размеры, тип оборудования или артикул старого подшипника.
Да, конечно! Мы высоко ценим долгосрочное сотрудничество и доверие клиентов по всей России. Для постоянных клиентов действует персональная система скидок.
Условия формируются индивидуально и зависят от:
Чтобы узнать свои условия и получить максимально выгодное предложение, свяжитесь с персональным менеджером или напишите нам на почту zakaz@podsnab.ru.
Вы можете оформить заказ несколькими способами:
Для оформления заказа от юридического лица свяжитесь с нашим отделом по работе с корпоративными клиентами по телефону +7 (495) 104-99-04 или напишите на email zakaz@podsnab.ru, прикрепив реквизиты вашей организации.
Мы оперативно подготовим коммерческое предложение и выставим счет.
Возврат товара надлежащего качества возможен в течение 10 дней с момента получения, если товар не был в употреблении, сохранен товарный вид, упаковка не вскрывалась и присутствуют все сопроводительные документы.
Возврат денежных средств осуществляется в течение 10 рабочих дней после проверки товара складом.
В соответствии с законодательством возврату не подлежат подшипники надлежащего качества, если отсутствует оригинальная упаковка или имеются следы монтажа.
В случае выявления брака или гарантийного случая мы гарантируем возврат или обмен товара.
Да, гарантийный срок хранения устанавливается заводом-изготовителем и в среднем составляет 2 года при соблюдении условий хранения: сухое помещение, оригинальная упаковка и смазка.
Точный срок для конкретного типа подшипника уточняйте у наших менеджеров.
Пн–Пт: с 8:00 до 17:00 (МСК).
Сб–Вс: выходные дни.
Заказы на сайте принимаются круглосуточно. Заявки, поступившие после окончания рабочего дня, обрабатываются на следующий рабочий день.
Минимальная сумма заказа для доставки составляет 3000 рублей. Самовывоз со склада возможен на любую сумму при наличии товара.
ООО «УралТехГрупп»
ИНН: 7415093830
КПП: 772401001
ОГРН: 1167456069021
Банк: ПАО Сбербанк
Р/с: 40702810838000475273
К/с: 30101810400000000225
БИК: 044525225
У подшипника 6-1000814 Ю4 пока нет отзывов. Вы можете стать первым покупателем, поделившимся своим мнением.