Поиск подшипника
Статьи
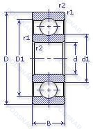
6-109 Ю — Шариковый радиальный однорядный подшипник, модификация основного исполнения 109, производство ГПЗ.
Размер подшипника: 45x75x16 мм.
Все детали или часть деталей из нержавеющей стали.
Государственный стандарт ГОСТ
6109Ю
В наличии
| Обозначение | Конструктивные изменения |
|---|---|
| 5-109 АШ2 | Нормы шумности. Повышенная грузоподъемность. |
| 6-109 АЕШ1 | Сепаратор из текстолита.. Повышенная грузоподъемность. Нормы шумности. |
| 6-109 АЕШ | Сепаратор из текстолита.. Повышенная грузоподъемность. Нормы шумности. |
| 6-109 АКТ2Ш1 | 200°. Температура отпуска. Нормы шумности. Повышенная грузоподъемность. |
| 6-109 АКШ | Повышенная грузоподъемность. Нормы шумности. |
| 6-109 АШ1 | Повышенная грузоподъемность. Нормы шумности. |
| 6-109 АШ | Повышенная грузоподъемность. Нормы шумности. |
| 6-109 А1ЕШ1 | Сепаратор из текстолита.. Повышенная грузоподъемность. Нормы шумности. |
| 6-109 А1КТ2Ш1 | 200°. Температура отпуска. Повышенная грузоподъемность. Нормы шумности. |
| 6-109 А1Ш1 | Повышенная грузоподъемность. Нормы шумности. |
| 6-109 Ш | Нормы шумности. |
| 66-109 АШ | Повышенная грузоподъемность. Нормы шумности. |
| 76-109 АШ1 | Повышенная грузоподъемность. Нормы шумности. |
| 76-109 АШ | Повышенная грузоподъемность. Нормы шумности. |
| 76-109 Б | Сепаратор из безоловянистой бронзы.. |
| 109 | Шариковый радиальный однорядный подшипник. Основное конструктивное исполнение. |
| 109-А | Повышенная грузоподъемность. |
| 109-АЕ | Сепаратор из текстолита.. Повышенная грузоподъемность. |
| 109-Б | Сепаратор из безоловянистой бронзы.. |
| 109-Е | Сепаратор из текстолита.. |
| 109-Ю | Все детали или часть деталей из нержавеющей стали.. |
| 26-109 Б | Сепаратор из безоловянистой бронзы.. |
| 26-109 БТ2 | 200°. Температура отпуска. Сепаратор из безоловянистой бронзы.. |
| 4-109 У | Дополнительные технические требования. |
| 6-109 БТ2 | 200°. Температура отпуска. Сепаратор из безоловянистой бронзы.. |
Модификации шарикового подшипника 6-109 Ю — это измененное основное конструктивное исполнение 109, основные размеры (45x75x16) не отличаются.
| Обозначение | Гост | Конструктивные особенности |
|---|---|---|
| 9109KD | ISO | Компоненты с покрытием Protect A имеют суффикс - KD. Protect A - это покрытие из чистого хрома с колончатой структурой поверхности. При использовании Protect A каретки с покрытием и направляющие с покрытием должны всегда комбинироваться. Если каретки с покрытием используются с направляющими без покрытия. например. это приведет к уменьшению преднатяга.. |
| 9109KDD | ISO | Защитные металлические шайбы по обе стороны подшипника с цилиндрическим наружным диаметром. |
| 9109PPG | ISO | Два уплотнения и стопорное кольцо. |
| 9109KG | ISO | Серия с закрепительной втулкой и смазочным отверстием. |
| P6009-GB | ISO | Подшипник для универсального монтажа. Два подшипника. установленные по О-образной или Х-образной схеме. имеют средний преднатяг. |
| P6009-SB | ISO | Double Row. Angular Contact. Non-Filling Notch Bearing. With Outwardly Convergent Угол контактаs. Rigid Design. |
| S6009-2Z | ISO | Защитные металлические шайбы с обеих сторон подшипника. |
| 3NC 7009 FT | ISO | REINFORCED PHENOLIC CAGE. |
| 3NCHAC009CA | ISO | Угол контакта 20 градусов. Латунный сепаратор с симметричными роликами. |
| 3NCHAC009C | ISO | Угол контакта 20 градусов. |
| 3NC HAR009C FT | ISO | Угол контакта 20 градусов. REINFORCED PHENOLIC CAGE. |
| 3NCHAD009CA | ISO | Угол контакта 20 градусов. Латунный сепаратор с симметричными роликами. |
| 3NCHAF009CA | ISO | Угол контакта 20 градусов. Латунный сепаратор с симметричными роликами. |
| 3NCHAR009 | ISO | Угол контакта 20 градусов. |
| 3NCHAR009C | ISO | Угол контакта 20 градусов. |
| 3NCHAR009CA | ISO | Угол контакта 20 градусов. Латунный сепаратор с симметричными роликами. |
| 180109-А | ГОСТ | Повышенная грузоподъемность. |
| 180109-С17 | ГОСТ | Смазка Литол-24. |
| 50109-А | ГОСТ | Повышенная грузоподъемность. |
| 6-180109 С17 | ГОСТ | Смазка Литол-24. |
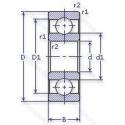
Аналог шарикового подшипника 6-109 Ю — это подшипник такого же размера dx45,Dx75,Bx16, типа и конструкции.
| Обозначение | Конструктивные особенности | Внутренний (d) | Наружный (D) | Ширина (B) |
|---|---|---|---|---|
| BSD 4575 CG-2RZ | Шариковый упорный однорядный подшипник. Шарикоподшипник. С уплотнением и низким коэффициентом трения с обеих сторон. Уплотнение состоит из шайбы из листовой стали с вулканизированной резиной. Резьбовой винт со стопором и защелкой. | 45.00 | 75.00 | 15.00 |
| SAC4575B | Шариковый упорный однорядный подшипник. Конический роликовый подшипник. Угол контакта 20 градусов. | 45.00 | 75.00 | 15.00 |
| 4-36109-КЕ | Шариковый радиально-упорный сдвоенный подшипник. «Замок» (скос) на внутреннем кольце плюс массивный сепаратор из текстолита. Сепаратор из текстолита.. | 45.00 | 75.00 | 16.00 |
| 46109-Е | Шариковый радиально-упорный однорядный подшипник. Сепаратор из текстолита.. | 45.00 | 75.00 | 16.00 |
| 46109-Е5 | Шариковый радиально-упорный однорядный подшипник. Сепаратор из текстолита.. | 45.00 | 75.00 | 16.00 |
| 46109-Л | Шариковый радиально-упорный однорядный подшипник. Сепаратор из латуни.. | 45.00 | 75.00 | 16.00 |
| 46109E5 | Шариковый радиально-упорный однорядный подшипник. Смазочные отверстия и канавки во внутреннем кольце. | 45.00 | 75.00 | 16.00 |
| 46109К | Шариковый радиально-упорный однорядный подшипник. «Замок» (скос) на внутреннем кольце плюс массивный сепаратор из текстолита. | 45.00 | 75.00 | 16.00 |
| 5-36109 К | Шариковый радиально-упорный однорядный подшипник. «Замок» (скос) на внутреннем кольце плюс массивный сепаратор из текстолита. | 45.00 | 75.00 | 16.00 |
| 5-46109 Е | Шариковый радиально-упорный однорядный подшипник. Сепаратор из текстолита.. | 45.00 | 75.00 | 16.00 |
| 5-46109 Е2 | Шариковый радиально-упорный однорядный подшипник. Сепаратор из пластических материалов.. | 45.00 | 75.00 | 16.00 |
| 5-46109 Е5 | Шариковый радиально-упорный однорядный подшипник. Сепаратор из текстолита.. | 45.00 | 75.00 | 16.00 |
| 5-46109 ЕУ | Шариковый радиально-упорный однорядный подшипник. Сепаратор из текстолита.. Дополнительные технические требования. | 45.00 | 75.00 | 16.00 |
| 5-46109 К | Шариковый радиально-упорный однорядный подшипник. «Замок» (скос) на внутреннем кольце плюс массивный сепаратор из текстолита. | 45.00 | 75.00 | 16.00 |
| 56-32109 Б1Т2 | Роликовый радиальный однорядный подшипник. 200°. Температура отпуска. Сепаратор из безоловянистой бронзы.. | 45.00 | 75.00 | 16.00 |
Способы доставки
Отправка через ведущие транспортные и курьерские компании: ПЭК, Деловые Линии, СДЭК, Байкал-Сервис, Энергия, КИТ, ЖелДорЭкспедиция.
Самовывоз возможен напрямую со склада в Москве.
Сроки доставки
Срок зависит от региона и выбранной транспортной компании. Все заказы комплектуются и отправляются в кратчайшие сроки со склада в Москве.
Надёжность и сохранность
Вся продукция упаковывается с учётом требований транспортировки. Мы гарантируем, что подшипники и комплектующие прибудут к заказчику в полной сохранности.
Доставка в страны ЕАЭС
Мы работаем с проверенными логистическими партнёрами, что позволяет оперативно доставлять заказы в Беларусь, Казахстан, Армению и другие страны ЕАЭС.
Варианты оплаты:
Минимальная сумма заказа и скидки:
Документы и гарантии:
Да, конечно! Наши технические специалисты готовы помочь вам с подбором точного аналога или замены подшипника. Просто позвоните нам по телефону +7 (495) 104-99-04 или напишите на почту zakaz@podsnab.ru.
Для оперативной консультации подготовьте, пожалуйста, имеющиеся данные: маркировку, размеры, тип оборудования или артикул старого подшипника.
Да, конечно! Мы высоко ценим долгосрочное сотрудничество и доверие клиентов по всей России. Для постоянных клиентов действует персональная система скидок.
Условия формируются индивидуально и зависят от:
Чтобы узнать свои условия и получить максимально выгодное предложение, свяжитесь с персональным менеджером или напишите нам на почту zakaz@podsnab.ru.
Вы можете оформить заказ несколькими способами:
Для оформления заказа от юридического лица свяжитесь с нашим отделом по работе с корпоративными клиентами по телефону +7 (495) 104-99-04 или напишите на email zakaz@podsnab.ru, прикрепив реквизиты вашей организации.
Мы оперативно подготовим коммерческое предложение и выставим счет.
Возврат товара надлежащего качества возможен в течение 10 дней с момента получения, если товар не был в употреблении, сохранен товарный вид, упаковка не вскрывалась и присутствуют все сопроводительные документы.
Возврат денежных средств осуществляется в течение 10 рабочих дней после проверки товара складом.
В соответствии с законодательством возврату не подлежат подшипники надлежащего качества, если отсутствует оригинальная упаковка или имеются следы монтажа.
В случае выявления брака или гарантийного случая мы гарантируем возврат или обмен товара.
Да, гарантийный срок хранения устанавливается заводом-изготовителем и в среднем составляет 2 года при соблюдении условий хранения: сухое помещение, оригинальная упаковка и смазка.
Точный срок для конкретного типа подшипника уточняйте у наших менеджеров.
Пн–Пт: с 8:00 до 17:00 (МСК).
Сб–Вс: выходные дни.
Заказы на сайте принимаются круглосуточно. Заявки, поступившие после окончания рабочего дня, обрабатываются на следующий рабочий день.
Минимальная сумма заказа для доставки составляет 3000 рублей. Самовывоз со склада возможен на любую сумму при наличии товара.
ООО «УралТехГрупп»
ИНН: 7415093830
КПП: 772401001
ОГРН: 1167456069021
Банк: ПАО Сбербанк
Р/с: 40702810838000475273
К/с: 30101810400000000225
БИК: 044525225
У подшипника 6-109 Ю пока нет отзывов. Вы можете стать первым покупателем, поделившимся своим мнением.