Поиск подшипника
Статьи
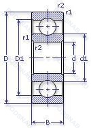
6113 — Шариковый радиальный однорядный подшипник, модификация основного исполнения 113, производство ГПЗ.
Размер подшипника: 65x100x18 мм.
Государственный стандарт ГОСТ
6113
В наличии
| Обозначение | Конструктивные изменения |
|---|---|
| 70-113 А | Повышенная грузоподъемность. |
| 5113 | Шариковый радиальный однорядный подшипник. |
| 6-113 АЛШ | Сепаратор из латуни.. Повышенная грузоподъемность. Нормы шумности. |
| 6-113 АШ | Повышенная грузоподъемность. Нормы шумности. |
| 6-113 Ш1 | Нормы шумности. |
| 76-113 АЛШ1 | Сепаратор из латуни.. Повышенная грузоподъемность. Нормы шумности. |
| 76-113 АЛШ | Сепаратор из латуни.. Повышенная грузоподъемность. Нормы шумности. |
| 76-113 АШ1 | Повышенная грузоподъемность. Нормы шумности. |
| 76-113 АШ | Повышенная грузоподъемность. Нормы шумности. |
| 7-113 А | Повышенная грузоподъемность. |
| 7-113 Л | Сепаратор из латуни.. |
| 75-113 АЕ | Сепаратор из текстолита.. Повышенная грузоподъемность. |
| 75-113 АЛ | Сепаратор из латуни.. Повышенная грузоподъемность. |
| 75-113 Л | Сепаратор из латуни.. |
| 78-113 АЛ | Сепаратор из латуни.. Повышенная грузоподъемность. |
| 113 | Шариковый радиальный однорядный подшипник. Основное конструктивное исполнение. |
| 113-А | Повышенная грузоподъемность. |
| 113-АЛ | Сепаратор из латуни.. Повышенная грузоподъемность. |
| 113-Л | Сепаратор из латуни.. |
| 5-113 АЛ | Сепаратор из латуни.. Повышенная грузоподъемность. |
| 5-113 БТ2 | 200°. Температура отпуска. Сепаратор из безоловянистой бронзы.. |
| 5-113 Л | Сепаратор из латуни.. |
| 5-113 ЛТ2 | Сепаратор из латуни.. 200°. Температура отпуска. |
| 6-113 А | Повышенная грузоподъемность. |
| 6-113 Л | Сепаратор из латуни.. |
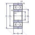
Модификации шарикового подшипника 6113 — это измененное основное конструктивное исполнение 113, основные размеры (65x100x18) не отличаются.
| Обозначение | Гост | Конструктивные особенности |
|---|---|---|
| 6-80113 АС9 | ГОСТ | Повышенная грузоподъемность. Смазка ЛЗ-31. |
| 6-80113 С9 | ГОСТ | Смазка ЛЗ-31. |
| 6013ZZNR | ISO | Стальная шайба. Канавка и стопорное кольцо на наружном кольце. |
| AB40360 | ISO | Однорядный радиально-упорный шариковый подшипник с полиамидным сепаратором. |
| 9113PD | ISO | Скользящая контактная поверхность сталь/PTFE (политетрафторэтилен) Бронзовая пленка.. |
| 9113K | ISO | Коническое отверстие. Конусность 1/12. |
| 9113PP | ISO | Уплотнения на каждой стороне подшипника. |
| 9113KD | ISO | Компоненты с покрытием Protect A имеют суффикс - KD. Protect A - это покрытие из чистого хрома с колончатой структурой поверхности. При использовании Protect A каретки с покрытием и направляющие с покрытием должны всегда комбинироваться. Если каретки с покрытием используются с направляющими без покрытия. например. это приведет к уменьшению преднатяга.. |
| 9113KG | ISO | Серия с закрепительной втулкой и смазочным отверстием. |
| 9113KDD | ISO | Защитные металлические шайбы по обе стороны подшипника с цилиндрическим наружным диаметром. |
| 3NC 7013 FT | ISO | REINFORCED PHENOLIC CAGE. |
| 3NC HAR013C FT | ISO | Угол контакта 20 градусов. REINFORCED PHENOLIC CAGE. |
| 3NCHAC013C | ISO | Угол контакта 20 градусов. |
| 3NCHAC013CA | ISO | Угол контакта 20 градусов. Латунный сепаратор с симметричными роликами. |
| 3NCHAF013CA | ISO | Угол контакта 20 градусов. Латунный сепаратор с симметричными роликами. |
| 3NCHAD013CA | ISO | Угол контакта 20 градусов. Латунный сепаратор с симметричными роликами. |
| 3NCHAR013 | ISO | Угол контакта 20 градусов. |
| 3NCHAR013CA | ISO | Угол контакта 20 градусов. Латунный сепаратор с симметричными роликами. |
| 3NCHAR013C | ISO | Угол контакта 20 градусов. |
| 180113-А | ГОСТ | Повышенная грузоподъемность. |
Аналог шарикового подшипника 6113 — это подшипник такого же размера dx65,Dx100,Bx18, типа и конструкции.
| Обозначение | Конструктивные особенности | Внутренний (d) | Наружный (D) | Ширина (B) |
|---|---|---|---|---|
| 6-46113 КЕ | Шариковый радиально-упорный однорядный подшипник. «Замок» (скос) на внутреннем кольце плюс массивный сепаратор из текстолита. Сепаратор из текстолита.. | 65.00 | 100.00 | 18.00 |
| 6-46113 Л | Шариковый радиально-упорный однорядный подшипник. Сепаратор из латуни.. | 65.00 | 100.00 | 18.00 |
| 76-32113 Л | Роликовый радиальный подшипник. Сепаратор из латуни.. | 65.00 | 100.00 | 18.00 |
| NU 1013 ECPH | Роликовый радиальный однорядный подшипник. Однорядный цилиндрический роликовый подшипник. | 65.00 | 100.00 | 18.00 |
| 46113-Е | Шариковый радиально-упорный однорядный подшипник. Сепаратор из текстолита.. | 65.00 | 100.00 | 18.00 |
| 46113K | Шариковый радиально-упорный однорядный подшипник. Коническое отверстие. Конусность 1/12. | 65.00 | 100.00 | 18.00 |
| 46113-К | Шариковый радиально-упорный однорядный подшипник. «Замок» (скос) на внутреннем кольце плюс массивный сепаратор из текстолита. | 65.00 | 100.00 | 18.00 |
| 5-2113 Б1Т3 | Роликовый радиальный однорядный подшипник. 250°. Температура отпуска. Сепаратор из безоловянистой бронзы.. | 65.00 | 100.00 | 18.00 |
| 5-36113 Е | Шариковый радиально-упорный однорядный подшипник. Сепаратор из текстолита.. | 65.00 | 100.00 | 18.00 |
| 5-36113 К | Шариковый радиально-упорный однорядный подшипник. «Замок» (скос) на внутреннем кольце плюс массивный сепаратор из текстолита. | 65.00 | 100.00 | 18.00 |
| 5-46113 Е | Шариковый радиально-упорный однорядный подшипник. Сепаратор из текстолита.. | 65.00 | 100.00 | 18.00 |
| 5-46113 К | Шариковый радиально-упорный однорядный подшипник. «Замок» (скос) на внутреннем кольце плюс массивный сепаратор из текстолита. | 65.00 | 100.00 | 18.00 |
| 5-46113 Л | Шариковый радиально-упорный однорядный подшипник. Сепаратор из латуни.. | 65.00 | 100.00 | 18.00 |
| 55-32113 Л | Роликовый радиальный однорядный подшипник. Сепаратор из латуни.. | 65.00 | 100.00 | 18.00 |
| 56-2113 Р1 | Роликовый радиальный однорядный подшипник. Детали из теплоустойчивой (быстрорежущие) стали.. | 65.00 | 100.00 | 18.00 |
Способы доставки
Отправка через ведущие транспортные и курьерские компании: ПЭК, Деловые Линии, СДЭК, Байкал-Сервис, Энергия, КИТ, ЖелДорЭкспедиция.
Самовывоз возможен напрямую со склада в Москве.
Сроки доставки
Срок зависит от региона и выбранной транспортной компании. Все заказы комплектуются и отправляются в кратчайшие сроки со склада в Москве.
Надёжность и сохранность
Вся продукция упаковывается с учётом требований транспортировки. Мы гарантируем, что подшипники и комплектующие прибудут к заказчику в полной сохранности.
Доставка в страны ЕАЭС
Мы работаем с проверенными логистическими партнёрами, что позволяет оперативно доставлять заказы в Беларусь, Казахстан, Армению и другие страны ЕАЭС.
Варианты оплаты:
Минимальная сумма заказа и скидки:
Документы и гарантии:
Да, конечно! Наши технические специалисты готовы помочь вам с подбором точного аналога или замены подшипника. Просто позвоните нам по телефону +7 (495) 104-99-04 или напишите на почту zakaz@podsnab.ru.
Для оперативной консультации подготовьте, пожалуйста, имеющиеся данные: маркировку, размеры, тип оборудования или артикул старого подшипника.
Да, конечно! Мы высоко ценим долгосрочное сотрудничество и доверие клиентов по всей России. Для постоянных клиентов действует персональная система скидок.
Условия формируются индивидуально и зависят от:
Чтобы узнать свои условия и получить максимально выгодное предложение, свяжитесь с персональным менеджером или напишите нам на почту zakaz@podsnab.ru.
Вы можете оформить заказ несколькими способами:
Для оформления заказа от юридического лица свяжитесь с нашим отделом по работе с корпоративными клиентами по телефону +7 (495) 104-99-04 или напишите на email zakaz@podsnab.ru, прикрепив реквизиты вашей организации.
Мы оперативно подготовим коммерческое предложение и выставим счет.
Возврат товара надлежащего качества возможен в течение 10 дней с момента получения, если товар не был в употреблении, сохранен товарный вид, упаковка не вскрывалась и присутствуют все сопроводительные документы.
Возврат денежных средств осуществляется в течение 10 рабочих дней после проверки товара складом.
В соответствии с законодательством возврату не подлежат подшипники надлежащего качества, если отсутствует оригинальная упаковка или имеются следы монтажа.
В случае выявления брака или гарантийного случая мы гарантируем возврат или обмен товара.
Да, гарантийный срок хранения устанавливается заводом-изготовителем и в среднем составляет 2 года при соблюдении условий хранения: сухое помещение, оригинальная упаковка и смазка.
Точный срок для конкретного типа подшипника уточняйте у наших менеджеров.
Пн–Пт: с 8:00 до 17:00 (МСК).
Сб–Вс: выходные дни.
Заказы на сайте принимаются круглосуточно. Заявки, поступившие после окончания рабочего дня, обрабатываются на следующий рабочий день.
Минимальная сумма заказа для доставки составляет 3000 рублей. Самовывоз со склада возможен на любую сумму при наличии товара.
ООО «УралТехГрупп»
ИНН: 7415093830
КПП: 772401001
ОГРН: 1167456069021
Банк: ПАО Сбербанк
Р/с: 40702810838000475273
К/с: 30101810400000000225
БИК: 044525225
У подшипника 6113 пока нет отзывов. Вы можете стать первым покупателем, поделившимся своим мнением.