Поиск подшипника
Статьи
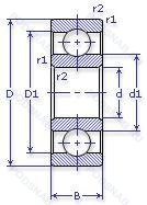
6117 — Шариковый радиальный однорядный подшипник, модификация основного исполнения 117, производство ГПЗ.
Размер подшипника: 85x130x22 мм.
Аналоги: 6017P6.
Государственный стандарт ГОСТ
6117
В наличии
| Обозначение | Конструктивные изменения |
|---|---|
| 117-АКШ | Повышенная грузоподъемность. Нормы шумности. |
| 5-117 АКШ2 | Нормы шумности. Повышенная грузоподъемность. |
| 6-117 АКШ1 | Нормы шумности. Повышенная грузоподъемность. |
| 6-117 АКШ | Повышенная грузоподъемность. Нормы шумности. |
| 6-117 АК | Повышенная грузоподъемность. |
| 76-117 АКШ1 | Нормы шумности. Повышенная грузоподъемность. |
| 76-117 АКШ | Повышенная грузоподъемность. Нормы шумности. |
| 70117 | Шариковый радиальный однорядный подшипник. |
| 76-117 ЮТ | Температура отпуска. 160°. Все детали или часть деталей из нержавеющей стали.. |
| 117 | Шариковый радиальный однорядный подшипник. Основное конструктивное исполнение. |
| 117-АК | Повышенная грузоподъемность. |
| 117-Л | Сепаратор из латуни.. |
| 5-117 | Шариковый радиальный однорядный подшипник. |
| 6-117 Ю1 | Все детали или часть деталей из нержавеющей стали.. |
| 6-117 ЮТ | Температура отпуска. 160°. Все детали или часть деталей из нержавеющей стали.. |
Модификации шарикового подшипника 6117 — это измененное основное конструктивное исполнение 117, основные размеры (85x130x22) не отличаются.
| Обозначение | Гост | Конструктивные особенности |
|---|---|---|
| 6017P6 | ISO | точность размеров и хода в соответствии с классом допуска ISO 6. |
| 76-180117 АКW24Ш | ГОСТ | Повышенная грузоподъемность. Нормы шумности. Смазка пластичная Shell Alvania Greases G2. |
| 76-180117 С17Ш1 | ГОСТ | Смазка Литол-24. Нормы шумности. |
| 76-80117 АКW24Ш1 | ГОСТ | Нормы шумности. Повышенная грузоподъемность. Смазка пластичная Shell Alvania Greases G2. |
| 6017-2RU | ISO | Non Contact Type Friction Torque = Small High Speed Performance = Good Grease Sealing = Better Than ZZ-Type Dirt Resistance = Better Than ZZ-Type Water Resistance = Better Than ZZ / Inferior To 2RS Operating Temp. -30°C To + 100°C. |
| 6017-2Z-N | ISO | Защитные металлические шайбы с обеих сторон подшипника. Канавка под стопорное кольцо на внешнем кольце. |
| 6017LLU | ISO | Контактное резиновое уплотнение с двух сторон. |
| 6017LLB | ISO | Уплотнение бесконтактного типа из синтетического каучука. |
| 6017LU | ISO | Двухкромочное нитриловое контактное уплотнение. |
| 6017ZZNR | ISO | Стальная шайба. Канавка и стопорное кольцо на наружном кольце. |
| 6017NRZZ | ISO | Защитные пластины с двух сторон. Канавка и стопорное кольцо на наружном кольце. |
| 9117KD | ISO | Компоненты с покрытием Protect A имеют суффикс - KD. Protect A - это покрытие из чистого хрома с колончатой структурой поверхности. При использовании Protect A каретки с покрытием и направляющие с покрытием должны всегда комбинироваться. Если каретки с покрытием используются с направляющими без покрытия. например. это приведет к уменьшению преднатяга.. |
| 9117KG | ISO | Серия с закрепительной втулкой и смазочным отверстием. |
| 3NCHAC017C | ISO | Угол контакта 20 градусов. |
| 3NC HAR017C FT | ISO | Угол контакта 20 градусов. REINFORCED PHENOLIC CAGE. |
| 3NCHAC017CA | ISO | Угол контакта 20 градусов. Латунный сепаратор с симметричными роликами. |
| 3NCHAD017CA | ISO | Угол контакта 20 градусов. Латунный сепаратор с симметричными роликами. |
| 3NCHAF017CA | ISO | Угол контакта 20 градусов. Латунный сепаратор с симметричными роликами. |
| 3NCHAR017CA | ISO | Угол контакта 20 градусов. Латунный сепаратор с симметричными роликами. |
| 3NCHAR017 | ISO | Угол контакта 20 градусов. |
| 3NCHAR017C | ISO | Угол контакта 20 градусов. |
Аналог шарикового подшипника 6117 — это подшипник такого же размера dx85,Dx130,Bx22, типа и конструкции.
| Обозначение | Конструктивные особенности | Внутренний (d) | Наружный (D) | Ширина (B) |
|---|---|---|---|---|
| 7017 FB/P7 | Шариковый радиальный подшипник. Точность размеров соответствует классу ISO 4. Точность хода лучше. чем ISO Class 4. 18° Угол контакта. High Speed Design. | 85.00 | 130.00 | 22.00 |
| C7017 DB/P7 | Шариковый радиальный подшипник. Тороидальный подшипник CARB. Two Single Row Deep Groove Ball Bearings. Single Row Angular Contact Ball Bearings Or Single Row Tapered Roller Bearings Matched For Mounting In A Back-To-Back Arrangement. Точность размеров соответствует классу ISO 4. Точность хода лучше. чем ISO Class 4. | 85.00 | 130.00 | 22.00 |
| C7017 FB/P7 | Шариковый радиальный подшипник. Тороидальный подшипник CARB. Точность размеров соответствует классу ISO 4. Точность хода лучше. чем ISO Class 4. 18° Угол контакта. High Speed Design. | 85.00 | 130.00 | 22.00 |
| QJ 1017 N2MA | Шариковый радиальный подшипник. Измененная или модифицированная внутренняя конструкция при неизменных основных размерах. Шариковый подшипник с четырехточечным контактом. | 85.00 | 130.00 | 22.00 |
| S7017 DB/P7 | Шариковый радиальный подшипник. Two Single Row Deep Groove Ball Bearings. Single Row Angular Contact Ball Bearings Or Single Row Tapered Roller Bearings Matched For Mounting In A Back-To-Back Arrangement. Точность размеров соответствует классу ISO 4. Точность хода лучше. чем ISO Class 4. | 85.00 | 130.00 | 22.00 |
| S7017 FB/P7 | Шариковый радиальный подшипник. Точность размеров соответствует классу ISO 4. Точность хода лучше. чем ISO Class 4. 18° Угол контакта. High Speed Design. | 85.00 | 130.00 | 22.00 |
| SC7017 DB/P7 | Шариковый радиальный подшипник. Two Single Row Deep Groove Ball Bearings. Single Row Angular Contact Ball Bearings Or Single Row Tapered Roller Bearings Matched For Mounting In A Back-To-Back Arrangement. Точность размеров соответствует классу ISO 4. Точность хода лучше. чем ISO Class 4. | 85.00 | 130.00 | 22.00 |
| SC7017 FB/P7 | Шариковый радиальный подшипник. Точность размеров соответствует классу ISO 4. Точность хода лучше. чем ISO Class 4. 18° Угол контакта. High Speed Design. | 85.00 | 130.00 | 22.00 |
| 6-46117 Л | Шариковый радиально-упорный однорядный подшипник. Сепаратор из латуни.. | 85.00 | 130.00 | 22.00 |
| 46117-КЕ | Шариковый радиально-упорный однорядный подшипник. «Замок» (скос) на внутреннем кольце плюс массивный сепаратор из текстолита. Сепаратор из текстолита.. | 85.00 | 130.00 | 22.00 |
| 46117-Л | Шариковый радиально-упорный однорядный подшипник. Сепаратор из латуни.. | 85.00 | 130.00 | 22.00 |
| 46117К | Шариковый радиально-упорный однорядный подшипник. «Замок» (скос) на внутреннем кольце плюс массивный сепаратор из текстолита. | 85.00 | 130.00 | 22.00 |
| 5-36117 К | Шариковый радиально-упорный однорядный подшипник. «Замок» (скос) на внутреннем кольце плюс массивный сепаратор из текстолита. | 85.00 | 130.00 | 22.00 |
| 5-46117 К | Шариковый радиально-упорный однорядный подшипник. «Замок» (скос) на внутреннем кольце плюс массивный сепаратор из текстолита. | 85.00 | 130.00 | 22.00 |
| 5-46117 Л | Шариковый радиально-упорный однорядный подшипник. Сепаратор из латуни.. | 85.00 | 130.00 | 22.00 |
Способы доставки
Отправка через ведущие транспортные и курьерские компании: ПЭК, Деловые Линии, СДЭК, Байкал-Сервис, Энергия, КИТ, ЖелДорЭкспедиция.
Самовывоз возможен напрямую со склада в Москве.
Сроки доставки
Срок зависит от региона и выбранной транспортной компании. Все заказы комплектуются и отправляются в кратчайшие сроки со склада в Москве.
Надёжность и сохранность
Вся продукция упаковывается с учётом требований транспортировки. Мы гарантируем, что подшипники и комплектующие прибудут к заказчику в полной сохранности.
Доставка в страны ЕАЭС
Мы работаем с проверенными логистическими партнёрами, что позволяет оперативно доставлять заказы в Беларусь, Казахстан, Армению и другие страны ЕАЭС.
Варианты оплаты:
Минимальная сумма заказа и скидки:
Документы и гарантии:
Да, конечно! Наши технические специалисты готовы помочь вам с подбором точного аналога или замены подшипника. Просто позвоните нам по телефону +7 (495) 104-99-04 или напишите на почту zakaz@podsnab.ru.
Для оперативной консультации подготовьте, пожалуйста, имеющиеся данные: маркировку, размеры, тип оборудования или артикул старого подшипника.
Да, конечно! Мы высоко ценим долгосрочное сотрудничество и доверие клиентов по всей России. Для постоянных клиентов действует персональная система скидок.
Условия формируются индивидуально и зависят от:
Чтобы узнать свои условия и получить максимально выгодное предложение, свяжитесь с персональным менеджером или напишите нам на почту zakaz@podsnab.ru.
Вы можете оформить заказ несколькими способами:
Для оформления заказа от юридического лица свяжитесь с нашим отделом по работе с корпоративными клиентами по телефону +7 (495) 104-99-04 или напишите на email zakaz@podsnab.ru, прикрепив реквизиты вашей организации.
Мы оперативно подготовим коммерческое предложение и выставим счет.
Возврат товара надлежащего качества возможен в течение 10 дней с момента получения, если товар не был в употреблении, сохранен товарный вид, упаковка не вскрывалась и присутствуют все сопроводительные документы.
Возврат денежных средств осуществляется в течение 10 рабочих дней после проверки товара складом.
В соответствии с законодательством возврату не подлежат подшипники надлежащего качества, если отсутствует оригинальная упаковка или имеются следы монтажа.
В случае выявления брака или гарантийного случая мы гарантируем возврат или обмен товара.
Да, гарантийный срок хранения устанавливается заводом-изготовителем и в среднем составляет 2 года при соблюдении условий хранения: сухое помещение, оригинальная упаковка и смазка.
Точный срок для конкретного типа подшипника уточняйте у наших менеджеров.
Пн–Пт: с 8:00 до 17:00 (МСК).
Сб–Вс: выходные дни.
Заказы на сайте принимаются круглосуточно. Заявки, поступившие после окончания рабочего дня, обрабатываются на следующий рабочий день.
Минимальная сумма заказа для доставки составляет 3000 рублей. Самовывоз со склада возможен на любую сумму при наличии товара.
ООО «УралТехГрупп»
ИНН: 7415093830
КПП: 772401001
ОГРН: 1167456069021
Банк: ПАО Сбербанк
Р/с: 40702810838000475273
К/с: 30101810400000000225
БИК: 044525225
У подшипника 6117 пока нет отзывов. Вы можете стать первым покупателем, поделившимся своим мнением.