Поиск подшипника
Статьи
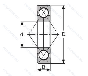
M14 — Разборной (магнетный) радиально-упорный однорядный шариковый подшипник, основное исполнение, производство NEUTRAL.
Размер подшипника: 14x35x8 мм.
Альтернативное обозначение: E14.
Аналоги: E14 SKF,E14 NSK,E14Y Steyr,E14 RIV,EN14 NSK,E14 Neutral.
Международная стандартизации ISO
M14
В наличии
| Обозначение | Конструктивные изменения |
|---|---|
| MMF-M14 | Разборной (магнетный) радиально-упорный однорядный шариковый подшипник. |
Модификации разборного шарикового подшипника M14 — это измененное основное конструктивное исполнение M14, основные размеры (14x35x8) не отличаются.
| Обозначение | Гост | Конструктивные особенности |
|---|---|---|
| E15YP | ISO | Сепаратор типа VO. Прессованная латунь. |
| EN15 | ISO | Разборной (магнетный) радиально-упорный однорядный шариковый подшипник. |
| E14 | ISO | Разборной (магнетный) радиально-упорный однорядный шариковый подшипник. |
| E15TVP | ISO | Molded Snap-Type Cage Of Glass Fibre Reinforced Polyamide. Rolling Element Riding. |
| E15 | ISO | Разборной (магнетный) радиально-упорный однорядный шариковый подшипник. |
| E15Y | ISO | Pressed Brass Cage. Rolling Elements Centered. |
| A15 | ISO | Разборной (магнетный) радиально-упорный однорядный шариковый подшипник. |
| N15 | ISO | Разборной (магнетный) радиально-упорный однорядный шариковый подшипник. |
| E14M | ISO | Механически обработанный латунный сепаратор .Расположенный на элементах качения. |
| E14-15 | ISO | Distance Between Beginning Of The Rail And First Hole In MM. |
| E14Y | ISO | Сепаратор из прессованной латуни. Центрирование шарика. |
| E15M | ISO | Механически обработанный латунный сепаратор .Расположенный на элементах качения. |
| E15TB | ISO | Сепаратор оконного типа из фенольной смолы. армированной тканью. Центрирование по внутреннему кольцу. |
Аналог разборного шарикового подшипника M14 — это подшипник такого же размера dx14,Dx35,Bx8, типа и конструкции.
| Обозначение | Конструктивные особенности | Внутренний (d) | Наружный (D) | Ширина (B) |
|---|---|---|---|---|
| LR6002-2RSR | Опорный ролик. Резиновые уплотнения с каждой стороны подшипника. | 15.00 | 35.00 | 9.00 |
| 200468A.C2 | Подшипник однорядный шариковый радиальный. Внутренний зазор подшипника меньше нормального. Модификация внутренней конструкции. | 15.00 | 35.00 | 9.00 |
| LR6002-2RS-HLC-L271 | Опорный ролик. Rubber Seals At Each Side Of The Bearing. Temperature Range -30℃/+120℃. Антиизносная защитная смазка. Код местонахождения завода. может использоваться в стандартной комплектации. | 15.00 | 35.00 | 9.00 |
| LR6002-2RS-HLC | Опорный ролик. Rubber Seals At Each Side Of The Bearing. Temperature Range -30℃/+120℃. Код местонахождения завода. может использоваться в стандартной комплектации. | 15.00 | 35.00 | 9.00 |
| LR6002-2RSR-HLW-QZ38 | Опорный ролик. Резиновые уплотнения с каждой стороны подшипника. Код местонахождения завода. может использоваться в стандартной комплектации. | 15.00 | 35.00 | 9.00 |
| LR6002-2RS | Опорный ролик. Rubber Seals At Each Side Of The Bearing. Temperature Range -30℃/+120℃. | 15.00 | 35.00 | 9.00 |
| LR6002-2RSR-HLW | Опорный ролик. Резиновые уплотнения с каждой стороны подшипника. Код местонахождения завода. может использоваться в стандартной комплектации. | 15.00 | 35.00 | 9.00 |
| LR6002-2RS-HLC-L271/50 | Опорный ролик. Rubber Seals At Each Side Of The Bearing. Temperature Range -30℃/+120℃. Антиизносная защитная смазка. Код местонахождения завода. может использоваться в стандартной комплектации. Grease Fill. | 15.00 | 35.00 | 9.00 |
| 602065B | Подшипник однорядный шариковый радиальный. Измененный внутренний дизайн. | 15.00 | 35.00 | 8.00 |
| 5-6015-Л | Шариковый радиально-упорный однорядный подшипник. Сепаратор из латуни.. | 15.00 | 35.00 | 8.00 |
| 6-6015 Л1 | Шариковый радиально-упорный однорядный подшипник. Сепаратор из латуни.. | 15.00 | 35.00 | 8.00 |
| 6-И-3929 | Роликовый радиальный сферический двухрядный подшипник. Изменение ТУ на поставку комплектующих деталей или исходных материалов. | 15.00 | 35.00 | 9.00 |
| SC02A17 | Шариковый радиальный однорядный подшипник. Осевой люфт в микронах. | 15.00 | 35.00 | 8.50 |
| SC0288 | Шариковый радиальный однорядный подшипник. Механически обработанный сепаратор. | 15.00 | 35.00 | 8.50 |
| 5-6015-Л1 | Шариковый радиально-упорный однорядный подшипник. Сепаратор из латуни.. | 15.00 | 35.00 | 8.00 |
Способы доставки
Отправка через ведущие транспортные и курьерские компании: ПЭК, Деловые Линии, СДЭК, Байкал-Сервис, Энергия, КИТ, ЖелДорЭкспедиция.
Самовывоз возможен напрямую со склада в Москве.
Сроки доставки
Срок зависит от региона и выбранной транспортной компании. Все заказы комплектуются и отправляются в кратчайшие сроки со склада в Москве.
Надёжность и сохранность
Вся продукция упаковывается с учётом требований транспортировки. Мы гарантируем, что подшипники и комплектующие прибудут к заказчику в полной сохранности.
Доставка в страны ЕАЭС
Мы работаем с проверенными логистическими партнёрами, что позволяет оперативно доставлять заказы в Беларусь, Казахстан, Армению и другие страны ЕАЭС.
Варианты оплаты:
Минимальная сумма заказа и скидки:
Документы и гарантии:
Да, конечно! Наши технические специалисты готовы помочь вам с подбором точного аналога или замены подшипника. Просто позвоните нам по телефону +7 (495) 104-99-04 или напишите на почту zakaz@podsnab.ru.
Для оперативной консультации подготовьте, пожалуйста, имеющиеся данные: маркировку, размеры, тип оборудования или артикул старого подшипника.
Да, конечно! Мы высоко ценим долгосрочное сотрудничество и доверие клиентов по всей России. Для постоянных клиентов действует персональная система скидок.
Условия формируются индивидуально и зависят от:
Чтобы узнать свои условия и получить максимально выгодное предложение, свяжитесь с персональным менеджером или напишите нам на почту zakaz@podsnab.ru.
Вы можете оформить заказ несколькими способами:
Для оформления заказа от юридического лица свяжитесь с нашим отделом по работе с корпоративными клиентами по телефону +7 (495) 104-99-04 или напишите на email zakaz@podsnab.ru, прикрепив реквизиты вашей организации.
Мы оперативно подготовим коммерческое предложение и выставим счет.
Возврат товара надлежащего качества возможен в течение 10 дней с момента получения, если товар не был в употреблении, сохранен товарный вид, упаковка не вскрывалась и присутствуют все сопроводительные документы.
Возврат денежных средств осуществляется в течение 10 рабочих дней после проверки товара складом.
В соответствии с законодательством возврату не подлежат подшипники надлежащего качества, если отсутствует оригинальная упаковка или имеются следы монтажа.
В случае выявления брака или гарантийного случая мы гарантируем возврат или обмен товара.
Да, гарантийный срок хранения устанавливается заводом-изготовителем и в среднем составляет 2 года при соблюдении условий хранения: сухое помещение, оригинальная упаковка и смазка.
Точный срок для конкретного типа подшипника уточняйте у наших менеджеров.
Пн–Пт: с 8:00 до 17:00 (МСК).
Сб–Вс: выходные дни.
Заказы на сайте принимаются круглосуточно. Заявки, поступившие после окончания рабочего дня, обрабатываются на следующий рабочий день.
Минимальная сумма заказа для доставки составляет 3000 рублей. Самовывоз со склада возможен на любую сумму при наличии товара.
ООО «УралТехГрупп»
ИНН: 7415093830
КПП: 772401001
ОГРН: 1167456069021
Банк: ПАО Сбербанк
Р/с: 40702810838000475273
К/с: 30101810400000000225
БИК: 044525225
У подшипника M14 пока нет отзывов. Вы можете стать первым покупателем, поделившимся своим мнением.