Поиск подшипника
Статьи
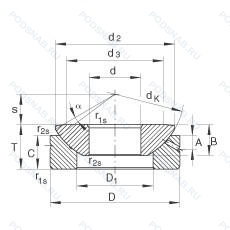
GE15AX — Сферический подшипник скольжения, модификация основного исполнения GE15, выпускается производителями: ELGES, INA, SIGMA.
Размер подшипника: 15x42x15 мм.
Широкий подшипник с внутренним кольцом и метрическим отверстием, поверхность контакта скольжения сталь / сталь.
Аналоги: GE15AX Elges,GE15-AX INA,GE15-AX Elges.
Международная стандартизации ISO
GE15AX
В наличии
| Обозначение | Конструктивные изменения |
|---|---|
| GE15 | Сферический подшипник скольжения. Основное конструктивное исполнение. |
| GE15C | 15° Угол контакта. |
| GE15EC | Два стальных сепаратора оконного типа. внутреннее кольцо без фланца. направляющее кольцо с усиленным роликом. |
| GE15AW | Скользящая контактная поверхность из твердого хрома/Elgoglide®. Антизадирная пластичная смазка. |
| GE15ZO | Скользящая контактная поверхность сталь/сталь, разъемное наружное кольцо с отверстиями для смазки.. |
| GE15DO | Прессованный стальной сепаратор. Вращающийся элемент по центру. Незакаленный. Антизадирная пластичная смазка. |
| GE15UK | Контактная поверхность скольжения хром/PTFE композит. Антизадирная пластичная смазка. |
| GE15-FW | СкользящаКонтактная поверхность из хром/PTFE. Широкое внутреннее кольцо. Антизадирная пластичная смазка. |
| GE15ES | Повышенной грузоподъемности. Разъемное наружное кольцо со смазочными отверстиями. |
| GE15TX | Текстиль. ламинированный фенольной смолой. Направляющее наружное кольцо. Модифицированная конструкция сепаратора и поток смазки позволяют подшипникам шпинделя FAG TX работать на 10% холоднее даже в диапазоне высоких скоростей. |
| GE15DO-2RS | Резиновые уплотнения с каждой стороны подшипника.. Сталь/Сталь и внутреннее и внешнее кольцо закалены.. Антизадирная пластичная смазка. |
| GE15TGR | d ≤17mm/ Unhardened Stainless Steel X22CrNi 17/1.4057. Pressed Over The Inner Ring. No Butt Joint d ≥20mm/ Hardened Stainless Steel X46Cr 13/1.4034. Hardened.Ground. Fractured At One Position. |
| GE15KRRB | Сферический подшипник скольжения. |
| GE15E | Повышенная грузоподъемность. |
| GE15-ES-2RS | Повышенной грузоподъемности. Прорезиненное уплотнение с двух сторон. Разъемное наружное кольцо со смазочными отверстиями. |
| GE15TXGR | d ≤17mm/ Unhardened Stainless Steel X22CrNi 17/1.4057. Pressed Over The Inner Ring. No Butt Joint d ≥20mm/ Hardened Stainless Steel X46Cr 13/1.4034. Hardened. Ground. Fractured At One Position. |
| GE15FO | Стальная скользящая контактная поверхность. Более широкое внутреннее кольцо. |
| GE15ES/C2 | Внутренний зазор подшипника меньше нормального. Разъемное наружное кольцо со смазочными отверстиями. |
| GE15GS-2RS | Контактное уплотнение с обеих сторон. Подшипник с предварительным натягом и цилиндрическим наружним кольцом. |
| GE15SS | Steel / Steel. |
| GE15N | Канавка под стопорное кольцо на внешнем кольце. |
| GE15ET/X | Измененные размеры границ. введенные пересмотренными стандартами ISO. Сквозная закалка и шлифовка стали с переломом в одной точке. |
| GE15ET-2RS | Резиновые уплотнения с каждой стороны подшипника. Сквозная закалка и шлифовка стали с переломом в одной точке. |
Модификации сферического подшипника GE15AX — это измененное основное конструктивное исполнение GE15, основные размеры (15x42x15) не отличаются.
| Обозначение | Гост | Конструктивные особенности |
|---|---|---|
| GX15F | ISO | Сепаратор из обработанной стали или специального чугуна. |
| GE15-AW-A | ISO | Сферический подшипник скольжения. |
Аналог сферического подшипника GE15AX — это подшипник такого же размера dx15,Dx42,Bx15, типа и конструкции.
| Обозначение | Конструктивные особенности | Внутренний (d) | Наружный (D) | Ширина (B) |
|---|---|---|---|---|
| 4T-11590/11520 | однорядный конический роликовый подшипник. Цементованная сталь. | 15.88 | 42.86 | 14.29 |
| B15-48C3 | Подшипник однорядный шариковый радиальный. Внутренний зазор больше нормального. Подшипник со специальными размерами. | 15.00 | 42.00 | 15.00 |
| 4T-03062/03162 | однорядный конический роликовый подшипник. Цементованная сталь. | 15.88 | 41.27 | 14.29 |
| 4T-30302 | однорядный конический роликовый подшипник. Цементованная сталь. | 15.00 | 42.00 | 14.25 |
| HR30302J | однорядный конический роликовый подшипник. Дорожки качения наружного кольца. угол контакта и ширина наружного кольца в соответствии с ISO. Для конических роликоподшипников и радиальных шарикоподшипников. | 15.00 | 42.00 | 14.25 |
| 30302-H | Однорядный конический роликовый подшипник. Произведен в Китае. | 15.00 | 42.00 | 14.25 |
| 30302-XL | Однорядный конический роликовый подшипник. Серия X Live. | 15.00 | 42.00 | 14.25 |
| 03062/03162/Q | Однорядный конический роликовый подшипник. Оптимизированная геометрия и специальная обработка контактных поверхностей. | 15.88 | 41.27 | 14.29 |
| H-11590/H-11520 | Роликовый радиальный-упорный однорядный подшипник. Pressed Snap-Type Steel Cage. Hardened. | 15.88 | 42.86 | 14.29 |
| 11590/20 | Роликовый радиальный-упорный конический однорядный подшипник. Distance Between Beginning Of The Rail And First Hole In MM. | 15.88 | 42.86 | 14.29 |
| K-11590/K-11520 | Роликовый радиальный-упорный однорядный подшипник. Коническое отверстие. Конусность 1/12. | 15.88 | 42.86 | 14.29 |
| 30302F | Роликовый радиальный-упорный однорядный подшипник. Сепаратор из обработанной стали или специального чугуна. | 15.00 | 42.00 | 14.25 |
| GW 015 | Шарнирный подшипник. Пластичная смазка для широкого диапазона температур. | 15.00 | 42.00 | 15.00 |
| GX15S | Шарнирный подшипник. Запечатанная версия кулачкового ролика. Внутренний диаметр отличается от стандартных размеров для миниатюрных шариковых подшипников. | 15.00 | 42.00 | 15.00 |
| GX15T | Шарнирный подшипник. Textile Laminated Phenolic Resin. Outer Ring Guided. The Cage Is Suitable For Long-Term Operation At Temperatures Up To 100°C. | 15.00 | 42.00 | 15.00 |
Способы доставки
Отправка через ведущие транспортные и курьерские компании: ПЭК, Деловые Линии, СДЭК, Байкал-Сервис, Энергия, КИТ, ЖелДорЭкспедиция.
Самовывоз возможен напрямую со склада в Москве.
Сроки доставки
Срок зависит от региона и выбранной транспортной компании. Все заказы комплектуются и отправляются в кратчайшие сроки со склада в Москве.
Надёжность и сохранность
Вся продукция упаковывается с учётом требований транспортировки. Мы гарантируем, что подшипники и комплектующие прибудут к заказчику в полной сохранности.
Доставка в страны ЕАЭС
Мы работаем с проверенными логистическими партнёрами, что позволяет оперативно доставлять заказы в Беларусь, Казахстан, Армению и другие страны ЕАЭС.
Варианты оплаты:
Минимальная сумма заказа и скидки:
Документы и гарантии:
Да, конечно! Наши технические специалисты готовы помочь вам с подбором точного аналога или замены подшипника. Просто позвоните нам по телефону +7 (495) 104-99-04 или напишите на почту zakaz@podsnab.ru.
Для оперативной консультации подготовьте, пожалуйста, имеющиеся данные: маркировку, размеры, тип оборудования или артикул старого подшипника.
Да, конечно! Мы высоко ценим долгосрочное сотрудничество и доверие клиентов по всей России. Для постоянных клиентов действует персональная система скидок.
Условия формируются индивидуально и зависят от:
Чтобы узнать свои условия и получить максимально выгодное предложение, свяжитесь с персональным менеджером или напишите нам на почту zakaz@podsnab.ru.
Вы можете оформить заказ несколькими способами:
Для оформления заказа от юридического лица свяжитесь с нашим отделом по работе с корпоративными клиентами по телефону +7 (495) 104-99-04 или напишите на email zakaz@podsnab.ru, прикрепив реквизиты вашей организации.
Мы оперативно подготовим коммерческое предложение и выставим счет.
Возврат товара надлежащего качества возможен в течение 10 дней с момента получения, если товар не был в употреблении, сохранен товарный вид, упаковка не вскрывалась и присутствуют все сопроводительные документы.
Возврат денежных средств осуществляется в течение 10 рабочих дней после проверки товара складом.
В соответствии с законодательством возврату не подлежат подшипники надлежащего качества, если отсутствует оригинальная упаковка или имеются следы монтажа.
В случае выявления брака или гарантийного случая мы гарантируем возврат или обмен товара.
Да, гарантийный срок хранения устанавливается заводом-изготовителем и в среднем составляет 2 года при соблюдении условий хранения: сухое помещение, оригинальная упаковка и смазка.
Точный срок для конкретного типа подшипника уточняйте у наших менеджеров.
Пн–Пт: с 8:00 до 17:00 (МСК).
Сб–Вс: выходные дни.
Заказы на сайте принимаются круглосуточно. Заявки, поступившие после окончания рабочего дня, обрабатываются на следующий рабочий день.
Минимальная сумма заказа для доставки составляет 3000 рублей. Самовывоз со склада возможен на любую сумму при наличии товара.
ООО «УралТехГрупп»
ИНН: 7415093830
КПП: 772401001
ОГРН: 1167456069021
Банк: ПАО Сбербанк
Р/с: 40702810838000475273
К/с: 30101810400000000225
БИК: 044525225
У подшипника GE15AX пока нет отзывов. Вы можете стать первым покупателем, поделившимся своим мнением.