Поиск подшипника
Статьи
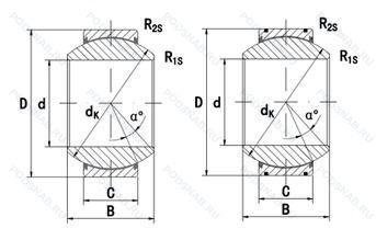
GEH50TE-2RS — Сферический подшипник скольжения, модификация основного исполнения GEH50, производство SKF.
Размер подшипника: 50x90x56 мм.
Double-lip rubbing seals of metric bearings are made of polyester elastomer (-30°c/+130°c). inch-size bearings are made of polyurethane (-20°c/+80°c), сквозная закалка и шлифовка стали с переломом в одной точке.
Альтернативное обозначение: GE50FW-2RS.
Аналоги: GE50FW-2RS Elges,GE50-FW-2RS-A INA.
Международная стандартизации ISO
GEH50TE2RS
В наличии
| Обозначение | Конструктивные изменения |
|---|---|
| GEH50ES-2RS | Резиновые уплотнения с каждой стороны подшипника. Разъемное наружное кольцо со смазочными отверстиями. |
| GEH50ES-2LS | A Triple Lip Elastomer Seal. With A Steel Backing. On Each Side Of The Bearing (-25°C/+120°C). Разъемное наружное кольцо со смазочными отверстиями. |
| GEH50TXE-2LS | A Triple Lip Elastomer Seal. With A Steel Backing. On Each Side Of The Bearing (-25°C/+120°C). Закаленная и шлифованная сталь. Скользящая поверхность покрыта твердым хромом и отполирована. |
| GEH50ESX-2LS | A Triple Lip Elastomer Seal. With A Steel Backing. On Each Side Of The Bearing (-25°C/+120°C). Не требует обслуживания - смазка на весь срок службы. Оптимизированное стальное соединение. Разъемное наружное кольцо с отверстиями для смазки. |
Модификации сферического подшипника GEH50TE-2RS — это измененное основное конструктивное исполнение GEH50, основные размеры (50x90x56) не отличаются.
| Обозначение | Гост | Конструктивные особенности |
|---|---|---|
| GEG50ES | ISO | Повышенной грузоподъемности. Разъемное наружное кольцо со смазочными отверстиями. |
| GEG50ES-2RS | ISO | Повышенной грузоподъемности. Прорезиненное уплотнение с двух сторон. Разъемное наружное кольцо со смазочными отверстиями. |
| GE50FW-2RSA | ISO | Сферический подшипник скольжения. |
| GE50FO-2RS | ISO | Контактные уплотнения типа RS с обеих сторон игольчатого роликоподшипника. Стальная скользящая контактная поверхность. Более широкое внутреннее кольцо. Антизадирная пластичная смазка. |
| GE50-FW-2RS | ISO | Контактные уплотнения типа RS с обеих сторон игольчатого роликоподшипника. СкользящаКонтактная поверхность из хром/PTFE. Широкое внутреннее кольцо. Антизадирная пластичная смазка. |
| GE50GS-2RS | ISO | Контактное уплотнение с обеих сторон. Подшипник с предварительным натягом и цилиндрическим наружним кольцом. |
| GE50GS | ISO | Подшипник с предварительным натягом и цилиндрическим наружним кольцом. |
| DGEG50ES-2RS | ISO | Манжетное уплотнение с двух сторон. Стальная скользящая контактная поверхность. Разъемное наружное кольцо со смазочными отверстиями. |
| GE50FO-2RSC2 | ISO | Внутренний зазор подшипника меньше нормального. Манжетное уплотнение с двух сторон. Стальная скользящая контактная поверхность. Более широкое внутреннее кольцо. |
| GE50-FO-2RS-HLN | ISO | Манжетное уплотнение с двух сторон. Стальная скользящая контактная поверхность. Более широкое внутреннее кольцо. Код местонахождения завода. может использоваться в стандартной комплектации. |
| GE50-FW-2TS | ISO | СкользящаКонтактная поверхность из хром/PTFE. Широкое внутреннее кольцо. Two Teflon Seals Reinforced With Z-Shields. |
| GE50-FO-2TS | ISO | Стальная скользящая контактная поверхность. Более широкое внутреннее кольцо. Two Teflon Seals Reinforced With Z-Shields. |
| GEG50ET-2RS | ISO | Double-Lip Rubbing Seals Of Metric Bearings Are Made Of Polyester Elastomer (-30°C/+130°C). Inch-Size Bearings Are Made Of Polyurethane (-20°C/+80°C). Сквозная закалка и шлифовка стали с переломом в одной точке. |
Аналог сферического подшипника GEH50TE-2RS — это подшипник такого же размера dx50,Dx90,Bx56, типа и конструкции.
| Обозначение | Конструктивные особенности | Внутренний (d) | Наружный (D) | Ширина (B) |
|---|---|---|---|---|
| HR50KBE52X+L | Роликовый радиальный-упорный двухрядный подшипник. Одно механическое уплотнение. Для конических роликоподшипников и радиальных шарикоподшипников. | 50.00 | 90.00 | 55.00 |
| 432210U | Роликовый радиальный-упорный двухрядный подшипник. Универсальный одиночный подшипник. | 50.00 | 90.00 | 55.00 |
| 97510-А | Роликовый радиальный-упорный двухрядный подшипник. Повышенная грузоподъемность. | 50.00 | 90.00 | 55.00 |
| 46T32210JR/43.5 | Роликовый радиальный-упорный двухрядный подшипник. | 50.00 | 90.00 | 55.00 |
| GEG50N | Шарнирный подшипник. Канавка под стопорное кольцо на внешнем кольце. | 50.00 | 90.00 | 56.00 |
| GE 050 HCR-2RS | Шарнирный подшипник. Контактные уплотнения типа RS с обеих сторон игольчатого роликоподшипника. Антизадирная пластичная смазка. | 50.00 | 90.00 | 56.00 |
| GE 050 XES-2RS | Шарнирный подшипник. Контактные уплотнения типа RS с обеих сторон игольчатого роликоподшипника. Габаритные размеры отличаются от стандарта ISO или опорные ролики с цилиндрической наружной поверхностью. Антизадирная пластичная смазка. | 50.00 | 90.00 | 56.00 |
| GE 050 HS-2RS | Шарнирный подшипник. Контактные уплотнения типа RS с обеих сторон игольчатого роликоподшипника. Антизадирная пластичная смазка. | 50.00 | 90.00 | 56.00 |
| GE 050 XES | Шарнирный подшипник. Габаритные размеры отличаются от стандарта ISO или опорные ролики с цилиндрической наружной поверхностью. Антизадирная пластичная смазка. | 50.00 | 90.00 | 56.00 |
| GE50XDO-2RS | Шарнирный подшипник. Резиновые уплотнения с каждой стороны подшипника. | 50.00 | 90.00 | 56.00 |
| GE50XDO | Шарнирный подшипник. | 50.00 | 90.00 | 56.00 |
| GEH 50 ES | Шарнирный подшипник. | 50.00 | 90.00 | 56.00 |
| GEH 50 TXG3E-2LS | Шарнирный подшипник. | 50.00 | 90.00 | 56.00 |
Способы доставки
Отправка через ведущие транспортные и курьерские компании: ПЭК, Деловые Линии, СДЭК, Байкал-Сервис, Энергия, КИТ, ЖелДорЭкспедиция.
Самовывоз возможен напрямую со склада в Москве.
Сроки доставки
Срок зависит от региона и выбранной транспортной компании. Все заказы комплектуются и отправляются в кратчайшие сроки со склада в Москве.
Надёжность и сохранность
Вся продукция упаковывается с учётом требований транспортировки. Мы гарантируем, что подшипники и комплектующие прибудут к заказчику в полной сохранности.
Доставка в страны ЕАЭС
Мы работаем с проверенными логистическими партнёрами, что позволяет оперативно доставлять заказы в Беларусь, Казахстан, Армению и другие страны ЕАЭС.
Варианты оплаты:
Минимальная сумма заказа и скидки:
Документы и гарантии:
Да, конечно! Наши технические специалисты готовы помочь вам с подбором точного аналога или замены подшипника. Просто позвоните нам по телефону +7 (495) 104-99-04 или напишите на почту zakaz@podsnab.ru.
Для оперативной консультации подготовьте, пожалуйста, имеющиеся данные: маркировку, размеры, тип оборудования или артикул старого подшипника.
Да, конечно! Мы высоко ценим долгосрочное сотрудничество и доверие клиентов по всей России. Для постоянных клиентов действует персональная система скидок.
Условия формируются индивидуально и зависят от:
Чтобы узнать свои условия и получить максимально выгодное предложение, свяжитесь с персональным менеджером или напишите нам на почту zakaz@podsnab.ru.
Вы можете оформить заказ несколькими способами:
Для оформления заказа от юридического лица свяжитесь с нашим отделом по работе с корпоративными клиентами по телефону +7 (495) 104-99-04 или напишите на email zakaz@podsnab.ru, прикрепив реквизиты вашей организации.
Мы оперативно подготовим коммерческое предложение и выставим счет.
Возврат товара надлежащего качества возможен в течение 10 дней с момента получения, если товар не был в употреблении, сохранен товарный вид, упаковка не вскрывалась и присутствуют все сопроводительные документы.
Возврат денежных средств осуществляется в течение 10 рабочих дней после проверки товара складом.
В соответствии с законодательством возврату не подлежат подшипники надлежащего качества, если отсутствует оригинальная упаковка или имеются следы монтажа.
В случае выявления брака или гарантийного случая мы гарантируем возврат или обмен товара.
Да, гарантийный срок хранения устанавливается заводом-изготовителем и в среднем составляет 2 года при соблюдении условий хранения: сухое помещение, оригинальная упаковка и смазка.
Точный срок для конкретного типа подшипника уточняйте у наших менеджеров.
Пн–Пт: с 8:00 до 17:00 (МСК).
Сб–Вс: выходные дни.
Заказы на сайте принимаются круглосуточно. Заявки, поступившие после окончания рабочего дня, обрабатываются на следующий рабочий день.
Минимальная сумма заказа для доставки составляет 3000 рублей. Самовывоз со склада возможен на любую сумму при наличии товара.
ООО «УралТехГрупп»
ИНН: 7415093830
КПП: 772401001
ОГРН: 1167456069021
Банк: ПАО Сбербанк
Р/с: 40702810838000475273
К/с: 30101810400000000225
БИК: 044525225
У подшипника GEH50TE-2RS пока нет отзывов. Вы можете стать первым покупателем, поделившимся своим мнением.