Поиск подшипника
Статьи
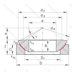
GE45AW — Сферический подшипник скольжения, модификация основного исполнения GE45, выпускается производителями: ELGES, FAG, INA, ISO, NEUTRAL.
Размер подшипника: 45x120x36 мм.
Широкий подшипник с внутренним кольцом и метрическим отверстием, скользящая контактная поверхность из твердого хрома/elgoglide®.
Альтернативное обозначение: GX45F.
Аналоги: GX45F SKF.
Международная стандартизации ISO
GE45AW
В наличии
| Обозначение | Конструктивные изменения |
|---|---|
| GE45-DO-HLG | Стальная контактная поверхность скольжения. Внутреннее и наружное кольца закалены. Код местонахождения завода. может использоваться в стандартной комплектации. |
| GE45-XL-KLL-B | Подшипник со сферическим наружным кольцом. Серия X-Life премиум-класс. увеличиный срок службы. BALL BEARING. CONRAD TYPE. INDUSTRIAL POWER TRANSMISSION. DOUBLE MECHANI-SEAL. |
| GE45-XL-KTT-B | Подшипник со сферическим наружным кольцом. Серия X-Life премиум-класс. увеличиный срок службы. Тройные манжетные уплотнения с обеих сторон подшипника (Т-образное уплотнение). |
| GE45-XL-KRR-B | Подшипник со сферическим наружным кольцом. Серия X-Life премиум-класс. увеличиный срок службы. Манжетные уплотнения с обеих сторон (уплотнение типа R - имеет оцинкованные внутреннюю и внешнюю крышки. Между крышками имеется уплотнительная кромка NBR. идущая по шлифованному буртику). |
| GE45-DO-HLC | Поверхность контакта скольжения сталь / сталь. Код местонахождения завода. может использоваться в стандартной комплектации. |
| GE45-KRR-B-FA107-OSE | Подшипник со сферическим наружным кольцом. Манжетные уплотнения с обеих сторон (уплотнение типа R - имеет оцинкованные внутреннюю и внешнюю крышки. Между крышками имеется уплотнительная кромка NBR. идущая по шлифованному буртику). Подшипник со смазочными отверстиями на опорной стороне. Подшипник без стопорного элемента ( эксцентриковая стопорная втулка). |
| GE45-KTT-B-OSE | Подшипник со сферическим наружным кольцом. Тройные манжетные уплотнения с обеих сторон подшипника (Т-образное уплотнение). Подшипник без стопорного элемента ( эксцентриковая стопорная втулка). |
| GE45-KTT-AH01-OSE | Тройные манжетные уплотнения с обеих сторон подшипника (Т-образное уплотнение). Размеры могут отличаться от базового номера детали. Внутренний зазор равен C3 (больше обычного) и защищен от коррозии специальным покрытием Corrotect®. Подшипник без стопорного элемента ( эксцентриковая стопорная втулка). |
| GE45ESX-2LS | A Triple Lip Elastomer Seal. With A Steel Backing. On Each Side Of The Bearing (-25°C/+120°C). Не требует обслуживания - смазка на весь срок службы. Оптимизированное стальное соединение. Разъемное наружное кольцо с отверстиями для смазки. |
| GE45-KLL-B | Подшипник со сферическим наружным кольцом. BALL BEARING. CONRAD TYPE. INDUSTRIAL POWER TRANSMISSION. DOUBLE MECHANI-SEAL. |
| GE45-KTT-B | Подшипник со сферическим наружным кольцом. Тройные манжетные уплотнения с обеих сторон подшипника (Т-образное уплотнение). |
| GE45-UK | Сталь/политетрафторэтилен (ПТФЭ). |
| GE45-DO-2RS-HLN | Манжетное уплотнение с двух сторон. Стальная контактная поверхность скольжения. Внутреннее и наружное кольца закалены. Код местонахождения завода. может использоваться в стандартной комплектации. |
| GE45EC-NIRO | Твердый хром/фторопластовый композит и радиальный подшипник - необслуживаемый благодаря внешнему кольцу из фторопластового композита. Внутреннее кольцо закалено. Внешнее кольцо, состоящее из стали и внутренней оболочки монорельса, сжимает внутреннее кольцо.. Нержавеющая сталь.. |
| GE45LO | Стальная поверхность скольжения. Внутреннее кольцо расширено с обеих сторон. Одна осевая канавка на внешнем кольце. |
| GE45-UK-2RS-W11 | Манжетное уплотнение с двух сторон. Контактная поверхность скольжения хром/PTFE композит. Для низкого контактного давления (начиная с 1 Н/м2) и минимального трения. |
| GE45-FW-2TS | СкользящаКонтактная поверхность из хром/PTFE. Широкое внутреннее кольцо. Two Teflon Seals Reinforced With Z-Shields. |
| GE45EC-2RS | Резиновые уплотнения с каждой стороны подшипника. Хром/PTFE композит и радиальный подшипник. Не требует обслуживания благодаря тефлоновому композитному наружному кольцу. Внутреннее кольцо закалено.. |
| GE45DO.B | Конический роликовый подшипник. Угол контакта 20 градусов. Сталь. Внутреннее и внешнее кольцо закалены. |
| GE45KRR | Манжетные уплотнения с обеих сторон (уплотнение типа R - имеет оцинкованные внутреннюю и внешнюю крышки. Между крышками имеется уплотнительная кромка NBR. идущая по шлифованному буртику). |
| GE45N | Канавка под стопорное кольцо на внешнем кольце. |
| GE45ET/X | Измененные размеры границ. введенные пересмотренными стандартами ISO. Сквозная закалка и шлифовка стали с переломом в одной точке. |
| GE45C | 15° Угол контакта. |
| GE45ET/X-2RS | Резиновые уплотнения с каждой стороны подшипника. Измененные размеры границ. введенные пересмотренными стандартами ISO. Сквозная закалка и шлифовка стали с переломом в одной точке. |
| GE45XDO-2RS | Резиновые уплотнения с каждой стороны подшипника. |
Модификации сферического подшипника GE45AW — это измененное основное конструктивное исполнение GE45, основные размеры (45x120x36) не отличаются.
| Обозначение | Гост | Конструктивные особенности |
|---|---|---|
| GX45F | ISO | Сепаратор из обработанной стали или специального чугуна. |
| GX45S | ISO | Steel/Steel. Внутренний диаметр отличается от стандартных размеров для миниатюрных шариковых подшипников. |
| GE45AWA | ISO | Особенность внутренней конструкции. Скользящая контактная поверхность из твердого хрома/Elgoglide®. |
Аналог сферического подшипника GE45AW — это подшипник такого же размера dx45,Dx120,Bx36, типа и конструкции.
| Обозначение | Конструктивные особенности | Внутренний (d) | Наружный (D) | Ширина (B) |
|---|---|---|---|---|
| 1409M | Подшипник шариковый двухрядный самоустанавливающийся. Подшипник с латунным сепаратором. центрированный по телам качения. | 45.00 | 120.00 | 35.00 |
| 1409 | Шариковый сферический двухрядный подшипник. | 45.00 | 120.00 | 35.00 |
| GW 045 | Шарнирный подшипник. Пластичная смазка для широкого диапазона температур. | 45.00 | 120.00 | 36.50 |
| GX45N | Шарнирный подшипник. Канавка под стопорное кольцо на внешнем кольце. | 45.00 | 120.00 | 36.50 |
| GX45T | Шарнирный подшипник. Textile Laminated Phenolic Resin. Outer Ring Guided. The Cage Is Suitable For Long-Term Operation At Temperatures Up To 100°C. | 45.00 | 120.00 | 36.50 |
Способы доставки
Отправка через ведущие транспортные и курьерские компании: ПЭК, Деловые Линии, СДЭК, Байкал-Сервис, Энергия, КИТ, ЖелДорЭкспедиция.
Самовывоз возможен напрямую со склада в Москве.
Сроки доставки
Срок зависит от региона и выбранной транспортной компании. Все заказы комплектуются и отправляются в кратчайшие сроки со склада в Москве.
Надёжность и сохранность
Вся продукция упаковывается с учётом требований транспортировки. Мы гарантируем, что подшипники и комплектующие прибудут к заказчику в полной сохранности.
Доставка в страны ЕАЭС
Мы работаем с проверенными логистическими партнёрами, что позволяет оперативно доставлять заказы в Беларусь, Казахстан, Армению и другие страны ЕАЭС.
Варианты оплаты:
Минимальная сумма заказа и скидки:
Документы и гарантии:
Да, конечно! Наши технические специалисты готовы помочь вам с подбором точного аналога или замены подшипника. Просто позвоните нам по телефону +7 (495) 104-99-04 или напишите на почту zakaz@podsnab.ru.
Для оперативной консультации подготовьте, пожалуйста, имеющиеся данные: маркировку, размеры, тип оборудования или артикул старого подшипника.
Да, конечно! Мы высоко ценим долгосрочное сотрудничество и доверие клиентов по всей России. Для постоянных клиентов действует персональная система скидок.
Условия формируются индивидуально и зависят от:
Чтобы узнать свои условия и получить максимально выгодное предложение, свяжитесь с персональным менеджером или напишите нам на почту zakaz@podsnab.ru.
Вы можете оформить заказ несколькими способами:
Для оформления заказа от юридического лица свяжитесь с нашим отделом по работе с корпоративными клиентами по телефону +7 (495) 104-99-04 или напишите на email zakaz@podsnab.ru, прикрепив реквизиты вашей организации.
Мы оперативно подготовим коммерческое предложение и выставим счет.
Возврат товара надлежащего качества возможен в течение 10 дней с момента получения, если товар не был в употреблении, сохранен товарный вид, упаковка не вскрывалась и присутствуют все сопроводительные документы.
Возврат денежных средств осуществляется в течение 10 рабочих дней после проверки товара складом.
В соответствии с законодательством возврату не подлежат подшипники надлежащего качества, если отсутствует оригинальная упаковка или имеются следы монтажа.
В случае выявления брака или гарантийного случая мы гарантируем возврат или обмен товара.
Да, гарантийный срок хранения устанавливается заводом-изготовителем и в среднем составляет 2 года при соблюдении условий хранения: сухое помещение, оригинальная упаковка и смазка.
Точный срок для конкретного типа подшипника уточняйте у наших менеджеров.
Пн–Пт: с 8:00 до 17:00 (МСК).
Сб–Вс: выходные дни.
Заказы на сайте принимаются круглосуточно. Заявки, поступившие после окончания рабочего дня, обрабатываются на следующий рабочий день.
Минимальная сумма заказа для доставки составляет 3000 рублей. Самовывоз со склада возможен на любую сумму при наличии товара.
ООО «УралТехГрупп»
ИНН: 7415093830
КПП: 772401001
ОГРН: 1167456069021
Банк: ПАО Сбербанк
Р/с: 40702810838000475273
К/с: 30101810400000000225
БИК: 044525225
У подшипника GE45AW пока нет отзывов. Вы можете стать первым покупателем, поделившимся своим мнением.