Поиск подшипника
Статьи
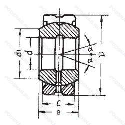
GE160ES-2RS — Сферический подшипник скольжения, модификация основного исполнения GE160, выпускается производителями: AST, CX, EUROSNODI, FBJ, IKO, ISO, LDK, LS, NEUTRAL, NIS, NKE, PAVARINI, SKF.
Размер подшипника: 160x230x105 мм.
Широкий подшипник с внутренним кольцом и метрическим отверстием, контактные уплотнения типа rs с обеих сторон игольчатого роликоподшипника, разъемное наружное кольцо со смазочными отверстиями.
Альтернативное обозначение: GE160DO-2RS.
Аналоги: GE160-DO-2RS-A INA,GE160ES-2RS SKF,GE160ES-2RS Neutral.
Международная стандартизации ISO
GE160ES2RS
В наличии
| Обозначение | Конструктивные изменения |
|---|---|
| GE160ET.2RS | Резиновые уплотнения с каждой стороны подшипника. Сквозная закалка и шлифовка стали с переломом в одной точке. |
| GE160TXA-2RS | Резиновые уплотнения с каждой стороны подшипника. Machined One-Piece Retainer Made From Special Material. Working Temperature -50°C/+260°C. |
| GE160.2RSR | Резиновые уплотнения с каждой стороны подшипника. |
| GE160ES-2RSR | Резиновые уплотнения с каждой стороны подшипника. Steel/Steel. Inner And Outer Ring Hardened. |
| GE160TXG3A-2RS | Double-Lip Rubbing Seals Of Metric Bearings Are Made Of Polyester Elastomer (-30°C/+130°C). Inch-Size Bearings Are Made Of Polyurethane (-20°C/+80°C). Stainless Steel X46Cr13/1.4034. Hardened. Ground. Split Two-Piece. Held Together By One Steel Band. |
| GE160-AW-B | Особенность внутренней конструкции. Скользящая контактная поверхность из твердого хрома/Elgoglide®. |
| GE160-AX | Поверхность контакта скольжения сталь / сталь. Метрический радиальный сферический подшипник скольжения. |
| GE160-SW | Скользящая контактная поверхность из твердого хрома/Elgoglide®. Метрический радиальный сферический подшипник скольжения. |
| GE160FW-2RS | Манжетное уплотнение с двух сторон. СкользящаКонтактная поверхность из хром/PTFE. Широкое внутреннее кольцо. Антизадирная пластичная смазка. |
| GE160-UK-2RS-B | Манжетное уплотнение с двух сторон. Особенность внутренней конструкции. Контактная поверхность скольжения хром/PTFE композит. |
| GE160GS | Подшипник с предварительным натягом и цилиндрическим наружним кольцом. |
| GE160ESX-2LS/C2 | Внутренний зазор подшипника меньше нормального. A Triple Lip Elastomer Seal. With A Steel Backing. On Each Side Of The Bearing (-25°C/+120°C). Не требует обслуживания - смазка на весь срок службы. Оптимизированное стальное соединение. Разъемное наружное кольцо с отверстиями для смазки. |
| GE160FO-2RS | Манжетное уплотнение с двух сторон. Стальная скользящая контактная поверхность. Более широкое внутреннее кольцо. Антизадирная пластичная смазка. |
| GE160-DO-C2 | Внутренний зазор подшипника меньше нормального. Поверхность контакта скольжения сталь / сталь. |
| GE160-UK-2RS-W11 | Манжетное уплотнение с двух сторон. Контактная поверхность скольжения хром/PTFE композит. Для низкого контактного давления (начиная с 1 Н/м2) и минимального трения. |
| GE160-UK-2RS-W7 | Манжетное уплотнение с двух сторон. Контактная поверхность скольжения хром/PTFE композит. Inner Ring Bore With ELGOGLIDE Lining_ Inside Diameter D Reduced By 1.08 mm (dNEW = d – 1.08). |
| GE160-DO-2RS-A | Особенность внутренней конструкции. Манжетное уплотнение с двух сторон. Поверхность контакта скольжения сталь / сталь. |
| GE160DO C3 | Radial Internal Clearance Larger Than Normal. Стальная контактная поверхность скольжения. Внутреннее и наружное кольца закалены. |
| GE160-UK-2TS-G8 | Контактная поверхность скольжения хром/PTFE композит. Two Teflon Seals Reinforced With Z-Shields. Outer Ring With Corrotect ZN Coating. Curved And End Surfaces Of Inner Ring With Hard Chromium Coating. |
| GE160XT/X | Измененные размеры границ. введенные пересмотренными стандартами ISO. Закаленная и шлифованная сталь. Скользящая поверхность покрыта твердым хромом и отполирована. |
| GE160XT/X-2RS | Резиновые уплотнения с каждой стороны подшипника. Измененные размеры границ. введенные пересмотренными стандартами ISO. Закаленная и шлифованная сталь. Скользящая поверхность покрыта твердым хромом и отполирована. |
| GE160XT-2RS | Резиновые уплотнения с каждой стороны подшипника. Закаленная и шлифованная сталь. Скользящая поверхность покрыта твердым хромом и отполирована. |
| GE160SX | Радиально-упорный сферический подшипник скольжения. требующий обслуживания по ISO 12 2402. Монтажные размеры как для конических роликоподшипников по DIN 720. 320X. Стальная скользящая контактная поверхность. Метрический радиальный сферический подшипник скольжения. |
| GE160AW | Скользящая контактная поверхность из твердого хрома/Elgoglide®. Антизадирная пластичная смазка. |
| GE160XF/Q | Оптимизированная геометрия и специальная обработка контактных поверхностей. |
Модификации сферического подшипника GE160ES-2RS — это измененное основное конструктивное исполнение GE160, основные размеры (160x230x105) не отличаются.
| Обозначение | Гост | Конструктивные особенности |
|---|---|---|
| SA1-160 | ISO | Длина рельса в мм. |
| 160FSF230 | ISO | Сферический подшипник скольжения. |
Аналог сферического подшипника GE160ES-2RS — это подшипник такого же размера dx160,Dx230,Bx105, типа и конструкции.
| Обозначение | Конструктивные особенности | Внутренний (d) | Наружный (D) | Ширина (B) |
|---|---|---|---|---|
| GE 160 ECR-2RS | Шарнирный подшипник. Контактные уплотнения типа RS с обеих сторон игольчатого роликоподшипника. Антизадирная пластичная смазка. | 160.00 | 230.00 | 105.00 |
| GE 160 ESX-2LS | Шарнирный подшипник. Контактное уплотнение с обеих сторон подшипника. | 160.00 | 230.00 | 105.00 |
| GE 160 ES-2LS | Шарнирный подшипник. Контактное уплотнение с обеих сторон подшипника. Разъемное наружное кольцо со смазочными отверстиями. | 160.00 | 230.00 | 105.00 |
| GE 160 TXA-2LS | Шарнирный подшипник. Контактное уплотнение с обеих сторон подшипника. Machined One-Piece Retainer Made From Special Material. Working Temperature -50°C/+260°C. | 160.00 | 230.00 | 105.00 |
| GE 160 TXG3A-2LS | Шарнирный подшипник. Контактное уплотнение с обеих сторон подшипника. Stainless Steel X46Cr13/1.4034. Hardened. Ground. Split Two-Piece. Held Together By One Steel Band. | 160.00 | 230.00 | 105.00 |
Способы доставки
Отправка через ведущие транспортные и курьерские компании: ПЭК, Деловые Линии, СДЭК, Байкал-Сервис, Энергия, КИТ, ЖелДорЭкспедиция.
Самовывоз возможен напрямую со склада в Москве.
Сроки доставки
Срок зависит от региона и выбранной транспортной компании. Все заказы комплектуются и отправляются в кратчайшие сроки со склада в Москве.
Надёжность и сохранность
Вся продукция упаковывается с учётом требований транспортировки. Мы гарантируем, что подшипники и комплектующие прибудут к заказчику в полной сохранности.
Доставка в страны ЕАЭС
Мы работаем с проверенными логистическими партнёрами, что позволяет оперативно доставлять заказы в Беларусь, Казахстан, Армению и другие страны ЕАЭС.
Варианты оплаты:
Минимальная сумма заказа и скидки:
Документы и гарантии:
Да, конечно! Наши технические специалисты готовы помочь вам с подбором точного аналога или замены подшипника. Просто позвоните нам по телефону +7 (495) 104-99-04 или напишите на почту zakaz@podsnab.ru.
Для оперативной консультации подготовьте, пожалуйста, имеющиеся данные: маркировку, размеры, тип оборудования или артикул старого подшипника.
Да, конечно! Мы высоко ценим долгосрочное сотрудничество и доверие клиентов по всей России. Для постоянных клиентов действует персональная система скидок.
Условия формируются индивидуально и зависят от:
Чтобы узнать свои условия и получить максимально выгодное предложение, свяжитесь с персональным менеджером или напишите нам на почту zakaz@podsnab.ru.
Вы можете оформить заказ несколькими способами:
Для оформления заказа от юридического лица свяжитесь с нашим отделом по работе с корпоративными клиентами по телефону +7 (495) 104-99-04 или напишите на email zakaz@podsnab.ru, прикрепив реквизиты вашей организации.
Мы оперативно подготовим коммерческое предложение и выставим счет.
Возврат товара надлежащего качества возможен в течение 10 дней с момента получения, если товар не был в употреблении, сохранен товарный вид, упаковка не вскрывалась и присутствуют все сопроводительные документы.
Возврат денежных средств осуществляется в течение 10 рабочих дней после проверки товара складом.
В соответствии с законодательством возврату не подлежат подшипники надлежащего качества, если отсутствует оригинальная упаковка или имеются следы монтажа.
В случае выявления брака или гарантийного случая мы гарантируем возврат или обмен товара.
Да, гарантийный срок хранения устанавливается заводом-изготовителем и в среднем составляет 2 года при соблюдении условий хранения: сухое помещение, оригинальная упаковка и смазка.
Точный срок для конкретного типа подшипника уточняйте у наших менеджеров.
Пн–Пт: с 8:00 до 17:00 (МСК).
Сб–Вс: выходные дни.
Заказы на сайте принимаются круглосуточно. Заявки, поступившие после окончания рабочего дня, обрабатываются на следующий рабочий день.
Минимальная сумма заказа для доставки составляет 3000 рублей. Самовывоз со склада возможен на любую сумму при наличии товара.
ООО «УралТехГрупп»
ИНН: 7415093830
КПП: 772401001
ОГРН: 1167456069021
Банк: ПАО Сбербанк
Р/с: 40702810838000475273
К/с: 30101810400000000225
БИК: 044525225
У подшипника GE160ES-2RS пока нет отзывов. Вы можете стать первым покупателем, поделившимся своим мнением.