Поиск подшипника
Статьи
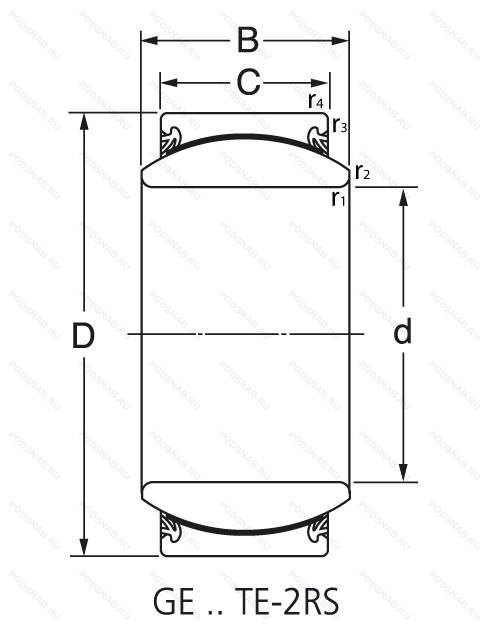
GE35TE-2RS — Сферический подшипник скольжения, модификация основного исполнения GE35, выпускается производителями: NEUTRAL, NIS, SKF.
Размер подшипника: 35x55x25 мм.
Широкий подшипник с внутренним кольцом и метрическим отверстием, резиновые уплотнения с каждой стороны подшипника, внешнее кольцо из углеродной хромированной стали. с изломом. закаленное и шлифованное. со скользящей поверхностью из материала ptfe. внутреннее кольцо из углеродной хромированной стали закаленное и шлифованное. скользящая поверхность покрыта твердым хромом.
Альтернативное обозначение: GE35TXE-2RS, GE35UA.2RS, GE35UK-2RS.
Аналоги: GE35EC-2RS IKO,GE35ET-2RS LS.
Международная стандартизации ISO
GE35TE2RS
В наличии
| Обозначение | Конструктивные изменения |
|---|---|
| GE35DS | Защитная металлическая шайба с двух сторон подшипника. |
| GE35-KTT-B | Подшипник со сферическим наружным кольцом. Тройные манжетные уплотнения с обеих сторон подшипника (Т-образное уплотнение). |
| GE35ESX-2LS | A Triple Lip Elastomer Seal. With A Steel Backing. On Each Side Of The Bearing (-25°C/+120°C). Не требует обслуживания - смазка на весь срок службы. Оптимизированное стальное соединение. Разъемное наружное кольцо с отверстиями для смазки. |
| GE35EC-NIRO | Твердый хром/фторопластовый композит и радиальный подшипник - необслуживаемый благодаря внешнему кольцу из фторопластового композита. Внутреннее кольцо закалено. Внешнее кольцо, состоящее из стали и внутренней оболочки монорельса, сжимает внутреннее кольцо.. Нержавеющая сталь.. |
| GE35C-2RS | концы стержня. не требующие обслуживания. Внутренняя резьба. Double-Lip Rubbing Seals Of Metric Bearings Are Made Of Polyester Elastomer (-30°C/+130°C). Inch-Size Bearings Are Made Of Polyurethane (-20°C/+80°C). |
| GE35HO | Стальная cкользящая контактная поверхность. Цилиндрическое расширение на внутреннем кольце. |
| GE35CJ2 | концы стержня. не требующие обслуживания. Внутренняя резьба. |
| GE35CJ2W23E | концы стержня. не требующие обслуживания. Внутренняя резьба. |
| GE35-KLL-B | Подшипник со сферическим наружным кольцом. BALL BEARING. CONRAD TYPE. INDUSTRIAL POWER TRANSMISSION. DOUBLE MECHANI-SEAL. |
| GE35-UK-2RS-W11 | Манжетное уплотнение с двух сторон. Контактная поверхность скольжения хром/PTFE композит. Для низкого контактного давления (начиная с 1 Н/м2) и минимального трения. |
| GE35-UK-2TS-W11 | Контактная поверхность скольжения хром/PTFE композит. Two Teflon Seals Reinforced With Z-Shields. Для низкого контактного давления (начиная с 1 Н/м2) и минимального трения. |
| GE35KRRB FA164.1 | Подшипник со сферическим наружным кольцом. Манжетные уплотнения с обеих сторон (уплотнение типа R - имеет оцинкованные внутреннюю и внешнюю крышки. Между крышками имеется уплотнительная кромка NBR. идущая по шлифованному буртику). Temperature Design From -20°C / +250°C. |
| GE35-KRR-B-FA164 | Подшипник со сферическим наружным кольцом. Манжетные уплотнения с обеих сторон (уплотнение типа R - имеет оцинкованные внутреннюю и внешнюю крышки. Между крышками имеется уплотнительная кромка NBR. идущая по шлифованному буртику). Высокотемпературная конструкция до +250°C. |
| GE35DO-C2 | Радиальный внутренний зазор меньше нормального. Стальная контактная поверхность скольжения. Внутреннее и наружное кольца закалены. |
| GE35KRRB FA125.5 | Подшипник со сферическим наружным кольцом. Манжетные уплотнения с обеих сторон (уплотнение типа R - имеет оцинкованные внутреннюю и внешнюю крышки. Между крышками имеется уплотнительная кромка NBR. идущая по шлифованному буртику). Distance Between Beginning Of The Rail And First Hole In MM. С покрытием Corrotect®, защищено от коррозии. |
| GE35ET-2RS | Double-Lip Rubbing Seals Of Metric Bearings Are Made Of Polyester Elastomer (-30°C/+130°C). Inch-Size Bearings Are Made Of Polyurethane (-20°C/+80°C). Сквозная закалка и шлифовка стали с переломом в одной точке. |
| GE35-DO-2RS-A | Особенность внутренней конструкции. Манжетное уплотнение с двух сторон. Поверхность контакта скольжения сталь / сталь. |
| GE35DO.B | Конический роликовый подшипник. Угол контакта 20 градусов. Сталь. Внутреннее и внешнее кольцо закалены. |
| GE35-XL-KRR-B-FA164 | Подшипник со сферическим наружным кольцом. Серия X-Life премиум-класс. увеличиный срок службы. Манжетные уплотнения с обеих сторон (уплотнение типа R - имеет оцинкованные внутреннюю и внешнюю крышки. Между крышками имеется уплотнительная кромка NBR. идущая по шлифованному буртику). Высокотемпературная конструкция до +250°C. |
| GE35KRR | Манжетные уплотнения с обеих сторон (уплотнение типа R - имеет оцинкованные внутреннюю и внешнюю крышки. Между крышками имеется уплотнительная кромка NBR. идущая по шлифованному буртику). |
| GE35ET/X-2RS | Резиновые уплотнения с каждой стороны подшипника. Измененные размеры границ. введенные пересмотренными стандартами ISO. Сквозная закалка и шлифовка стали с переломом в одной точке. |
| GE35ET/X | Измененные размеры границ. введенные пересмотренными стандартами ISO. Сквозная закалка и шлифовка стали с переломом в одной точке. |
| GE35XDO-2RS | Резиновые уплотнения с каждой стороны подшипника. |
| GE35C | 15° Угол контакта. |
| GE35N | Канавка под стопорное кольцо на внешнем кольце. |
Модификации сферического подшипника GE35TE-2RS — это измененное основное конструктивное исполнение GE35, основные размеры (35x55x25) не отличаются.
| Обозначение | Гост | Конструктивные особенности |
|---|---|---|
| 360559 | ISO | Сферический подшипник скольжения. |
| DGE35ES-2RS | ISO | Манжетное уплотнение с двух сторон. Стальная скользящая контактная поверхность. Разъемное наружное кольцо со смазочными отверстиями. |
| DGE35UK-2RS | ISO | Резиновые уплотнения с каждой стороны подшипника. Сталь/политетрафторэтилен (ПТФЭ). |
| DGE35ES | ISO | Разъемное наружное кольцо со смазочными отверстиями. |
| SR35 2RS | ISO | Double-Lip Rubbing Seals Of Metric Bearings Are Made Of Polyester Elastomer (-30°C/+130°C). Inch-Size Bearings Are Made Of Polyurethane (-20°C/+80°C). |
| MB35 | ISO | Сферический подшипник скольжения. |
| SA1-35B | ISO | one-piece outer ring with fractured split. |
Аналог сферического подшипника GE35TE-2RS — это подшипник такого же размера dx35,Dx55,Bx25, типа и конструкции.
| Обозначение | Конструктивные особенности | Внутренний (d) | Наружный (D) | Ширина (B) |
|---|---|---|---|---|
| ШН35 Ю | Шарнирный подшипник. Одно или два кольца из нержавеющей стали.. Неразъемный без отверстий и канавок для смазки. | 35.00 | 55.00 | 26.00 |
| ШН35 ЮТ | Шарнирный подшипник. Температура отпуска. 160°. Одно или два кольца из нержавеющей стали.. Неразъемный без отверстий и канавок для смазки. | 35.00 | 55.00 | 26.00 |
| 822707-Д | Роликовый радиальный цилиндрический подшипник. Сепаратор из алюминиевого сплава.. | 35.00 | 55.00 | 25.00 |
| 822707-Д1 | Роликовый радиальный цилиндрический подшипник. Сепаратор из алюминиевого сплава.. | 35.00 | 55.00 | 25.00 |
| 1 ЕШСП35 К | Шарнирный подшипник. Канавка и отверстие для смазки на внутреннем и наружном кольцах.. | 35.00 | 55.00 | 25.00 |
| 1-ШП35 | Шарнирный подшипник. Без отверстий и канавок для смазки. | 35.00 | 55.00 | 26.00 |
| 1-ШСП35 КИ | Шарнирный подшипник. Канавка и отверстие для смазки на внутреннем и наружном кольцах.. Поверхность скольжения покрыта дисульфидом молибдена.. С отверстиями и канавками для смазки во внутреннем кольце. | 35.00 | 55.00 | 26.00 |
| 1-ШСП35 К | Шарнирный подшипник. Канавка и отверстие для смазки на внутреннем и наружном кольцах.. С отверстиями и канавками для смазки во внутреннем кольце. | 35.00 | 55.00 | 26.00 |
| 1-ШСП35 | Шарнирный подшипник. С отверстиями и канавками для смазки во внутреннем кольце. | 35.00 | 55.00 | 26.00 |
| ШСР35 | Шарнирный подшипник. С отверстиями и канавками для смазки во внутреннем кольце. | 35.00 | 55.00 | 26.00 |
| GE 035 ECR-2RS | Шарнирный подшипник. Контактные уплотнения типа RS с обеих сторон игольчатого роликоподшипника. Антизадирная пластичная смазка. | 35.00 | 55.00 | 25.00 |
| GE 035 ES | Шарнирный подшипник. Антизадирная пластичная смазка. | 35.00 | 55.00 | 25.00 |
| GE 035 ES-2RS | Шарнирный подшипник. Контактные уплотнения типа RS с обеих сторон игольчатого роликоподшипника. Антизадирная пластичная смазка. | 35.00 | 55.00 | 25.00 |
| SAR1-35 | Шарнирный подшипник. 2.3/16. | 35.00 | 55.00 | 25.00 |
| 1-ЕШСП35 КИ | Шарнирный подшипник. Канавка и отверстие для смазки на внутреннем и наружном кольцах.. Поверхность скольжения покрыта дисульфидом молибдена.. | 35.00 | 55.00 | 25.00 |
Способы доставки
Отправка через ведущие транспортные и курьерские компании: ПЭК, Деловые Линии, СДЭК, Байкал-Сервис, Энергия, КИТ, ЖелДорЭкспедиция.
Самовывоз возможен напрямую со склада в Москве.
Сроки доставки
Срок зависит от региона и выбранной транспортной компании. Все заказы комплектуются и отправляются в кратчайшие сроки со склада в Москве.
Надёжность и сохранность
Вся продукция упаковывается с учётом требований транспортировки. Мы гарантируем, что подшипники и комплектующие прибудут к заказчику в полной сохранности.
Доставка в страны ЕАЭС
Мы работаем с проверенными логистическими партнёрами, что позволяет оперативно доставлять заказы в Беларусь, Казахстан, Армению и другие страны ЕАЭС.
Варианты оплаты:
Минимальная сумма заказа и скидки:
Документы и гарантии:
Да, конечно! Наши технические специалисты готовы помочь вам с подбором точного аналога или замены подшипника. Просто позвоните нам по телефону +7 (495) 104-99-04 или напишите на почту zakaz@podsnab.ru.
Для оперативной консультации подготовьте, пожалуйста, имеющиеся данные: маркировку, размеры, тип оборудования или артикул старого подшипника.
Да, конечно! Мы высоко ценим долгосрочное сотрудничество и доверие клиентов по всей России. Для постоянных клиентов действует персональная система скидок.
Условия формируются индивидуально и зависят от:
Чтобы узнать свои условия и получить максимально выгодное предложение, свяжитесь с персональным менеджером или напишите нам на почту zakaz@podsnab.ru.
Вы можете оформить заказ несколькими способами:
Для оформления заказа от юридического лица свяжитесь с нашим отделом по работе с корпоративными клиентами по телефону +7 (495) 104-99-04 или напишите на email zakaz@podsnab.ru, прикрепив реквизиты вашей организации.
Мы оперативно подготовим коммерческое предложение и выставим счет.
Возврат товара надлежащего качества возможен в течение 10 дней с момента получения, если товар не был в употреблении, сохранен товарный вид, упаковка не вскрывалась и присутствуют все сопроводительные документы.
Возврат денежных средств осуществляется в течение 10 рабочих дней после проверки товара складом.
В соответствии с законодательством возврату не подлежат подшипники надлежащего качества, если отсутствует оригинальная упаковка или имеются следы монтажа.
В случае выявления брака или гарантийного случая мы гарантируем возврат или обмен товара.
Да, гарантийный срок хранения устанавливается заводом-изготовителем и в среднем составляет 2 года при соблюдении условий хранения: сухое помещение, оригинальная упаковка и смазка.
Точный срок для конкретного типа подшипника уточняйте у наших менеджеров.
Пн–Пт: с 8:00 до 17:00 (МСК).
Сб–Вс: выходные дни.
Заказы на сайте принимаются круглосуточно. Заявки, поступившие после окончания рабочего дня, обрабатываются на следующий рабочий день.
Минимальная сумма заказа для доставки составляет 3000 рублей. Самовывоз со склада возможен на любую сумму при наличии товара.
ООО «УралТехГрупп»
ИНН: 7415093830
КПП: 772401001
ОГРН: 1167456069021
Банк: ПАО Сбербанк
Р/с: 40702810838000475273
К/с: 30101810400000000225
БИК: 044525225
У подшипника GE35TE-2RS пока нет отзывов. Вы можете стать первым покупателем, поделившимся своим мнением.