Поиск подшипника
Статьи
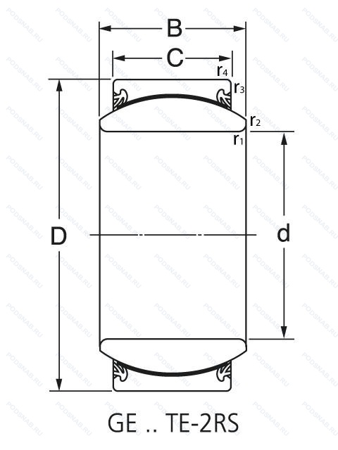
GE30TE-2RS — Сферический подшипник скольжения, модификация основного исполнения GE30, выпускается производителями: AKN, NEUTRAL, NIS, SKF.
Размер подшипника: 30x47x22 мм.
Широкий подшипник с внутренним кольцом и метрическим отверстием, резиновые уплотнения с каждой стороны подшипника, внешнее кольцо из углеродной хромированной стали. с изломом. закаленное и шлифованное. со скользящей поверхностью из материала ptfe. внутреннее кольцо из углеродной хромированной стали закаленное и шлифованное. скользящая поверхность покрыта твердым хромом.
Альтернативное обозначение: GE30TXE-2RS, GE30UA-2RS, GE30UK-2RS.
Аналоги: GE30TE-2RS AKN,GE30ET-2RS LSK Bearings,GE30ET-2RS LS,GE30ET-2RS WSW.
Международная стандартизации ISO
GE30TE2RS
В наличии
| Обозначение | Конструктивные изменения |
|---|---|
| GE30-DO-2RS1-G5 | Манжетное уплотнение с двух сторон. Стальная контактная поверхность скольжения. Внутреннее и наружное кольца закалены. Науглероженная сталь - внутреннее и наружное кольцо. |
| GE30KRRB FA101 | Подшипник со сферическим наружным кольцом. Манжетные уплотнения с обеих сторон (уплотнение типа R - имеет оцинкованные внутреннюю и внешнюю крышки. Между крышками имеется уплотнительная кромка NBR. идущая по шлифованному буртику). Высоко и низкотемпературная конструкция -40℃ / +180℃. |
| GE30-KTT-B-OSE | Подшипник со сферическим наружным кольцом. Тройные манжетные уплотнения с обеих сторон подшипника (Т-образное уплотнение). Подшипник без стопорного элемента ( эксцентриковая стопорная втулка). |
| GE30KLLHB | Подшипник со сферическим наружным кольцом. Лабиринтные уплотнения с обеих сторон (уплотнение типа L - все детали уплотнения типа L оцинкованы со всех сторон. чтобы улучшить защиту от коррозии - нет трения уплотнения). |
| GE30TGR | d ≤17mm/ Unhardened Stainless Steel X22CrNi 17/1.4057. Pressed Over The Inner Ring. No Butt Joint d ≥20mm/ Hardened Stainless Steel X46Cr 13/1.4034. Hardened.Ground. Fractured At One Position. |
| GE30EC-2RS | Резиновые уплотнения с каждой стороны подшипника. Хром/PTFE композит и радиальный подшипник. Не требует обслуживания благодаря тефлоновому композитному наружному кольцу. Внутреннее кольцо закалено.. |
| GE30KRRB FA101T | Подшипник со сферическим наружным кольцом. Манжетные уплотнения с обеих сторон (уплотнение типа R - имеет оцинкованные внутреннюю и внешнюю крышки. Между крышками имеется уплотнительная кромка NBR. идущая по шлифованному буртику). Высоко и низкотемпературная конструкция -40℃ / +180℃. |
| GE30ZO | Стальная скользящая контактная поверхность. Разъемное наружное кольцо со смазочными отверстиями. |
| GE30EC | Хром/PTFE композит и радиальный подшипник. Не требует обслуживания благодаря тефлоновому композитному наружному кольцу. Внутреннее кольцо закалено.. |
| GE30-DO-2RS-HLN | Манжетное уплотнение с двух сторон. Стальная контактная поверхность скольжения. Внутреннее и наружное кольца закалены. Код местонахождения завода. может использоваться в стандартной комплектации. |
| GE30ESX-2LS | A Triple Lip Elastomer Seal. With A Steel Backing. On Each Side Of The Bearing (-25°C/+120°C). Не требует обслуживания - смазка на весь срок службы. Оптимизированное стальное соединение. Разъемное наружное кольцо с отверстиями для смазки. |
| GE30-KLL-B-L091 | Подшипник со сферическим наружным кольцом. Optimized Grease For All Purposes. Temperature Range Approximately -50°C / +120°C - Description/ Isoflex® LDS 18 Special A)-Is A Dynamically Light Long-Term Grease For Plain And Rolling Bearings. It Consists Of Ester Oil. Mineral Oil And Lithium Soap. The Product Is Resistant To Ageing. Oxidation And Water. And It Protects Reliably Against Corrosion. Application/ Isoflex® LDS 18 Special A Is Suitable For Plain And Rolling Bearings Operating At Low Temperatures And/Or High Speeds. For Example In Grinding Spindles. Machine Tool Spindles. Spindle Bearings. Textile Spindles. Bearings In Oe-Spinning Turbines. Bearings In Precision And Optical Equipment. BALL BEARING. CONRAD TYPE. INDUSTRIAL POWER TRANSMISSION. DOUBLE MECHANI-SEAL. |
| GE30-KLL-B | Подшипник со сферическим наружным кольцом. BALL BEARING. CONRAD TYPE. INDUSTRIAL POWER TRANSMISSION. DOUBLE MECHANI-SEAL. |
| GE30-AW-W11 | Sliding Contact Surface Hard Chromium/Elgoglide¨ (Elgoglide. Для низкого контактного давления (начиная с 1 Н/м2) и минимального трения. |
| GE30-FW-2TS-W11 | СкользящаКонтактная поверхность из хром/PTFE. Широкое внутреннее кольцо. Two Teflon Seals Reinforced With Z-Shields. Для низкого контактного давления (начиная с 1 Н/м2) и минимального трения. |
| GE30-FW-2TS | СкользящаКонтактная поверхность из хром/PTFE. Широкое внутреннее кольцо. Two Teflon Seals Reinforced With Z-Shields. |
| GE30-KTT-B | Подшипник со сферическим наружным кольцом. Тройные манжетные уплотнения с обеих сторон подшипника (Т-образное уплотнение). |
| GE30-UK-2TS-W11-G8 | Контактная поверхность скольжения хром/PTFE композит. Two Teflon Seals Reinforced With Z-Shields. Outer Ring With Corrotect ZN Coating. Curved And End Surfac. Для низкого контактного давления (начиная с 1 Н/м2) и минимального трения. |
| GE30KRRB FA125.5 | Подшипник со сферическим наружным кольцом. Манжетные уплотнения с обеих сторон (уплотнение типа R - имеет оцинкованные внутреннюю и внешнюю крышки. Между крышками имеется уплотнительная кромка NBR. идущая по шлифованному буртику). С покрытием Corrotect®, защищено от коррозии. |
| GE30DO-2RS-INOX | Манжетное уплотнение с двух сторон. Стальная контактная поверхность скольжения. Внутреннее и наружное кольца закалены. Нержавеющая сталь. |
| GE30TXGR-2LS | A Triple Lip Elastomer Seal. With A Steel Backing. On Each Side Of The Bearing (-25°C/+120°C). d ≤17mm/ Unhardened Stainless Steel X22CrNi 17/1.4057. Pressed Over The Inner Ring. No Butt Joint d ≥20mm/ Hardened Stainless Steel X46Cr 13/1.4034. Hardened. Ground. Fractured At One Position. |
| GE30KRR | Манжетные уплотнения с обеих сторон (уплотнение типа R - имеет оцинкованные внутреннюю и внешнюю крышки. Между крышками имеется уплотнительная кромка NBR. идущая по шлифованному буртику). |
| GE30ET/X | Измененные размеры границ. введенные пересмотренными стандартами ISO. Сквозная закалка и шлифовка стали с переломом в одной точке. |
| GE30XDO-2RS | Резиновые уплотнения с каждой стороны подшипника. |
| GE30N | Канавка под стопорное кольцо на внешнем кольце. |
Модификации сферического подшипника GE30TE-2RS — это измененное основное конструктивное исполнение GE30, основные размеры (30x47x22) не отличаются.
| Обозначение | Гост | Конструктивные особенности |
|---|---|---|
| 365235B | ISO | Конический роликовый подшипник. Угол контакта 20 градусов. |
| WCN30 | ISO | Сферический подшипник скольжения. |
| DGE30ES-2RS | ISO | Манжетное уплотнение с двух сторон. Стальная скользящая контактная поверхность. Разъемное наружное кольцо со смазочными отверстиями. |
| DGE30UK-2RS | ISO | Резиновые уплотнения с каждой стороны подшипника. Сталь/политетрафторэтилен (ПТФЭ). |
| DGE30ES | ISO | Разъемное наружное кольцо со смазочными отверстиями. |
| SR30TGR | ISO | d ≤17mm/ Unhardened Stainless Steel X22CrNi 17/1.4057. Pressed Over The Inner Ring. No Butt Joint d ≥20mm/ Hardened Stainless Steel X46Cr 13/1.4034. Hardened.Ground. Fractured At One Position. |
Аналог сферического подшипника GE30TE-2RS — это подшипник такого же размера dx30,Dx47,Bx22, типа и конструкции.
| Обозначение | Конструктивные особенности | Внутренний (d) | Наружный (D) | Ширина (B) |
|---|---|---|---|---|
| ШН30 ЮТ | Шарнирный подшипник. Температура отпуска. 160°. Одно или два кольца из нержавеющей стали.. Неразъемный без отверстий и канавок для смазки. | 30.00 | 47.00 | 22.00 |
| ШС30 К1 | Шарнирный подшипник. Канавка и отверстие для смазки на наружном кольце.. С отверстиями и канавками для смазки во внутреннем кольце.. | 30.00 | 47.00 | 22.00 |
| ШС30 ЮТ | Шарнирный подшипник. Температура отпуска. 160°. Одно или два кольца из нержавеющей стали.. С отверстиями и канавками для смазки во внутреннем кольце.. | 30.00 | 47.00 | 22.00 |
| JAB-2010 | Шариковый радиально-упорный двухрядный подшипник. Угол контакта 40°. | 30.00 | 47.00 | 22.00 |
| PC30470022CS | Шариковый радиальный двухрядный подшипник. Высокоуглеродистая сталь. | 30.00 | 47.00 | 22.00 |
| ШСП30 К1 | Шарнирный подшипник. Канавка и отверстие для смазки на наружном кольце.. С отверстиями и канавками для смазки во внутреннем кольце. | 30.00 | 47.00 | 22.00 |
| 1-ШП30 | Шарнирный подшипник. Без отверстий и канавок для смазки. | 30.00 | 47.00 | 22.00 |
| GE 030 ECR-2RS | Шарнирный подшипник. Контактные уплотнения типа RS с обеих сторон игольчатого роликоподшипника. Антизадирная пластичная смазка. | 30.00 | 47.00 | 22.00 |
| GE 030 ES | Шарнирный подшипник. Антизадирная пластичная смазка. | 30.00 | 47.00 | 22.00 |
| GE 030 ECR | Шарнирный подшипник. Антизадирная пластичная смазка. | 30.00 | 47.00 | 22.00 |
| GE 030 ES-2RS | Шарнирный подшипник. Контактные уплотнения типа RS с обеих сторон игольчатого роликоподшипника. Антизадирная пластичная смазка. | 30.00 | 47.00 | 22.00 |
| SAR1-30 | Шарнирный подшипник. Distance Between End Face And First Hole Of The Rail. | 30.00 | 47.00 | 22.00 |
| 1-ШСП30 | Шарнирный подшипник. С отверстиями и канавками для смазки во внутреннем кольце. | 30.00 | 47.00 | 22.00 |
| 1-ШСП30 К | Шарнирный подшипник. Канавка и отверстие для смазки на внутреннем и наружном кольцах.. С отверстиями и канавками для смазки во внутреннем кольце. | 30.00 | 47.00 | 22.00 |
| 1-ШСП30 КИ | Шарнирный подшипник. Канавка и отверстие для смазки на внутреннем и наружном кольцах.. Поверхность скольжения покрыта дисульфидом молибдена.. С отверстиями и канавками для смазки во внутреннем кольце. | 30.00 | 47.00 | 22.00 |
Способы доставки
Отправка через ведущие транспортные и курьерские компании: ПЭК, Деловые Линии, СДЭК, Байкал-Сервис, Энергия, КИТ, ЖелДорЭкспедиция.
Самовывоз возможен напрямую со склада в Москве.
Сроки доставки
Срок зависит от региона и выбранной транспортной компании. Все заказы комплектуются и отправляются в кратчайшие сроки со склада в Москве.
Надёжность и сохранность
Вся продукция упаковывается с учётом требований транспортировки. Мы гарантируем, что подшипники и комплектующие прибудут к заказчику в полной сохранности.
Доставка в страны ЕАЭС
Мы работаем с проверенными логистическими партнёрами, что позволяет оперативно доставлять заказы в Беларусь, Казахстан, Армению и другие страны ЕАЭС.
Варианты оплаты:
Минимальная сумма заказа и скидки:
Документы и гарантии:
Да, конечно! Наши технические специалисты готовы помочь вам с подбором точного аналога или замены подшипника. Просто позвоните нам по телефону +7 (495) 104-99-04 или напишите на почту zakaz@podsnab.ru.
Для оперативной консультации подготовьте, пожалуйста, имеющиеся данные: маркировку, размеры, тип оборудования или артикул старого подшипника.
Да, конечно! Мы высоко ценим долгосрочное сотрудничество и доверие клиентов по всей России. Для постоянных клиентов действует персональная система скидок.
Условия формируются индивидуально и зависят от:
Чтобы узнать свои условия и получить максимально выгодное предложение, свяжитесь с персональным менеджером или напишите нам на почту zakaz@podsnab.ru.
Вы можете оформить заказ несколькими способами:
Для оформления заказа от юридического лица свяжитесь с нашим отделом по работе с корпоративными клиентами по телефону +7 (495) 104-99-04 или напишите на email zakaz@podsnab.ru, прикрепив реквизиты вашей организации.
Мы оперативно подготовим коммерческое предложение и выставим счет.
Возврат товара надлежащего качества возможен в течение 10 дней с момента получения, если товар не был в употреблении, сохранен товарный вид, упаковка не вскрывалась и присутствуют все сопроводительные документы.
Возврат денежных средств осуществляется в течение 10 рабочих дней после проверки товара складом.
В соответствии с законодательством возврату не подлежат подшипники надлежащего качества, если отсутствует оригинальная упаковка или имеются следы монтажа.
В случае выявления брака или гарантийного случая мы гарантируем возврат или обмен товара.
Да, гарантийный срок хранения устанавливается заводом-изготовителем и в среднем составляет 2 года при соблюдении условий хранения: сухое помещение, оригинальная упаковка и смазка.
Точный срок для конкретного типа подшипника уточняйте у наших менеджеров.
Пн–Пт: с 8:00 до 17:00 (МСК).
Сб–Вс: выходные дни.
Заказы на сайте принимаются круглосуточно. Заявки, поступившие после окончания рабочего дня, обрабатываются на следующий рабочий день.
Минимальная сумма заказа для доставки составляет 3000 рублей. Самовывоз со склада возможен на любую сумму при наличии товара.
ООО «УралТехГрупп»
ИНН: 7415093830
КПП: 772401001
ОГРН: 1167456069021
Банк: ПАО Сбербанк
Р/с: 40702810838000475273
К/с: 30101810400000000225
БИК: 044525225
У подшипника GE30TE-2RS пока нет отзывов. Вы можете стать первым покупателем, поделившимся своим мнением.