Поиск подшипника
Статьи
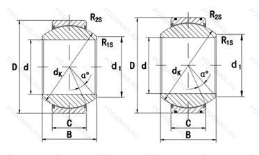
GE110TE-2RS — Сферический подшипник скольжения, модификация основного исполнения GE110, производство NEUTRAL.
Размер подшипника: 110x160x70 мм.
Широкий подшипник с внутренним кольцом и метрическим отверстием, double-lip rubbing seals of metric bearings are made of polyester elastomer (-30°c/+130°c). inch-size bearings are made of polyurethane (-20°c/+80°c), сквозная закалка и шлифовка стали с переломом в одной точке.
Альтернативное обозначение: DGE110UK-2RS, GE110EC-2RS, GE110UK-2RS, GE110TXE-2RS, GE110UA.2RS.
Международная стандартизации ISO
GE110TE2RS
В наличии
| Обозначение | Конструктивные изменения |
|---|---|
| GE110TA-2RS | Резиновые уплотнения с каждой стороны подшипника. Цельный. центрированный по внешнему кольцу. механически обработанный. ламинированный. фенольный сепаратор. |
| GE110DO | Прессованный стальной сепаратор. Вращающийся элемент по центру. Незакаленный. Антизадирная пластичная смазка. |
| GE110LO | Стальная поверхность скольжения. Внутреннее кольцо расширено с обеих сторон. Одна осевая канавка на внешнем кольце. Метрический радиальный сферический подшипник скольжения. |
| GE110SX | Радиально-упорный сферический подшипник скольжения. требующий обслуживания по ISO 12 2402. Монтажные размеры как для конических роликоподшипников по DIN 720. 320X. Стальная скользящая контактная поверхность. Метрический радиальный сферический подшипник скольжения. |
| GE110TXA-2LS | A Triple Lip Elastomer Seal. With A Steel Backing. On Each Side Of The Bearing (-25°C/+120°C). Through Hardened And Ground Steel. Split Two-Piece. Held Together By One Or Two Steel Bands. |
| GE110-ES | Разъемное наружное кольцо со смазочными отверстиями. Антизадирная пластичная смазка. |
| GE110EC-2RS | Резиновые уплотнения с каждой стороны подшипника. Хром/PTFE композит и радиальный подшипник. Не требует обслуживания благодаря тефлоновому композитному наружному кольцу. Внутреннее кольцо закалено.. |
| GE110-FW-2RS-B | Манжетное уплотнение с двух сторон. Особенность внутренней конструкции. СкользящаКонтактная поверхность из хром/PTFE. Широкое внутреннее кольцо. |
| GE110HO | Стальная cкользящая контактная поверхность. Цилиндрическое расширение на внутреннем кольце. |
| GE110-FO-2RS | Манжетное уплотнение с двух сторон. Стальная скользящая контактная поверхность. Более широкое внутреннее кольцо. Антизадирная пластичная смазка. |
| GE110-FW-2RS | Манжетное уплотнение с двух сторон. СкользящаКонтактная поверхность из хром/PTFE. Широкое внутреннее кольцо. Антизадирная пластичная смазка. |
| GE110-FO-2RS-HLN | Манжетное уплотнение с двух сторон. Стальная скользящая контактная поверхность. Более широкое внутреннее кольцо. Код местонахождения завода. может использоваться в стандартной комплектации. |
| GE110GS-2RS | Контактное уплотнение с обеих сторон. Подшипник с предварительным натягом и цилиндрическим наружним кольцом. |
| GE110-UK-2RS-W11 | Манжетное уплотнение с двух сторон. Контактная поверхность скольжения хром/PTFE композит. Для низкого контактного давления (начиная с 1 Н/м2) и минимального трения. |
| GE110-UK-2TS-G8-W11 | Контактная поверхность скольжения хром/PTFE композит. Two Teflon Seals Reinforced With Z-Shields. Outer Ring With Corrotect ZN Coating. Curved And End Surfaces Of Inner Ring With Hard Ch. Для низкого контактного давления (начиная с 1 Н/м2) и минимального трения. |
| GE110DO-2RSA | Special Seals. Поверхность контакта скольжения сталь / сталь. |
| GE110-FO-2RS-A | Особенность внутренней конструкции. Манжетное уплотнение с двух сторон. Стальная скользящая контактная поверхность. Более широкое внутреннее кольцо. |
| GE110-UK-2RS-B | Манжетное уплотнение с двух сторон. Особенность внутренней конструкции. Контактная поверхность скольжения хром/PTFE композит. |
| GE110TXG3A-2LS | A Triple Lip Elastomer Seal. With A Steel Backing. On Each Side Of The Bearing (-25°C/+120°C). Stainless Steel X46Cr13/1.4034. Hardened. Ground. Split Two-Piece. Held Together By One Steel Band. |
| GE110TXE-2LS | A Triple Lip Elastomer Seal. With A Steel Backing. On Each Side Of The Bearing (-25°C/+120°C). Закаленная и шлифованная сталь. Скользящая поверхность покрыта твердым хромом и отполирована. |
| GE110ET-2RS | Резиновые уплотнения с каждой стороны подшипника. Сквозная закалка и шлифовка стали с переломом в одной точке. |
| GE110XT/X-2RS | Резиновые уплотнения с каждой стороны подшипника. Измененные размеры границ. введенные пересмотренными стандартами ISO. Закаленная и шлифованная сталь. Скользящая поверхность покрыта твердым хромом и отполирована. |
| GE110XDO-2RS | Резиновые уплотнения с каждой стороны подшипника. |
| GE110XT/X | Измененные размеры границ. введенные пересмотренными стандартами ISO. Закаленная и шлифованная сталь. Скользящая поверхность покрыта твердым хромом и отполирована. |
| GE110XF/Q | Оптимизированная геометрия и специальная обработка контактных поверхностей. |
Модификации сферического подшипника GE110TE-2RS — это измененное основное конструктивное исполнение GE110, основные размеры (110x160x70) не отличаются.
| Обозначение | Гост | Конструктивные особенности |
|---|---|---|
| DGE110ES-2RS | ISO | Манжетное уплотнение с двух сторон. Стальная скользящая контактная поверхность. Разъемное наружное кольцо со смазочными отверстиями. |
| DGE110UK-2RS | ISO | Резиновые уплотнения с каждой стороны подшипника. Сталь/политетрафторэтилен (ПТФЭ). |
Аналог сферического подшипника GE110TE-2RS — это подшипник такого же размера dx110,Dx160,Bx70, типа и конструкции.
| Обозначение | Конструктивные особенности | Внутренний (d) | Наружный (D) | Ширина (B) |
|---|---|---|---|---|
| 35222 | Роликовый подшипник с витыми роликами. | 110.00 | 160.00 | 70.00 |
| 1-ШСЛ110 К1 | Шарнирный подшипник. Канавка и отверстие для смазки на наружном кольце.. С отверстиями и канавками для смазки во внутреннем кольце. | 110.00 | 160.00 | 70.00 |
| GE 110 ECR-2RS | Шарнирный подшипник. Контактные уплотнения типа RS с обеих сторон игольчатого роликоподшипника. Антизадирная пластичная смазка. | 110.00 | 160.00 | 70.00 |
| GF 110 DO | Шарнирный подшипник. Прессованный стальной сепаратор. Вращающийся элемент по центру. Незакаленный. | 110.00 | 160.00 | 70.00 |
| GIHRK 110 DO | Шарнирный подшипник. Прессованный стальной сепаратор. Вращающийся элемент по центру. Незакаленный. | 110.00 | 160.00 | 70.00 |
| 110FSF160 | Шарнирный подшипник. | 110.00 | 160.00 | 70.00 |
| SA1-110B | Шарнирный подшипник. Конический роликовый подшипник. Угол контакта 20 градусов. | 110.00 | 160.00 | 70.00 |
| SA1-110BSS | Шарнирный подшипник. Ball Bearings In Stainless Steel AISI (Non Magnetic). | 110.00 | 160.00 | 70.00 |
| GE 110 ES-2LS | Шарнирный подшипник. Контактное уплотнение с обеих сторон подшипника. Разъемное наружное кольцо со смазочными отверстиями. | 110.00 | 160.00 | 70.00 |
Способы доставки
Отправка через ведущие транспортные и курьерские компании: ПЭК, Деловые Линии, СДЭК, Байкал-Сервис, Энергия, КИТ, ЖелДорЭкспедиция.
Самовывоз возможен напрямую со склада в Москве.
Сроки доставки
Срок зависит от региона и выбранной транспортной компании. Все заказы комплектуются и отправляются в кратчайшие сроки со склада в Москве.
Надёжность и сохранность
Вся продукция упаковывается с учётом требований транспортировки. Мы гарантируем, что подшипники и комплектующие прибудут к заказчику в полной сохранности.
Доставка в страны ЕАЭС
Мы работаем с проверенными логистическими партнёрами, что позволяет оперативно доставлять заказы в Беларусь, Казахстан, Армению и другие страны ЕАЭС.
Варианты оплаты:
Минимальная сумма заказа и скидки:
Документы и гарантии:
Да, конечно! Наши технические специалисты готовы помочь вам с подбором точного аналога или замены подшипника. Просто позвоните нам по телефону +7 (495) 104-99-04 или напишите на почту zakaz@podsnab.ru.
Для оперативной консультации подготовьте, пожалуйста, имеющиеся данные: маркировку, размеры, тип оборудования или артикул старого подшипника.
Да, конечно! Мы высоко ценим долгосрочное сотрудничество и доверие клиентов по всей России. Для постоянных клиентов действует персональная система скидок.
Условия формируются индивидуально и зависят от:
Чтобы узнать свои условия и получить максимально выгодное предложение, свяжитесь с персональным менеджером или напишите нам на почту zakaz@podsnab.ru.
Вы можете оформить заказ несколькими способами:
Для оформления заказа от юридического лица свяжитесь с нашим отделом по работе с корпоративными клиентами по телефону +7 (495) 104-99-04 или напишите на email zakaz@podsnab.ru, прикрепив реквизиты вашей организации.
Мы оперативно подготовим коммерческое предложение и выставим счет.
Возврат товара надлежащего качества возможен в течение 10 дней с момента получения, если товар не был в употреблении, сохранен товарный вид, упаковка не вскрывалась и присутствуют все сопроводительные документы.
Возврат денежных средств осуществляется в течение 10 рабочих дней после проверки товара складом.
В соответствии с законодательством возврату не подлежат подшипники надлежащего качества, если отсутствует оригинальная упаковка или имеются следы монтажа.
В случае выявления брака или гарантийного случая мы гарантируем возврат или обмен товара.
Да, гарантийный срок хранения устанавливается заводом-изготовителем и в среднем составляет 2 года при соблюдении условий хранения: сухое помещение, оригинальная упаковка и смазка.
Точный срок для конкретного типа подшипника уточняйте у наших менеджеров.
Пн–Пт: с 8:00 до 17:00 (МСК).
Сб–Вс: выходные дни.
Заказы на сайте принимаются круглосуточно. Заявки, поступившие после окончания рабочего дня, обрабатываются на следующий рабочий день.
Минимальная сумма заказа для доставки составляет 3000 рублей. Самовывоз со склада возможен на любую сумму при наличии товара.
ООО «УралТехГрупп»
ИНН: 7415093830
КПП: 772401001
ОГРН: 1167456069021
Банк: ПАО Сбербанк
Р/с: 40702810838000475273
К/с: 30101810400000000225
БИК: 044525225
У подшипника GE110TE-2RS пока нет отзывов. Вы можете стать первым покупателем, поделившимся своим мнением.