Поиск подшипника
Статьи
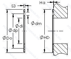
AST20 WC28 — Шарнирный подшипник, модификация основного исполнения AST20, производство AST.
Международная стандартизации ISO
AST20WC28
В наличии
| Обозначение | Конструктивные изменения |
|---|---|
| AST20 1015 | Шарнирный подшипник. |
| AST20 1010 | Длина рельса в мм. |
| AST20 1815 | Шарнирный подшипник. |
| AST20 1615 | Шарнирный подшипник. |
| AST20 1820 | Шарнирный подшипник. |
| AST20 1825 | Шарнирный подшипник. |
| AST20 1525 | Шарнирный подшипник. |
| AST20 1420 | Шарнирный подшипник. |
| AST20 1515 | Шарнирный подшипник. |
| AST20 1415 | Шарнирный подшипник. |
| AST20 2015 | Шарнирный подшипник. |
| AST20 1625 | Шарнирный подшипник. |
| AST20 3040 | Шарнирный подшипник. |
| AST20 1620 | Шарнирный подшипник. |
| AST20 3530 | Шарнирный подшипник. |
| AST20 2225 | Шарнирный подшипник. |
| AST20 2020 | Шарнирный подшипник. |
| AST20 2025 | Шарнирный подшипник. |
| AST20 1520 | Шарнирный подшипник. |
| AST20 4520 | Шарнирный подшипник. |
| AST20 4550 | Шарнирный подшипник. |
| AST20 WC16 | Шарнирный подшипник. |
| AST20 WC24 | Шарнирный подшипник. |
| AST20 8060 | Шарнирный подшипник. |
| AST20 WC20 | Шарнирный подшипник. |
Модификации шарнирного подшипника AST20 WC28 — это измененное основное конструктивное исполнение AST20, основные размеры не отличаются.
Способы доставки
Отправка через ведущие транспортные и курьерские компании: ПЭК, Деловые Линии, СДЭК, Байкал-Сервис, Энергия, КИТ, ЖелДорЭкспедиция.
Самовывоз возможен напрямую со склада в Москве.
Сроки доставки
Срок зависит от региона и выбранной транспортной компании. Все заказы комплектуются и отправляются в кратчайшие сроки со склада в Москве.
Надёжность и сохранность
Вся продукция упаковывается с учётом требований транспортировки. Мы гарантируем, что подшипники и комплектующие прибудут к заказчику в полной сохранности.
Доставка в страны ЕАЭС
Мы работаем с проверенными логистическими партнёрами, что позволяет оперативно доставлять заказы в Беларусь, Казахстан, Армению и другие страны ЕАЭС.
Варианты оплаты:
Минимальная сумма заказа и скидки:
Документы и гарантии:
Да, конечно! Наши технические специалисты готовы помочь вам с подбором точного аналога или замены подшипника. Просто позвоните нам по телефону +7 (495) 104-99-04 или напишите на почту zakaz@podsnab.ru.
Для оперативной консультации подготовьте, пожалуйста, имеющиеся данные: маркировку, размеры, тип оборудования или артикул старого подшипника.
Да, конечно! Мы высоко ценим долгосрочное сотрудничество и доверие клиентов по всей России. Для постоянных клиентов действует персональная система скидок.
Условия формируются индивидуально и зависят от:
Чтобы узнать свои условия и получить максимально выгодное предложение, свяжитесь с персональным менеджером или напишите нам на почту zakaz@podsnab.ru.
Вы можете оформить заказ несколькими способами:
Для оформления заказа от юридического лица свяжитесь с нашим отделом по работе с корпоративными клиентами по телефону +7 (495) 104-99-04 или напишите на email zakaz@podsnab.ru, прикрепив реквизиты вашей организации.
Мы оперативно подготовим коммерческое предложение и выставим счет.
Возврат товара надлежащего качества возможен в течение 10 дней с момента получения, если товар не был в употреблении, сохранен товарный вид, упаковка не вскрывалась и присутствуют все сопроводительные документы.
Возврат денежных средств осуществляется в течение 10 рабочих дней после проверки товара складом.
В соответствии с законодательством возврату не подлежат подшипники надлежащего качества, если отсутствует оригинальная упаковка или имеются следы монтажа.
В случае выявления брака или гарантийного случая мы гарантируем возврат или обмен товара.
Да, гарантийный срок хранения устанавливается заводом-изготовителем и в среднем составляет 2 года при соблюдении условий хранения: сухое помещение, оригинальная упаковка и смазка.
Точный срок для конкретного типа подшипника уточняйте у наших менеджеров.
Пн–Пт: с 8:00 до 17:00 (МСК).
Сб–Вс: выходные дни.
Заказы на сайте принимаются круглосуточно. Заявки, поступившие после окончания рабочего дня, обрабатываются на следующий рабочий день.
Минимальная сумма заказа для доставки составляет 3000 рублей. Самовывоз со склада возможен на любую сумму при наличии товара.
ООО «УралТехГрупп»
ИНН: 7415093830
КПП: 772401001
ОГРН: 1167456069021
Банк: ПАО Сбербанк
Р/с: 40702810838000475273
К/с: 30101810400000000225
БИК: 044525225
У подшипника AST20 WC28 пока нет отзывов. Вы можете стать первым покупателем, поделившимся своим мнением.