Поиск подшипника
Статьи
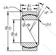
GEBJ12C — Шарнирный подшипник, модификация основного исполнения GEBJ12, выпускается производителями: AST, LS.
Размер подшипника: 12x26x16 мм.
15° угол контакта.
Международная стандартизации ISO
GEBJ12C
В наличии
| Обозначение | Конструктивные изменения |
|---|---|
| GEBJ12S | Запечатанная версия кулачкового ролика. |
Модификации шарнирного подшипника GEBJ12C — это измененное основное конструктивное исполнение GEBJ12, основные размеры (12x26x16) не отличаются.
| Обозначение | Гост | Конструктивные особенности |
|---|---|---|
| GEG12N | ISO | Канавка под стопорное кольцо на внешнем кольце. |
| GEG12E | ISO | Повышенной грузоподъемности. |
| GE 012 HS | ISO | Антизадирная пластичная смазка. |
| GE 012 XES | ISO | Габаритные размеры отличаются от стандарта ISO или опорные ролики с цилиндрической наружной поверхностью. Антизадирная пластичная смазка. |
| GE 012 HCR | ISO | Антизадирная пластичная смазка. |
| GAKFR 12 PB | ISO | Шарнирный подшипник. |
| GIPR 12 PW | ISO | Шарнирный подшипник. |
| GIPFL 12 PW | ISO | Шарнирный подшипник. |
| GIPL 12 PW | ISO | Шарнирный подшипник. |
| GE 12 SP | ISO | Шарнирный подшипник. |
| GE 12 SB | ISO | Шарнирный подшипник. |
| TSF 12.1 C | ISO | Шарнирный подшипник. |
| TSF 12.1 | ISO | Шарнирный подшипник. |
| GE12XDO | ISO | Шарнирный подшипник. |
| MBW12CR | ISO | (TB-Segment) Phenolic (Composition) Fafnir Standard. |
| MBW12VCR | ISO | Шарнирный подшипник. |
Аналог шарнирного подшипника GEBJ12C — это подшипник такого же размера dx12,Dx26,Bx16, типа и конструкции.
| Обозначение | Конструктивные особенности | Внутренний (d) | Наружный (D) | Ширина (B) |
|---|---|---|---|---|
| GIKR12PW | Сферический шарнирный подшипник. Контактная поверхность скольжения Сталь/PTFE. | 12.00 | 26.00 | 16.00 |
| GE12PW | Сферический подшипник скольжения. Контактная поверхность скольжения Сталь/PTFE. Метрический радиальный сферический подшипник скольжения. | 12.00 | 26.00 | 16.00 |
| GIKL12PB | Сферический шарнирный подшипник. Поверхность скользящего контакта сталь/бронза, соответствует ISO 12 240-1, размер серии K, для валов от 5 мм до 30 мм.. | 12.00 | 32.00 | 16.00 |
| GIKR12PB | Сферический шарнирный подшипник. Скользящая контактная поверхность из стали/бронзы, соответствует ISO 12 240-1, размер серии K, для валов от 5 мм до 30 мм.. | 12.00 | 26.00 | 16.00 |
| GIKFL12PW | Сферический шарнирный подшипник. Скользящая контактная поверхность сталь/PTFE (политетрафторэтилен) Бронзовая пленка.. | 12.00 | 34.00 | 16.00 |
| GAKFR12PW | Сферический шарнирный подшипник. Скользящая контактная поверхность сталь/PTFE (политетрафторэтилен) Бронзовая пленка.. | 12.00 | 34.00 | 16.00 |
| GE12FO | Сферический подшипник скольжения. Масло-отражательные кольца с обеих сторон у подшипников типа Y. Антизадирная пластичная смазка. | 12.00 | 26.00 | 15.00 |
| GAKL12PB | Сферический шарнирный подшипник. Поверхность скользящего контакта сталь/бронза, соответствует ISO 12 240-1, размер серии K, для валов от 5 мм до 30 мм.. | 12.00 | 33.00 | 16.00 |
| TSF12C | Сферический шарнирный подшипник. 15° Угол контакта. | 12.00 | 34.00 | 16.00 |
| GIPFR12PW | Сферический шарнирный подшипник. Контактная поверхность скольжения Сталь/PTFE. | 12.00 | 34.00 | 16.00 |
| GE12FO 2RS | Сферический подшипник скольжения. Манжетное уплотнение с двух сторон. Стальная скользящая контактная поверхность. Более широкое внутреннее кольцо. | 12.00 | 26.00 | 15.00 |
| BLRB366685A | Сферический подшипник скольжения. Двухрядный радиально-упорный шарикоподшипник без отверстия для смазки. | 12.70 | 26.00 | 16.00 |
| LRXDG12C1SLPS2 | Линейный шариковый подшипник. Код взаимозаменяемости. Количество узлов скольжения. Класс точности. Нержавеющая сталь. | 12.00 | 27.00 | 17.00 |
| GAKL12PW | Сферический шарнирный подшипник. Контактная поверхность скольжения Сталь/PTFE. | 12.00 | 34.00 | 16.00 |
| GE12G | Сферический подшипник скольжения. Сталь. Масляные отверстия и канавки. | 12.00 | 26.00 | 15.00 |
Способы доставки
Отправка через ведущие транспортные и курьерские компании: ПЭК, Деловые Линии, СДЭК, Байкал-Сервис, Энергия, КИТ, ЖелДорЭкспедиция.
Самовывоз возможен напрямую со склада в Москве.
Сроки доставки
Срок зависит от региона и выбранной транспортной компании. Все заказы комплектуются и отправляются в кратчайшие сроки со склада в Москве.
Надёжность и сохранность
Вся продукция упаковывается с учётом требований транспортировки. Мы гарантируем, что подшипники и комплектующие прибудут к заказчику в полной сохранности.
Доставка в страны ЕАЭС
Мы работаем с проверенными логистическими партнёрами, что позволяет оперативно доставлять заказы в Беларусь, Казахстан, Армению и другие страны ЕАЭС.
Варианты оплаты:
Минимальная сумма заказа и скидки:
Документы и гарантии:
Да, конечно! Наши технические специалисты готовы помочь вам с подбором точного аналога или замены подшипника. Просто позвоните нам по телефону +7 (495) 104-99-04 или напишите на почту zakaz@podsnab.ru.
Для оперативной консультации подготовьте, пожалуйста, имеющиеся данные: маркировку, размеры, тип оборудования или артикул старого подшипника.
Да, конечно! Мы высоко ценим долгосрочное сотрудничество и доверие клиентов по всей России. Для постоянных клиентов действует персональная система скидок.
Условия формируются индивидуально и зависят от:
Чтобы узнать свои условия и получить максимально выгодное предложение, свяжитесь с персональным менеджером или напишите нам на почту zakaz@podsnab.ru.
Вы можете оформить заказ несколькими способами:
Для оформления заказа от юридического лица свяжитесь с нашим отделом по работе с корпоративными клиентами по телефону +7 (495) 104-99-04 или напишите на email zakaz@podsnab.ru, прикрепив реквизиты вашей организации.
Мы оперативно подготовим коммерческое предложение и выставим счет.
Возврат товара надлежащего качества возможен в течение 10 дней с момента получения, если товар не был в употреблении, сохранен товарный вид, упаковка не вскрывалась и присутствуют все сопроводительные документы.
Возврат денежных средств осуществляется в течение 10 рабочих дней после проверки товара складом.
В соответствии с законодательством возврату не подлежат подшипники надлежащего качества, если отсутствует оригинальная упаковка или имеются следы монтажа.
В случае выявления брака или гарантийного случая мы гарантируем возврат или обмен товара.
Да, гарантийный срок хранения устанавливается заводом-изготовителем и в среднем составляет 2 года при соблюдении условий хранения: сухое помещение, оригинальная упаковка и смазка.
Точный срок для конкретного типа подшипника уточняйте у наших менеджеров.
Пн–Пт: с 8:00 до 17:00 (МСК).
Сб–Вс: выходные дни.
Заказы на сайте принимаются круглосуточно. Заявки, поступившие после окончания рабочего дня, обрабатываются на следующий рабочий день.
Минимальная сумма заказа для доставки составляет 3000 рублей. Самовывоз со склада возможен на любую сумму при наличии товара.
ООО «УралТехГрупп»
ИНН: 7415093830
КПП: 772401001
ОГРН: 1167456069021
Банк: ПАО Сбербанк
Р/с: 40702810838000475273
К/с: 30101810400000000225
БИК: 044525225
У подшипника GEBJ12C пока нет отзывов. Вы можете стать первым покупателем, поделившимся своим мнением.