Поиск подшипника
Статьи
GEBJ25C — Шарнирный подшипник, модификация основного исполнения GEBJ25, выпускается производителями: AST, LS.
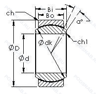
Размер подшипника: 25x47x31 мм.
15° угол контакта.
Международная стандартизации ISO
GEBJ25C
В наличии
| Обозначение | Конструктивные изменения |
|---|---|
| GEBJ25S | Запечатанная версия кулачкового ролика. |
Модификации шарнирного подшипника GEBJ25C — это измененное основное конструктивное исполнение GEBJ25, основные размеры (25x47x31) не отличаются.
| Обозначение | Гост | Конструктивные особенности |
|---|---|---|
| GE 25 SB | ISO | Шарнирный подшипник. |
| GE 25 SP | ISO | Шарнирный подшипник. |
| TSF 25 C | ISO | Шарнирный подшипник. |
Аналог шарнирного подшипника GEBJ25C — это подшипник такого же размера dx25,Dx47,Bx31, типа и конструкции.
| Обозначение | Конструктивные особенности | Внутренний (d) | Наружный (D) | Ширина (B) |
|---|---|---|---|---|
| NNF5005B.2LS.V | Подшипник роликовый цилиндрический двухрядный. Внутренние изменения в конструкции. Контактное уплотнение с обеих сторон подшипника. Подшипник без сепаратора. С полным комплектом тел качения. | 25.00 | 47.00 | 30.00 |
| NA22025R6 | Роликовый игольчатый подшипник. Выпуклая внутренняя кольцевая дорожка. | 25.00 | 47.00 | 30.00 |
| G25D | Сферический подшипник скольжения. Сталь/PTFE. | 25.00 | 47.00 | 31.00 |
| SL04-5005PPX | Подшипник роликовый цилиндрический двухрядный. Подшипники и детали подшипников. наружный диаметр которых был скорректирован в соответствии с международными стандартами. Этот суффикс будет использоваться только в течение некоторого времени. (См. INA-каталог № 307 - январь 1999 г.). Манжетные уплотнения с обеих сторон подшипника. | 25.00 | 47.00 | 30.00 |
| L25/47RS | Подшипник шариковый двухрядный радиально-упорный. Lip Seal At One Side Of The Bearing. Axial Fitting. | 25.00 | 47.00 | 30.00 |
| SL045005-S3 | Подшипник роликовый цилиндрический двухрядный. Кольца или шайбы подшипников, стабилизированные по размерам для использования при рабочих температурах до +300°C (572°F). | 25.00 | 47.00 | 30.00 |
| SL045005-S3-R200-250 | Подшипник роликовый цилиндрический двухрядный. Кольца или шайбы подшипников, стабилизированные по размерам для использования при рабочих температурах до +300°C (572°F). Radial Clearance In μm. | 25.00 | 47.00 | 30.00 |
| NNF5005 2LS | Подшипник роликовый цилиндрический двухрядный. Контактное уплотнение с обеих сторон подшипника. | 25.00 | 47.00 | 30.00 |
| SL18-5005A C3 | Подшипник роликовый цилиндрический двухрядный. Внутренний зазор больше нормального. Особенность внутренней конструкции. | 25.00 | 47.00 | 30.00 |
| SL18-5005A | Подшипник роликовый цилиндрический двухрядный. Особенность внутренней конструкции. | 25.00 | 47.00 | 30.00 |
| SL045005-C3 | Подшипник роликовый цилиндрический двухрядный. Внутренний зазор больше нормального. | 25.00 | 47.00 | 30.00 |
| SL045005-PP-2NR-C3 | Подшипник роликовый цилиндрический двухрядный. Внутренний зазор больше нормального. Манжетные уплотнения с обеих сторон подшипника. Supplied With Two Loose-Packed Retaining Rings WRE. | 25.00 | 47.00 | 30.00 |
| NNCF5005-V | Роликовый радиальный цилиндрический двухрядный подшипник. Бессепараторный подшипник. | 25.00 | 47.00 | 30.00 |
| NNF5005 V | Роликовый радиальный двухрядный подшипник. Бессепараторный подшипник. | 25.00 | 47.00 | 30.00 |
| 4-416105 Е | Шариковый радиально-упорный подшипник. Сепаратор из текстолита.. | 25.00 | 47.00 | 30.00 |
Способы доставки
Отправка через ведущие транспортные и курьерские компании: ПЭК, Деловые Линии, СДЭК, Байкал-Сервис, Энергия, КИТ, ЖелДорЭкспедиция.
Самовывоз возможен напрямую со склада в Москве.
Сроки доставки
Срок зависит от региона и выбранной транспортной компании. Все заказы комплектуются и отправляются в кратчайшие сроки со склада в Москве.
Надёжность и сохранность
Вся продукция упаковывается с учётом требований транспортировки. Мы гарантируем, что подшипники и комплектующие прибудут к заказчику в полной сохранности.
Доставка в страны ЕАЭС
Мы работаем с проверенными логистическими партнёрами, что позволяет оперативно доставлять заказы в Беларусь, Казахстан, Армению и другие страны ЕАЭС.
Варианты оплаты:
Минимальная сумма заказа и скидки:
Документы и гарантии:
Да, конечно! Наши технические специалисты готовы помочь вам с подбором точного аналога или замены подшипника. Просто позвоните нам по телефону +7 (495) 104-99-04 или напишите на почту zakaz@podsnab.ru.
Для оперативной консультации подготовьте, пожалуйста, имеющиеся данные: маркировку, размеры, тип оборудования или артикул старого подшипника.
Да, конечно! Мы высоко ценим долгосрочное сотрудничество и доверие клиентов по всей России. Для постоянных клиентов действует персональная система скидок.
Условия формируются индивидуально и зависят от:
Чтобы узнать свои условия и получить максимально выгодное предложение, свяжитесь с персональным менеджером или напишите нам на почту zakaz@podsnab.ru.
Вы можете оформить заказ несколькими способами:
Для оформления заказа от юридического лица свяжитесь с нашим отделом по работе с корпоративными клиентами по телефону +7 (495) 104-99-04 или напишите на email zakaz@podsnab.ru, прикрепив реквизиты вашей организации.
Мы оперативно подготовим коммерческое предложение и выставим счет.
Возврат товара надлежащего качества возможен в течение 10 дней с момента получения, если товар не был в употреблении, сохранен товарный вид, упаковка не вскрывалась и присутствуют все сопроводительные документы.
Возврат денежных средств осуществляется в течение 10 рабочих дней после проверки товара складом.
В соответствии с законодательством возврату не подлежат подшипники надлежащего качества, если отсутствует оригинальная упаковка или имеются следы монтажа.
В случае выявления брака или гарантийного случая мы гарантируем возврат или обмен товара.
Да, гарантийный срок хранения устанавливается заводом-изготовителем и в среднем составляет 2 года при соблюдении условий хранения: сухое помещение, оригинальная упаковка и смазка.
Точный срок для конкретного типа подшипника уточняйте у наших менеджеров.
Пн–Пт: с 8:00 до 17:00 (МСК).
Сб–Вс: выходные дни.
Заказы на сайте принимаются круглосуточно. Заявки, поступившие после окончания рабочего дня, обрабатываются на следующий рабочий день.
Минимальная сумма заказа для доставки составляет 3000 рублей. Самовывоз со склада возможен на любую сумму при наличии товара.
ООО «УралТехГрупп»
ИНН: 7415093830
КПП: 772401001
ОГРН: 1167456069021
Банк: ПАО Сбербанк
Р/с: 40702810838000475273
К/с: 30101810400000000225
БИК: 044525225
У подшипника GEBJ25C пока нет отзывов. Вы можете стать первым покупателем, поделившимся своим мнением.