Поиск подшипника
Статьи
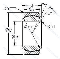
GEFZ19C — Шарнирный подшипник, модификация основного исполнения GEFZ19, выпускается производителями: AST, LS.
Размер подшипника: 19x36x19 мм.
15° угол контакта.
Международная стандартизации ISO
GEFZ19C
В наличии
| Обозначение | Конструктивные изменения |
|---|---|
| GEFZ19T | Textile Laminated Phenolic Resin. Outer Ring Guided. The Cage Is Suitable For Long-Term Operation At Temperatures Up To 100°C. |
| GEFZ19S | Запечатанная версия кулачкового ролика. |
Модификации шарнирного подшипника GEFZ19C — это измененное основное конструктивное исполнение GEFZ19, основные размеры (19x36x19) не отличаются.
| Обозначение | Гост | Конструктивные особенности |
|---|---|---|
| GEEW20ES-2RS | ISO | Повышенной грузоподъемности. Прорезиненное уплотнение с двух сторон. Разъемное наружное кольцо со смазочными отверстиями. |
| TAPR 620 CE | ISO | 15° Угол контакта And (E) Small Size Steel Balls. |
| MBG20CR | ISO | (TB-Segment) Phenolic (Composition) Fafnir Standard. |
| MBT20V | ISO | Подшипник без сепаратора. С полным комплектом тел качения. |
| MBT20 | ISO | Шарнирный подшипник. |
| MBG20VCR | ISO | Шарнирный подшипник. |
Аналог шарнирного подшипника GEFZ19C — это подшипник такого же размера dx19,Dx36,Bx19, типа и конструкции.
| Обозначение | Конструктивные особенности | Внутренний (d) | Наружный (D) | Ширина (B) |
|---|---|---|---|---|
| F-210151.1 | Роликовый радиальный однорядный подшипник. Number Of Carriages Per Rail Track. | 19.00 | 37.00 | 18.00 |
| F-223309.1 | Роликовый радиальный однорядный подшипник. Number Of Carriages Per Rail Track. | 19.00 | 36.00 | 19.00 |
| FC90300.2 | Роликовый радиальный однорядный подшипник. ISO Tolerance Class ABEC.9. | 19.00 | 37.00 | 18.00 |
| ML71904HVDUJ74S | Шариковый радиально-упорный двухрядный подшипник. Угол контакта 25°. Комплекты из 2. Высокопрецизионные радиально-упорные подшипники с высокой скоростью вращения. Преднатяг (Лёгкий. | 20.00 | 37.00 | 18.00 |
| ML71904CVDUJ74S | Шариковый радиально-упорный двухрядный подшипник. Угол контакта 15°. Комплекты из 2. Высокопрецизионные радиально-упорные подшипники с высокой скоростью вращения. Преднатяг (Лёгкий. | 20.00 | 37.00 | 18.00 |
| MLE71904CVDUJ74S | Шариковый радиально-упорный двухрядный подшипник. Угол контакта 15°. Комплекты из 2. Преднатяг (Лёгкий. Высокопрецизионные радиально-упорные подшипники с высокой скоростью вращения с бесконтактным уплотнением с обеих сторон. | 20.00 | 37.00 | 18.00 |
| MLE71904HVDUJ74S | Шариковый радиально-упорный двухрядный подшипник. Угол контакта 25°. Комплекты из 2. Преднатяг (Лёгкий. Высокопрецизионные радиально-упорные подшипники с высокой скоростью вращения с бесконтактным уплотнением с обеих сторон. | 20.00 | 37.00 | 18.00 |
| 71904 C-UX | Шариковый радиально-упорный двухрядный подшипник. 15° Угол контакта. Универсальный монтаж, сверхлегкая предварительная нагрузка.. | 20.00 | 37.00 | 18.00 |
| 71904 C-UO | Шариковый радиально-упорный двухрядный подшипник. 15° Угол контакта. Универсальный монтаж. Для установки по O- и X- образной схеме - беззазорные.. | 20.00 | 37.00 | 18.00 |
| 71904 C-UD | Шариковый радиально-упорный двухрядный подшипник. 15° Угол контакта. | 20.00 | 37.00 | 18.00 |
| 71904 CDF | Шариковый радиально-упорный двухрядный подшипник. Механически обработанный сепаратор из стали или специального чугуна. Однорядный радиально-упорный шарикоподшипник улучшенной конструкции с углом контакта 15°. | 20.00 | 37.00 | 18.00 |
| 71904 CDT | Шариковый радиально-упорный двухрядный подшипник. Механически обработанный сепаратор из текстолита. Однорядный радиально-упорный шарикоподшипник улучшенной конструкции с углом контакта 15°. | 20.00 | 37.00 | 18.00 |
| 71904 CDB | Шариковый радиально-упорный двухрядный подшипник. Однорядный радиально-упорный шарикоподшипник улучшенной конструкции с углом контакта 15°. | 20.00 | 37.00 | 18.00 |
| NA4904TT | Роликовый игольчатый подшипник однорядный. Комплект из трех согласованных однорядных радиально-упорных шарикоподшипников или радиально-упорных шарикоподшипников, расположенных тандемно. | 20.00 | 37.00 | 18.00 |
| NK19X35X20N | Роликовый игольчатый подшипник однорядный. Канавка под стопорное кольцо на внешнем кольце. Изменённая фаска. | 19.00 | 35.00 | 20.00 |
Способы доставки
Отправка через ведущие транспортные и курьерские компании: ПЭК, Деловые Линии, СДЭК, Байкал-Сервис, Энергия, КИТ, ЖелДорЭкспедиция.
Самовывоз возможен напрямую со склада в Москве.
Сроки доставки
Срок зависит от региона и выбранной транспортной компании. Все заказы комплектуются и отправляются в кратчайшие сроки со склада в Москве.
Надёжность и сохранность
Вся продукция упаковывается с учётом требований транспортировки. Мы гарантируем, что подшипники и комплектующие прибудут к заказчику в полной сохранности.
Доставка в страны ЕАЭС
Мы работаем с проверенными логистическими партнёрами, что позволяет оперативно доставлять заказы в Беларусь, Казахстан, Армению и другие страны ЕАЭС.
Варианты оплаты:
Минимальная сумма заказа и скидки:
Документы и гарантии:
Да, конечно! Наши технические специалисты готовы помочь вам с подбором точного аналога или замены подшипника. Просто позвоните нам по телефону +7 (495) 104-99-04 или напишите на почту zakaz@podsnab.ru.
Для оперативной консультации подготовьте, пожалуйста, имеющиеся данные: маркировку, размеры, тип оборудования или артикул старого подшипника.
Да, конечно! Мы высоко ценим долгосрочное сотрудничество и доверие клиентов по всей России. Для постоянных клиентов действует персональная система скидок.
Условия формируются индивидуально и зависят от:
Чтобы узнать свои условия и получить максимально выгодное предложение, свяжитесь с персональным менеджером или напишите нам на почту zakaz@podsnab.ru.
Вы можете оформить заказ несколькими способами:
Для оформления заказа от юридического лица свяжитесь с нашим отделом по работе с корпоративными клиентами по телефону +7 (495) 104-99-04 или напишите на email zakaz@podsnab.ru, прикрепив реквизиты вашей организации.
Мы оперативно подготовим коммерческое предложение и выставим счет.
Возврат товара надлежащего качества возможен в течение 10 дней с момента получения, если товар не был в употреблении, сохранен товарный вид, упаковка не вскрывалась и присутствуют все сопроводительные документы.
Возврат денежных средств осуществляется в течение 10 рабочих дней после проверки товара складом.
В соответствии с законодательством возврату не подлежат подшипники надлежащего качества, если отсутствует оригинальная упаковка или имеются следы монтажа.
В случае выявления брака или гарантийного случая мы гарантируем возврат или обмен товара.
Да, гарантийный срок хранения устанавливается заводом-изготовителем и в среднем составляет 2 года при соблюдении условий хранения: сухое помещение, оригинальная упаковка и смазка.
Точный срок для конкретного типа подшипника уточняйте у наших менеджеров.
Пн–Пт: с 8:00 до 17:00 (МСК).
Сб–Вс: выходные дни.
Заказы на сайте принимаются круглосуточно. Заявки, поступившие после окончания рабочего дня, обрабатываются на следующий рабочий день.
Минимальная сумма заказа для доставки составляет 3000 рублей. Самовывоз со склада возможен на любую сумму при наличии товара.
ООО «УралТехГрупп»
ИНН: 7415093830
КПП: 772401001
ОГРН: 1167456069021
Банк: ПАО Сбербанк
Р/с: 40702810838000475273
К/с: 30101810400000000225
БИК: 044525225
У подшипника GEFZ19C пока нет отзывов. Вы можете стать первым покупателем, поделившимся своим мнением.