Поиск подшипника
Статьи
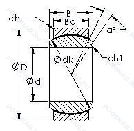
GEFZ22C — Шарнирный подшипник, модификация основного исполнения GEFZ22, выпускается производителями: AST, LS.
Размер подшипника: 22x39x22 мм.
15° угол контакта.
Международная стандартизации ISO
GEFZ22C
В наличии
| Обозначение | Конструктивные изменения |
|---|---|
| GEFZ22T | Textile Laminated Phenolic Resin. Outer Ring Guided. The Cage Is Suitable For Long-Term Operation At Temperatures Up To 100°C. |
| GEFZ22S | Запечатанная версия кулачкового ролика. |
Модификации шарнирного подшипника GEFZ22C — это измененное основное конструктивное исполнение GEFZ22, основные размеры (22x39x22) не отличаются.
| Обозначение | Гост | Конструктивные особенности |
|---|---|---|
| MBT22V | ISO | Подшипник без сепаратора. С полным комплектом тел качения. |
| MBG22CR | ISO | (TB-Segment) Phenolic (Composition) Fafnir Standard. |
| MBG22VCR | ISO | Шарнирный подшипник. |
| MBT22 | ISO | Шарнирный подшипник. |
Аналог шарнирного подшипника GEFZ22C — это подшипник такого же размера dx22,Dx39,Bx22, типа и конструкции.
| Обозначение | Конструктивные особенности | Внутренний (d) | Наружный (D) | Ширина (B) |
|---|---|---|---|---|
| NKIA59/22 | Роликовый игольчатый подшипник. 1.3/8. | 22.00 | 39.00 | 23.00 |
| NJA59/22 | Роликовый игольчатый подшипник. 1.3/8. | 22.00 | 39.00 | 23.00 |
| NA59/22 | Роликовый игольчатый подшипник. Игольчатый роликовый подшипник с размерами по ISO 15. Канавка под стопорное кольцо на наружном кольце подшипника. 1.3/8. | 22.00 | 39.00 | 23.00 |
| S48LW | Кулачковый ролик толкатель. Кулачковый механизм. Шестигранное отверстие заменяет шлиц под отвертку во фланцевом конце штока. Запечатанная версия кулачкового ролика. | 22.23 | 38.10 | 22.23 |
| COM14 | Сферический подшипник скольжения. | 22.23 | 39.69 | 22.23 |
| CFE1.1/2SB | Кулачковый ролик толкатель. Запечатанная версия кулачкового ролика. Кулачковый механизм. Шестигранное отверстие заменяет шлиц под отвертку во фланцевом конце штока. | 22.23 | 38.10 | 22.23 |
| CRH24VB | Кулачковый ролик толкатель. С шестигранным отверстием. Полный тип дополнения. | 22.23 | 38.10 | 22.23 |
| NKIA59/22-XL | Роликовый игольчатый подшипник. Серия X-Life премиум-класс. увеличиный срок службы. | 22.00 | 39.00 | 23.00 |
| CRSBE24 | Кулачковый ролик толкатель. | 22.23 | 38.10 | 22.23 |
| CRH24V | Кулачковый ролик толкатель. Подшипник без сепаратора. С полным комплектом тел качения. | 22.23 | 38.10 | 22.23 |
| CFE1.1/2 | Кулачковый ролик толкатель. ISO Tolerance Class ABEC.9. Number Of Carriages Per Rail Track. | 22.23 | 38.10 | 22.23 |
| DNIA59/22 | Роликовый игольчатый подшипник. 1.3/8. | 22.00 | 39.00 | 23.00 |
| F-210408.RNN | Подшипник роликовый цилиндрический двухрядный. | 22.00 | 38.75 | 22.50 |
| CFE1.1/2S | Кулачковый ролик толкатель. Запечатанная версия кулачкового ролика. | 22.23 | 38.10 | 22.23 |
| F-205879.3 | Шариковый радиально-упорный однорядный подшипник. Размерные и геометрические допуски соответствуют классу точности P6. | 22.00 | 38.00 | 21.50 |
Способы доставки
Отправка через ведущие транспортные и курьерские компании: ПЭК, Деловые Линии, СДЭК, Байкал-Сервис, Энергия, КИТ, ЖелДорЭкспедиция.
Самовывоз возможен напрямую со склада в Москве.
Сроки доставки
Срок зависит от региона и выбранной транспортной компании. Все заказы комплектуются и отправляются в кратчайшие сроки со склада в Москве.
Надёжность и сохранность
Вся продукция упаковывается с учётом требований транспортировки. Мы гарантируем, что подшипники и комплектующие прибудут к заказчику в полной сохранности.
Доставка в страны ЕАЭС
Мы работаем с проверенными логистическими партнёрами, что позволяет оперативно доставлять заказы в Беларусь, Казахстан, Армению и другие страны ЕАЭС.
Варианты оплаты:
Минимальная сумма заказа и скидки:
Документы и гарантии:
Да, конечно! Наши технические специалисты готовы помочь вам с подбором точного аналога или замены подшипника. Просто позвоните нам по телефону +7 (495) 104-99-04 или напишите на почту zakaz@podsnab.ru.
Для оперативной консультации подготовьте, пожалуйста, имеющиеся данные: маркировку, размеры, тип оборудования или артикул старого подшипника.
Да, конечно! Мы высоко ценим долгосрочное сотрудничество и доверие клиентов по всей России. Для постоянных клиентов действует персональная система скидок.
Условия формируются индивидуально и зависят от:
Чтобы узнать свои условия и получить максимально выгодное предложение, свяжитесь с персональным менеджером или напишите нам на почту zakaz@podsnab.ru.
Вы можете оформить заказ несколькими способами:
Для оформления заказа от юридического лица свяжитесь с нашим отделом по работе с корпоративными клиентами по телефону +7 (495) 104-99-04 или напишите на email zakaz@podsnab.ru, прикрепив реквизиты вашей организации.
Мы оперативно подготовим коммерческое предложение и выставим счет.
Возврат товара надлежащего качества возможен в течение 10 дней с момента получения, если товар не был в употреблении, сохранен товарный вид, упаковка не вскрывалась и присутствуют все сопроводительные документы.
Возврат денежных средств осуществляется в течение 10 рабочих дней после проверки товара складом.
В соответствии с законодательством возврату не подлежат подшипники надлежащего качества, если отсутствует оригинальная упаковка или имеются следы монтажа.
В случае выявления брака или гарантийного случая мы гарантируем возврат или обмен товара.
Да, гарантийный срок хранения устанавливается заводом-изготовителем и в среднем составляет 2 года при соблюдении условий хранения: сухое помещение, оригинальная упаковка и смазка.
Точный срок для конкретного типа подшипника уточняйте у наших менеджеров.
Пн–Пт: с 8:00 до 17:00 (МСК).
Сб–Вс: выходные дни.
Заказы на сайте принимаются круглосуточно. Заявки, поступившие после окончания рабочего дня, обрабатываются на следующий рабочий день.
Минимальная сумма заказа для доставки составляет 3000 рублей. Самовывоз со склада возможен на любую сумму при наличии товара.
ООО «УралТехГрупп»
ИНН: 7415093830
КПП: 772401001
ОГРН: 1167456069021
Банк: ПАО Сбербанк
Р/с: 40702810838000475273
К/с: 30101810400000000225
БИК: 044525225
У подшипника GEFZ22C пока нет отзывов. Вы можете стать первым покупателем, поделившимся своим мнением.