Поиск подшипника
Статьи
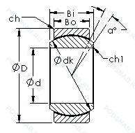
GEG40C — Шарнирный подшипник, модификация основного исполнения GEG40, выпускается производителями: AST, LS.
Размер подшипника: 40x68x40 мм.
Более широкое внутреннее кольцо и больший наружный диаметр. Требуется повторная смазка. С интегрированными уплотнениями или без них, 15° угол контакта.
Международная стандартизации ISO
GEG40C
В наличии
| Обозначение | Конструктивные изменения |
|---|---|
| GEG40ES-2RS | Повышенной грузоподъемности. Прорезиненное уплотнение с двух сторон. Разъемное наружное кольцо со смазочными отверстиями. |
| GEG40ET 2RS | Резиновые уплотнения с каждой стороны подшипника. Сквозная закалка и шлифовка стали с переломом в одной точке. |
| GEG40ES | Повышенной грузоподъемности. Разъемное наружное кольцо со смазочными отверстиями. |
| GEG40N | Канавка под стопорное кольцо на внешнем кольце. |
Модификации шарнирного подшипника GEG40C — это измененное основное конструктивное исполнение GEG40, основные размеры (40x68x40) не отличаются.
| Обозначение | Гост | Конструктивные особенности |
|---|---|---|
| GE 040 XES | ISO | Габаритные размеры отличаются от стандарта ISO или опорные ролики с цилиндрической наружной поверхностью. Антизадирная пластичная смазка. |
| GE 040 XES-2RS | ISO | Контактные уплотнения типа RS с обеих сторон игольчатого роликоподшипника. Габаритные размеры отличаются от стандарта ISO или опорные ролики с цилиндрической наружной поверхностью. Антизадирная пластичная смазка. |
| GE 040 HS-2RS | ISO | Контактные уплотнения типа RS с обеих сторон игольчатого роликоподшипника. Антизадирная пластичная смазка. |
| GE 040 HCR-2RS | ISO | Контактные уплотнения типа RS с обеих сторон игольчатого роликоподшипника. Антизадирная пластичная смазка. |
| GE 40GS | ISO | Шарнирный подшипник. |
| GE40XDO-2RS | ISO | Резиновые уплотнения с каждой стороны подшипника. |
| GE40XDO | ISO | Шарнирный подшипник. |
| GEH 40 TXG3E-2LS | ISO | Шарнирный подшипник. |
Аналог шарнирного подшипника GEG40C — это подшипник такого же размера dx40,Dx68,Bx40, типа и конструкции.
| Обозначение | Конструктивные особенности | Внутренний (d) | Наружный (D) | Ширина (B) |
|---|---|---|---|---|
| GE40FO-2RS | Сферический подшипник скольжения. Контактные уплотнения типа RS с обеих сторон игольчатого роликоподшипника. Механически обработанный сепаратор из стали или специального чугуна. Антизадирная пластичная смазка. | 40.00 | 68.00 | 40.00 |
| NA6909 | Роликовый игольчатый подшипник. Измененная или модифицированная внутренняя конструкция при неизменных основных размерах. Игольчатый роликовый подшипник с размерами по ISO 15. Канавка под стопорное кольцо на наружном кольце подшипника. | 45.00 | 68.00 | 40.00 |
| NA6909.2RS | Роликовый игольчатый подшипник. Contact Seal Of Acrylonitrile-Butadiene Rubber (NRB) With Or Without Sheet Steel Reinforcement On Both Sides Of The Bearing. | 45.00 | 68.00 | 40.00 |
| GEH40ES-2RS | Сферический подшипник скольжения. Резиновые уплотнения с каждой стороны подшипника. | 40.00 | 68.00 | 40.00 |
| GE40GS-2RS Q1 | Сферический подшипник скольжения. Контактное уплотнение с обеих сторон. Подшипник с предварительным натягом и цилиндрическим наружним кольцом. | 40.00 | 68.00 | 40.00 |
| GEH40ES-2LS | Сферический подшипник скольжения. A Triple Lip Elastomer Seal. With A Steel Backing. On Each Side Of The Bearing (-25°C/+120°C). Разъемное наружное кольцо со смазочными отверстиями. | 40.00 | 68.00 | 40.00 |
| GEH40TXE-2LS | Сферический подшипник скольжения. A Triple Lip Elastomer Seal. With A Steel Backing. On Each Side Of The Bearing (-25°C/+120°C). Закаленная и шлифованная сталь. Скользящая поверхность покрыта твердым хромом и отполирована. | 40.00 | 68.00 | 40.00 |
| GEH40ES | Сферический подшипник скольжения. Разъемное наружное кольцо со смазочными отверстиями. | 40.00 | 68.00 | 40.00 |
| GE40GS-2RS | Сферический подшипник скольжения. Контактное уплотнение с обеих сторон. Подшипник с предварительным натягом и цилиндрическим наружним кольцом. | 40.00 | 68.00 | 40.00 |
| GE40GS Q1 | Сферический подшипник скольжения. Подшипник с предварительным натягом и цилиндрическим наружним кольцом. | 40.00 | 68.00 | 40.00 |
| GE40-FO-2RS-HLN | Сферический подшипник скольжения. Манжетное уплотнение с двух сторон. Стальная скользящая контактная поверхность. Более широкое внутреннее кольцо. Код местонахождения завода. может использоваться в стандартной комплектации. | 40.00 | 68.00 | 40.00 |
| GE40-FW-2TS | Сферический подшипник скольжения. СкользящаКонтактная поверхность из хром/PTFE. Широкое внутреннее кольцо. Two Teflon Seals Reinforced With Z-Shields. | 40.00 | 68.00 | 40.00 |
| GE40-FO-2RS-C2 | Сферический подшипник скольжения. Radial Internal Clearance Smaller Than Normal (For Spherical Plain Bearings Requiring Maintenance). Манжетное уплотнение с двух сторон. Стальная скользящая контактная поверхность. Более широкое внутреннее кольцо. | 40.00 | 68.00 | 40.00 |
| DAC4168WHR4CS23 | Подшипник шариковый двухрядный радиально-упорный. Угол контакта 15 градусов. | 41.00 | 68.00 | 40.00 |
| BTHB1866046AA/QVC025 | Роликовый радиальный-упорный двухрядный подшипник. Измененный внутренний дизайн. | 41.00 | 68.00 | 40.00 |
Способы доставки
Отправка через ведущие транспортные и курьерские компании: ПЭК, Деловые Линии, СДЭК, Байкал-Сервис, Энергия, КИТ, ЖелДорЭкспедиция.
Самовывоз возможен напрямую со склада в Москве.
Сроки доставки
Срок зависит от региона и выбранной транспортной компании. Все заказы комплектуются и отправляются в кратчайшие сроки со склада в Москве.
Надёжность и сохранность
Вся продукция упаковывается с учётом требований транспортировки. Мы гарантируем, что подшипники и комплектующие прибудут к заказчику в полной сохранности.
Доставка в страны ЕАЭС
Мы работаем с проверенными логистическими партнёрами, что позволяет оперативно доставлять заказы в Беларусь, Казахстан, Армению и другие страны ЕАЭС.
Варианты оплаты:
Минимальная сумма заказа и скидки:
Документы и гарантии:
Да, конечно! Наши технические специалисты готовы помочь вам с подбором точного аналога или замены подшипника. Просто позвоните нам по телефону +7 (495) 104-99-04 или напишите на почту zakaz@podsnab.ru.
Для оперативной консультации подготовьте, пожалуйста, имеющиеся данные: маркировку, размеры, тип оборудования или артикул старого подшипника.
Да, конечно! Мы высоко ценим долгосрочное сотрудничество и доверие клиентов по всей России. Для постоянных клиентов действует персональная система скидок.
Условия формируются индивидуально и зависят от:
Чтобы узнать свои условия и получить максимально выгодное предложение, свяжитесь с персональным менеджером или напишите нам на почту zakaz@podsnab.ru.
Вы можете оформить заказ несколькими способами:
Для оформления заказа от юридического лица свяжитесь с нашим отделом по работе с корпоративными клиентами по телефону +7 (495) 104-99-04 или напишите на email zakaz@podsnab.ru, прикрепив реквизиты вашей организации.
Мы оперативно подготовим коммерческое предложение и выставим счет.
Возврат товара надлежащего качества возможен в течение 10 дней с момента получения, если товар не был в употреблении, сохранен товарный вид, упаковка не вскрывалась и присутствуют все сопроводительные документы.
Возврат денежных средств осуществляется в течение 10 рабочих дней после проверки товара складом.
В соответствии с законодательством возврату не подлежат подшипники надлежащего качества, если отсутствует оригинальная упаковка или имеются следы монтажа.
В случае выявления брака или гарантийного случая мы гарантируем возврат или обмен товара.
Да, гарантийный срок хранения устанавливается заводом-изготовителем и в среднем составляет 2 года при соблюдении условий хранения: сухое помещение, оригинальная упаковка и смазка.
Точный срок для конкретного типа подшипника уточняйте у наших менеджеров.
Пн–Пт: с 8:00 до 17:00 (МСК).
Сб–Вс: выходные дни.
Заказы на сайте принимаются круглосуточно. Заявки, поступившие после окончания рабочего дня, обрабатываются на следующий рабочий день.
Минимальная сумма заказа для доставки составляет 3000 рублей. Самовывоз со склада возможен на любую сумму при наличии товара.
ООО «УралТехГрупп»
ИНН: 7415093830
КПП: 772401001
ОГРН: 1167456069021
Банк: ПАО Сбербанк
Р/с: 40702810838000475273
К/с: 30101810400000000225
БИК: 044525225
У подшипника GEG40C пока нет отзывов. Вы можете стать первым покупателем, поделившимся своим мнением.