Поиск подшипника
Статьи
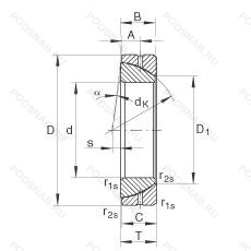
GE190SX — Шарнирный подшипник, модификация основного исполнения GE190, выпускается производителями: ENDURO, INA, TIMKEN.
Размер подшипника: 190x290x64 мм.
Широкий подшипник с внутренним кольцом и метрическим отверстием, радиально-упорный сферический подшипник скольжения. требующий обслуживания по iso 12 2402. монтажные размеры как для конических роликоподшипников по din 720. 320x. стальная скользящая контактная поверхность.
Международная стандартизации ISO
GE190SX
В наличии
| Обозначение | Конструктивные изменения |
|---|---|
| GE190-SW | Скользящая контактная поверхность из твердого хрома/Elgoglide®. Метрический радиальный сферический подшипник скольжения. |
Модификации шарнирного подшипника GE190SX — это измененное основное конструктивное исполнение GE190, основные размеры (190x290x64) не отличаются.
| Обозначение | Гост | Конструктивные особенности |
|---|---|---|
| GAC190S | ISO | Запечатанная версия кулачкового ролика. Измененная или модифицированная внутренняя конструкция при неизменных основных размерах. |
| GAC190T | ISO | Измененная или модифицированная внутренняя конструкция при неизменных основных размерах. Textile Laminated Phenolic Resin. Outer Ring Guided. The Cage Is Suitable For Long-Term Operation At Temperatures Up To 100°C. |
| GAC 190 CP | ISO | 10 Piece Packaging. |
| GAC 190 SP | ISO | Точность размеров примерно соответствует классу точности Р5. биения — классу точности Р4. |
Аналог шарнирного подшипника GE190SX — это подшипник такого же размера dx190,Dx290,Bx64, типа и конструкции.
| Обозначение | Конструктивные особенности | Внутренний (d) | Наружный (D) | Ширина (B) |
|---|---|---|---|---|
| 32038-X-E1 | Однорядный конический роликовый подшипник. Конструкция с увеличенной грузоподьемностью. Внешние размеры соответствуют международным стандартам. | 190.00 | 290.00 | 64.00 |
| 32038-X-S2 | Однорядный конический роликовый подшипник. Кольца стабилизированы по размерам для использования при рабочих температурах до +250°C (482°F). Внешние размеры соответствуют международным стандартам. | 190.00 | 290.00 | 64.00 |
| 32038XM P6 | Однорядный конический роликовый подшипник. Размерные и геометрические допуски соответствуют классу точности P6. Two Bearings In X-Arrangement. Medium Preload. | 190.00 | 290.00 | 64.00 |
| HR32038XJP5 | Однорядный конический роликовый подшипник. Диаметр и угол качения наружного кольца соответствуют стандарту ISO/R355. Серии размеров 20 и 29 — основные размеры соответствуют ISO/R355. | 190.00 | 290.00 | 64.00 |
| 32038-X-XL | Однорядный конический роликовый подшипник. Серия X-Life. Внешние размеры соответствуют международным стандартам. | 190.00 | 290.00 | 64.00 |
| 32038-X-N11CA-A350-40 | Однорядный конический роликовый подшипник. Внешние размеры соответствуют международным стандартам. Два X-образных конических роликоподшипника. С прокладкам между чашками. 2.1/2. | 190.00 | 290.00 | 64.00 |
| 32038-X-N11CA-A580-63 | Однорядный конический роликовый подшипник. Внешние размеры соответствуют международным стандартам. Два X-образных конических роликоподшипника. С прокладкам между чашками. 3.15/16. | 190.00 | 290.00 | 64.00 |
| 2007138-М | Роликовый радиальный-упорный однорядный подшипник. Модифицированный контакт.. | 190.00 | 290.00 | 64.00 |
| 2007138K | Роликовый радиальный-упорный однорядный подшипник. Коническое отверстие. Конусность 1/12. | 190.00 | 290.00 | 64.00 |
| E32038J | Роликовый радиальный-упорный однорядный подшипник. Дорожки качения наружного кольца. угол контакта и ширина наружного кольца в соответствии с ISO. | 190.00 | 290.00 | 64.00 |
| 32038ED | Роликовый радиальный-упорный однорядный подшипник. Double Outer Races (Non-Interchangeable WIth Other Outer Races Identified WIth Same Basic Part Numbers). | 190.00 | 290.00 | 64.00 |
| HR32038XJ | Роликовый радиальный-упорный однорядный подшипник. Для конических роликоподшипников и радиальных шарикоподшипников. | 190.00 | 290.00 | 64.00 |
| X32038XM/Y32038XM | Роликовый радиальный-упорный однорядный подшипник. Two Bearings In X-Arrangement. Medium Preload. | 190.00 | 290.00 | 64.00 |
| 32038AX | Роликовый радиальный-упорный однорядный подшипник. Поверхность контакта скольжения сталь / сталь. | 190.00 | 290.00 | 64.00 |
| 32038JR | Роликовый радиальный-упорный конический однорядный подшипник. TAPERED ROLLER BEARING CONFORMING TO ISO R355 (SUB-UNIT. METRIC SERIES). EXAMPLE/ 30206JR. | 190.00 | 290.00 | 64.00 |
Способы доставки
Отправка через ведущие транспортные и курьерские компании: ПЭК, Деловые Линии, СДЭК, Байкал-Сервис, Энергия, КИТ, ЖелДорЭкспедиция.
Самовывоз возможен напрямую со склада в Москве.
Сроки доставки
Срок зависит от региона и выбранной транспортной компании. Все заказы комплектуются и отправляются в кратчайшие сроки со склада в Москве.
Надёжность и сохранность
Вся продукция упаковывается с учётом требований транспортировки. Мы гарантируем, что подшипники и комплектующие прибудут к заказчику в полной сохранности.
Доставка в страны ЕАЭС
Мы работаем с проверенными логистическими партнёрами, что позволяет оперативно доставлять заказы в Беларусь, Казахстан, Армению и другие страны ЕАЭС.
Варианты оплаты:
Минимальная сумма заказа и скидки:
Документы и гарантии:
Да, конечно! Наши технические специалисты готовы помочь вам с подбором точного аналога или замены подшипника. Просто позвоните нам по телефону +7 (495) 104-99-04 или напишите на почту zakaz@podsnab.ru.
Для оперативной консультации подготовьте, пожалуйста, имеющиеся данные: маркировку, размеры, тип оборудования или артикул старого подшипника.
Да, конечно! Мы высоко ценим долгосрочное сотрудничество и доверие клиентов по всей России. Для постоянных клиентов действует персональная система скидок.
Условия формируются индивидуально и зависят от:
Чтобы узнать свои условия и получить максимально выгодное предложение, свяжитесь с персональным менеджером или напишите нам на почту zakaz@podsnab.ru.
Вы можете оформить заказ несколькими способами:
Для оформления заказа от юридического лица свяжитесь с нашим отделом по работе с корпоративными клиентами по телефону +7 (495) 104-99-04 или напишите на email zakaz@podsnab.ru, прикрепив реквизиты вашей организации.
Мы оперативно подготовим коммерческое предложение и выставим счет.
Возврат товара надлежащего качества возможен в течение 10 дней с момента получения, если товар не был в употреблении, сохранен товарный вид, упаковка не вскрывалась и присутствуют все сопроводительные документы.
Возврат денежных средств осуществляется в течение 10 рабочих дней после проверки товара складом.
В соответствии с законодательством возврату не подлежат подшипники надлежащего качества, если отсутствует оригинальная упаковка или имеются следы монтажа.
В случае выявления брака или гарантийного случая мы гарантируем возврат или обмен товара.
Да, гарантийный срок хранения устанавливается заводом-изготовителем и в среднем составляет 2 года при соблюдении условий хранения: сухое помещение, оригинальная упаковка и смазка.
Точный срок для конкретного типа подшипника уточняйте у наших менеджеров.
Пн–Пт: с 8:00 до 17:00 (МСК).
Сб–Вс: выходные дни.
Заказы на сайте принимаются круглосуточно. Заявки, поступившие после окончания рабочего дня, обрабатываются на следующий рабочий день.
Минимальная сумма заказа для доставки составляет 3000 рублей. Самовывоз со склада возможен на любую сумму при наличии товара.
ООО «УралТехГрупп»
ИНН: 7415093830
КПП: 772401001
ОГРН: 1167456069021
Банк: ПАО Сбербанк
Р/с: 40702810838000475273
К/с: 30101810400000000225
БИК: 044525225
У подшипника GE190SX пока нет отзывов. Вы можете стать первым покупателем, поделившимся своим мнением.