Поиск подшипника
Статьи
GE28SX — Шарнирный подшипник, модификация основного исполнения GE28, выпускается производителями: ENDURO, INA, SIGMA, TIMKEN.
Размер подшипника: 28x52x16 мм.
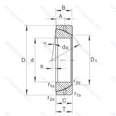
Широкий подшипник с внутренним кольцом и метрическим отверстием, радиально-упорный сферический подшипник скольжения. требующий обслуживания по iso 12 2402. монтажные размеры как для конических роликоподшипников по din 720. 320x. стальная скользящая контактная поверхность.
Международная стандартизации ISO
GE28SX
В наличии
| Обозначение | Конструктивные изменения |
|---|---|
| GE28KRRB | Подшипник со сферическим наружным кольцом. Манжетные уплотнения с обеих сторон (уплотнение типа R - имеет оцинкованные внутреннюю и внешнюю крышки. Между крышками имеется уплотнительная кромка NBR. идущая по шлифованному буртику). |
| GE28KRRB FA154/107/110 | Подшипник со сферическим наружным кольцом. Манжетные уплотнения с обеих сторон (уплотнение типа R - имеет оцинкованные внутреннюю и внешнюю крышки. Между крышками имеется уплотнительная кромка NBR. идущая по шлифованному буртику). (Combination Of FA154 And FA107 (Bearing With Lubrication Holes On The Locating Side) And FA110. |
| GE28-SX-F7 | Filling Degree Greater Than Standard. Радиально-упорный сферический подшипник скольжения. требующий обслуживания по ISO 12 2402. Монтажные размеры как для конических роликоподшипников по DIN 720. 320X. Стальная скользящая контактная поверхность. |
| GE28KRRB FA107/154 | Подшипник со сферическим наружным кольцом. Манжетные уплотнения с обеих сторон (уплотнение типа R - имеет оцинкованные внутреннюю и внешнюю крышки. Между крышками имеется уплотнительная кромка NBR. идущая по шлифованному буртику). (Combination Of FA107 (Bearing With Lubrication Holes On The Locating Side) And. |
| GE28SW | Скользящая контактная поверхность Твердый хром/Elgoglide® (Elgoglide®=PTFE (Polyetrafluoroethylene)).. Метрический радиальный сферический подшипник скольжения. |
Модификации шарнирного подшипника GE28SX — это измененное основное конструктивное исполнение GE28, основные размеры (28x52x16) не отличаются.
| Обозначение | Гост | Конструктивные особенности |
|---|---|---|
| GAC28T | ISO | Измененная или модифицированная внутренняя конструкция при неизменных основных размерах. Textile Laminated Phenolic Resin. Outer Ring Guided. The Cage Is Suitable For Long-Term Operation At Temperatures Up To 100°C. |
| GAC28S | ISO | Запечатанная версия кулачкового ролика. Измененная или модифицированная внутренняя конструкция при неизменных основных размерах. |
| GAC 28 SP | ISO | Шарнирный подшипник. |
| GAC 28 CP | ISO | Шарнирный подшипник. |
Аналог шарнирного подшипника GE28SX — это подшипник такого же размера dx28,Dx52,Bx16, типа и конструкции.
| Обозначение | Конструктивные особенности | Внутренний (d) | Наружный (D) | Ширина (B) |
|---|---|---|---|---|
| T28S1 | Подшипник шариковый упорный однонаправленный. Кольца подшипников или шайбы, стабилизированные по размерам для использования при рабочих температурах до +200°C (392°F).. | 28.00 | 53.00 | 16.50 |
| 32028AX | однорядный конический роликовый подшипник. Поверхность контакта скольжения сталь / сталь. | 140.00 | 210.00 | 16.00 |
| RNU304E T2X | Однорядный цилиндрический роликовый подшипник. Повышенная грузоподъемность. Полиамидный сепаратор 4.6 для цилиндрических роликоподшипников. | 28.50 | 52.00 | 15.00 |
| 320/28X/VB003 | Однорядный конический роликовый подшипник. Присоединительные размеры не соответствуют серии размеров ISO. Extra Polished Outside Of The Inner Ring. | 28.00 | 52.00 | 16.00 |
| HR320/28XJ | однорядный конический роликовый подшипник. Дорожки качения наружного кольца. угол контакта и ширина наружного кольца в соответствии с ISO. Серии размеров 20 и 29 — основные размеры соответствуют ISO/R355. Для конических роликоподшипников и радиальных шарикоподшипников. | 28.00 | 52.00 | 16.00 |
| GE28-SW-A | Сферический подшипник скольжения. Особенность внутренней конструкции. PTFE (Polyetrafluoroethylene)). Скользящая контактная поверхность из твердого хрома/Elgoglide®. | 28.00 | 52.00 | 16.00 |
| 320/28JRRS | Однорядный конический роликовый подшипник. Конический роликоподшипник. соответствующий стандарту ISO R355. Код внутренней конструкции (высокая грузоподъемность). | 28.00 | 52.00 | 16.00 |
| RUS304E | Роликовый радиальный однорядный подшипник. Повышенная грузоподъемность. | 28.50 | 52.00 | 15.00 |
| 292304А | Роликовый радиальный однорядный подшипник. Повышенная грузоподъемность. | 27.50 | 52.00 | 15.00 |
| 292304Н | Роликовый радиальный однорядный подшипник. Детали из теплостойкой стали. | 28.50 | 52.00 | 15.00 |
| 20071/28A | Роликовый радиальный-упорный однорядный подшипник. Двухрядный радиально-упорный шарикоподшипник без отверстия для смазки. | 28.00 | 52.00 | 16.00 |
| BR2852DD | Шариковый радиальный однорядный подшипник. Два уплотнения из PTFE. | 28.00 | 52.00 | 16.00 |
| 6205/27 | Шариковый радиальный однорядный подшипник. 1.11/16. | 27.00 | 52.00 | 15.00 |
| 28TAG 12 | Шариковый упорный однорядный подшипник. Уплотнение из полиакрила. Универсальный подшипник. Только для внутреннего и наружного колец. | 28.00 | 51.50 | 16.00 |
| 6-2007128 А | Роликовый радиальный-упорный однорядный подшипник. Повышенная грузоподъемность. | 140.00 | 210.00 | 16.00 |
Способы доставки
Отправка через ведущие транспортные и курьерские компании: ПЭК, Деловые Линии, СДЭК, Байкал-Сервис, Энергия, КИТ, ЖелДорЭкспедиция.
Самовывоз возможен напрямую со склада в Москве.
Сроки доставки
Срок зависит от региона и выбранной транспортной компании. Все заказы комплектуются и отправляются в кратчайшие сроки со склада в Москве.
Надёжность и сохранность
Вся продукция упаковывается с учётом требований транспортировки. Мы гарантируем, что подшипники и комплектующие прибудут к заказчику в полной сохранности.
Доставка в страны ЕАЭС
Мы работаем с проверенными логистическими партнёрами, что позволяет оперативно доставлять заказы в Беларусь, Казахстан, Армению и другие страны ЕАЭС.
Варианты оплаты:
Минимальная сумма заказа и скидки:
Документы и гарантии:
Да, конечно! Наши технические специалисты готовы помочь вам с подбором точного аналога или замены подшипника. Просто позвоните нам по телефону +7 (495) 104-99-04 или напишите на почту zakaz@podsnab.ru.
Для оперативной консультации подготовьте, пожалуйста, имеющиеся данные: маркировку, размеры, тип оборудования или артикул старого подшипника.
Да, конечно! Мы высоко ценим долгосрочное сотрудничество и доверие клиентов по всей России. Для постоянных клиентов действует персональная система скидок.
Условия формируются индивидуально и зависят от:
Чтобы узнать свои условия и получить максимально выгодное предложение, свяжитесь с персональным менеджером или напишите нам на почту zakaz@podsnab.ru.
Вы можете оформить заказ несколькими способами:
Для оформления заказа от юридического лица свяжитесь с нашим отделом по работе с корпоративными клиентами по телефону +7 (495) 104-99-04 или напишите на email zakaz@podsnab.ru, прикрепив реквизиты вашей организации.
Мы оперативно подготовим коммерческое предложение и выставим счет.
Возврат товара надлежащего качества возможен в течение 10 дней с момента получения, если товар не был в употреблении, сохранен товарный вид, упаковка не вскрывалась и присутствуют все сопроводительные документы.
Возврат денежных средств осуществляется в течение 10 рабочих дней после проверки товара складом.
В соответствии с законодательством возврату не подлежат подшипники надлежащего качества, если отсутствует оригинальная упаковка или имеются следы монтажа.
В случае выявления брака или гарантийного случая мы гарантируем возврат или обмен товара.
Да, гарантийный срок хранения устанавливается заводом-изготовителем и в среднем составляет 2 года при соблюдении условий хранения: сухое помещение, оригинальная упаковка и смазка.
Точный срок для конкретного типа подшипника уточняйте у наших менеджеров.
Пн–Пт: с 8:00 до 17:00 (МСК).
Сб–Вс: выходные дни.
Заказы на сайте принимаются круглосуточно. Заявки, поступившие после окончания рабочего дня, обрабатываются на следующий рабочий день.
Минимальная сумма заказа для доставки составляет 3000 рублей. Самовывоз со склада возможен на любую сумму при наличии товара.
ООО «УралТехГрупп»
ИНН: 7415093830
КПП: 772401001
ОГРН: 1167456069021
Банк: ПАО Сбербанк
Р/с: 40702810838000475273
К/с: 30101810400000000225
БИК: 044525225
У подшипника GE28SX пока нет отзывов. Вы можете стать первым покупателем, поделившимся своим мнением.