Поиск подшипника
Статьи
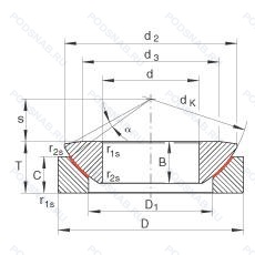
GE240AW — Шарнирный подшипник, модификация основного исполнения GE240, выпускается производителями: INA, ISO.
Размер подшипника: 240x400x103 мм.
Широкий подшипник с внутренним кольцом и метрическим отверстием, скользящая контактная поверхность из твердого хрома/elgoglide®.
Международная стандартизации ISO
GE240AW
В наличии
| Обозначение | Конструктивные изменения |
|---|---|
| GE240-UK-2TS | Контактная поверхность скольжения хром/PTFE композит. Two Teflon Seals Reinforced With Z-Shields. |
| GE240ES-2RS | Контактные уплотнения типа RS с обеих сторон игольчатого роликоподшипника. Разъемное наружное кольцо со смазочными отверстиями. Антизадирная пластичная смазка. |
| GE240-UK-2RS | Контактные уплотнения типа RS с обеих сторон игольчатого роликоподшипника. Контактная поверхность скольжения хром/PTFE композит. Антизадирная пластичная смазка. |
| GE240-UK-2RS-B | Резиновые уплотнения с каждой стороны подшипника. Конический роликовый подшипник. Угол контакта 20 градусов. Контактная поверхность скольжения хром/PTFE композит. |
| GE240TXA-2RS | Double-Lip Rubbing Seals Of Metric Bearings Are Made Of Polyester Elastomer (-30°C/+130°C). Inch-Size Bearings Are Made Of Polyurethane (-20°C/+80°C). Through Hardened And Ground Steel. Split Two-Piece. Held Together By One Or Two Steel Bands. |
| GE240DO-2RS | Манжетное уплотнение с двух сторон. Стальная контактная поверхность скольжения. Внутреннее и наружное кольца закалены. Антизадирная пластичная смазка. |
| GE240ES | Разъемное наружное кольцо со смазочными отверстиями. Антизадирная пластичная смазка. |
| GE240-FO-2RS-A | Особенность внутренней конструкции. Манжетное уплотнение с двух сторон. Стальная скользящая контактная поверхность. Более широкое внутреннее кольцо. |
| GE240TAS | Through Hardened And Ground Steel. Split Two-Piece. Held Together By One Or Two Steel Bands. |
| GE240-DO-2RS-A | Особенность внутренней конструкции. Манжетное уплотнение с двух сторон. Поверхность контакта скольжения сталь / сталь. |
| GE240-DO-2RS-C3 | Радиальный внутренний зазор больше нормального. Манжетное уплотнение с двух сторон. Стальная контактная поверхность скольжения. Внутреннее и наружное кольца закалены. |
| GE240-DO-2RS-A-C3 | Радиальный внутренний зазор больше нормального. Особенность внутренней конструкции. Манжетное уплотнение с двух сторон. Поверхность контакта скольжения сталь / сталь. |
| GE240ET-2RS | Double-Lip Rubbing Seals Of Metric Bearings Are Made Of Polyester Elastomer (-30°C/+130°C). Inch-Size Bearings Are Made Of Polyurethane (-20°C/+80°C). Сквозная закалка и шлифовка стали с переломом в одной точке. |
| GE240-FW-2RS-B | Манжетное уплотнение с двух сторон. Особенность внутренней конструкции. СкользящаКонтактная поверхность из хром/PTFE. Широкое внутреннее кольцо. |
| GE240XT/X | Измененные размеры границ. введенные пересмотренными стандартами ISO. Закаленная и шлифованная сталь. Скользящая поверхность покрыта твердым хромом и отполирована. |
| GE240XT/X-2RS | Резиновые уплотнения с каждой стороны подшипника. Измененные размеры границ. введенные пересмотренными стандартами ISO. Закаленная и шлифованная сталь. Скользящая поверхность покрыта твердым хромом и отполирована. |
| GE240XT-2RS | Резиновые уплотнения с каждой стороны подшипника. Закаленная и шлифованная сталь. Скользящая поверхность покрыта твердым хромом и отполирована. |
| GE240XS | (Конус/внутренняя гонка и чашка/внешняя гонка) Различные отверстия. Наружный диаметр. Ширина или радиус отличаются от номера базовой детали. |
| GE240FO-2RS | Контактные уплотнения типа RS с обеих сторон игольчатого роликоподшипника. Стальная скользящая контактная поверхность. Более широкое внутреннее кольцо. Антизадирная пластичная смазка. |
| GE240FW-2RS | Контактные уплотнения типа RS с обеих сторон игольчатого роликоподшипника. СкользящаКонтактная поверхность из хром/PTFE. Широкое внутреннее кольцо. Антизадирная пластичная смазка. |
| GE240DO | Прессованный стальной сепаратор. Вращающийся элемент по центру. Незакаленный. |
| GE240XF/Q | Оптимизированная геометрия и специальная обработка контактных поверхностей. |
Модификации шарнирного подшипника GE240AW — это измененное основное конструктивное исполнение GE240, основные размеры (240x400x103) не отличаются.
| Обозначение | Гост | Конструктивные особенности |
|---|---|---|
| GW 240 | ISO | Пластичная смазка для широкого диапазона температур. |
| GX240T | ISO | Textile Laminated Phenolic Resin. Outer Ring Guided. The Cage Is Suitable For Long-Term Operation At Temperatures Up To 100°C. |
Аналог шарнирного подшипника GE240AW — это подшипник такого же размера dx240,Dx400,Bx103, типа и конструкции.
| Обозначение | Конструктивные особенности | Внутренний (d) | Наружный (D) | Ширина (B) |
|---|---|---|---|---|
| 230SM240-MA | Подшипник роликовый сферический. Механически обработанный латунный сепаратор. Центрирование по внешнему кольцу. | 240.00 | 400.00 | 104.00 |
| 3013148-АМНТ2 | Роликовый радиальный двухрядный подшипник. Детали из теплостойкой стали. 200°. Модифицированный контакт.. Температура отпуска. Повышенная грузоподъемность. | 240.00 | 400.00 | 104.00 |
| 3013148-НТ2 | Роликовый радиальный двухрядный подшипник. Детали из теплостойкой стали. 200°. Температура отпуска. | 240.00 | 400.00 | 104.00 |
| 40-3013148 АМНТ2 | Роликовый радиальный двухрядный подшипник. Детали из теплостойкой стали. 200°. Модифицированный контакт.. Температура отпуска. Повышенная грузоподъемность. | 240.00 | 400.00 | 104.00 |
| 40-3013148 НТ2 | Роликовый радиальный двухрядный подшипник. Детали из теплостойкой стали. 200°. Температура отпуска. | 240.00 | 400.00 | 104.00 |
| 3013148 | Роликовый радиальный двухрядный подшипник. | 240.00 | 400.00 | 104.00 |
| 3013148АМН | Роликовый радиальный двухрядный подшипник. Детали из теплостойкой стали. Модифицированный контакт.. Повышенная грузоподъемность. | 240.00 | 400.00 | 104.00 |
| 23052 EKW33+AOH3052 | Роликовый радиальный сферический двухрядный подшипник. | 240.00 | 400.00 | 104.00 |
| 23052 EKW33+OH3052 | Роликовый радиальный сферический двухрядный подшипник. | 240.00 | 400.00 | 104.00 |
| 23052 ACKMBW33+H3052X | Роликовый радиальный сферический двухрядный подшипник. | 240.00 | 400.00 | 104.00 |
| 23052-E1-K + H3052X | Роликовый радиальный сферический двухрядный подшипник. Коническое отверстие. Конусность 1/12. Конструкция с увеличенной грузоподьемностью. | 240.00 | 400.00 | 104.00 |
| 23052-E1-K + AH3052 | Роликовый радиальный сферический двухрядный подшипник. Коническое отверстие. Конусность 1/12. Конструкция с увеличенной грузоподьемностью. | 240.00 | 400.00 | 104.00 |
| 23052-2CS5K/VT143 + OH 3052 HE | Сферический двухрядный подшипник. Заполнение пластичной смазкой SKF LGEP 2 на 25–35 %. Отверстие для смазки. Закрепительная втулка. | 240.00 | 400.00 | 104.00 |
| 40-3013148 Т | Роликовый радиальный двухрядный подшипник. Температура отпуска. 160°. | 240.00 | 400.00 | 104.00 |
Способы доставки
Отправка через ведущие транспортные и курьерские компании: ПЭК, Деловые Линии, СДЭК, Байкал-Сервис, Энергия, КИТ, ЖелДорЭкспедиция.
Самовывоз возможен напрямую со склада в Москве.
Сроки доставки
Срок зависит от региона и выбранной транспортной компании. Все заказы комплектуются и отправляются в кратчайшие сроки со склада в Москве.
Надёжность и сохранность
Вся продукция упаковывается с учётом требований транспортировки. Мы гарантируем, что подшипники и комплектующие прибудут к заказчику в полной сохранности.
Доставка в страны ЕАЭС
Мы работаем с проверенными логистическими партнёрами, что позволяет оперативно доставлять заказы в Беларусь, Казахстан, Армению и другие страны ЕАЭС.
Варианты оплаты:
Минимальная сумма заказа и скидки:
Документы и гарантии:
Да, конечно! Наши технические специалисты готовы помочь вам с подбором точного аналога или замены подшипника. Просто позвоните нам по телефону +7 (495) 104-99-04 или напишите на почту zakaz@podsnab.ru.
Для оперативной консультации подготовьте, пожалуйста, имеющиеся данные: маркировку, размеры, тип оборудования или артикул старого подшипника.
Да, конечно! Мы высоко ценим долгосрочное сотрудничество и доверие клиентов по всей России. Для постоянных клиентов действует персональная система скидок.
Условия формируются индивидуально и зависят от:
Чтобы узнать свои условия и получить максимально выгодное предложение, свяжитесь с персональным менеджером или напишите нам на почту zakaz@podsnab.ru.
Вы можете оформить заказ несколькими способами:
Для оформления заказа от юридического лица свяжитесь с нашим отделом по работе с корпоративными клиентами по телефону +7 (495) 104-99-04 или напишите на email zakaz@podsnab.ru, прикрепив реквизиты вашей организации.
Мы оперативно подготовим коммерческое предложение и выставим счет.
Возврат товара надлежащего качества возможен в течение 10 дней с момента получения, если товар не был в употреблении, сохранен товарный вид, упаковка не вскрывалась и присутствуют все сопроводительные документы.
Возврат денежных средств осуществляется в течение 10 рабочих дней после проверки товара складом.
В соответствии с законодательством возврату не подлежат подшипники надлежащего качества, если отсутствует оригинальная упаковка или имеются следы монтажа.
В случае выявления брака или гарантийного случая мы гарантируем возврат или обмен товара.
Да, гарантийный срок хранения устанавливается заводом-изготовителем и в среднем составляет 2 года при соблюдении условий хранения: сухое помещение, оригинальная упаковка и смазка.
Точный срок для конкретного типа подшипника уточняйте у наших менеджеров.
Пн–Пт: с 8:00 до 17:00 (МСК).
Сб–Вс: выходные дни.
Заказы на сайте принимаются круглосуточно. Заявки, поступившие после окончания рабочего дня, обрабатываются на следующий рабочий день.
Минимальная сумма заказа для доставки составляет 3000 рублей. Самовывоз со склада возможен на любую сумму при наличии товара.
ООО «УралТехГрупп»
ИНН: 7415093830
КПП: 772401001
ОГРН: 1167456069021
Банк: ПАО Сбербанк
Р/с: 40702810838000475273
К/с: 30101810400000000225
БИК: 044525225
У подшипника GE240AW пока нет отзывов. Вы можете стать первым покупателем, поделившимся своим мнением.